RL132电路图N7205A093E.pdf - 第9页
21 22. MITSUBISHI MDC24V1a1b oL^^oa 6- K203 NICH1FU । TMEE2-4 N610086974 UL1015AWG14RD UL1015AWG14WH UL1015AWG14BK »-4 cAI A 2c -X132 2 群盛 PHOENIX ST 2.5-QUATTRO RD 216-205 ) 舞舞 I 216-205 PHOENIX ST 2.5-QUATTRO BK WAGO 2…

1
2
4
5
6
N610045952
7610124790
)
N610126092
A
[]
11
5
STO2X18AWG
-X
1
1
9
2-F105
8
UL1015AWG18RD
BK
UL1015
AWG16
BK
UL1015AWG18WH
NIX
WX
UL1015
AWG16
WH
-X122
B
WAGO
1
216-223
M6
10045954
UL1015
AWG16
BK
-K301
NIX
CONTACT
TO
MAIN
FRAME
BODY
ST2.5-QUATTRO
BK
AC
200V
N6101258I0
REFER
TO
N610072951+001
C
N61
0053664—
)
7610053665
STO
bk
L-T103
D
N61
0053666)
NIX
CONTACT
1-15
TO
MAIN
FRAME
BODY
7610066551
E
OPTION
F
F4K
1020-05
A
1
2
4
5
6
7
8
Panasonic
Factory
Solutions
Co.,
Ltd
/^7—
'7^
77
U
—
VUzl
—
株
式会社
WAGO
216-224
2
CT
RD
WAGO
216-223
WAGO
216-223
WAGO
216-224
'
For
Auto
Width
Closing
Power
Refer
to
N6
101
30865+001
PBXCAB-AA
PFSC
-K501
TDK
ZCAT3035-133C
MITSUBISHI
CP30-BA
2P
1-SD
7A
-F105
2
TDK
ZCAT3035-1330
-V103
DENSEI-LAMBDA
ZWS240PAF-24/T
-T103
TDK
ZCAT3035-1330
-V111
TDK
ZCAT3035-1330
-V112
KAWASAKI
KS-31A.GTCE-3
1.0
-1+
T101
I-T101
Q+T103
I-T103
REFER
TO
N61
0130812+002
匚
REFER
TO
N61
01
30795+001
匚
ST2.5-QUATTRORD
ST2.5
嗽
J
踏监
ST
4-HESI(5x20)
ST
4-HESI(5x20:
-F003
-F004
LITTELFUSE
218.005XP
WAG()
UL1015
AWG16
BK
216-223
:
1
国
I
2®
"仁
I
NIX
CONTACT
NIX
CON'
ST2.5-QUATTRO
ST2.5-QUATTR
REFER
TO
N61
01
30799+001
匚
WAGO
216-223
Mfruioi
DENSEI-LAMBDA
艇酣
ZWS240PAF-24/T
L-T10
14rLi
1005
1047一)
艇以
11-5
STO2X18AWG
WAGO
216-223
WAGO
WAGO
也
P
216-223
111X)1
WAGO
WAGO
216-223
WAGO
NIX
CONTACT
HTON1X
CONTACT
ST2.5-QUATTRO
RD
ST2.5-QUATTRO
RD
段
WAGO
c
1
216-223
NIX
CONTACT
PROhNIX
CONTACT
ST2.5-QUATTRO
BK
ST2.5-QUATTRO
BK
「
4-F105
N1CHIFU
TMEE1.25-5
wh
N-T1011n
上
3
八
wh
N-T1031
z
Q
N
E-T1031
_p
WAGO
UL1015
AWG16
WH
216-223
1
WAGO
UL1015
AWG16
BK
216-223
2
Name
Drawing
No.
AC
200V
3
DIAGRAM
Power
supply
N610130796+001AB
Kit
No.
Loc.
No.

21
22.
MITSUBISHI
MDC24V1a1b
oL^^oa
6-
K203
NICH1FU
।
TMEE2-4
N610086974
UL1015AWG14RD
UL1015AWG14WH
UL1015AWG14BK
»-4
cAI
A
2c
-X132
2
群盛
PHOENIX
ST
2.5-QUATTRO
RD
216-205
)
舞舞
I
216-205
PHOENIX
ST
2.5-QUATTRO
BK
WAGO
216-205
WAGO
?
216-205
6—
6
-
K201
UL1915
AWG12
BK
REFER
TO
N6
0
30795+001
REFER
TO
N610130795+001
匚
-X125
2
慨
3
WAGO
216-223
PHOENIX
ST
2.5-QUATTRO
RD
-X126
PHOENIX
ST
2.5-QUATTRO
RD
WAGO
[K11
216-223
-X,27
2«3
WAGO
216-223
WAGO
216-223
WAGO
216-223
4
WAGO
216-223
WAGO
216-223
-X129
PHOENIX
ST
4-TWIN
RD
-X130
PHOENIXST
4-TWIN
PHOENIX
ST
4-TWIN
II
PHOENIX
ST
4-TWIN
PHOENIX
ST
4-TWIN
BK
PHOENIX
ST
4-TWIN
-X131
-X139
一川38
WAG。
216-205
WAGO
216-205
WAGO
216与所
WAGO
216-205
7
-XI44
WAG。
216-205
WAGO
.
216-205
WAGO
2l6NO5
WAGO
216-205
WAGO
216-207
WAGO
21
6^05
WAGO
216-205
WAGO
2l6Q07
"wagT
216-205
WAGO
216-223
4
PHOENIX
PHOENIX
ST
2.5-QUATTRO
ST
2.5-QUATTRO
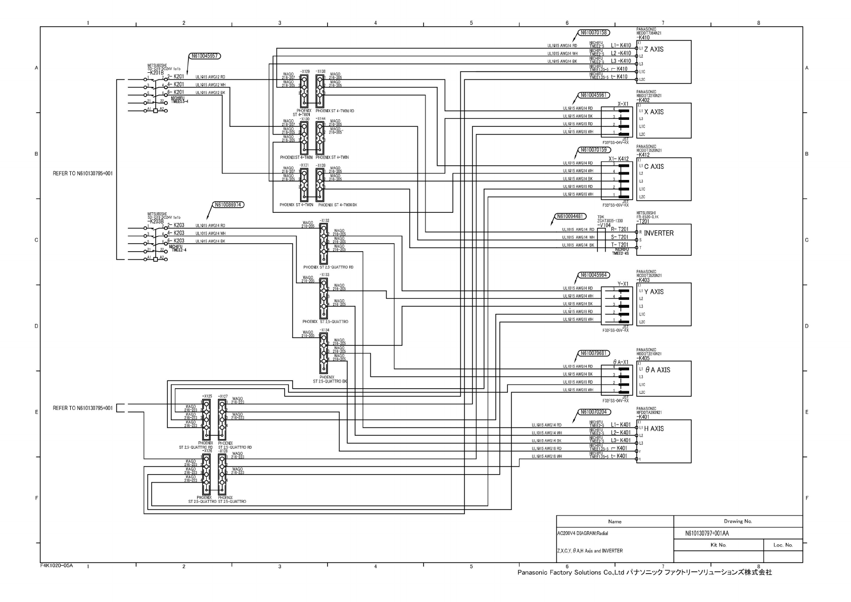
N610070158)
UL1015AWG14
RD
UL1015AWG14WH
UL1015AWG14BK
L3
L1C
L2C
N610045961
)
X-X1
UL1015
AWG14
RD
UL1015
AWG14
BK
UL1015
AWG18
RD
L1C
UL1015
AWG18WH
L2C
N610070159
)
X1-K412
UL1015AWG14
RD
UL1015AWG14WH
ULI015AWG14BK
L3
UL1015AWG18RD
L1C
UL1015
AWG13
WH
L2C
F32FSS-05V-KX
N61
0094481
)
UL1015
AWG14
RD
s-
T201
UL1015
AWG14
WH
UL1015
AWG14
BK
MITSUBISHI
FR-E520-0.1K
-T201
JST
F32FSS-04V-KX
蹈
L3-K410
将出%
-5
r-K410
聘出%
-5
t-K410
N1CHIFU
11
|z4in
TMEE2-5
L1-K410
NICH1FU
I
。
kAic
TMEE2-5
L2
-K410
TDK
ZCAT3035-1330
-V104
l~l
R-T201
PANASONIC
MCDDT3520N21
”412
X1
L1
C
AXIS
L2
PANASONIC
MBDDT2210N21
「
K402
X1
L1
X
AXIS
L3
PANASONIC
MEDDT7364N21
-K410
Ixi
"Z
AXIS
bl2
T-
T201
NICHFU
TMEE2-4S
N610045964)
Y-X1
UL1015
AWG14
RD
UL1015
AWG14
WH
UL1015AWG14
BK
一
3
UL1O15AWG18RD
UL1015
AWG18WH
N610079681
)
0A-X1
ULIO15
AWG14
RD
UL1015
AWG14
BK
UL1015AWG18
RD
L1C
UL1015
AWG18
WH
L2C
N610070204—
)
UL1015AWG14RD
UL1015AWG14WH
UL1015
AWG14
BK
L3
UL1015AWG18RD
UL1015AWG18WH
Drawing
No.
Name
N610130797+001AA
AC
200V
4
DIAGRAM:Radial
Z,X£Y,8A,H
Axis
and
INVERTER
JST
F32FSS-05V-KX
JST
F32FSS-04V-KX
PANASONIC
MBDDT2210N21
「
K405
X1
u
8
A
AXIS
L3
PANASONIC
MFDDTA390N21
「
K401
卜
H
AXIS
bL2
艇晶
L3-K401
雷
r-
K401
班出%
-5
t-
K401
艇晶
L1-K401
犍
%
L2
-
K401
PANASONIC
MCDDT3520N21
-K403
L,
Y
AXIS
R
INVERTER
s
T
F4K
1020-05
A
6
7
8
Panasonic
Factory
Solutions
Co.,
Ltd
/^7—
'7^
—
VUzl
—
株
式会社
1
2
4
1
5
1
6
&^^^1
ST2
-X13

N61
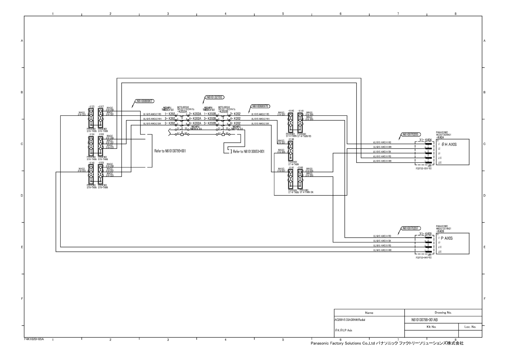
0070207
)
F32FSS-04V-KX
PANASONIC
MBDDT2210N21
-K409
UL1015AWG14RD
UL1015AWG14BK
UL1015AWG18RD
UL1015AWG18WH
UL1015
AWG14
RD
UL1015
AWG14WH
UL1015AWG14BK
ULI0I5AWGI8RD
UL1015
AWG18WH
F32FSS-05V-KX
PANASONIC
MCDDT3520N21
Name
Drawing
No.
AC
200V
5
DIAGRAM:Radial
8HfUP
Axis
N610130798+001AB
Kit
No.
Loc.
No.
N6
10086967)
N6
10086970)
UL1015AWG12
RD
4-
K202A
3-
K202B
4
-
K202
UL1015AWG12WH
UL1Q15
AWG12
BK
UL1015AWG12BK
21
Al
A2
A?
3
P
PHOENIX
Refer
to
N610130795+001
eferto
N61
01
30853+001
wx
BK
WAGO
216-207
WAGO
216-205
WAGO
216-207
1
ST
4-TWIN
ST
4-BVIN
RD
-X146
2»
1
UL1015AWG12WH
3
-
K20
6-6-
K
202A
5
-
K202Bq5
」
K202
N
丽
MITSUBISHI
SD-Q11
DC24V1b
-K202B
-K202
凶
45
—XI48
wago
I
2
榜05
WAGO
>
216-205
PHOENIX
ST
4-TWIN
-X147
-X149
WAGO
1
216-205
、
WAGO
)
216-205
NICHIFU
MITSUBISHI
TMK55-3.5
S>Q11DC24V1b
UL1Q15AWG12RD
1-
K20
;
4
-
K202A
1-K202B
ST4-TWiN~ST4-™N
P
X
NIX
ST6-TWIN
ST6-TWIN
WAGO
216-223
WAGO
216-223
IX
ST6-TWIN
-X124
ST6-TWIN
-X142
-X123
4(107
WAGO
216-208
WAGO
2IR-2Q7
PHOENIX
ST6-TW1N
-X,08
WAGO
1
216-208
WAGO
2
216-207
WAGO
3
216-223
NIX
ST6-TW1N
•I
°9
WAGO
1
216-208
WAGO
2
216-207
,
WAGO
3
216-223
X1
L1
P
AXIS
L3
L1C
L2C
F4K
1020-05
A
2
4
5
1
6
1
7
1
8
Panasonic
Factory
Solutions
Co.,
Ltd
/弋十\/
二^夕
77
U
—
VUzl
—
朱
式会社
1
2
4
1
5
1
6