RL132电路图N7205A093E.pdf - 第98页
1 2 4 5 6 7 8 -K301 A A B B C C D D E E F F F4K 1020-05 A 1 2 4 5 6 7 8 Panasonic Factory Solutions Co., Ltd /^7— '7^ 77 U — VUzl — 株 式会社 PBXCAB-AA PFSC -K501 Name Drawing No. CARD-READER LAN DIAGRAM N610130860+001A…

DE-C8-J9-F2-1
DEU-9SF-F0
N51
001
5765
MOLEX
88741-8310
MOLEX
5557-O6R-21O
CN1-K501
、
3
0
A
UL1007
AWG22
YE
UL1007
AWG22
OG
y
八
UL1007
AWG22
RD
PBXCAA-AA
PFSC
-K501
Control
Unit
(CONT)
-K504
CPU
board
NBC-JCI34X-D
NEC
-K504
DCB-COM
COMLRXD
C0M1
2r—
COMLTXD—
COMLRTS—
COMLCTS—
GND
5r—
COMLDCD_
-L—
COMl_DTR_
COMLDSR_
C0M1_RI_
CN1
+12V
3
GND
〔
+12V
6
GND
4
N.C
2
I
—
N.C
5
l_
Name
Drawing
No.
FRONT.
TOUCH.
PANEL
DIAGRAM
N610130859+001AA
Kit
No.
Loc.
No.
TDK
ZCAT3035-1330
009
~
OG/RD
OG/BK
GY/RD
GY/BK
WH/BK
Molex
5557-06R-210
CN3-AOO3
1
最
3|
4l
耳
6|
RGND
GIN
GGND
BIN
BGND
HSYNC
GND
VSYNC
GND
8
RTS
5
GND
1
CD
4
DSR
6
DTR
9
N.C
JF6611-2-DV1-12V
-A003
MONITOR
UF6611-2-DV1-1
2V
夕
)1/
-A003
MONITOR
F4K
1020-05
A
2
4
5
1
6
1
7
1
8
Panasonic
Factory
Solutions
Co.,
Ltd
/弋十\/
二^夕
77
U
—
VUzl
—
朱
式会社
1
I
2
।
3
।
4
1
5
i
6
1
7
।
8
a_»»
cup
r
I
r
s
T
IL
62738354094125-
1—
1—
1—
1—
RG
_>>>

1
2
4
5
6
7
8
-K301
A A
B B
C
C
D
D
E
E
F
F
F4K
1020-05
A
1
2
4
5
6
7
8
Panasonic
Factory
Solutions
Co.,
Ltd
/^7—
'7^
77
U
—
VUzl
—
株
式会社
PBXCAB-AA
PFSC
-K501
Name
Drawing
No.
CARD-READER
LAN
DIAGRAM
N610130860+001AB
Kit
No.
Loc.
No.

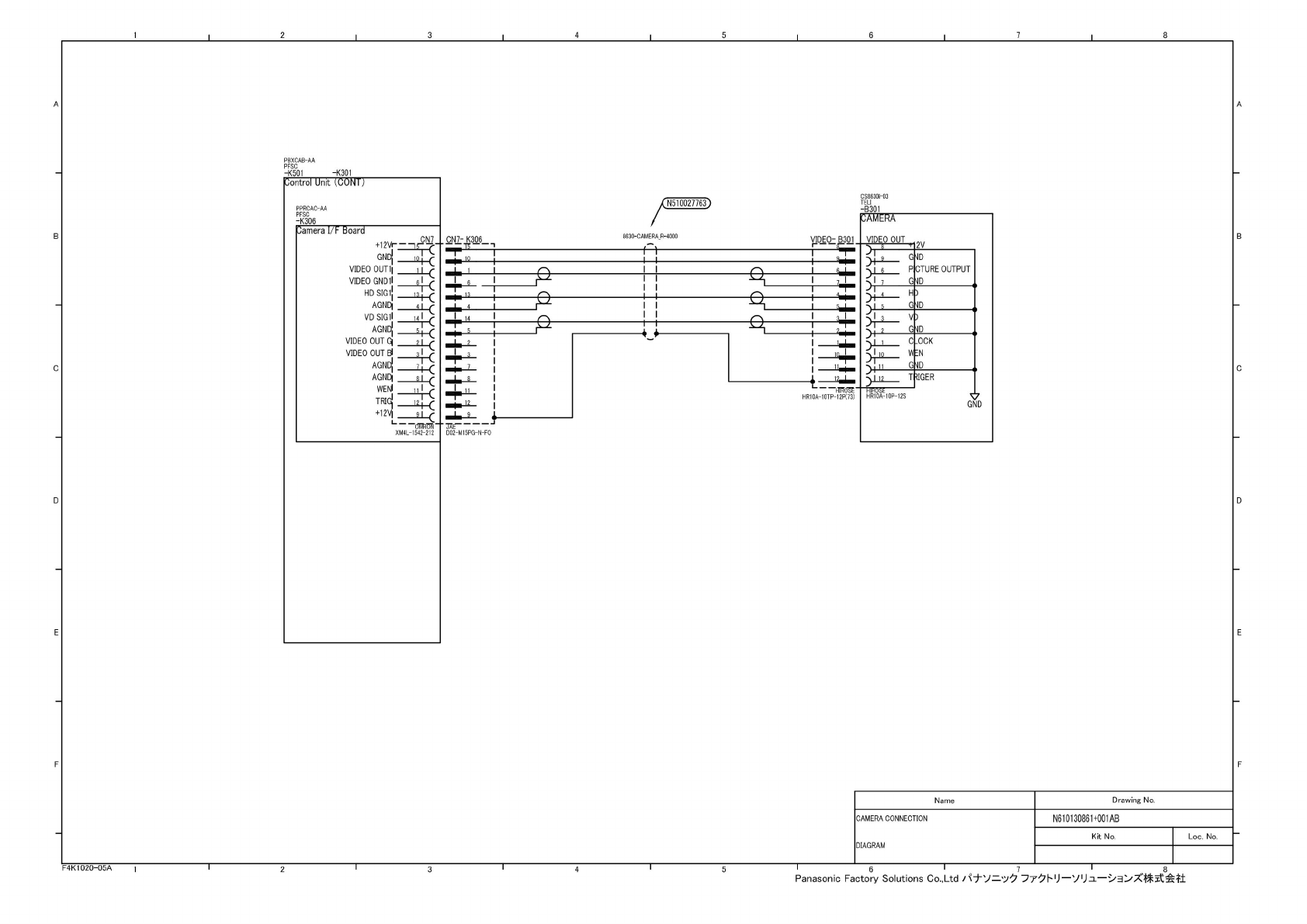
HIROSE
HR10A-1
OTP-1
2P(73)
VIDEO-
B301
CS8630i-03
TEU
-B301
PBXCAB-AA
PFSC
-K50I
-K301
Board
+12E
gnd|
VIDEO
OUT1|
VIDEO
GND1I
HD
SlGl|
agnd|
VD
SIG1I
agnd|
VIDEO
OUT
d
VIDEO
OUT
Bl
agnd|
AGND|
WEM
TRlg
+12Vj
camera
1/F
CAMERA
VIDEO
OUT
2V
GND
HIROSE
HR10A-10P-12S
>
二
G
MD
」
6
P
CTURE
OUTPUT
1
7
G
7D
Jj
_
H
)
1
5
G
MD
h
V
)
'
?
G
7D
1
1
1
C
.OCK
1
10
W
EN
11
G
ND
)
1
—
T
MER
XM4L-1
542-2
12
N610130861+001AB
CAMERA
CONNECTION
DIAGRAM
Name
Drawing
No.
Kit
No.
Unit
(CONT)
PPRCAC-AA
PFSC
-K306
F4K
1020-05
A
2
4
5
1
6
1
7
1
8
Panasonic
Factory
Solutions
Co.,
Ltd
/弋十\/
二^夕
77
U
—
VUzl
—
朱
式会社
1
I
2
।
3
।
4
1
5
i
6
1
7
।
8
ko
o
1
6
3
4
4
5
2
3
7
8
1
2
9
V
4H
V
4
11