RL132电路图N7205A093E.pdf - 第26页
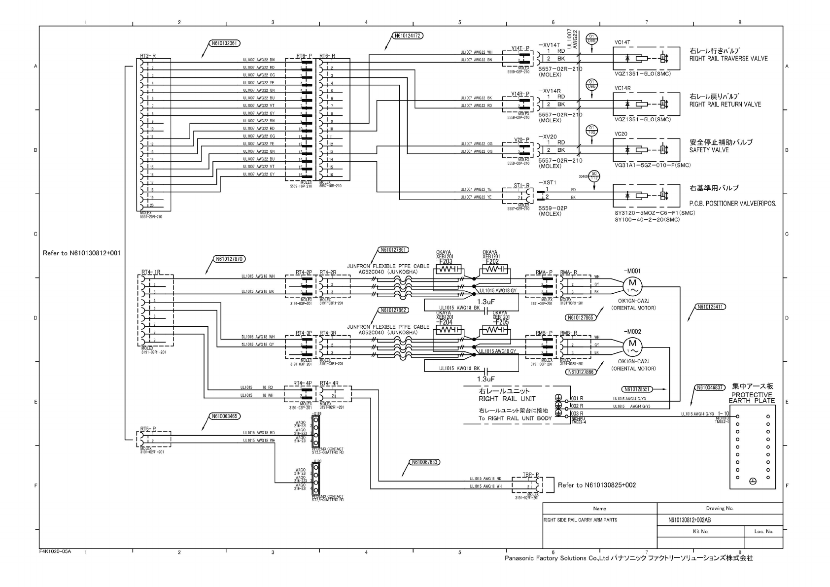
MOLEX 3I91-03P-201 RT4-3P -XV14T 弓冬 、 1 RD 2 BK 5557-02R-21 (MOLEX) UL1007 AWG22 WH UL1OO7 AWG22 BN VI4T-P I 1 rarm」 5559-02P-210 JUNFRON FLEXIBLE PTFE CABLE RT4-3R _ i>p AG52C040 (JUNKOSHA) AWG18 WH UL1015 AWG18 GY N…

UL1007
AWG22
RD
UL1007
AWG22
RD
UL1007
AWG22
RD
UL1007
AWG22
RD
UL1007
AWG22
GN
UL1007
AWG22
GN
UL1007
AWG22
VT
UL1007
AWG22
VT
UL1007
AWG22
BN
UL1007
AWG22
RD
UL1007
AWG22
OG
UL1OO7
AWG22
YE
UL1OO7
AWG22
GN
UL1OO7
AWG22
BU
UL1OO7
AWG22
VT
UL1OO7
AWG22
GY
Refer
to
N61
01
3081
2+002
UL10O7
AWG22
BN
ULI007
AWG22
YE
UL10O7
AWG22
OG
UU0O7
AWG22
YE
ULI007
AWG22
GN
UL10O7
AWG22
BU
UL1007
AWG22
GY
RELAY-
R
~
H-C
_
H-C
_■
H-C
5557-08R-2IO
UL1007
AWG22
BN
UL1007
AWG22
RD
UL1007
AWG22
OG
UL1007
AWG22
YE
/N61
01
24787)
OMRON
G^gA202SZN-UTU
5
-
K001
1-K001
niCeFu
TMEV1.25LY-35S
ULI007
AWG22
GN
ULI007
AWG22
BU
UU007
AWG22
VT
“
UL1007
AWG22
VT
REFER
TO
N610130799+001
L
REFER
TO
N610130799+001
N6101
24788)
RT4-
1P
UL1015
AWG18
WH
UL1015
AWG18
BK
WAGO
UL1015
AWG18
WH
UL10I5
AWG18
GY
N610125811
ST
2,
UL1015
AWG18
RD
UL1015
AWG18
WH
WAGO
3I91-09P-20I
CT
WAGO
上
X
5559-20P
UL1015
AWG18
WH
搬貌
1-K005
4-
K005
O
%
OMRON
G3
A202SLN-UTU
3
Q
|3-
K0Q5
N1CHIFU
TMEV1.25LY-3.5S
5-K005|
q5
NlUllrl
TMEV1.25LY-35:
腋
送天不
甬京及
SSR
FOR
BRAKE
ULI0I5
AWG18
RD
RT5-P
MULtX
3I91-O2P-20I
N
>A202SLN-UTU
5
-
K002
_5
3
.
3-
K003
1-K003
°
上
°
>
%
*
izAno
I
Refer
to
N610130813+001
专
@03
」
MGEFU
TMEV1.25LY-3.5S
TMEV1.25LY-3.5S
A2TA1
0
a
Off-Delay
Circuit
Off^Delay
Circuit
fA-XX-J
safety
relay
unit
~
I
_
I
I
G9SC-040-T008D(OMRON)
1
物
AMP
177905-1
12P
炽
、
i
4
Name
Drawing
No.
RIGHT
SIDE
RAIL
CARRY
ARM
PARTS
N610130812+001AA
Kit
No.
Loc.
No.
N610063428)
Refer
to
N61
01
30825+001
K005-R
厂
5557-02R-2I0
Refer
to
N6
101
3081
3+001
5557-04R-210
Refer
to
N61
01
30800+001
for
Radial
spec.
匚
PNF0AA-AA
PFSC
-K311
0CN9-
R
<ing
l/U
Load
board
扣
F4K
1020-05
A
2
4
5
1
6
1
7
1
8
Panasonic
Factory
Solutions
Co.,
Ltd
/弋十\/
二^夕
77
U
—
VUzl
—
朱
式会社
1
2
4
1
5
1
6
YM
S
s

MOLEX
3I91-03P-201
RT4-3P
-XV14T
弓冬
、
1
RD
2
BK
5557-02R-21
(MOLEX)
UL1007
AWG22
WH
UL1OO7
AWG22
BN
VI4T-P
I
1
rarm」
5559-02P-210
JUNFRON
FLEXIBLE
PTFE
CABLE
RT4-3R
_
i>p
AG52C040
(JUNKOSHA)
AWG18
WH
UL1015
AWG18
GY
N610124172
RT6-P
UL1015
18
RD
UL1O15
18
WH
RT4-
4P
RT4-
4R
N610127861
M610127870
UL1015
AWG18
WH
UL1015
AWG18
BK
N610127862
OKAYA
XEB1201
-F203
OKAYA
XEB1201
-F202
MOLEX
3191-03R1-201
MOLEX
3191-03P-201
JUNFRON
FLEXIBLE
PTFE
CABLE
_BJ4
-支
RJ4r2R
AG52C040
(JUNKOSHA)
rk
—
1
r
u.
।
I
—
I
1
―
——
!
V14R-P
UL1007
AWG22
BK
|
UL1007
AWG22
RD
I
2
」
।
1
加值
5559-02P-210
ULI007
AWG22
0G
UL1007
AWG22
0G
V20-P
I
二
1
施
5
面
5559-02P-210
UL1007
AWG22
YE
UL1007
AWG22
YE
ST1-R
E
―
被而
一
5557-02R-210
0
中
RD
BK
5557-02R-210
(MOLEX)
30469^^
-XV14R
、
1
RD
夕
2
BK
~
5557-02R-21
(MOLEX)
-XV20
、
1
RD
J
2
BK
-XST1
_
1
TT"
5559-02P
(MOLEX)
N610132361
J
UL1007
AWG22
BN
UL1007
AWG22
RD
ULI
007
AWG22
OG
UL1007
AWG22
YE
UL1007
AWG22
GN
UL1007
AWG22
BU
UL1007
AWG22
VT
UL1007
AWG22
GY
UL1007
AWG22
BN
UL1007
AWG22
RD
UL1007
AWG22
OG
UL1007
AWG22
YE
UL1007
AWG22
GN
UL1007
AWG22
BU
UL1007
AWG22
VT
UL1007
AWG22
GY
-M001
WH
//
M
GY
//
BK
UL1015
AWG18
BK
(
N610127865
RMB-P
—
」
WH
GY
I
BK
(N61
01
27866
CN610128551
J
_
-
UL1015AWG14G/Y3
MOLEX
3191-03R1-201
OIK1GN-CW2J
(ORIENTAL
MOTOR)
右
1^-
Jl/ZL
二^
卜架台
仁接地
To
RIGHT
RAIL
UNIT
BODY
MOLEX
3191-03P-201
UL1015
AWG14
G/Y3
RMA-
P
RMA-
R
w-
右
JlzZL
二^卜
RIGHT
RAIL
UNIT
UL1015
AWG18
BK
1
1
1.3uF
1 1
~
ukAYA
XEB1201
^t^MJL1015AWG18GY
1.3uF
-M002
5sp
OIK1GN-CW2J
(ORIENTAL
MOTOR)
―
__
—
何必
砸必
3191-03P-201
3191-03R1-201
001
R
I002
R
|003
R
NICH1FU
TMEE2-4
,
-F20
萃
4
、KuL1015AWG18GY
J
If
UKAYA
XEB1201
「
F204
N610125411
.610046837)
集中
"7
—久板
/
PROTECTIVE
I
EARTH
PLATE
UL1015AWG14G/Y3
1~
10
UL1015
AWG18
RD
UL1015
AWG18
WH
E
~
^-Cj
1
俄值
3191-02R1-201
Refer
to
N6101
30825+002
Name
Drawing
No.
RIGHT
SIDE
RAIL
CARRY
ARM
PARTS
N610130812+002AB
Kit
No.
Loc.
No.
1
l
5559-1
6P-2
10
MOLEX MOLEX
3191-02P-201
3191-02R1-201
\I6
1
0063465
UL1015
AWG18
RD
UL1015
AWG18
WH
2
悔
2
2«3
3
2
鹏
2
4
NIX
CONTA
ST2.5-QUATTRO
fl
WAGO
216-221
4
WAGO
216-221
WAGO
216-223
ST2
感牌魏
Refer
to
N61
01
3081
2+001
VC14T
1
,一
-
二
一
'
右
IzTL
行吉八
)叮’
本
二
——
RIGHT
RAIL
TRAVERSE
VALVE
VQZ1351-5LO(SMC)
VC14R
本
o
-也
VQZ1351-5LO(SMC)
右
f
剌八初
。
RIGHT
RAIL
RETURN
VALVE
VC20
安全
停止祷
助,
SAFETY
VALVE
VQ31A1-5GZ-010-F(SMC)
—
--
—
工
―
I
右基型
用八儿
:?、
|
P.C.B.
POSITIONER
VALVE(R)POS,
SY3120-5MOZ-C6-F1
(SMC)
SY100-40-2-20(SMC)
O O
o o
o o
o o
o o
o o
o o
°
@
°
F4K
1020-05
A
5
1
6
1
7
1
8
Panasonic
Factory
Solutions
Co.,
Ltd
R
十、)
二
、力
77
U
—
VUzl
—
朱
式会社
1
I
2
।
3
।
4
।
5
.
6
1
7
1
8
H

177900-1
4P>X
PNFOAA-AA
PFSC
-K312
Refer
to
N61
01
3081
2+001
1//8U1-
6P
以
加
177901-
6Px
X
PFSC
PNFOAE-AA
-K332
嘤唆
J
>p—
4
UL1007
AWG22
YE
<ing
I/O
Load
board
切
CN16
CN15
N6
10132986
UL1007
AWG22
BN
UL1007
AWG22
RD
UL1007
AWG22
OG
UL1007
AWG22
YE
UL10O7
AWG22
GN
ULI
007
AWG22
BU
UL1007
AWG22
VT
UL1007
AWG22
VT
UL10Q7
AWG22
WH
UL1007
AWG22
BK
UL10O7
AWG22
BN
UL1007
AWG22
RD
UL1007
AWG22
OG
UL1007
AWG22
OG
UL1007
AWG22
GN
UL1007
AWG22
GN
UL1007
AWG22
VT
UL1007
AWG22
VT
Refer
to
N61
01
3081
3+002
UL1007
AWG22
WH
UL1007
AWG22
BK
UL1007
AWG22
BN
UL1007
AWG22
RD
UL10O7
AWG22
OG
UL1007
AWG22
YE
ULI007
AWG22
GN
UL1007
AY/G22
BU
UL1007
AWG22
VT
UL1007
AWG22
GY
UL1007
AWG22
WH
ULI007
AWG22
BK
UL1007
AWG22
BN
ULI
007
AWG22
RD
i
i
」
一
商」一
XADR-36V
LT8-P
Refer
to
N61
01
30799+001
Refer
to
N61
01
30853+001
5
3
5
-
K003
3-
K003
5559-02P-210
Refer
to
N61
01
3081
2+001
%
1-K003
4
-
K003
N610124789
o
2W3
7610125812
ULI015
AWGI8
WH
UL1015
AWGI8
BK
WAGO
Refer
to
N61
01
3081
3+003
UL1015
AWG18
WH
216-223
REFER
TO
N6101
30799+001
UL1015
AWGI8
GY
iOS
u
NIGnlrU
TMEV1.25LY-35S
ULI007
AWG22
WH
般热
WAGO
216-223
OMRON
G^OA2Q2SLN-UTU
MULEX
3I91-06P-201
NlGniru
TMEV1.25LY-3.5S
Name
Drawing
No.
LEFT
SIDE
RAIL
COVER
PARTS
N610130813+001AB
Kit
No.
Loc.
No.
HUAt-AA
ULK
Control
Board
)
»22
CNC0V2
CNEMG2
F4K
1020-05
A
2
4
5
1
6
1
7
1
8
Panasonic
Factory
Solutions
Co.,
Ltd
/弋十\/
二^夕
77
U
—
VUzl
—
朱
式会社
1
I
2
।
3
।
4
1
5
i
6
1
7
।
8