RL132电路图N7205A093E.pdf - 第53页
PCCY1- R MOLEX 5557-1 6R-2 10 UL1007 AWG24 RD UL1007 AWG24 RD UL1007 AWG24 RD UL1007 AWG24 RD UL1007 AWG24 RD UL1007 AWG24 RD UL1007 AWG24 RD UL1007 AWG24 RD UL1007 AWG24 BK UL1007 AWG24 BK UL1007 AWG24 BK UL1007 AWG24 B…

<ing
I/O
Load
board
PNFOAA-AA
-K324
UL1OO7
AWG22
BN
UL1007
AWG22
RD
UL1007
AWG22
OG
UL1007
AWG22
YE
UL1007
AWG22
GN
ULI007
AWG22
BU
UL1OO7
AWG22
VT
UL1OO7
AWG22
GY
UL1007
AWG22
WH
UL1007
AWG22
BK
10
UL1007
AWG22
BN
11
ULI007
AWG22
RD
Refer
to
UL1007
AWG22
OG
N61
01
30823+002
UL1007
AWG22
YE
UL1007
AWG22
GN
UL1007
AWG22
BU
UL1007
AWG22
VT
UL1007
AWG22
GY
ULI007
AWG22
WH
ULI
007
AWG22
BK
20
UL1007
AWG22
BN
21
UL1007
AWG22
RD
22
UL1007
AWG22
OG
UL1007
AWG22
YE
24
UL1007
AWG22
GN
K
UL1007
AWG22
BU
UL1007
AWG22
VT
N610071145
UL1007
AWG22
BN
UL1007
AWG22
BN
UL1007
AWG22
RD
UL1007
AWG22
BN
UL1007
AWG22
OG
UL1007
AWG22
YE
UL1007
AWG22
GN
-X201
UL1007
AWG22
BU
UL1007
AWG22
VT
UL1007
AWG22
GY
UL1007
AWG22
WH
UL1015
AWG18
RD
UL1007
AWG22
BK
10
11
Refer
to
M610113932
N61
01
30823+005
15
16
18
19
20
23
-
K032
24-K032I。
24
22
23
0
24
25
26
N\N~
JL1007
AWG22
BU
N6101
13933
JL1007
AWG22
VT
JL1007
AWG22
GY
JL1007
AWG22
BN
JL1007
AWG22
RD
UL1007
AWG22
RD
JL1007
AWG22
OG
儿
1007
AWG22
YE
UL1007
AWG22
RD
I1
1007
AWG2?
GN
UU007
AWG22
RO
-X203
UL1007
AWG22
RD
UL1007
AWG22
RD
ULI007
AWG22
RD
UL1015
AWG18
RD
UL1007
AWG22
RD
K
ix
PHOENIX
UL1007
AWG22
RO
ST
4-TWIN
RD
ST
4-TWIN
RD
K
K
OMRON
G7SA-3A1E
3
21
K
K
K
K
K
K
K
K
K
K
K
35
K
K
j
JST
XADR-28V
phoEHIx
PHOENIX
ST
4-TWIN
RD
ST
4-TWIN
RD
WAGO
UL1007
AWG22
RD
216-221
2
1
2
微
2
WAGO
UL1007
AWG22
RD
216-221
*
13
1
,
4c
H-C
X
1K
X
-X200
*
*
19
1
l
4c
y
4<
X
ZL
PART
23
0-
K032
°
1-K032
门
tm
圈娟
0
i
Q
।
-
——
H-C
-
L
-
4<
就
EX
5557-10R-210
5559-1
OP-210
RO’
WAG。
1
21
6-21
WAGO
216-221
WAGO
216-223
28
1
「
i
二
JST
XADR-28V
WAGO
I
216-221
WAGO
3
216-223
UL1007
AWG22
BN
2
慨*
WAGO
UL1007
AWG22
BN
216易1
ULI
007
AWG22
BN
2
器歌
Name
Drawing
No.
L
FEEDER
PARTRADIAL
Valve
N610130823+001AA
Kit
No.
Loc.
No.
43025-1600
>+^—
2H
>+^-
>4^—
>4^-
秘工
L
43025-1600
F4K
1020-05
A
2
5
1
6
1
7
1
8
Panasonic
Factory
Solutions
Co.,
Ltd
/弋十\/
二^夕
77
U
—
VUzl
—
朱
式会社
1
I
2
।
3
।
4
1
5
i
6
1
7
।
8
J
mt
&
o
9
CN
J
J
s=
_
w
J

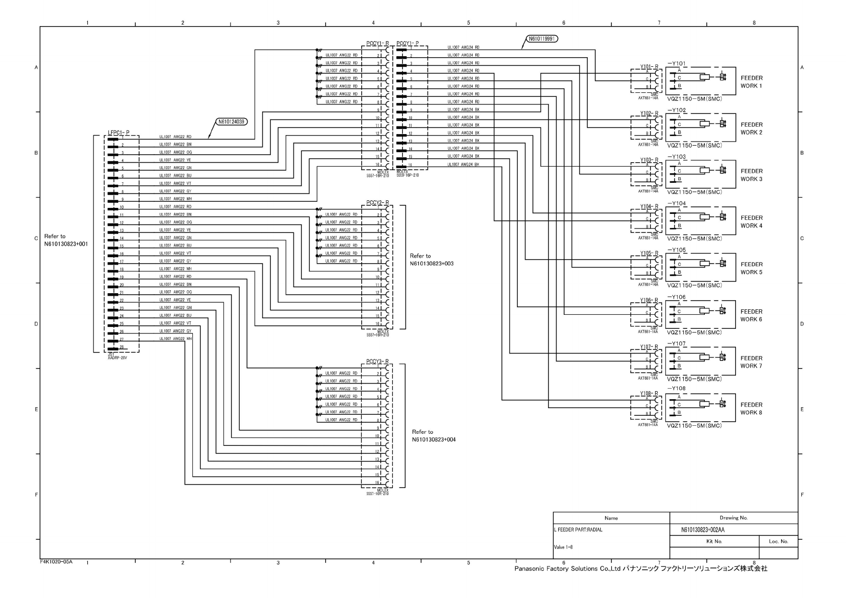
PCCY1-
R
MOLEX
5557-1
6R-2
10
UL1007
AWG24
RD
UL1007
AWG24
RD
UL1007
AWG24
RD
UL1007
AWG24
RD
UL1007
AWG24
RD
UL1007
AWG24
RD
UL1007
AWG24
RD
UL1007
AWG24
RD
UL1007
AWG24
BK
UL1007
AWG24
BK
UL1007
AWG24
BK
UL1007
AWG24
BK
UL1007
AWG24
BK
UL1007
AWG24
BK
UL1007
AWG24
BK
UL1007
AWG24
BK
,汗
UL1007
AWG22
RD
斤
UL1007
AWG22
RD
1
UL1007
AWG22
RD
UL1007
AWG22
RD
斤
UL1007
AWG22
RD
UL1007
AWG22
RD
UL1007
AWG22
RD
PCCY3-
R
i
—
w
।
I
i
,
UL1007
AWG22
RD
2i
「
1
1
k
1
»
UL1007
AWG22
RD
|
3
「
I
“
UL1007
AWG22
RD
〃
UL1007
AWG22
RD
।
__
*
/
UL1007
AWG22
RD
〃
UL1007
AWG22
RD
1
__
151
UL1007
AWG22
RD
!
&
%
।
1
l
I
ii
i
r
i
ii
I
12
f
I
1
_
1
1
i6!
r
1
MOLEX
5557-1
6R-2
10
UL1007
AWG22
RD
〃
UL1007
AWG22
RD
c
UL1007
AWG22
RD
UL1007
AWG22
RD
,
UL1007
AWG22
RD
〃
UL1007
AWG22
RD
UL1007
AWG22
RD
8
10
11
12
13
14
15
16
1
r
MOLEX
5557-16R-210
PCCY2-
R
C
c
c
c
c
c
c
c
c
Refer
to
N61
01
30823+003
N61
01
24039)
「外上
一」
UL1007
AWG22
RD
UL1007
AWG22
BN
UL1007
AWG22
OG
UL1007
AWG22
YE
UL1007
AWG22
GN
UL1007
AWG22
BU
UL1007
AWG22
VT
UL1007
AWG22
GY
UL1007
AWG22
WH
UL1007
AWG22
RD
ULI
007
AWG22
BN
UL1007
AWG22
OG
UL1007
AWG22
YE
UL1007
AWG22
GN
UL1007
AWG22
BU
UL1007
AWG22
VT
UL1007
AWG22
GY
UL1007
AWG22
WH
UL1007
AWG22
RD
UL1007
AWG22
BN
UL1007
AWG22
OG
UL1007
AWG22
YE
UL1007
AWG22
GN
UL1007
AWG22
BU
UL1007
AWG22
VT
UL1007
AWG22
GY
UL1007
AWG22
WH
XADRP-28V
—
L.
8
8
IQ
A
_
L
23
士
77
Refer
to
N61
01
30823+001
Refer
to
N61
01
30823+004
/N610119991)
-Y1O1
平
o-fe
—
VQZ1
150-5M(SMC)"
M
AXT661-14A
-Y102
VQZ1
150-5M(SMC)"
VQZ1150-5M(SMC)
-Y104
A
VQZ1150-5M(SMC)
VQZ1150-5M(SMC)
_Y105
-
_R
<
——
i
I
_
I
1
温」
AXT661-14A
-Y105
A
"
亡
1t
VQZ1150-5M(SMC)
-Y106
A
"
a
VQZ1150-5M(SMC)
FEEDER
WORK
1
FEEDER
WORK
2
FEEDER
WORK
3
FEEDER
WORK
4
FEEDER
WORK
5
FEEDER
WORK
6
FEEDER
WORK
7
FEEDER
WORK
8
Name
Drawing
No.
L
FEEDER
PARTRADIAL
Valve
1-8
N610130823+002AA
Kit
No.
Loc.
No.
F4K
1020-05
A
5
1
6
1
7
1
8
Panasonic
Factory
Solutions
Co.,
Ltd
/弋十\/
二^夕
77
U
—
VUzl
—
朱
式会社
1
I
2
।
3
।
4
1
5
i
6
1
7
।
8
o
4
6
co
o
2
^1
13
14
_
3
6_
II
i
i

AXT661-14A
—
_U4
寸
I
H-C
I
I
_
I
1
s
俞」
AXT661-14A
AXT661-14A
Y110-R
3
瓦
AXT661-14A
AXT661-14A
_U3
寸
-Y109
7
c
O-fe
VQZ1150-5M(SMC)
-Y110
q
VQZ1
记
0-5M(S
靛)-
-Y111
7
c
I
B
VQZ1150-5M(SMC)
-Y112
VQZ1
W0-5M(SMC)"
-Y113
A
_
工
VQZ1150-5M(SMC)
-Y114
A
VQZ1
W0-5M(SMC)
"4:
A
%
询
VQZ1150-5M(SMC)
VQZ1150-5M(SMC)
-Y116
-Y115
A
FEEDER
WORK
9
FEEDER
WORK
10
FEEDER
WORK
11
FEEDER
WORK
12
FEEDER
WORK
13
FEEDER
WORK
14
FEEDER
WORK
15
FEEDER
WORK
16
Name
Drawing
No.
L
FEEDER
PARTRADIAL
Valve
9-16
N610130823+003AA
Kit
No.
Loc.
No.
/N61
01
19992)
UL1007
AWG24
RD
UL1007
AWG24
RD
UL1007
AWG24
RD
UL1007
AWG24
RD
UL1007
AWG24
RD
UL1007
AWG24
RD
UL1007
AWG24
RD
UL1007
AWG24
RD
UL1007
AWG24
BK
UL1007
AWG24
BK
UL1007
AWG24
BK
UL1007
AWG24
BK
UL1007
AWG24
BK
UL1007
AWG24
BK
UL1007
AWG24
BK
UL1007
AWG24
BK
Refer
to
N61
01
30823+002
F4K
1020-05
A
5
1
6
1
7
1
8
Panasonic
Factory
Solutions
Co.,
Ltd
/弋十\/
二^夕
77
U
—
VUzl
—
朱
式会社
1
I
2
।
3
।
4
1
5
i
6
1
7
।
8
2
5
6
9
o
2
3
4
5
1
16
6
9
-5
-5
5
f
±±H±
H+H