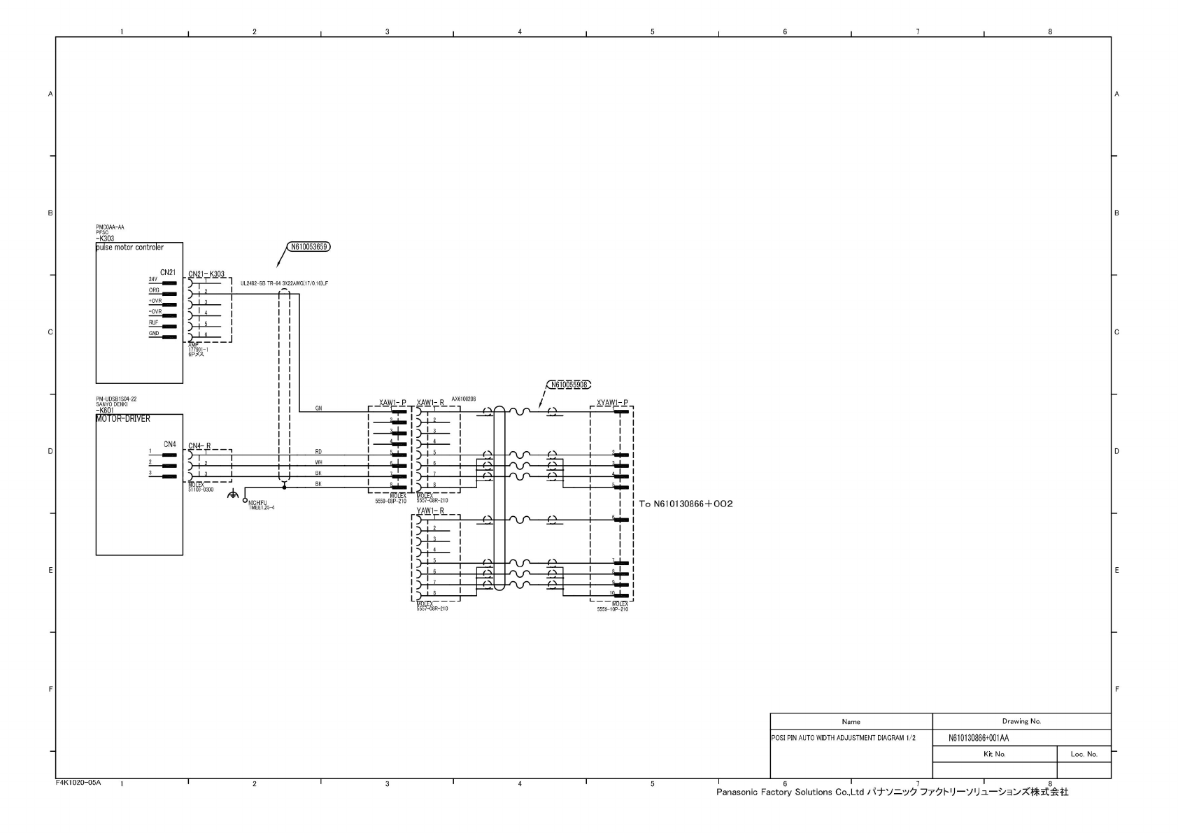
RL132电路图N7205A093E.pdf - 第110页
1 2 4 5 6 7 8 UL1007 AWG22 VT UL1007 AWG22 RD A A P921SA1 (PFSC) UL1007 AWG22 BK UL1007 AWG22 GY UL1007 AWG22 RD UL1007 AWG22 BK JL1007 AWG22 WH B B JL1007 AWG22 RD <N6W062620) AX6 100208 TS2-P N61 01 3081 4+003 N6 10…

NICHIFU
『
MH
1.
25T
RD
WH
BK
BK
5559-08P-210
5557-08R-210
PM-UDSB1S04-22
SANYO
DENKI
-K601
沈而
5559-10P-210
To
N610130866
+
OO2
N610053659
PMCOAA-AA
PFSC
-K303
Name
Drawing
No.
POSI
PIN
AUTO
WIDTH
ADJUSTMENT
DIAGRAM
1/2
N610130866+001AA
Kit
No.
Loc.
No.
MOTOR-DRIVER
CN4
三
)
ulse
motor
controler
CN21
+OVR
-OVR
RUF
GND
F4K
1020-05
A
5
1
6
1
7
1
8
Panasonic
Factory
Solutions
Co.,
Ltd
R
十、)
二
、力
77
U
—
VUzl
—
朱
式会社
1
I
2
।
3
।
4
।
5
.
6
1
7
1
8
R
r

1
2
4
5
6
7
8
UL1007
AWG22
VT
UL1007
AWG22
RD
A A
P921SA1
(PFSC)
UL1007
AWG22
BK
UL1007
AWG22
GY
UL1007
AWG22
RD
UL1007
AWG22
BK
JL1007
AWG22
WH
B
B
JL1007
AWG22
RD
<N6W062620)
AX6
100208
TS2-P
N61
01
3081
4+003
N6
10066770)
C
C
JST
XHP-3
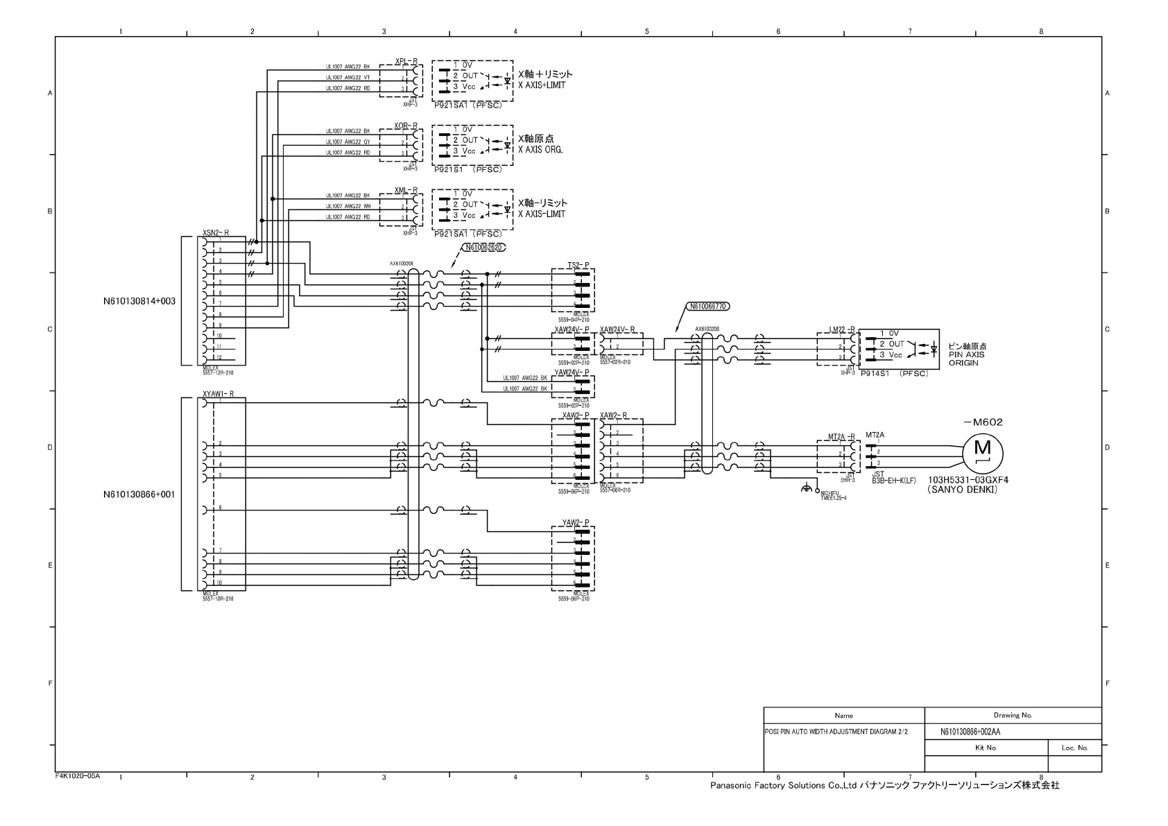
-M602
MT2A
12Ah
M
D D
E
胞
N61
01
30866+001
E
E
F
F
F4K
1020-05
A
1
2
4
5
6
7
8
Panasonic
Factory
Solutions
Co.,
Ltd
/^7—
'7^
77
U
—
VUzl
—
株
式会社
>
)
被面
5559-06P-210
X
靳氏卜
X
AXIS-LIMIT
触原点
PIN
AXIS
ORIGIN
被面
5559-06P-210
xlft
原点
X
AXIS
ORG.
被必
5559-04P-210
MOLEX
5557-10R-210
JLtZA
5557-12R-210
加)
而
—
5557-06R-21C
X
AXIS+LIMIT
2
OUT">|—
«
|
3
Vcc
J—
看
P914S1
(PFSC)
XOR-R
P921S1
(PFSC)
5559-02P-210
XAW2-
P
I
1
XML-R
当」
XHP-3
B3B-EH-K(LF)
1
03H5331-03GXF4
(SANYO
DENKI)
UL1007
AWG22
BK
I
忆
i
I
1
加必
)
)
I
10
I
1
OV
j
|
工红
UT、—
±1
I
_T
3
Vcc
J—
力
I
—
―
I
I
1
OV
j
।
工
22g—
制
I
_T
3
Vcc
J—
力
I
I
——
I
P921SA1
(PFSC)
ULW07AWG22BK
l'A*
XAW2-
R
__
XAW24V-
P
XAW24V-
R
U
阡丁
丁
1
L
-
1
—
祝必
—
5559-02P-210
5557-02R-210
YAW24V-
P
UL1007
AWG22
BK
匚二
「
XSN2
-
R
至
>p-
片7
A
XYAW1-R
一警片
~
T^v-
I
31
「
|
」
3
Vcc
I
、
I
―
AX6100208
4
・
L
:
I
八
5
I
6
'
」
八
H
Name
Drawing
No.
POSI
PIN
AUTO
WIDTH
ADJUSTMENT
DIAGRAM
2/2
N610130866+002AA
Kit
No.
Loc.
No.

GND24
in31
24V
out24(GND)
out24
NC
NC
out28
in31(24V)
out24(GND)
out24
in30(12Vin)
GND24
in30
GND24
NC
in29
24V
CNXOUT
24V
PFSC
PNFOAE-AA
-K302
PNFOAE-AA
(ILK
Control
Board
)
UL1OO7
AWG22
RD
UL1OO7
AWG22
OG
UL1OO7
AWG22
YE
UL1OO7
AWG22
BN
UL1007
AWG22
RD
UL1007
AWG22
OG
UL1OO7
AWG22
YE
右但
口木
/7
夕
卜
RIGHT
SIDE
CONNECTOR
BRACKET
PIN1
MACHINE
READY
PIN3
BOARD
AVAILABLE
//
UL1OO7
AWG22
RD
UL1OO7
AWG22
OG
UL1OO7
AWG22
YE
UL1OO7
AWG22
BN
UL1007
AWG22
RD
UL1007
AWG22
OG
UL1OO7
AWG22
YE
206043-1
左仰口
a>夕^=<7
LEFT
SIDE
CONNECTOR
BRACKET
PIN1
MACHINE
READY
PIN3
BOARD
AVAILABLE
X
SMEMA
仕棣畤
CNOO-1R、CNO1—
未使用
At
SMEMA
specification
the
connectors
of
CNOO
—
1R
and
CNO1
—
1
R
are
no
use.
Name
Drawing
No.
SMEMA
CONNECTION
SIGNAL
DIAGRAM
N610130867+001AA
Kit
No.
Loc.
No.
4-
K011
代
存
1-K011I
UL1007
AWG22
RD
UL1007
AWG22
BK
6
UL1007
AWG22
BN
8
UL1007
AWG22
BN
CNOO-
R
UL1007
AWG22
BN
UL1007
AWG22
BN
UL1007
AWG22
BN
UL1007
AWG22
YE
8
MOLEX
43025-0800
MOLEX
43025-1400
MOLEX
43025-1400
N1CHFU
TMEE1.
25-3.5
CN01-1P
CN01-SR
I
二
~T
k
丁^
1
I
I
>1
|
一
——
匿
在
)
i
14
CN00-1P
CN00-
SR
UL1007
AWG22
BN
|
「、—
T
I
I
S
I
2
1
加
必」高
g
5559-02P-2
1
0
5557-02R-21
0
CN01-1R
一"!
X
1
寸
2
L
次
m
1
5557-02R-210
MOLEX MOLEX
5559-02P-210
5557-02R-210
3
。
3-
K011
5
^15-
K011
NICHIFU
TMEE1.
25-3.5
CN00-1R
"1
砸自
5557-02R-210
CN01-R
>^=
P70D:OMRON)
CNXOUT-
R
OMRON
G7T-1112SDC24V
p
板供蕊
江宿吾
P.C.B
SUPPLY
CYLINDER
SIGNAL
-J
4
UL1007
AWG22
YE
F4K
1020-05
A
5
1
6
1
7
1
8
Panasonic
Factory
Solutions
Co.,
Ltd
/弋十\/
二^夕
77
U
—
VUzl
—
朱
式会社
1
I
2
।
3
।
4
1
5
i
6
1
7
।
8
t
Ut24
NC
o
i
t
t