RL132电路图N7205A093E.pdf - 第37页
^AN61 0070704) UL1007AWG22 RD UL1007 AWG22 GN UL1007 AWG22 BN EE-1001 (OMRON) 6AIS + 安全氏 卜 0AAXIS+SAFETY LIMIT UL1007 AWG 22 RD UL1007 AWG22 VT UL1007 AWG 22 BN 0AOR-R 厂― 已 7~1 । i -S15 EE-SX672 (OMRON) 6 Asi 原点 8 A AXIS…

PNFOAA-AA
PFSC
4<312
Ring
I/O
Load
Board
#1
6
翘
P
--
177901-1
1CN12-R
——
——
6P>X
N610065877
UNIT
UL1007
AWG22
BK
CHI
ULI
007
AWG22
RD
ULI
007
AWG22
OG
ULI
007
AWG22
YE
UL1007
AWG22
GN
UL1007
AWG22
GY
UL1007
AWG22
WH
(MOLEX)
XN610102
772AA
FOR
RL132
SPEC
r
5569-08A1
(MOLEX)
c
c
c
c
c
c
c
c
io
i
r
I
就
5
面
5557-1
0R-210
REFER
TO
N61
01
3081
7+OO1
FOR
RL132
SPEC
UL1007
AWG22
BK
UL1007
AWG22
RD
UL1007
AWG22
OG
UL1007
AWG22
GY
UL1007
AWG22
WH
iu
।
CH2-
2R
1
—
何忘」
5557-1
0R-210
UL1007
AWG22
।
|
YE
1
4.
UL1007
AWG22
I
1
GN
5l
REFER
TO
N61
01
3081
7+001
FOR
RL132
SPEC
Name
Drawing
No.
ANVIL
PART
INSERTION
DETECTION
N610130815+002AA
Kit
No.
Loc.
No.
F4K
1020-05
A
5
1
6
1
7
1
8
Panasonic
Factory
Solutions
Co.,
Ltd
/弋十\/
二^夕
77
U
—
VUzl
—
朱
式会社
1
I
2
।
3
।
4
1
5
i
6
1
7
।
8

^AN61
0070704)
UL1007AWG22
RD
UL1007
AWG22
GN
UL1007
AWG22
BN
EE-1001
(OMRON)
6AIS
+
安全氏
卜
0AAXIS+SAFETY
LIMIT
UL1007
AWG
22
RD
UL1007
AWG22
VT
UL1007
AWG
22
BN
0AOR-R
厂―
已
7~1
।
i
-S15
EE-SX672
(OMRON)
6
Asi
原点
8
A
AXIS
ORG.
〃
UL1007
AWG
22
RD
,,
UL1007
AWG22
GN
UL1007
AWG22
BN
(OMRON)
6
A
诙
安全吐
卜
0
A
AXIS-SAFETY
LIMIT
Refer
to
N61
01
3081
5+001
ANV2-
R
M610067220
ULI
007
AWG22
RD
UL1007
AWG22
BN
熬
^光源
RECOGNITION
LIGHT
-E®1
&
IMAC
NKDB-C49/49IR-850S
MOLEX
5557-1
8R-210
Name
ANVIL
PART:RL
SENSOR
Drawing
No.
N610130816+001AA
F4K
1020-05
A
2
4
5
1
6
1
7
1
8
Panasonic
Factory
Solutions
Co.,
Ltd
/弋十\/
二^夕
77
U
—
VUzl
—
朱
式会社
1
2
4
I
5
i
6
।
7
।
8

1
2
4
5
6
7
8
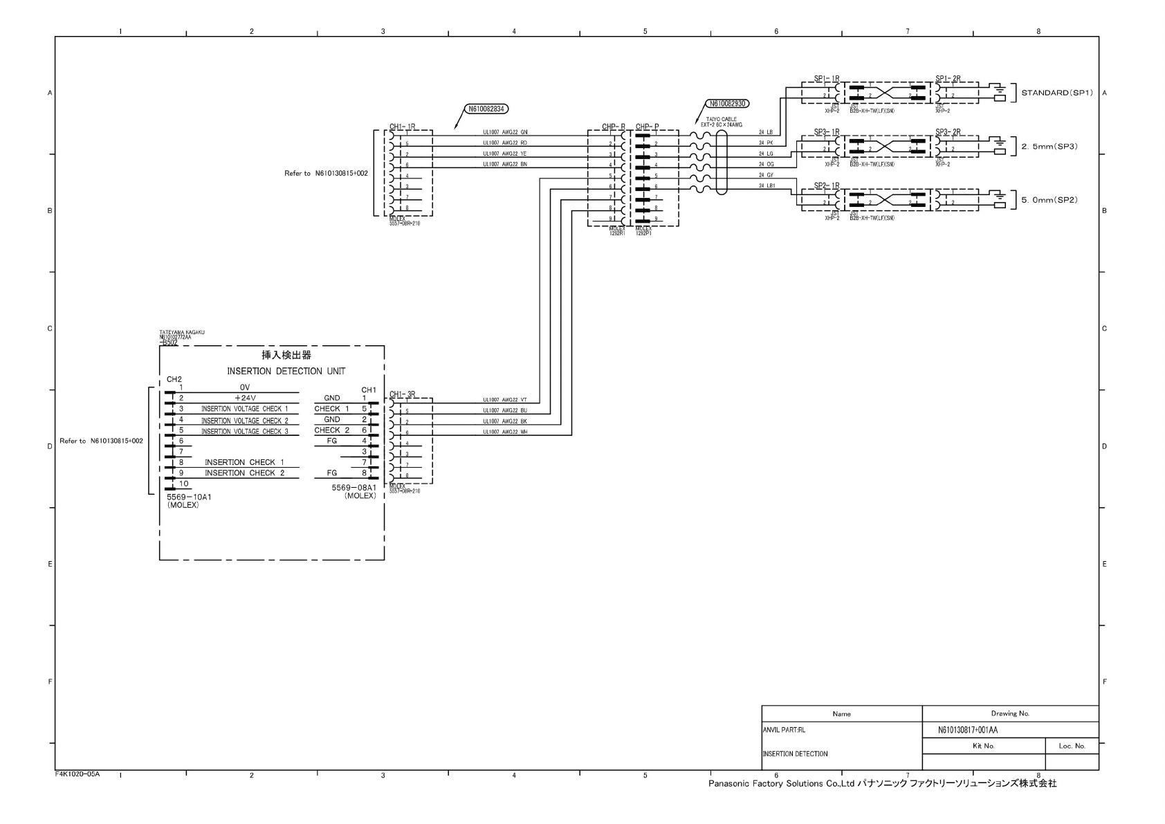
STANDARD(SPI)
A A
I
N6
10082930
N61
0082834
CHP-
R
CHP-
P
— —
厂-注
号二
UL1007
AWG22
GN
24
LB
UL1007
AWG22
RD
24
PK
2.
5mm
(SP3)
UL1007
AWG22
YE
24
LG
I
UL1007
AWG22
BN
24
OG
Refer
to
N61
01
3081
5+002
24
GY
24
LB1
r
三
5.
Omm
(SP2)
I
B B
C
C
TATEYAMA
KAGAKU
抻入
检出器
INSERTION
DETECTION
UNIT
GND
ULI
007
AWG22
VT
ULI007
AWG22
BU
UL1007
AWG22
BK
UL1007
AWG22
WH
6
6
Refer
to
N61
01
3081
5+002
D D
7
7
FG
8
E
E
F
F
F4K
1020-05
A
1
2
4
5
6
7
8
Panasonic
Factory
Solutions
Co.,
Ltd
/^7—
'7^
77
U
—
VUzl
—
株
式会社
)
>
)
5569-10A1
(MOLEX)
TAIYO
CABLE
EXT-2
6CX24AWG
)
)
)
一
-4=1
JST
B2B-XH-TW(LF)(SN)
CH1
1
B2B-XH-TW(LFXSN;
JST
B2B-XH-TW(LF)(SN;
尔钟
R
CHECK
1
5
CH1-1R
百
XHP-2
SP1-1R
i
L7~r^
JST
XHP-2
5569-08A1
(MOLEX)
I
SP3rlR
__
i
一
-4=1
—
J
rzu
—
1
三
SP1-2R
-
1
INSERTION
CHECK
1
INSERTION
CHECK
2
1292R1
褪廨一一
CH2
1
2
3
4
3
CH1-3R
J
・
J
命
g
5557-08R-210
ov
+
24V
INSERTION
VOLTAGE
CHECK
1
4J_
INSERTION
VOLTAGE
CHECK
2
GND
2
1
才
5
INSERTION
VOLTAGE
CHECK
3
CHECK
2
6
Name
Drawing
No.
ANVIL
PART:RL
INSERTION
DETECTION
N610130817+001AA
Kit
No.
Loc.
No.