RL132电路图N7205A093E.pdf - 第92页
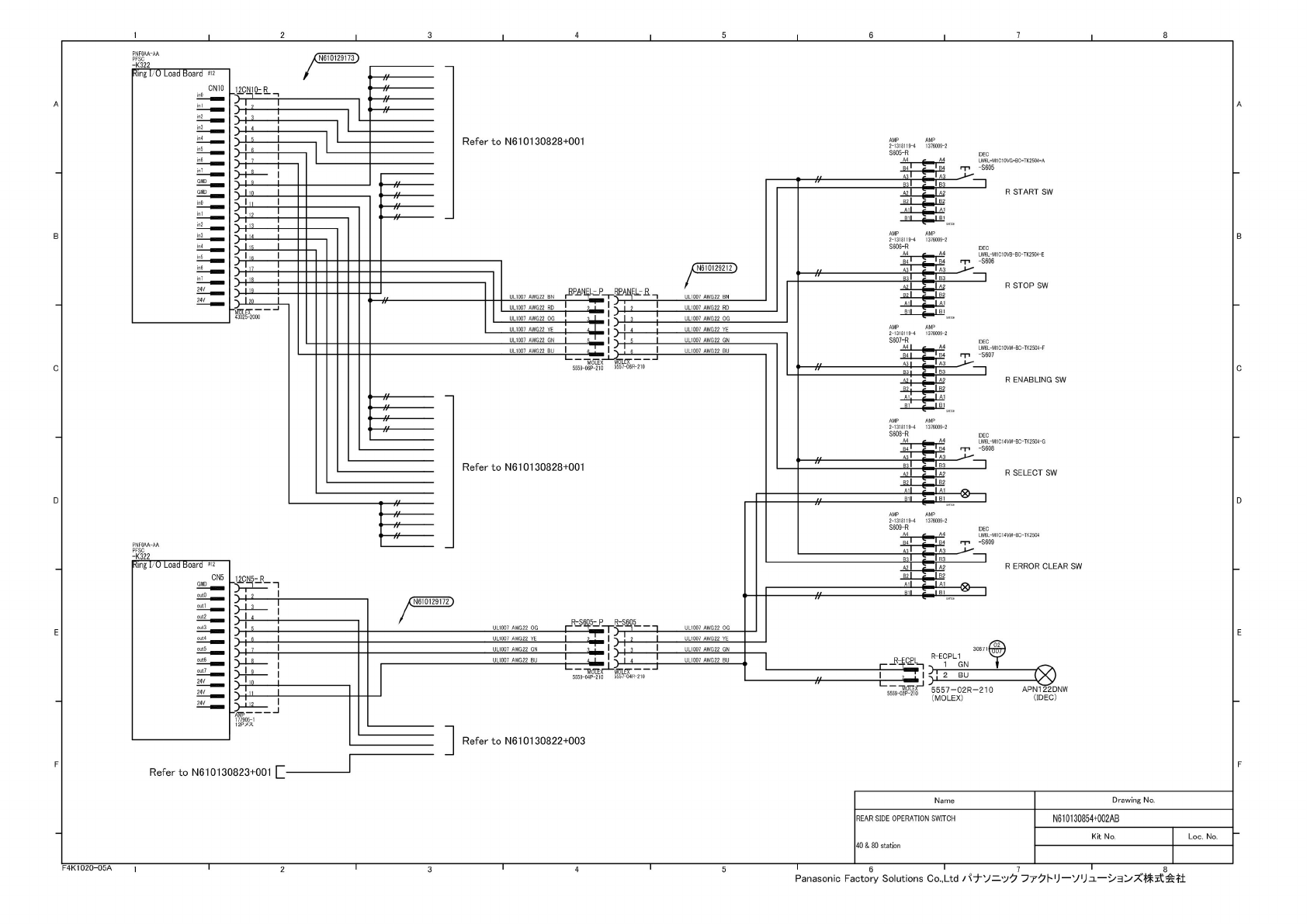
xmg 1/U N610129173 Refer to N61 01 30828+001 A4 A3 R START SW IQ 11 12 SWICtI 13 14 15 M610129212 17 18 R STOP SW A2 19 UL1007 AWG22 BN UL1007 AWG22 BN UL1007 AWG22 RD UL1007 AWG22 RD UL1007 AWG22 OG ULI 007 AWG22 OG UL1…

1
2
4
5
7
8
outO
WH/RD2
A A
out1
GY/RD2
c
out2
GN/RD2
out3
YE/RD2
out4
out5
out6
out?
24V
24V
24V
B B
M610132657
M610132656
24V
1
24V
ULI
007
AWG22
RD
24V
UL1Q07
AWG22
RD
0V
UL1007
AWG22
BK
ov
C
C
ov
OV
For
RL1
32(80)
only
A004-0Y
)
ling
I/O
Load
Board
#12
NICHIFU
TMEE2-4
outO
M610132655
out
I
out2
out3
WH/RD2
out4
GY/RD2
D
D
out5
GN/RD2
out6
YE/RD2
out7
8
OG/RD2
24V
WH/RD1
24V
10
GY/RDI
24V
11
GN/RD1
8
24V
12
24V
13
10
24V
14
11
24V
15
12
24V
1
16
13
14
E
E
15
16
17
18
19
M610132656
V61013265E
20
24V
24V
UL1007
AWG22
RD
24V
UL1007
AWG22
RD
OV
UL1007
AWG22
BK
OV
ov
5557-04R-210
F
OV
F
F4K
1020-05
A
1
2
4
5
6
7
8
Panasonic
Factory
Solutions
Co.,
Ltd
/^7—
'7^
77
U
—
VUzl
—
株
式会社
A004+V
c
c
>
>
>
>
>
>
>
c
c
c
c
c
施
CT
43025-0800
c
M7F-3N1GF
OMRON
MOLEX
43025-1600
PNFOAA-AA
PFSC
-K322
M/F-3NIGF
OMRON
A005
PNFOAA-AA
PFSC
-K322
MSG-A005
i
T
十
MOLEX
5559-04P-2I0
A004+VT
G79-Y200C
12CN2-
R
——
田如匕
P
业经仁
1R
一
CN9
GND
CN2
24V
/N610129086)
CN2
24V
收
b
5559-04P-210
5557-04R-210
12CN2-
R
——
12CN9-
R
)12
I
)
)
)
)
)
)
立
I
Sz
1
-血
1
177905-1
12P/X
Png
I/O
Load
Board
打
2
>4^
—
」
一曲政
—
43025-0800
A005+V
A005-0*
NICHIFU
TMEE2-4
A004-0X
NICHIFU
'
TMEE2-4
PNFOAA-AA
PFSC
-K322
Ring
I/O
Load
Board
#12
PNFOAA-AA
PFSC
H<322
Ring
I/O
Load
Board
#12
』
2CN©-R
>^=
>7^-
>+^-
MESSAGE
RUNNER
XG4A
—
_
A1
一
一
B1
—
G1
—
D1
_
A2
—
B2
—
C2
,
——
H9
二
一
一
+v
—
_AR
B
—
RA
__C3
——
na
—
—
A4
B
—
—Rd
.
——
—Cd
—
_
nd
,
——
_nv
二
一
+v
>
)
| |
OG/RD2
5
/
1
I
7
1
।
WH/RD1
6
1
8
I
I
GY/RD1
।
7
n
1,
1
1
|
G
1
GN/RD1
8
1
6
I
UL1007
AWG22
BK
MESSAGE
RUNNER
XG4A
—Al
—
B1
—
—
C1
—
D1
_
_
A2
—
B2
—
—
02
,
——
H2
,
——
nv
—
—
+v
b
—
_A3
.
——
RR
__C3
b
—
na
二
—
A4
——
—Rd
C4
.二
nv
一
一
+V
)
)
!
6
|
UL1007
AWG22
BK
!
4.
Name
Drawing
No.
REAR
SIDE
MESSAGE
RUNNER
40
&
80
station
N610130854+001AB
Kit
No.
Loc.
No.

xmg
1/U
N610129173
Refer
to
N61
01
30828+001
A4
A3
R
START
SW
IQ
11
12
SWICtI
13
14
15
M610129212
17
18
R
STOP
SW
A2
19
UL1007
AWG22
BN
UL1007
AWG22
BN
UL1007
AWG22
RD
UL1007
AWG22
RD
UL1007
AWG22
OG
ULI
007
AWG22
OG
UL1007
AWG22
YE
UL1007
AWG22
YE
UL1007
AWG22
GN
UL1007
AWG22
GN
UL1007
AWG22
BU
UL1007
AWG22
BU
R
ENABLING
SW
Refer
to
N61
01
30828+001
R
SELECT
SW
A4
A4
B3
R
ERROR
CLEAR
SW
A2
B2
B2
0
—
I
M6W129U2
UL1007
AWG22
OG
UL1007
AWG22
YE
30871
UL1007
AWG22
GN
UL1007
AWG22
BU
5557^MR-210
5559-02P-210
12P/X
Refer
to
N61
01
30822+003
A4
R4
>
>
)
)
)
)
)
>
>
)
>
A4
B4
R-S605-
P
AMP
1376009-2
AMP
2-1318119-4
S607-R
PNFOAA-AA
PFSC
-K322
IDEC
LW6L-M1C14VW-BC-TK2504-G
-S608
IDEC
LW6L-M1C
1
0VB-BC-TK2504-E
-S606
PNFOAA-AA
PFSC
-K322
3
=0
APN122DNW
(IDEC)
A4
A4
B4
回
A3
A3
B3
_
k
-lB3
B21
0M他2
All
5559-04P-210
Refer
to
N6101
30823+001
匚
AMP
AMP
2-1318119-4
1376009-2
S608-R
AMP
AMP
2-1318119-4
1376009-2
S606-R
AMP
AMP
2-1318119-4
1376009-2
S609-R
MOLEX
一讯又b"
—
一
5559-06P-210
5557-06R-210
AMP
AMP
2-1318119-4
1376009-2
S605-R
//
〃
DEC
LW6
L-M
1
C
1
4VW-BC-TK2504
ryi
-S609
I
B3l
aH
B2l
Al
B1l
I
A1
I
B1
MTCH
A4
34
A3
B3|
^b!b3
A2
J
扇
~
B2[
.lB2
A
;
B1
仔
—I
B1
IDEC
LW6
L-M1C1
0VG-BC-TK2504-A
rp
-S605
心
-
I
IDEC
LW6L-M1C1
0VW-BC-TK2504-F
rp
-S607
I
A3
B3
All
Rll
12CN5-R
:)
D
R-ECPL1
、
1
GN
2
BU
5557-02R-210
(MOLEX)
B4
!
B4
A3
!
A3
B3
R3
A2
A2
A2
A2
B2l
0^1
B2
All
A1
B1I
]IB1
,,
B3
~
1
UL10O7
AWG22
OG
工
2
UL1007
AWG22
YE
VJ
3
UL1007
AWG22
GN
4
UL1007
AWG22
BU
Name
Drawing
No.
REAR
SIDE
OPERATION
SWITCH
40
&
80
station
N610130854+002AB
Kit
No.
Loc.
No.
F4K
1020-05
A
2
5
1
6
1
7
1
8
Panasonic
Factory
Solutions
Co.,
Ltd
/弋十\/
二^夕
77
U
—
VUzl
—
朱
式会社
1
I
2
।
3
।
4
1
5
i
6
1
7
।
8
w
J
J
J
J

而由
—
5557-O6R-21O
UL1007
AWG22
RD
UL1007
AWG22
GN
10136-3000PE
UL1007
AWG22
BN
UL1007
AWG22
YE
10136-3000PE
10136-3000PE
理唯
g
UL1007
AWG22
BU
质而
一
5559-06P-210
MAINSV-
R
"2
〃
・
"
UL1007
AWG22
BU
V
1
3
〃
UL1007
AWG22
BU
J
、
4
〃
UL1007
AWG22
GY
..
1
\
5
/
UL1007
AWG22
GY
]
)16
7
UL1007
AWG22
GY
I
血)值
5557-06R-210
//
-p
—
施必
5559-06P-210
UL1007
AWG22
BU
〃
//
UL1007
AWG22
BU
〃
UL1007
AWG22
GY
〃
d.
UL1007
AWG22
GY
〃
//
UL1007
AWG22
GY
〃
——
MEDDT7364N21
PANASONIC
MOTOR-DRIVER
7
AXIS
3P
AC200V
2.0kW
CNX5
^^J_*COM(24V)
23
SERVO
ON
MCDDT3520N21
PANASONIC
-K412
MOTOR-DRIVER
;
AXIS
IP/3P
AC200V
4P
750W
CNX5
J_+COM(24V)
23
SERVO
ON
N610070326
/
(N6
10070328)
MCDDT3520N21
PANASONIC
-K404
UL1007
AWG22
BN
UL1007
AWG22
YE
CNX5-
K404
10136-3000PE
MBDDT2210N21
PANASONIC
-K406
UL1007
AWG22
RD
UL1007
AWG22
GN
23
I
CNX5
-
K406
I
L7
-
w-
10136-3000PE
MBDDT2210N21
PANASONIC
-K409
UL1007
AWG22
RD
UL1007
AWG22
GN
CNX5-
K409
3R"
10136-3000PE
/N61
0070327)
UL1007
AWG22
BN
UL1007
AWG22
RD
UL1007
AWG22
BN
UL1007
AWG22
RD
CNX5-
K405
~
J
.项
10136-3000PE
ULI007
AWG22
OG
UL1007
AWG22
BU
•加
10136-3000PE
UL1007
AWG22
BN
UL1007
AWG22
YE
MOTOR-DRIVER
U
AXIS
P
AC200V
400W
CNX5
^^J_+COM(24V)
23
SERVO
ON
MOTOR-DRIVER
H
AXIS
P/3P
AC200V
400
750W
CNX5
^^J_^COM(24V)
23
SERVO
ON
MOTOR-
DRIVER
)
AX1S
P
AC200V
400W
CNX5
^^_LjC0M(24V)
23
SERVO
ON
LBSV-
R
~i
1
<2
i
J
被向
雨向
5559-02P-210
5557-02R-210
MEDDT7364N21
PANASONIC
-K401
MOTOR-DRIVER
TAXIS
3P
AC200V
2.PW
CNX5
+COM(24V)_|_^—
SERVO
ON
23
MBDDT2210N21
PANASONIC
-K402
S
/IOTOR-DRIVER
AXIS
P
AC200V
400W
CNX5
+COM(24V)_|_^—
SERVO
ON
23
MCDDT3520N21
PANASONIC
-K403
MCDDT3520N21
PANASONIC
-K405
SERVO-
R
1
>
1
2
L
高必
5557-O2R-21O
MOIOH-DH1VEH
9A
AXIS
P/3P
AC200V
400
750W
CNX5
+COM(24VM_^—
SERVO
ON
23
Name
SERVO
SIGNAL
Drawing
No.
N610130855+001AA
Kit
No.
Refer
to
N61
01
30852+001
F4K
1020-05
A
5
1
6
1
7
1
8
Panasonic
Factory
Solutions
Co.,
Ltd
/^7—
'7^
—
WJzl
—
株
式会社
4
1
5
1
6
R
2
4
5
6
RT
>
>
AAA
3
2