NPM操作.pdf - 第32页
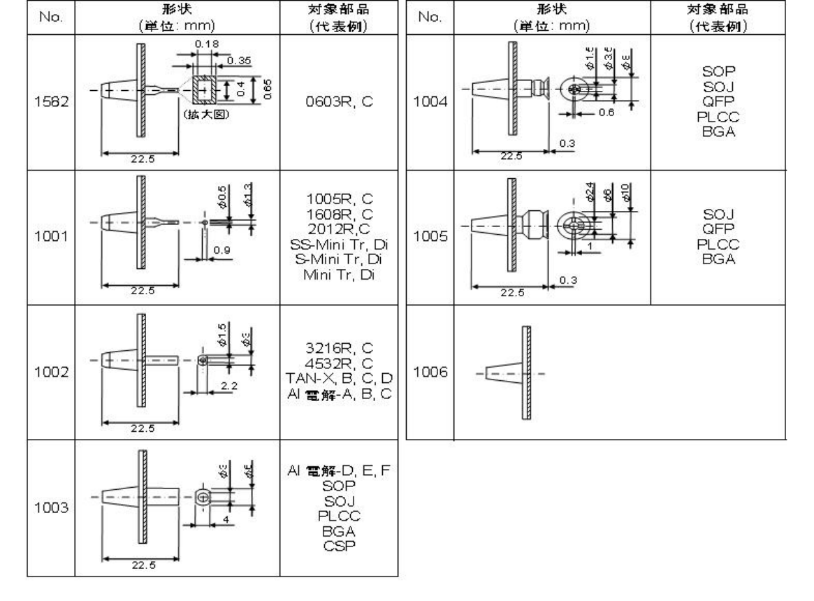
2头用吸嘴 根据吸着元件的组合,在不 进行吸着的贴装头上安装吸 嘴 ( 反射板 ) 。由于是吸着贴 装头,提高识别稳定性 . ※ 33 mm × 33 mm 以上的元件, 在 2 吸嘴中需要安装 1 个。

8 吸嘴头反射用吸嘴 (反射板)
18 mm * 18 mm 在超过的零件吸附的场合的吸嘴配置
对邻接的头需要 反射用吸嘴。
1
2
3
4
5
6 7
8
反射用吸嘴头 :1,3,5,6,7
吸着吸嘴 : 吸嘴头2
反射用吸嘴头 : 3,7,8
1
2
3
4
5
6 7
8
吸着吸嘴 : 吸嘴头4
为了提升吸附头的认识稳定性,根据被吸着元件的尺寸情况,在周围空
余的头上安装反射用吸嘴。

2头用吸嘴
根据吸着元件的组合,在不
进行吸着的贴装头上安装吸
嘴(反射板)。由于是吸着贴
装头,提高识别稳定性.
※33 mm ×
33 mm 以上的元件,
在2 吸嘴中需要安装1 个。

泛用零件
同时吸取
最大尺寸为
24.2*24.2*28
mm
max
=24.2mm
max
=24.2mm
max = t
28mm