KE2030取扱説明書Ver.2.01,和文Rev.09.pdf - 第59页
1 - 39 表 表 表 表 1-4-1 本体正面左側のコネクタ表 本体正面左側のコネクタ表 本体正面左側のコネクタ表 本体正面左側のコネクタ表 信号名 搬送方向 右流れ 信号名 搬送方向 左流れ 使用コネクタ 1 READY OUT + READY IN + 2 READY OUT − READY IN − ( GND ) AMP 3 BOAD AVAILABLE IN + BOAD AVAILABLE OUT + 206043−1 …

1 - 38
④は,トラックボール用コネクタ(
9 pin
)です。
トラックボール用コネクタのピン配置は表
1-4-5
参照。
⑤は,キーボード用コネクタ(
5 pin
)です。
キーボード用コネクタのピン配置は表
1-4-4
参照。
⑥は,ハンドヘルド操作盤(HOD)用コネクタ(
50 pin
)です。
図
図図
図
1-4-3
本体正面右側
本体正面右側本体正面右側
本体正面右側
トラックボールとキーボードのコネクタは同形状になっております。接続を間違えると機械のシス
テムが立ち上がりません。
注意
注意注意
注意
:
④
⑤
⑥

1 - 39
表
表表
表
1-4-1
本体正面左側のコネクタ表
本体正面左側のコネクタ表本体正面左側のコネクタ表
本体正面左側のコネクタ表
信号名
搬送方向
右流れ
信号名
搬送方向
左流れ
使用コネクタ
1 READY OUT
+
READY IN
+
2 READY OUT
−
READY IN
−
(
GND
)
AMP
3 BOAD AVAILABLE IN
+
BOAD AVAILABLE OUT
+
206043−1
4 BOAD AVAILABLE IN
−
(
GND
)
BOAD AVAILABLE OUT
−
5 N.C. N.C.
6 N.C. N.C.
ケーブル側
7 N.C. N.C.
接続コネクタ
8 N.C. N.C.
206044−1
9 N.C. N.C.
10 N.C. N.C.
11 N.C. N.C.
12 N.C. N.C.
13 N.C. N.C.
14 N.C. N.C.
表
表表
表
1-4-2
本体正面右側のコネクタ表
本体正面右側のコネクタ表本体正面右側のコネクタ表
本体正面右側のコネクタ表
信号名
搬送方向
右流れ
信号名
搬送方向
左流れ
使用コネクタ
1 READY IN
+
READY OUT
+
2 READY IN
−
(
GND
)
READY OUT
−
AMP
3 BOAD AVAILABLE OUT
+
BOAD AVAILABLE IN
+
206043−1
4 BOAD AVAILABLE OUT
−
BOAD AVAILABLE IN
−
(
GND
)
5 N.C. N.C.
6 N.C. N.C.
ケーブル側
7 N.C. N.C.
接続コネクタ
8 N.C. N.C.
206044−1
9 N.C. N.C.
10 N.C. N.C.
11 N.C. N.C.
12 N.C. N.C.
13 N.C. N.C.
14 N.C. N.C.

1 - 40
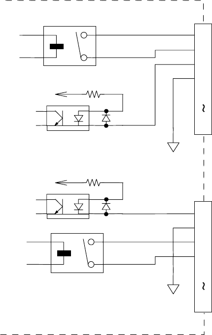
レディアウト(イン)信号と,ボードアベイラブル信号のインターフェイス回路を
図
1-4-4
に示しま
す。
SMEMA規格に準拠しています。
GND
(
24V
)
+
+ 24
V
_
3.3K 1/4W
READY OUT +
BOAD AVAILABLE IN +
READY OUT -
BOAD AVAILABLE IN -
N.C.
1
2
3
4
5
14
READY IN +
BOAD AVAILABLE OUT +
READY IN -
BOAD AVAILABLE OUT -
N.C.
1
2
3
4
5
14
+ 24
V
_
3.3K 1/4W
+
GND
(
24V
)
図
図図
図
1-4-4