XP143E 机械手册MEC-XP143-3.0S.pdf - 第148页

9. 安装 MEC-XP143-3.0S 138 XP-143E 机械手册 9.6 电路板搬运 I/F·传送信号连接器的连接 9.6.1 要点 为了传输机器间电路板的交接信 号, 在机器之间要用电路板搬运 I/F 信号连接器和传送信号 连接器连接。 9.6.2 方法 1. 打开机器后面右侧的盖子,右上 方有电路板搬运 I/F 信号连接器。取下盖子,连接上信 号电线。 2 . 搬运轨道的入口和出口处各有传输信号用的连接器 , 请连接在前工…

100%1 / 151
MEC-XP143-3.0S 9. 安装
XP-143E 机械手册 137
9.5 数据传送电缆的接线 ( 以太网 )
9.5.1 要点
为了传输程序和收集生产记录,在主机和主电脑之间,用以太网以双股通信电缆 ( 分类 5)
来进行连接。
9.5.2 方法
1. 将主机在主电脑上进行线路描述符的注册。
备注 ) 有关对线路描述符的注册方法,请参考主电脑的使用说明书。
2. 把传送电缆一端的连接器接到主电脑上的指定以太网端口上,并把另一端的连接器 接到
以太网连接器上。
9. 安装 MEC-XP143-3.0S
138 XP-143E 机械手册
9.6 电路板搬运 I/F·传送信号连接器的连接
9.6.1 要点
为了传输机器间电路板的交接信号,在机器之间要用电路板搬运 I/F 信号连接器和传送信号
连接器连接。
9.6.2 方法
1. 打开机器后面右侧的盖子,右上方有电路板搬运 I/F 信号连接器。取下盖子,连接上信
号电线。
2. 搬运轨道的入口和出口处各有传输信号用的连接器请连接在前工程和后工程的机器
间。
MEC-XP143-3.0S 10. 补充说明
XP-143E 机械手册 139
10. 补充说明
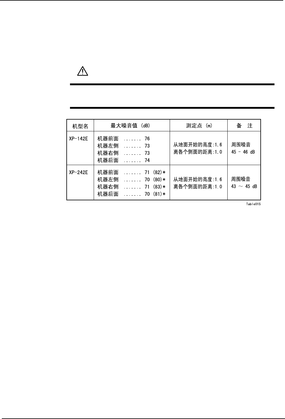
10.1 噪音
各个机型在运转时的噪音显示如下。
备注 ) 噪音值是以 A 特性测定的数值。*( ) 内的数值为瞬间音 ( 空料盘排出动作时 )。
警告
在会引起听力障碍程度的高噪 (80dB 以上)的运转条件下,操作者请
使用防护耳朵的用具。