XP143E 机械手册MEC-XP143-3.0S.pdf - 第61页

MEC-XP143-3.0S 4. 维修保养 XP-143E 机械手册 51 6. 对冲击销的下部进行加油。 a. 将压块返回上方后, 如下图所示, 用手将复位盘向上按压, 使所有的真空破坏销和真 空发生销上升。 备注 ) 在用手将复位盘上升时困难时,请用 I/O 操作 (Y01F ResetCylinder) 进行。 b. 按下压块部分,将任意一根冲 击销降低。 备注 ) 将一根冲击销降低后,可以用手按下其他的冲击销并降低。 c. 一…

100%1 / 151
4. 维修保养 MEC-XP143-3.0S
50 XP-143E 机械手册
b. 一根根降低冲击销,检查是否能顺利地返回。用笔记录动作不良的销的编号,特别注
意进行清扫和加油。特别检查在滑轨部分是否有污垢淤积。如果有必要请进行清扫。
备注 ) 例如,在 1 号冲击销下降时,压块本身产生妨碍,导致不能检查 1 号、7 号、8 号、9 号冲击
销。这时,请降低 11 号冲击销,检查 1 号、7 号、8 号、9 号冲击销。
注意 )
·在旋转旋转盘时,尽量不要使在旋转盘上的各种冲击销相互有强烈的挤压下,将压块也同时
进行旋转。不能对各种销施加横向压力。
·在旋转旋转盘时,请不要接触齿轮的齿的部分。请将手指勾住贯穿孔部分旋转旋转盘。
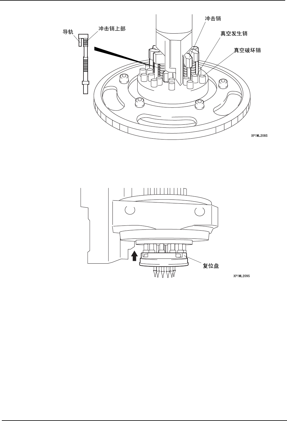
5. 对冲击销的上部和导轨部分进行加油。
a. 用手指按下所有的真空破坏销(旋转盘外侧)和真空发生销(旋转盘内侧)并使其降低。
b. 按下压块部分,降低任意一根冲击销。
备注 ) 将一根冲击销降低后,可以用手按下其他的冲击销并降低。
c. 使用细笔,在冲击销的上部和导轨部分添加指定的润滑油。请对冲击销周围、润滑油
槽进行涂抹。
MEC-XP143-3.0S 4. 维修保养
XP-143E 机械手册 51
6. 对冲击销的下部进行加油。
a. 将压块返回上方后,如下图所示,用手将复位盘向上按压,使所有的真空破坏销和真
空发生销上升。
备注 ) 在用手将复位盘上升时困难时,请用 I/O 操作 (Y01F ResetCylinder) 进行。
b. 按下压块部分,将任意一根冲击销降低。
备注 ) 将一根冲击销降低后,可以用手按下其他的冲击销并降低。
c. 一根根地按下冲击销,使用细笔,对冲击销地下部 ( 冲击销周围、润滑油槽 ) 也涂抹
指定的润滑油。
d. 上下移动冲击销使润滑油溶合这时,请确认在检查时做过笔记的动作不良的冲击销
是否顺利地滑动。
备注 ) 例如,在 1 号冲击销下降时,压块本身产生妨碍,导致不能检查 1 号、7 号、8 号、9 号冲击
销。这时,请降低 11 号冲击销,给 1 号、7 号、8 号、9 号冲击销加油。
4. 维修保养 MEC-XP143-3.0S
52 XP-143E 机械手册
注意 ) 在旋转旋转盘时,尽量不要使在旋转盘上的各种冲击销相互有强烈的挤压下,将压块也同时进
行旋转。不能对各种销施加横向压力。
7. 给真空破坏销 ( 旋转盘外侧 ) 加油
a. 将压块部分返回上方后,用手将复位盘向上按压,使所有的真空破坏销和真空发生销
上升。
备注 ) 在用手将复位盘上升时困难时,请用 I/O 操作 (Y01F ResetCylinder) 进行。
b. 使用细笔,对真空破坏销的上部薄薄地涂抹指定的润滑油。
c. 降低真空破坏销,使用细笔,对真空破坏销的下部薄薄地涂抹指定的润滑油。
备注 ) 对真空破坏销整个一周进行涂抹时,请将各个销分别按以下要点加油。
1. 在真空破坏销处于上升状态下,对看得见的部分 ( 销上部前侧 ) 涂抹润滑油。
2. 将真空破坏销下降、对看不见的部分 ( 销的下部 ) 涂抹润滑油。
3. 再次将真空破坏销上升。
4. 用手指半旋转真空破坏销,对销上部后侧涂抹润滑油。
5. 再次降低真空破坏销。对可见的销的下部涂抹润滑油。