文档中心
/
MSR 规格说明书.pdf
MSR 规格说明书.pdf - 第46页
- 40 - MSR 2001.4.1
目录
100%
显示:宽度
宽度
1 / 46
回到旧版
旧版
?
- 38 -
MSR
2001.4.1
12.5
MSR 150 (M)
(1)
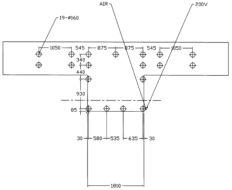
平面尺寸以及空压、电源输入位置
(2)
调整螺栓配置图
- 39 -
MSR
2001.4.1
12.6
MSR 150 (XL)
(1)
平面尺寸以及空压、电源输入位置
(2)
调整螺栓配置图
- 40 -
MSR
2001.4.1
该页面需要启用 JavaScript 才能进行交互式预览。