KE-3010A_KE-3020VA_KE-3020VRA-Rev06 (1)PDFA.pdf - 第41页
- 34 - NOTE( 注記 ) #01....FOR 3010ACL 30 10 ACL 用 REF.NO NOTE PART NO D E S C R I P T I O N 品 名 Qty 1 BT-0600400-EC URETHANE TUBE B LUE 6X4 ポリウレタン チューブ 青 6 X 4 12 2 BT-0800501-EA URETHANE TUB E BLUE 8X5 ポリウレタン チューブ 青 8 X …

- 33 -
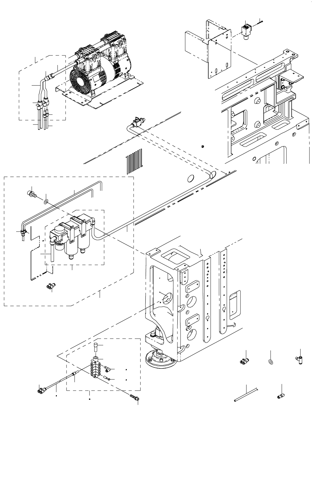
17.AIR COMPONENTS
エアー関係
9
13
11
12
10
35
21
20
24
22 23
18 19
6
7
34
25 37
36
14
3
4
8
15
5
26
27
16 17
32
29
31
30
33
1
2
28

- 34 -
NOTE( 注記 ) #01....FOR 3010ACL 3010 ACL 用
REF.NO NOTE PART NO D E S C R I P T I O N
品 名
Qty
1 BT-0600400-EC URETHANE TUBE BLUE 6X4
ポリウレタン チューブ 青 6 X 4
12
2 BT-0800501-EA URETHANE TUBE BLUE 8X5
ポリウレタン チューブ 青 8 X 5
2.5
3 PJ-3080600-03 Y UNION
ユニオンワイ
1
4 WP-0841601-SC WASHER 8.4X17.4X1.6
平座金みがき丸 M 8
2
5 PJ-3050600-04 TEE
チーズ
2
6 400-54839 SOFT NYLON 8
ソフトナイロン8
20
7 400-94700 AIR COMBINATION ASSY
エアーコンビネーション組
1
8 400-63483 AIR COMBINATION
エアーコンビネーション
(1)
9 BT-1000651-EB POLYURETHANE TUBE
ポリウレタンチューブ
(1.7)
10 PJ-3081000-01 UNION Y
ユニオンワイ
(1)
11 SL-6061692-TN BOLT
座金付き六角穴ボルト
(4)
12 WP-0841601-SC WASHER 8.4X17.4X1.6
平座金みがき丸 M 8
(4)
13 BT-1200801-EF TUBE
チューブ
(0.45)
14 PJ-3080600-03 Y UNION
ユニオンワイ
(1)
15 BT-1200801-EF TUBE
チューブ
(1)
16 401-47664 MANIFOLD_ASM
マニホールド組
1
17
#01
401-59465 MANIFOLD_ASM_10ACL
マニホールド_組_10 ACL
1
18 PX-9500070-00 PLUG
プラグ
(3)
19
#01
PX-9500070-00 PLUG
プラグ
(4)
20 PJ-3091200-03 MANIFOLD
マニホールド
(1)
21 PJ-0200000-03 PLUG ROUND 12
プラグ φ 12
(1)
22 PJ-3040600-01 REDUCER ELBOW
レデューサエルボ
(3)
23
#01
PJ-3040600-01 ELBOW
レデューサエルボ
(2)
24 PJ-3010600-03 REDUCER
レデューサ
(3)
25 BT-0600400-EC URETHANE TUBE BLUE 6X4
ポリウレタン チューブ 青 6 X 4
8
26 PF-0200040-00 REGULATOR
レギュレータ
1
27 SM-4033001-SC SCREW M3X0.5 L=30
なべ小ねじ M 3 X 0.5 L =30
2
28 401-47611 VACUUM_PUMP_AIR_ASM
バキュームポンプエア組
1
29 BT-1000651-EB POLYURETHANE TUBE
ポリウレタンチューブ
(0.2)
30 BT-1200801-EF TUBE
チューブ
(0.1)
31 PJ-3081200-02 UNION Y
ユニオン ワイ
(1)
32 400-69259 DIFFERENT BORE UNION Y
ディファレントボレーユニオン Y KQ 2 U −08−10
(2)
33
PJ-3010600-03 REDUCER
レデューサ
(2)
34 PJ-3080600-03 Y UNION
ユニオンワイ
2
35 SL-6042092-TN SCREW M4 L=20
座金付き六角穴ボルト
2
36 PJ-3030600-01 STRAIGHT UNION
ストレ−トユニオン
4
37
#01
BT-0600400-EC URETHANE TUBE BLUE 6X4
ポリウレタン チューブ 青 6 X 4
5.1

- 35 -
18.X-Y COMPONENTS(1)
X − Y 関係(1)
C
B
35
60
61
5
6
16
53
17
54
53
52
48
47
36
34
33
32
31
30
29
21
22
23
20
59
58
57
56
55
63
24
27
10
18
19
40
45
45
40
B
C
35
60
61
60
61
60
61
62
15
54
53
53
52
48
47
50
49
49
50
A
4
A
49
49
46
41
44
43
39
38
37
28
23
20
22
21
13
14
51
12
51
11
9
8
7
1
3
4
2
2
60
61
42