TCM-X200 (3).pdf - 第181页
3.6 3.6 3.6 3.6 3.6 “ 自动教示设定 自动教示设定 自动教示设定 自动教示设定 自动教示设定 ” Tab Tab Tab Tab Tab 通过在自动运行过程中实行教示,可进行稳定的元件吸取以及元件 贴装。 (a) 自动运行的教示机能,管理装置电源 ON 后的贴装时间, 经过指定时间,完成 1 线路板的元件贴装后,不使料车 回到原点,而在中间原点位置 ( 虚拟原点位置 ) 停止装 置,实行自动教示。 (b) 自动教示中…

*2*2
*2*2
*2
试运行试运行
试运行试运行
试运行
选择要实施的试运行方式。
排列有以下多个按钮。
[[
[[
[
不检测元件的形状不检测元件的形状
不检测元件的形状不检测元件的形状
不检测元件的形状
]]
]]
]
按钮按钮
按钮按钮
按钮
[[
[[
[
不检测有无元件不检测有无元件
不检测有无元件不检测有无元件
不检测有无元件
]]
]]
]
按钮按钮
按钮按钮
按钮
[[
[[
[
不检测元件是否立起不检测元件是否立起
不检测元件是否立起不检测元件是否立起
不检测元件是否立起
]]
]]
]
按钮按钮
按钮按钮
按钮
[[
[[
[
不检测元件的厚度不检测元件的厚度
不检测元件的厚度不检测元件的厚度
不检测元件的厚度
]]
]]
]
按钮按钮
按钮按钮
按钮
[[
[[
[
不做贴装高度的信息反馈不做贴装高度的信息反馈
不做贴装高度的信息反馈不做贴装高度的信息反馈
不做贴装高度的信息反馈
]]
]]
]
按钮按钮
按钮按钮
按钮
[[
[[
[
不检测线路板的定位不检测线路板的定位
不检测线路板的定位不检测线路板的定位
不检测线路板的定位
]]
]]
]
按钮按钮
按钮按钮
按钮
[[
[[
[
不做线路板移送异常的检测不做线路板移送异常的检测
不做线路板移送异常的检测不做线路板移送异常的检测
不做线路板移送异常的检测
]]
]]
]
按钮按钮
按钮按钮
按钮
[[
[[
[
线路板认识模拟通信线路板认识模拟通信
线路板认识模拟通信线路板认识模拟通信
线路板认识模拟通信
]]
]]
]
按钮按钮
按钮按钮
按钮
[[
[[
[
元件认识模拟通信元件认识模拟通信
元件认识模拟通信元件认识模拟通信
元件认识模拟通信
]]
]]
]
按钮按钮
按钮按钮
按钮
[[
[[
[
不显示线路板认识的不显示线路板认识的
不显示线路板认识的不显示线路板认识的
不显示线路板认识的
G/L]G/L]
G/L]G/L]
G/L]
按钮按钮
按钮按钮
按钮
[[
[[
[
不做吸取不做吸取
不做吸取不做吸取
不做吸取
//
//
/
贴装的动作贴装的动作
贴装的动作贴装的动作
贴装的动作
]]
]]
]
按钮按钮
按钮按钮
按钮
[[
[[
[
真空真空
真空真空
真空
//
//
/
送气马达停止送气马达停止
送气马达停止送气马达停止
送气马达停止
]]
]]
]
按钮按钮
按钮按钮
按钮
[[
[[
[
不做元件供给完了的检查不做元件供给完了的检查
不做元件供给完了的检查不做元件供给完了的检查
不做元件供给完了的检查
]]
]]
]
按钮按钮
按钮按钮
按钮
[EP[EP
[EP[EP
[EP
数据处理无效数据处理无效
数据处理无效数据处理无效
数据处理无效
]]
]]
]
按钮按钮
按钮按钮
按钮
[[
[[
[
装置异常时无条件停止装置异常时无条件停止
装置异常时无条件停止装置异常时无条件停止
装置异常时无条件停止
]]
]]
]
按钮按钮
按钮按钮
按钮
[[
[[
[
不检测不良分隔线路板不检测不良分隔线路板
不检测不良分隔线路板不检测不良分隔线路板
不检测不良分隔线路板
]]
]]
]
按钮按钮
按钮按钮
按钮
[[
[[
[
不做线路板识别的放大补正不做线路板识别的放大补正
不做线路板识别的放大补正不做线路板识别的放大补正
不做线路板识别的放大补正
]]
]]
]
按钮按钮
按钮按钮
按钮
单击相应试运作的按钮,选框被选中,按钮呈乳白色,该项机
能被选定。
要取消已选定的机能时,只需再次单击该项按钮,解除选框的
选中即可,此时按钮的颜色变回原来的灰色。
可对机能项做多项选择。
*3*3
*3*3
*3
[[
[[
[
设定设定
设定设定
设定
]]
]]
]
按钮按钮
按钮按钮
按钮
设定选定试运行的线路板和方法。
3.53.5
3.53.5
3.5 “
试运行试运行
试运行试运行
试运行 ”
TabTab
TabTab
Tab
0308-001 5-41
Note

3.63.6
3.63.6
3.6 “
自动教示设定自动教示设定
自动教示设定自动教示设定
自动教示设定 ”
TabTab
TabTab
Tab
通过在自动运行过程中实行教示,可进行稳定的元件吸取以及元件
贴装。
(a) 自动运行的教示机能,管理装置电源 ON 后的贴装时间,
经过指定时间,完成 1 线路板的元件贴装后,不使料车
回到原点,而在中间原点位置( 虚拟原点位置) 停止装
置,实行自动教示。
(b) 自动教示中,不能进行线路板搬送或线路板搬运动作。
(c) 结束自动教示后,放入下一个线路板,再开始生产运
行。
•
页面显示页面显示
页面显示页面显示
页面显示
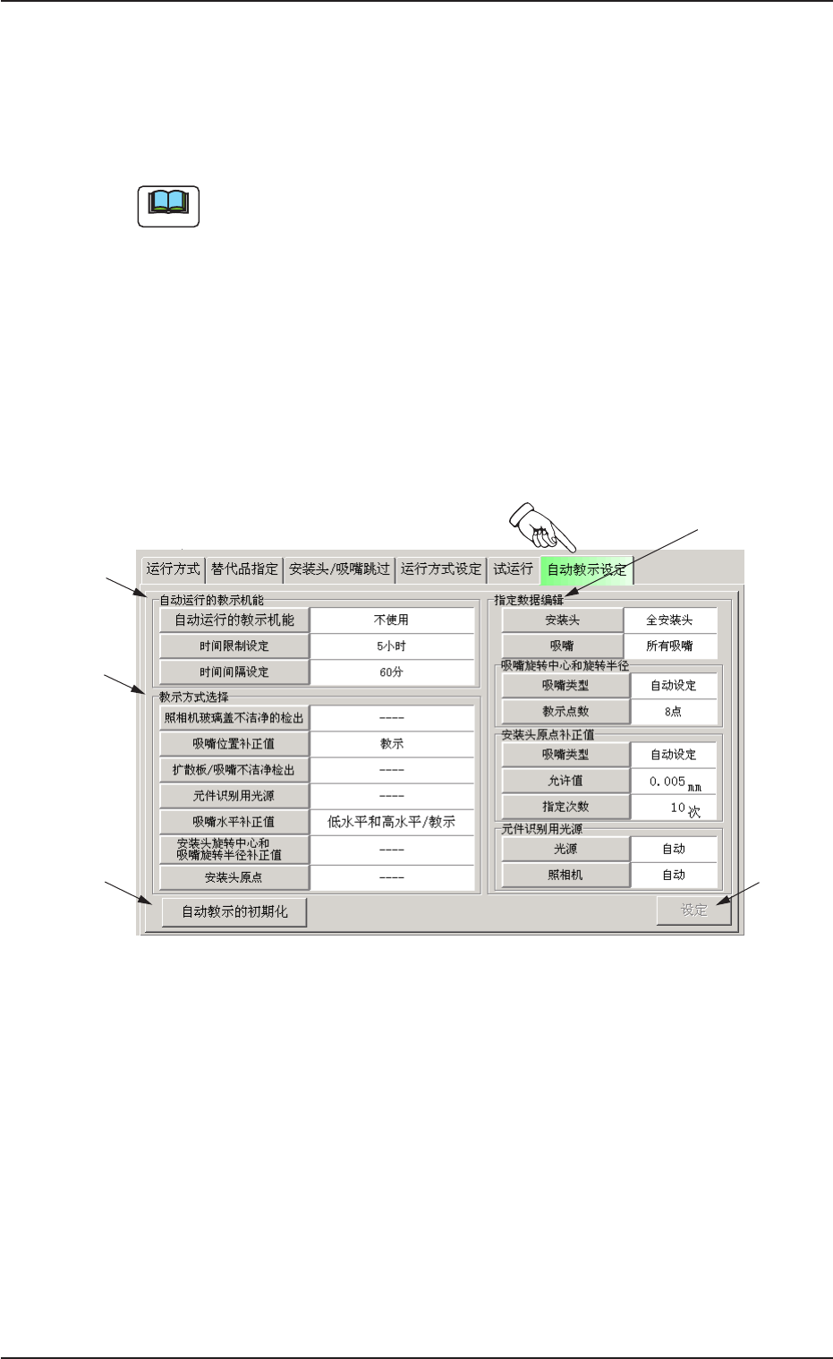
在 “ 运行方式 ” 子菜单界面中,按下[ 自动教示设定]Tab 时,将显
示如下选项卡。
Fig.2E25Fig.2E25
Fig.2E25Fig.2E25
Fig.2E25 “
自动教示设定自动教示设定
自动教示设定自动教示设定
自动教示设定 ”
选项卡选项卡
选项卡选项卡
选项卡
3.63.6
3.63.6
3.6 “
自动教示设定自动教示设定
自动教示设定自动教示设定
自动教示设定 ”
TabTab
TabTab
Tab
0308-001 5-42
*3*3
*3*3
*3
* 1* 1
* 1* 1
* 1
*2*2
*2*2
*2
*4*4
*4*4
*4
*5*5
*5*5
*5
Note

•
页面构成页面构成
页面构成页面构成
页面构成
* 1* 1
* 1* 1
* 1
自动运行的教示机能自动运行的教示机能
自动运行的教示机能自动运行的教示机能
自动运行的教示机能
排列有以下按钮。
[[
[[
[
自动运行的教示机能自动运行的教示机能
自动运行的教示机能自动运行的教示机能
自动运行的教示机能
]]
]]
]
按钮按钮
按钮按钮
按钮
显示 “ 自动运行的教示机能 ” 编辑界面。
选择自动运行的教示机能为 “ 使用 ”/ “ 不使用 ”。
[[
[[
[
时间限制设定时间限制设定
时间限制设定时间限制设定
时间限制设定
]]
]]
]
按钮按钮
按钮按钮
按钮
显示 “ 自动运行的教示机能 ” 编辑界面。
设定实行自动教示的时间限制。
[[
[[
[
时间间隔设定时间间隔设定
时间间隔设定时间间隔设定
时间间隔设定
]]
]]
]
按钮按钮
按钮按钮
按钮
显示 “ 自动运行的教示机能 ” 编辑界面。
设定实行自动教示的时间间隔。
*2*2
*2*2
*2
教示方式选择教示方式选择
教示方式选择教示方式选择
教示方式选择
排列有以下按钮。
[[
[[
[
照相机玻璃盖不洁净的检出照相机玻璃盖不洁净的检出
照相机玻璃盖不洁净的检出照相机玻璃盖不洁净的检出
照相机玻璃盖不洁净的检出
]]
]]
]
按钮按钮
按钮按钮
按钮
显示 “ 教示方式选择 ” 编辑界面。
选择是否教示 “ 照相机玻璃盖不洁净的检出 ” 。
[[
[[
[
吸嘴位置补正值吸嘴位置补正值
吸嘴位置补正值吸嘴位置补正值
吸嘴位置补正值
]]
]]
]
按钮按钮
按钮按钮
按钮
显示 “ 教示方式选择 ” 编辑界面。
选择是否教示 “ 吸嘴位置补正值 ” 。
[[
[[
[
扩散板扩散板
扩散板扩散板
扩散板
//
//
/
吸嘴不洁净检出吸嘴不洁净检出
吸嘴不洁净检出吸嘴不洁净检出
吸嘴不洁净检出
]]
]]
]
按钮按钮
按钮按钮
按钮
显示 “ 教示方式选择 ” 编辑界面。
选择是否教示 “ 扩散板 / 吸嘴不洁净检出 ” 。
[[
[[
[
元件识别用光源元件识别用光源
元件识别用光源元件识别用光源
元件识别用光源
]]
]]
]
按钮按钮
按钮按钮
按钮
显示 “ 教示方式选择 ” 编辑界面。
选择是否教示或确认 “ 元件认识用光源 ” 。
3.63.6
3.63.6
3.6 “
自动教示设定自动教示设定
自动教示设定自动教示设定
自动教示设定 ”
TabTab
TabTab
Tab
0308-001 5-43