JUKYX-193-5100_G5S2.pdf - 第125页
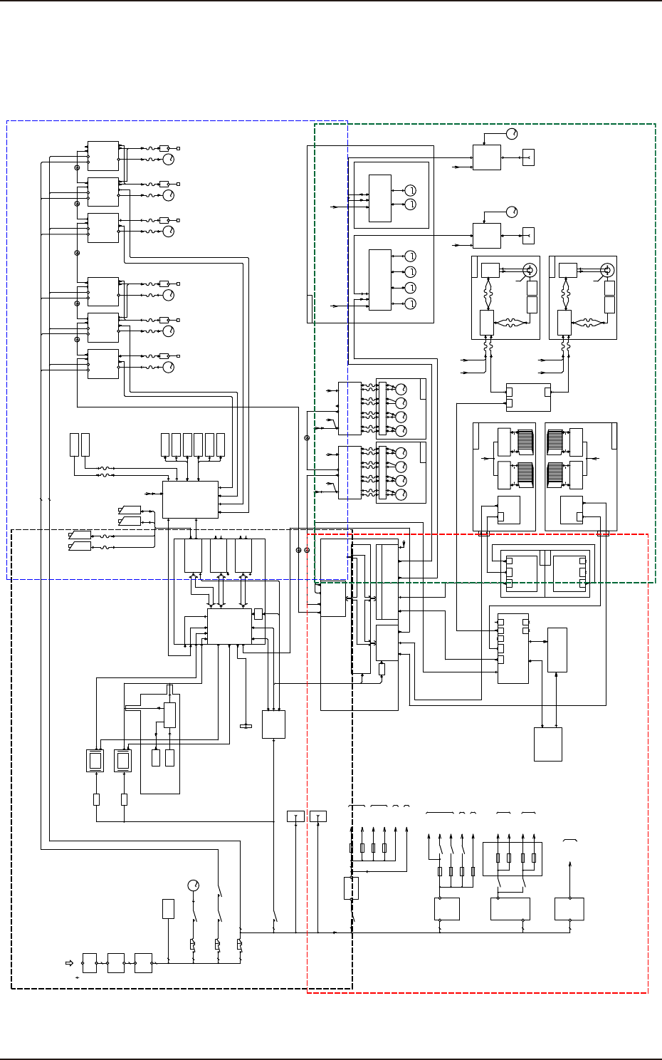
193-5100 JUKYX 4-9 F200 Q221 K28 Q205 K29 M66 G2 F13 48D3A 3 U82 I/O SSCNET SSCNET3 SSCNET3 Z2 3 AC200V-AC400 3 M 3 K33A LAN2 CPU U91 DVI LAN1 U92 PIO CAM U93 U178 USB HUB N74F …

193-5100
JUKYX
4-8
F200
Q221
K28
Q205
K29
M66
G2
G3 24G1A
24G1B
F13
48D3A
F14
48D3B
48D3
G1 24A1
F1
K1A
3
U82
U85
I/OSSCNET
SSCNET3
U81
COM1 LAN
RS232C
RS232C
SSCNET3
24A6
AE LINK
3
2
NLNSDD
Servo Motor AMP
A31B
CNP1 CN1A
HL
CN3
NLNSDD
A31F
HL
24A224A6 24A2
48D3A 48D3B
Servo Motor AMP
24A6
Z2
3 AC200V-AC400
3
M
3
K33A
LAN2
CPU
U91
DVI
LAN1
U92
PIO
CAM
CPCI
U93
CN2
CN3
U95
CN6
CN8
CN5
CN7
E192
E39
E39
U178
USB HUB
N74F
N76
N75
Option
Option
CN1B
SSCNET3
CNP1 CN1A CN3CN1B
F2
24A2
24A0
F5
24A3
K25
24A6
AE LINK
K75
K77
24G2A
24G2B
2CH1CH 2CH1CH
K10
E193
E191
(1)
E192
E193
K1B
COM2
K33B
U27
Relay PCB
Sensor
S-CV
U180
U07
CN2
Camera
Slip
Rings
U37
U06
IO PCB
U69
IO PCB
U69
U67 U68
FEEDER
FEEDER
1-15Lane
U67 U68
FEEDER
FEEDER
F21
F25
U27
Servo Motor
M21B
Linear Scale
I/F
U21B
M22B
U22B
M23B
U23B
AMP
Linear Scale Linear Scale
I/F I/F
A21B
M21F
Linear Scale
I/F
U21F
M22F
U22F
M23F
U23F
Linear Scale Linear Scale
I/F I/F
3
M
3
M
3
M
3
M
3
M
3
M
B36(1)
B36(2)
B61(1)
B61(2)
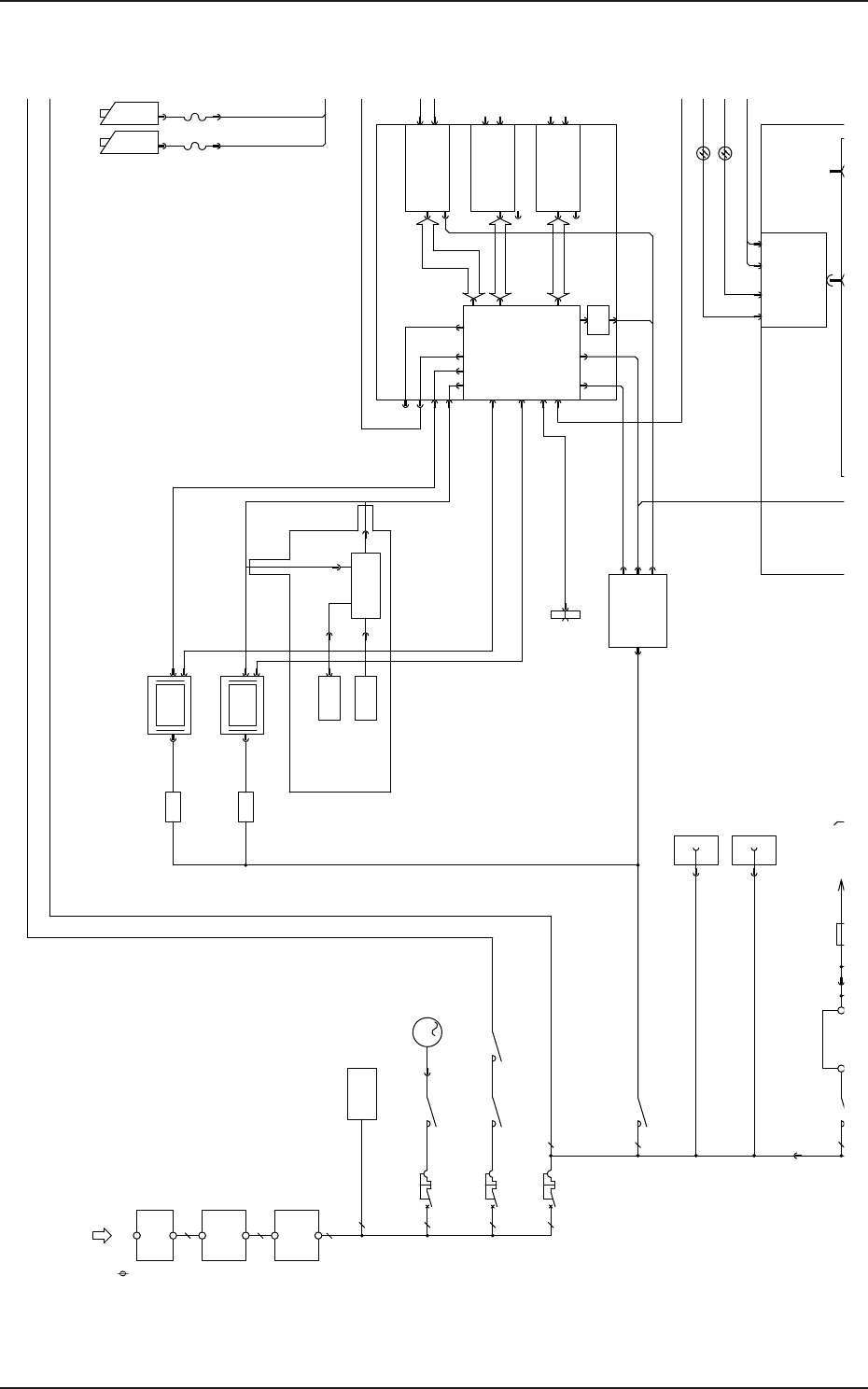
LAN- CPU1
Feeder Cart1
HEAD1
J1
(B) (F) (B) (F)
P2A 2A P2B 2B P2C 2C P2D 2D P2A 2A P2B 2B P2C 2C P2D 2D
U01
U14
U08
DN T
UP
UP DN T
DN T
HSIO HSIO
HSIO
UP
UP
Q206
AC-DC Adapter
IO PCB
LAN
LAN
USB
USB
HSIO
HSIO
HSIO
U94
PIO
CAM
Option
PIO
CAM
CH1 CH2
USB3
USB11
COM1 COM2
RS232C
X30B
X30F
Linear Motor
AMP
A22B
AMP
A23B
Servo Motor
AMP
A21F
AMP
A22F
AMP
A23F
X-Axis Y1-Axis Y2-Axis X-Axis Y1-Axis Y2-Axis
3
M
3
M
3
M
3
M
3
M
3
M
3
M
3
M
3
Z1
Noise Filter
N74B
Q200
F23
F27
(1)
(1)
(2)
(2)
(1)
(2)
PCI-bus
PCIe-bus
D89 SSD
PCIe-bus
G21
Power Supply Unit
D81
CF
VGA
F7
24A6
48D
X30B_Connector
X30F_Connector
AE LINK(CH1)
A11
PWR
N2N1
48D3
A10
PWR
48D3
AE LINK(CH2)
Stepping Motor Driver
M MM
M46 M47M42
N2N1
X30F
X30B
CN2
CN12
A63B
M
M41
M
M45
M
M44
Relay
Solenoid valve/etc
AC-DC Adapter
Rear Monitor
Front Monitor
Main Breaker
Noise Filter
Lightning Surge Protector
Vacuum Pump
Key Board
Track Ball
PCB Recognition
Camera
Recognition
Camera
Component
PCB Recognition
Lighting
Servo Main
Power Supply
Servo Control
Power Supply
CPU1(Operation and Recognition)
Lighting
Control
LED
IO PCB
IO PCB
Feeder Cart2
16-30Lane
Connector Connector
HEAD1 HEAD2
D-CV
CPU HSIO AE-LINK
CPU2(Control)
For A31(Main Power)
For A51,53(Main Power)
For U95
For IO PCB
For Output Circuit
For Relay Circuit
For Feeder Power
(Block1)
For Feeder Power
(Block2)
24G1A,B
24G2A,B
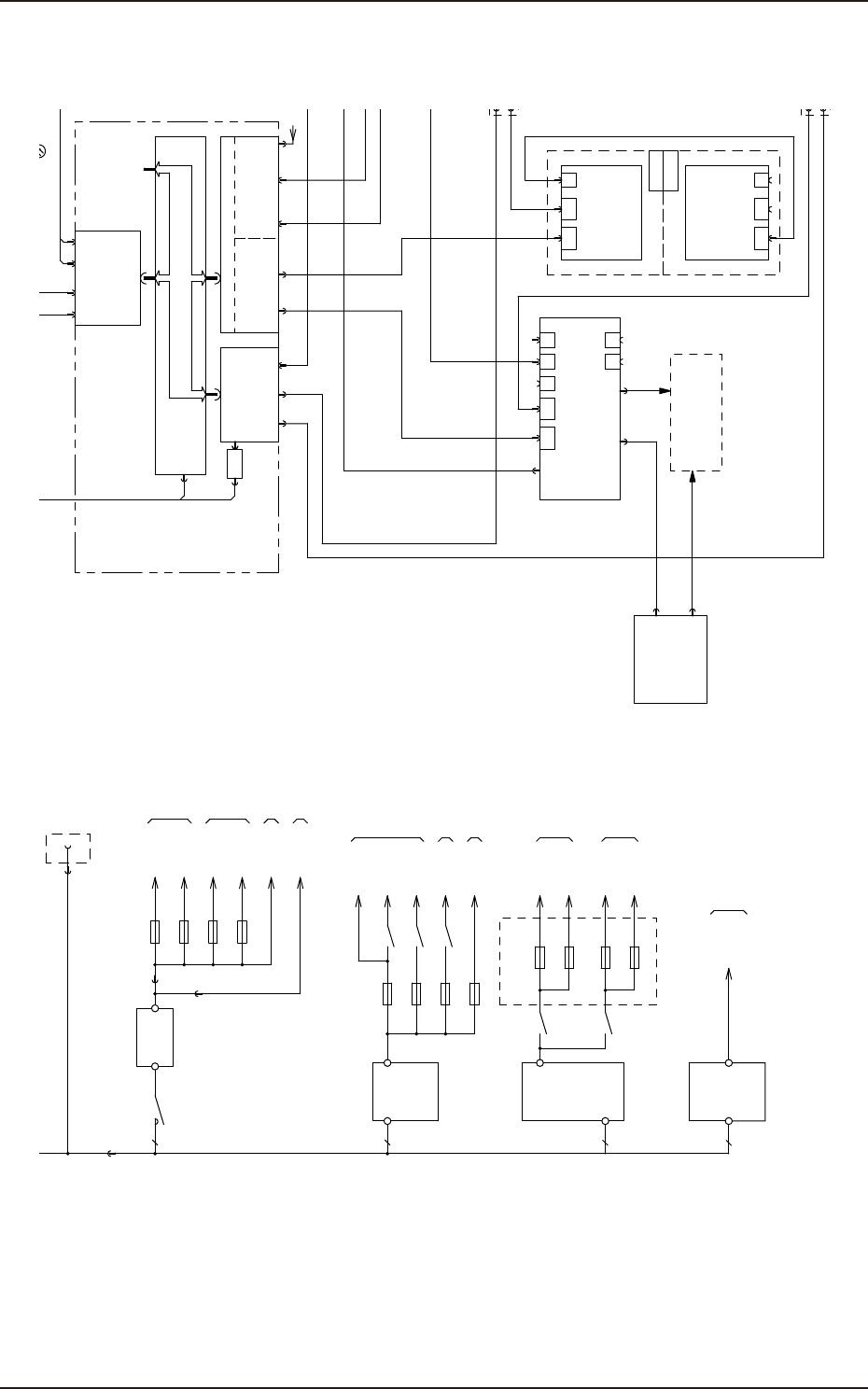
Side View
Light
Emitting
U03 U04
CN8
CN1
24A6
T
CN6 CN7
IO PCB
U02
UP T
T
HSIO
HSIO
CN5F
CN5BCN1
CN10
U07
CN2
Camera
Slip
Rings
U37
U06
HEAD2
J1
Side View
Light
Emitting
U03 U04
CN8
CN1
CN10
Linear Motor Linear Motor Linear Motor
Switching Power
Supply
Switching Power
Supply
Swiching Power
Supply
3
3
3
3 2
2
2
2
2
COM1 COM2
PCB
COM3 COM4
Frame
Grabber1
Frame
Grabber2
Frame
Grabber3
Motion Control
E191
(2)
Ring Lighting
(Rear)
Coax. Lighting
Reference Mark
(Front)
48D
CN1
Ring Lighting
12V
MAIN
HD
TTDNUPDIO
CN4 CN4CN3CN2CN1CN7
TT
1-15Lane 16-30Lane
U07 U07
M63
3
M
(B1)
Servo Motor
AMP
CN2
A63F
M63
3
M
(B2)
Servo Motor
AMP
CN12
Stepping Motor Driver
Option
Back UP Base
F15
48D3C
F16
48D3D
For A63(Main Power)
48D3C 48D3D
CONVEYOR
G9
DC6V
For Side Veiw Camera
(HEAD1,2)
Supply
2
Switching Power
DC6V
DC6V
(Rear)
(Rear)
(Front)
Coax. Lighting
Lighting
Reference Mark
(Front)
Lighting
A
C
D
B
KYX-000-CC-001

193-5100
JUKYX
4-9
F200
Q221
K28
Q205
K29
M66
G2
F13
48D3A
3
U82
I/OSSCNET
SSCNET3
SSCNET3
Z2
3 AC200V-AC400
3
M
3
K33A
LAN2
CPU
U91
DVI
LAN1
U92
PIO
CAM
U93
U178
USB HUB
N74F
N76
N75
Option
Option
2CH1CH 2CH1CH
K10
K33B
U180
B36(1)
B36(2)
LAN- CPU1
(B) (F)
Q206
AC-DC Adapter
LAN
LAN
USB
USB
U94
PIO
CAM
Option
PIO
CAM
USB3
USB11
COM1
COM2
RS232C
3
Z1
Noise Filter
N74B
Q200
PCI-bus
PCIe-bus
D89 SSD
PCIe-bus
G21
Power Supply Unit
VGA
X30B_Connector
X30F_Connector
AC-DC Adapter
Rear Monitor
Front Monitor
Main Breaker
Noise Filter
Lightning Surge Protector
Vacuum Pump
Key Board
Track Ball
PCB Recognition
Camera
Servo Main
Power Supply
Servo Control
Power Supply
CPU1(Operation and Recognition)
CPU2(Control)
Swiching Power
Supply
3
3
3
3 2
2
2
Frame
Grabber1
Frame
Grabber2
Frame
Grabber3
Motion Control
12V
MAIN
HD
KYX-000-CC-001_A

193-5100
JUKYX
4-10
G2
G3 24G1A
24G1B
F13
48D3A
F14
48D3B
48D3
G1 24A1
F1
K1A
U82
U85
I/OSSCNET
SSCNET3
U81
COM1 LAN
RS232C
RS232C
24A6
AE LINK
CPCI
F2
24A2
24A0
F5
24A3
K25
AE LINK
K75
K77
24G2A
24G2B
2CH1CH 2CH1CH
K10
K1B
COM2
U27
Relay PCB
Sensor
S-CV
U180
F21
F25
U27
U01
U14
U08
DN T
UP
UP DN T
DN T
HSIO HSIO
IO PCB
HSIO
HSIO
HSIO
CH1 CH2
X30B
X30F
F23
F27
D81
CF
F7
24A6
48D
X30F_Connector
Relay
Solenoid valve/etc
IO PCB
IO PCB
D-CV
CPU HSIO AE-LINK
CPU2(Control)
For A31(Main Power)
For A51,53(Main Power)
For U95
For IO PCB
For Output Circuit
For Relay Circuit
For Feeder Power
(Block1)
For Feeder Power
(Block2)
T
CN6 CN7
Switching Power
Supply
Switching Power
Supply
Swiching Power
Supply
2
2
2
Motion Control
TTDNUPDIO
CN4 CN4CN3CN2CN1CN7
TT
F15
48D3C
F16
48D3D
For A63(Main Power)
G9
DC6V
For Side Veiw Camera
(HEAD1,2)
Supply
2
Switching Power
KYX-000-CC-001_B