JUKYX-193-5100_G5S2.pdf - 第163页
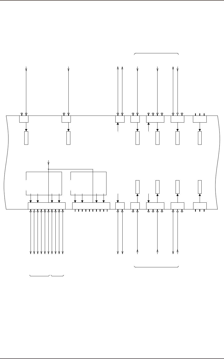
193-5100 JUKYX 4-47 U01 IO PCB 2 1 CN1 1 ID1 Di06 Head interlock (B1) 2 1 CN12 2 1 CN14 Head interlock (B2) Tray interlock (B2) ID1 Di07 ID1 Di09 CN8 1 2 3 4 5 6 7 8 9 10 CN9…

193-5100
JUKYX
4-46
U01
IO PCB
1
2
3
4
1
2
3
CN41
CN33
ID6 Di12
ID6 Do08
Reserve
ID6 Do09
CN37
CN42
1
2
3
4
1
2
3
CN34
ID6 Di13
ID6 Do10
ID6 Do11
CN38
CN35
CN36
ID6 Di15
1
2
3
4
1
2
3
4
Coplanarity power shutdown
ID6 Do13
ID6 Do14
Start of coplanarity
measurement (B1)
Start of coplanarity measurement (B2)
ID6 Do15
Coplanarity switching
ID6 Do12
3
2
1
6
5
4
9
8
7
10
3
2
1
6
5
4
9
8
7
10
CN40
ID6 Di14
CN39
2P
2P
24A3
24A3
24A3
24A3
24A3
24A3
24A3
24A3
24A3
24A3
24A1
24A1
24A6
10
24A1
24A1
24A6
10
24A1
24A1
24A1
24A1
10
CN27
1
2
3
4
5
6
7
8
9
2
CN51
1
2
CN52
1
Adsorption error detection]
Power shutdown (B1)
Adsorption error detection
Power shutdown (B2)
B0514
B0515
ID5 Do14
ID5 Do15
[D-/06/1D]
[D-/06/8D]
B0514OFF
B0515OFF
24A3
24A3
24A2
24A2
24A2
24A2
24A2
Reserve
Reserve
Reserve
Reserve
Reserve
Out Port
Out Port
Out Port
Out Port
Out Port
Out Port
Out Port
Out Port
Out Port
Out Port
Out Port
Out Port
Out Port
Out Port
Out Port
1
2
3
ID2 Di14
CN47
24A6
10
1
2
3
ID2 Di15
CN50
24A6
10
Disposal box
detection (Rear)
Disposal box
detection (Front)
Reserve
Reserve
BK
BL
W
+
:2
:1
:3
-
OUT1
B239
X0147
X0150
BR
:4
OUT2
BK
BL
W
+
:2
:1
:3
-
OUT1
B239
BR
:4
OUT2
B239 (B1 block)
B239 (B2 block)
KYX-000-CC-030

193-5100
JUKYX
4-47
U01
IO PCB
2
1
CN11
ID1 Di06
Head interlock (B1)
2
1
CN12
2
1
CN14
Head interlock (B2)
Tray interlock (B2)
ID1 Di07
ID1 Di09
CN8
1
2
3
4
5
6
7
8
9
10
CN9
1:EXSTP1
2:EXSTP2
47:EMI COM
[F-/02/7B]
U82DI (1CH)
[F-/02/7D]
U82DI (2CH)
3
2
1
CN44
ID4 Di06
Conveyor INLK (B)
X0114
X0108
Connection Check
A (B1)
ID3 Di10
X0130
ID3 Di14
3
2
CN48
1
X0147
10
24A6
1
2
3
4 10
24A2
Connection Check
B (B1)
CN30
10
24A6
24A3
24A3
10
24A3
24A3
24A3
24A3
10
24A3
24A3
ID1 Di08
2
CN13
1
X0113
10
Tray interlock (B1)
512
648
10
540
from X30D1-B
[B-/06/5B]
Conveyor INLK (A)
ID4 Di05
2
3 24A6
10
1
CN43
2
1
CN49
X0149
3
2
ID3 Di11
3
4
1
CN32
X0132
Connection Check
A (B2)
Connection Check
B (B2)
ID3 Di15
513
680
10
538
from X30D1-F
[B-/07/5B]
10
24A6
24A2
10
10
10
10
1
2
3
4
5
6
7
8
9
10
XY STP B1
XY STP B2
HEAD STP B1
HEAD STP B2
446
Stage1
XY STP B1
XY STP B2
HEAD STP B1
HEAD STP B2
446
Stage2
from U01-CN9:9
[D-/02/4F]
Out Port Out Port
23:COM1
48:COM2
22:EMI
1:EXSTP1
2:EXSTP2
23:COM1
48:COM2
from U02-CN20
[D-/10/2E]
from U02-CN23
[D-/10/7E]
HEAD1 INLK
HEAD2 INLK
2
1
CN57
Board clamp down
X0157
2
CN56
1
X0156
Board clamp lifting
24A2
Out Port
Out Port
24A2
Y1001 Y1002
KYX-000-CC-031

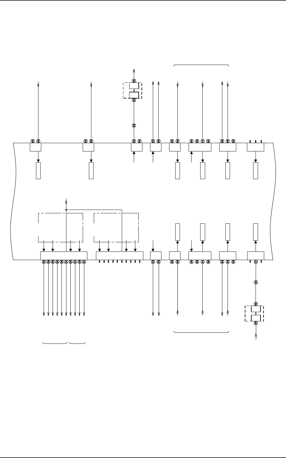
193-5100
JUKYX
4-48
U01
IO PCB
2
1
CN11
ID1 Di06
2
1
CN12
2
1
CN14
ID1 Di07
ID1 Di09
CN8
1
2
3
4
5
6
7
8
9
10
CN9
1:EXSTP1
2:EXSTP2
47:EMI COM
U82DI (1CH)
U82DI (2CH)
3
2
1
CN44
ID4 Di06
X0114
X0108
ID3 Di10
X0130
ID3 Di14
3
2
CN48
1
X0147
10
24A6
1
2
3
4
10
24A2
CN30
10
24A6
24A3
24A3
10
24A3
24A3
24A3
24A3
10
24A3
24A3
ID1 Di08
2
CN13
1
X0113
10
512
648
10
540
from X30D1-B
ID4 Di05
2
3 24A6
10
1
CN43
2
1
CN49
X0149
3
2
ID3 Di11
3
4
1
CN32
X0132
ID3 Di15
513
680
10
538
from X30D1-F
10
24A6
24A2
10
10
10
10
1
2
3
4
5
6
7
8
9
10
XY STP B1
XY STP B2
HEAD STP B1
HEAD STP B2
446
Stage1
XY STP B1
XY STP B2
HEAD STP B1
HEAD STP B2
446
Stage2
from U01-CN9:9
[D-/02/4F]
Out Port Out Port
23:COM1
48:COM2
22:EMI
1:EXSTP1
2:EXSTP2
23:COM1
48:COM2
from U02-CN20
from U02-CN23
HEAD1 INLK
HEAD2 INLK
2
1
CN57
X0157
2
CN56
1
X0156
24A2
Out Port
Out Port
24A2
Y1001 Y1002
2
1
CN55
X0155
Out Port
24A2
N301
N301
X10204H1
U07D
31
4
:31 X0702 X0718
U07D
2 29
X0718
X0702
X10204H1
:29
X0143
Parts fall
detection
Parts fall
detection
Head interlock(B1)
Head interlock(B2)
Tray interlock(B2)
Conveyor INLK(B)
Connection Check
A (B1)
Connection Check
B (B1)
Tray interlock(B1)
Parts fall detection
Connection Check
A (B2)
Connection Check
B (B2)
Board clamp downBoard clamp lifting
Parts fall detection
KYX-000-CC-031-1