JUKYX-193-5100_G5S2.pdf - 第132页
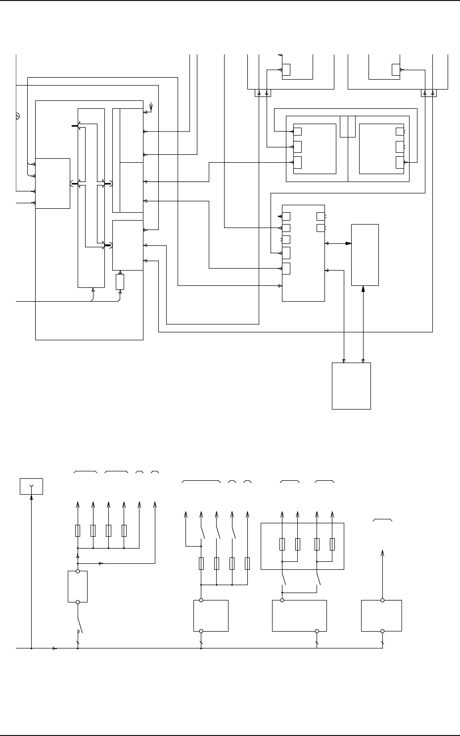
193-5100 JUKYX 4-16 3 2 CN2 CN3 U95 CN6 CN8 CN5 CN7 E192 E39 E39 E193 E191 (1) E192 E193 Servo Motor M21B Linear Scale I/F U21B M22B U22B M23B U23B AMP Linear Scale Linear Scale…

193-5100
JUKYX
4-15
G2
G3 24G1A
24G1B
F13
48D3A
F14
48D3B
48D3
G1 24A1
F1
K1A
U82
U85
I/OSSCNET
SSCNET3
U81
COM1 LAN
RS232C
RS232C
24A6
AE LINK
CPCI
F2
24A2
24A0
F5
24A3
K25
AE LINK
K75
K77
24G2A
24G2B
2CH1CH 2CH1CH
K10
K1B
COM2
U27
Relay PCB
Sensor
S-CV
U180
IO PCB
U69
IO PCB
U69
F21
F25
U27
U01
U14
U08
DN T
UP
UP DN T
DN T
HSIO HSIO
HSIO
UP
UP
IO PCB
HSIO
HSIO
HSIO
CH1 CH2
X30B
X30F
F23
F27
D81
CF
F7
24A6
48D
X30F_Connector
Relay
Solenoid valve/etc
IO PCB
IO PCB
D-CV
CPU HSIO AE-LINK
CPU2(Control)
For A31(Main Power)
For A51,53(Main Power)
For U95
For IO PCB
For Output Circuit
For Relay Circuit
For Feeder Power
(Block1)
For Feeder Power
(Block2)
T
CN6 CN7
Switching Power
Supply
Switching Power
Supply
Swiching Power
Supply
2
2
2
Motion Control
TTDNUPDIO
CN4 CN4CN3CN2CN1CN7
TT
F15
48D3C
F16
48D3D
For A63(Main Power)
G9
DC6V
For Side Veiw Camera
(HEAD1,2)
Supply
2
Switching Power
KYX-000-CC-001-1B

193-5100
JUKYX
4-16
3
2
CN2
CN3
U95
CN6
CN8
CN5
CN7
E192
E39
E39
E193
E191
(1)
E192
E193
Servo Motor
M21B
Linear Scale
I/F
U21B
M22B
U22B
M23B
U23B
AMP
Linear Scale Linear Scale
I/F I/F
A21B
M21F
Linear Scale
I/F
U21F
M22F
U22F
M23F
U23F
Linear Scale Linear Scale
I/F I/F
3
M
3
M
3
M
3
M
3
M
3
M
B61(1)
B61(2)
(B) (F)
Linear Motor
AMP
A22B
AMP
A23B
Servo Motor
AMP
A21F
AMP
A22F
AMP
A23F
X-Axis Y1-Axis Y2-Axis X-Axis Y1-Axis Y2-Axis
(1)
(1)
(2)
(2)
(1)
(2)
PCB Recognition
Recognition
Camera
Component
PCB Recognition
Lighting
Lighting
Control
LED
Linear Motor Linear Motor Linear Motor
COM1 COM2
PCB
COM3 COM4
E191
(2)
Ring Lighting
(Rear)
Coax. Lighting
Reference Mark
(Front)
48D
CN1
Ring Lighting
(Rear)
(Rear)
(Front)
Coax. Lighting
Lighting
Reference Mark
(Front)
Lighting
HLZ3
A32B
24A2
48D
Servo Motor AMP
CNP1 CN1A CN3CN1B
24A6
P2A 2A P2B 2B P2C 2C P2D 2D
3
M
3
M
U07D
(H2)(H1)
KYX-000-CC-001-1C

193-5100
JUKYX
4-17
L1Z2Z1
Servo Motor AMP
A31B
CNP1 CN1A
L2
CN3
NLNSDD
A31F
L3
24A224A6 24A2
48D3A 48D3B
Servo Motor AMP
24A6
CN1B
SSCNET3
CNP1 CN1A CN3CN1B
24A6
U07
CN2
Camera
Slip
Rings
U37
U06
IO PCB
U69
IO PCB
U69
U67 U68
FEEDER
FEEDER
1-15Lane
U67 U68
FEEDER
FEEDER
Feeder Cart1
HEAD1
J1
P2A 2A P2B 2B P2C 2C
P2D
2D P2A 2A P2B 2B P2C 2C P2D 2D
HSIO
UP
UP
3
M
3
M
3
M
3
M
3
M
3
M
3
M
3
M
AE LINK(CH1)
A11
PWR
N2N1
48D3
A10
PWR
48D3
AE LINK(CH2)
Stepping Motor Driver
M MM
M46 M47M42
N2N1
X30F
X30B
CN2
CN12
A63B
M
M41
M
M45
M
M44
Feeder Cart2
16-30Lane
Connector Connector
24G1A,B
24G2A,B
Side View
U03 U04
CN8
CN1
24A6
IO PCB
U02
UP T
T
HSIO
HSIO
CN5F
CN5BCN1
CN10
U07
CN2
Camera
Slip
Rings
U37
U06
HEAD2
J1
Side View
Light
Emitting
Light
Emitting
U03 U04
CN8
CN1
CN10
1-15Lane 16-30Lane
U07D U07D
M63
3
M
(B1)
Servo Motor
AMP
CN2
A63F
M63
3
M
(B2)
Servo Motor
AMP
CN12
Stepping Motor Driver
Option
Back UP Base
48D3C 48D3D
CONVEYOR
DC6V
DC6V
(H1)(H1)(H1) (H1) (H2)(H2)(H2) (H1)
KYX-000-CC-001-1D