JUKYX-193-5100_G5S2.pdf - 第51页
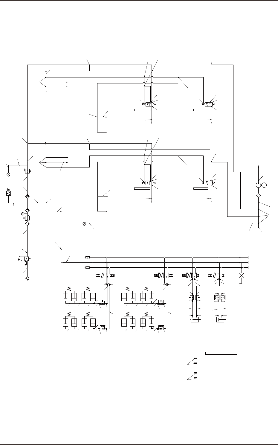
193-5100 JUKYX 1-1 KQ2H06-00A ( 落下防止対応用 ) ( 落下防止対応用 ) KQ2P-06 カート一括コネクタ フィーダベース (1) Ø6 600mm KQU06-00 Ø6 600mm KQ2H06-00A KQ2P-06 カート一括コネクタ Y0639 Y0638 KQ2U06-00A Ø6 50mm KQ2U06-00A Ø6 50mm Y0…

193-5100
JUKYX
1-1
KQ2H06-00A
(落下防止対応用)
(落下防止対応用)
KQ2P-06
カート一括コネクタ
フィーダベース(1)
Ø6
600mm
KQU06-00
Ø6
600mm
KQ2H06-00A
KQ2P-06
カート一括コネクタ
Y0639
Y0638
KQ2U06-00A
Ø6
50mm
KQ2U06-00A
Ø6
50mm
Y0938
Y0939
フィーダベース(2)
KQ2H08-00A
KQ2P-08
KQ2H06-00A
KQ2H06-00A
KQ2H08-01AS
KQ2H06-02AS
KQ2H06-02AS
A
R
P
高速/多機能切替バルブ
KQ2H06-M5A
ヘッド(2)ヘッド(2)
KQ2U06-00A
KQ2H08-10A
ヘッド(1)ヘッド(1)
ホースニッフ°ル
KQ2H10-02AS
KQ2H06-M5A
KQ2L06-02AS
設定
0.45MPa
設定
0.35MPa
0.05MPa
設定
KQ2H06-M5A
KQ2L06-01AS
KQ2L08-02AS
KQ2L10-02AS
KQ2H08-02AS
KQ2L08-02AS
KQ2L10-02AS
(Ø6)
200mm
(Ø8)
160mm
(Ø6)
140mm
KQ2U08-00A
KQ2L08-99
KQ2T10-08A
KQ2H06-08A
MPG14
KQ2R06-10A
MHQ1410
MBA1403
M
KQ2L10-03AS
|10(青)
600mm
排気
KQ2L08-99A
KQ2P-10
(ノズルストッカ1)
(ノズルストッカ2)
KQ2U06-08A
KQ2H08-10A
KQ2H08-01AS
KQ2H08-02AS
KQ2H06-02AS
A
R
P
エア/真 空切替バルブ
KQ2H06-M5A
KQ2H08-00
KQ2U06-00A
KQ2U06-00A
KQ2U06-08A
KQ2U06-00A
KQ2H08-01AS
KQ2H08-02AS
KQ2H06-02AS
A
R
P
エア/真 空切替バルブ
KQ2H06-M5A
KQ2H08-00A
KQ2H08-01AS
KQ2H06-02AS
KQ2H06-02AS
A
R
P
高速/多機能切替バルブ
KQ2H06-M5A
Ø6
50mm
Ø6
300mm
Ø6
50mm
Ø6
300mm
Ø6
50mm
Ø10
120mm
Ø8
350mm
Ø8
2200mm
Ø8
2500mm
Ø8
150mm
位置決め(1)
Ø10
150mm
搬送
(基板Zクランプ、基板ストッパ)
Ø8
2300mm
Ø10
400mm
Ø6
1600mm
Ø10
1700mm
(製缶内引回し)
位置決め(2)
Ø8
1000mm
Ø8
2200mm
Ø8
1800mm
Ø6
300mm
Ø8
2500mm
Ø6
300mm
Ø8
100mm
|10(青)
2500mm
Ø8
1100mm
Ø6
50mm
Ø6
50mm
Ø6
1100mm
Ø8
200mm
Ø6
300mm
Ø6
50mm
Ø6
1100mm
Ø6
300mm
Ø8
100mm
Ø8
1100mm
|10(青)
1700mm
Ø6
700mm
Ø6
700mm
KQ2H06-00A
KQ2H06-00A
基板検出センサファイバ保護用チューブ
Ø3.2L750
Ø3.2L750
Ø3.2L750
Ø3.2L750
L基板停止センサファイバ用
R基板停止センサファイバ用
ケーブルベア
ケーブルベア
A
B
A
B
A
B
A
B
配管φ6L440
配管φ6L1000
基板ストッパーL
VBHSO
VBHSI
BHSI
BHSI
BHSO
BHSO
φ3.2L500
φ3.2L450
VBHSO
VBHSI
φ3.2L850
φ3.2L850
基板ストッパーR
VBMSO
VBMSI
BMSI
BMSO
BMSI
BMSO
φ3.2L460
φ3.2L400
VBMSI
VBMSO
φ3.2L950
φ3.2L950
可動側ZクランプL
固定側ZクランプL
φ3.2L820
φ3.2L820
φ3.2L122
φ3.2L70 φ3.2L46
φ3.2L122
φ3.2L70 φ3.2L46
VBKHZ
VB3HZ
VB3HZ
B3HZ
B3HZ
VBKHZ
BKHZ
BKHZ
φ3.2L850
φ3.2L450
A
B
φ3.2L950
φ3.2L950
φ3.2L122
φ3.2L70 φ3.2L46
φ3.2L46φ3.2L70
φ3.2L122
B3MZ
B3MZ
VB3MZ
VBKMZ
BKMZ
BKMZ
φ3.2L950
φ3.2L500
可動側ZクランプR
固定側ZクランプR
VBKMZ
VB3MZ
Fig_1-1SA

193-5100
JUKYX
1-2
KQ2H06-00A
KQU06-00
(落下防止対応用)
(落下防止対応用)
KQ2P-06
カート一括コネクタ
フィーダベース(1)
Ø6
600mm
KQU06-00
Ø6
600mm
KQ2H06-00A
KQ2P-06
カート一括コネクタ
フィーダベース(2)
KQ2H08-00A
KQ2P-08
ホースニッフ°ル
KQ2H10-02AS
KQ2H06-M5A
KQ2L06-02AS
設定
0.45MPa
設定
0.35MPa
0.05MPa
設定
KQ2H06-M5A
KQ2L06-01AS
KQ2L08-02AS
KQ2L10-02AS
KQ2H08-02AS
KQ2L08-02AS
KQ2L10-02AS
仕様3
(Ø6)
200mm
(Ø8)
160mm
(Ø6)
140mm
KQ2U08-00A
KQ2L08-99
KQ2T10-08A
KQ2H06-08A
KQ2L08-99A
KQ2P-10
(ノズルストッカ1)
(ノズルストッカ2)
KQ2U06-08A
KQ2U06-08A
Ø10
120mm
Ø8
350mm
Ø8
2200mm
Ø8
2500mm
Ø8
150mm
位置決め(1)
Ø10
150mm
搬送
(基板Zクランプ、基板ストッパ)
Ø8
2300mm
Ø10
400mm
Ø10
1700mm
(製缶内引回し)
位置決め(2)
Ø8
1000mm
Ø8
2200mm
Ø8
1800mm
Ø6
300mm
Ø8
2500mm
Ø6
300mm
Ø8
200mm
Ø6
300mm
Ø6
300mm
Ø6
700mm
Ø6
700mm
KQ2H06-00A
KQ2H06-00A
3
30
4
33
35
9
32
39
10
36
40
36
31
38
31
38
31
40
31
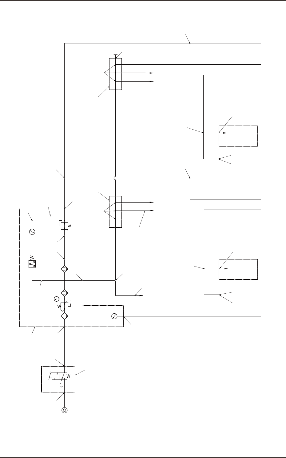
Fig_1-2S
