JUKYX-193-5100_G5S2.pdf - 第131页
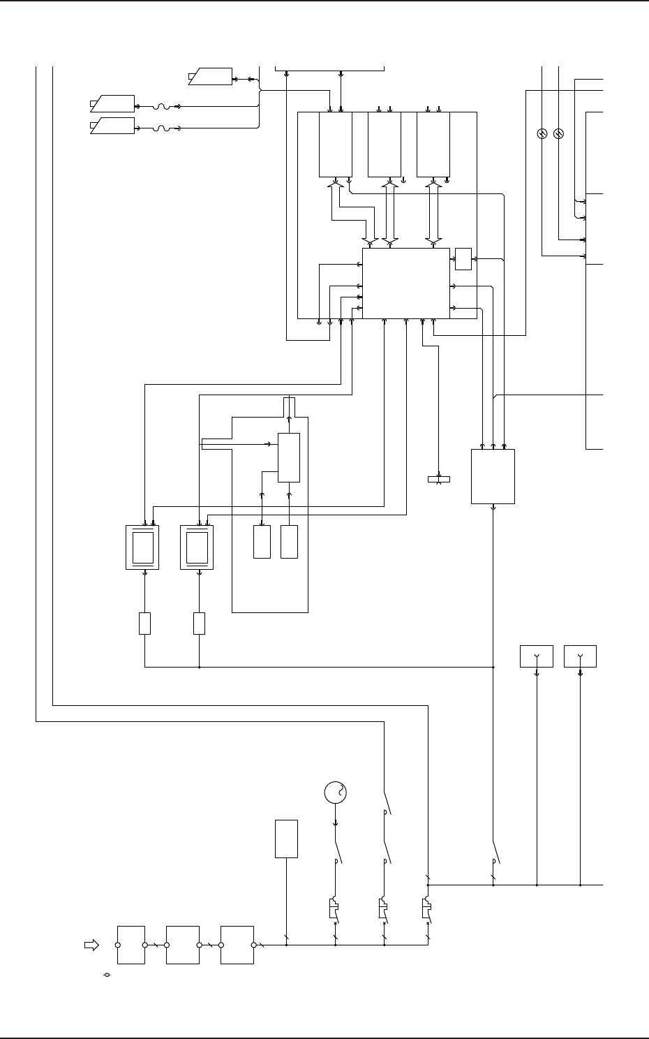
193-5100 JUKYX 4-15 G2 G3 24G1A 24G1B F13 48D3A F14 48D3B 48D3 G1 24A1 F1 K1A U82 U85 I/O SSCNET SSCNET3 U81 COM1 LAN RS232C RS232C 24A6 AE LINK CPCI F2 24A2 24A0 F5 24A3 K25 AE…

193-5100
JUKYX
4-14
F200
Q221
K28
Q205
K29
M66
3
U82
I/OSSCNET
SSCNET3
SSCNET3
Z2
3 AC200V-AC400
3
M
3
K33A
LAN2
CPU
U91
DVI
LAN1
U92
PIO
CAM
U93
CN2
CN3
U178
USB HUB
N74F
N76
N75
Option
Option
2CH1CH 2CH1CH
K33B
B36(1)
B36(2)
B61(1)
LAN- CPU1
(B) (F)
Q206
AC-DC Adapter
LAN
LAN
USB
USB
U94
PIO
CAM
Option
PIO
CAM
USB3
USB11
COM1
COM2
RS232C
3
Z1
Noise Filter
N74B
Q200
PCI-bus
PCIe-bus
D89
SSD
PCIe-bus
G21
Power Supply Unit
VGA
X30B_Connector
X30F_Connector
AC-DC Adapter
Rear Monitor
Front Monitor
Main Breaker
Noise Filter
Lightning Surge Protector
Vacuum Pump
Key Board
Track Ball
PCB Recognition
Camera
Recognition
Camera
Component
Servo Main
Power Supply
Servo Control
Power Supply
CPU1(Operation and Recognition)
CPU2(Control)
3
3
3
3 2
2
COM1
Frame
Grabber1
Frame
Grabber2
Frame
Grabber3
12V
MAIN
HD
KYX-000-CC-001-1A

193-5100
JUKYX
4-15
G2
G3 24G1A
24G1B
F13
48D3A
F14
48D3B
48D3
G1 24A1
F1
K1A
U82
U85
I/OSSCNET
SSCNET3
U81
COM1 LAN
RS232C
RS232C
24A6
AE LINK
CPCI
F2
24A2
24A0
F5
24A3
K25
AE LINK
K75
K77
24G2A
24G2B
2CH1CH 2CH1CH
K10
K1B
COM2
U27
Relay PCB
Sensor
S-CV
U180
IO PCB
U69
IO PCB
U69
F21
F25
U27
U01
U14
U08
DN T
UP
UP DN T
DN T
HSIO HSIO
HSIO
UP
UP
IO PCB
HSIO
HSIO
HSIO
CH1 CH2
X30B
X30F
F23
F27
D81
CF
F7
24A6
48D
X30F_Connector
Relay
Solenoid valve/etc
IO PCB
IO PCB
D-CV
CPU HSIO AE-LINK
CPU2(Control)
For A31(Main Power)
For A51,53(Main Power)
For U95
For IO PCB
For Output Circuit
For Relay Circuit
For Feeder Power
(Block1)
For Feeder Power
(Block2)
T
CN6 CN7
Switching Power
Supply
Switching Power
Supply
Swiching Power
Supply
2
2
2
Motion Control
TTDNUPDIO
CN4 CN4CN3CN2CN1CN7
TT
F15
48D3C
F16
48D3D
For A63(Main Power)
G9
DC6V
For Side Veiw Camera
(HEAD1,2)
Supply
2
Switching Power
KYX-000-CC-001-1B

193-5100
JUKYX
4-16
3
2
CN2
CN3
U95
CN6
CN8
CN5
CN7
E192
E39
E39
E193
E191
(1)
E192
E193
Servo Motor
M21B
Linear Scale
I/F
U21B
M22B
U22B
M23B
U23B
AMP
Linear Scale Linear Scale
I/F I/F
A21B
M21F
Linear Scale
I/F
U21F
M22F
U22F
M23F
U23F
Linear Scale Linear Scale
I/F I/F
3
M
3
M
3
M
3
M
3
M
3
M
B61(1)
B61(2)
(B) (F)
Linear Motor
AMP
A22B
AMP
A23B
Servo Motor
AMP
A21F
AMP
A22F
AMP
A23F
X-Axis Y1-Axis Y2-Axis X-Axis Y1-Axis Y2-Axis
(1)
(1)
(2)
(2)
(1)
(2)
PCB Recognition
Recognition
Camera
Component
PCB Recognition
Lighting
Lighting
Control
LED
Linear Motor Linear Motor Linear Motor
COM1 COM2
PCB
COM3 COM4
E191
(2)
Ring Lighting
(Rear)
Coax. Lighting
Reference Mark
(Front)
48D
CN1
Ring Lighting
(Rear)
(Rear)
(Front)
Coax. Lighting
Lighting
Reference Mark
(Front)
Lighting
HLZ3
A32B
24A2
48D
Servo Motor AMP
CNP1 CN1A CN3CN1B
24A6
P2A 2A P2B 2B P2C 2C P2D 2D
3
M
3
M
U07D
(H2)(H1)
KYX-000-CC-001-1C