JUKYX-193-5100_G5S2.pdf - 第54页
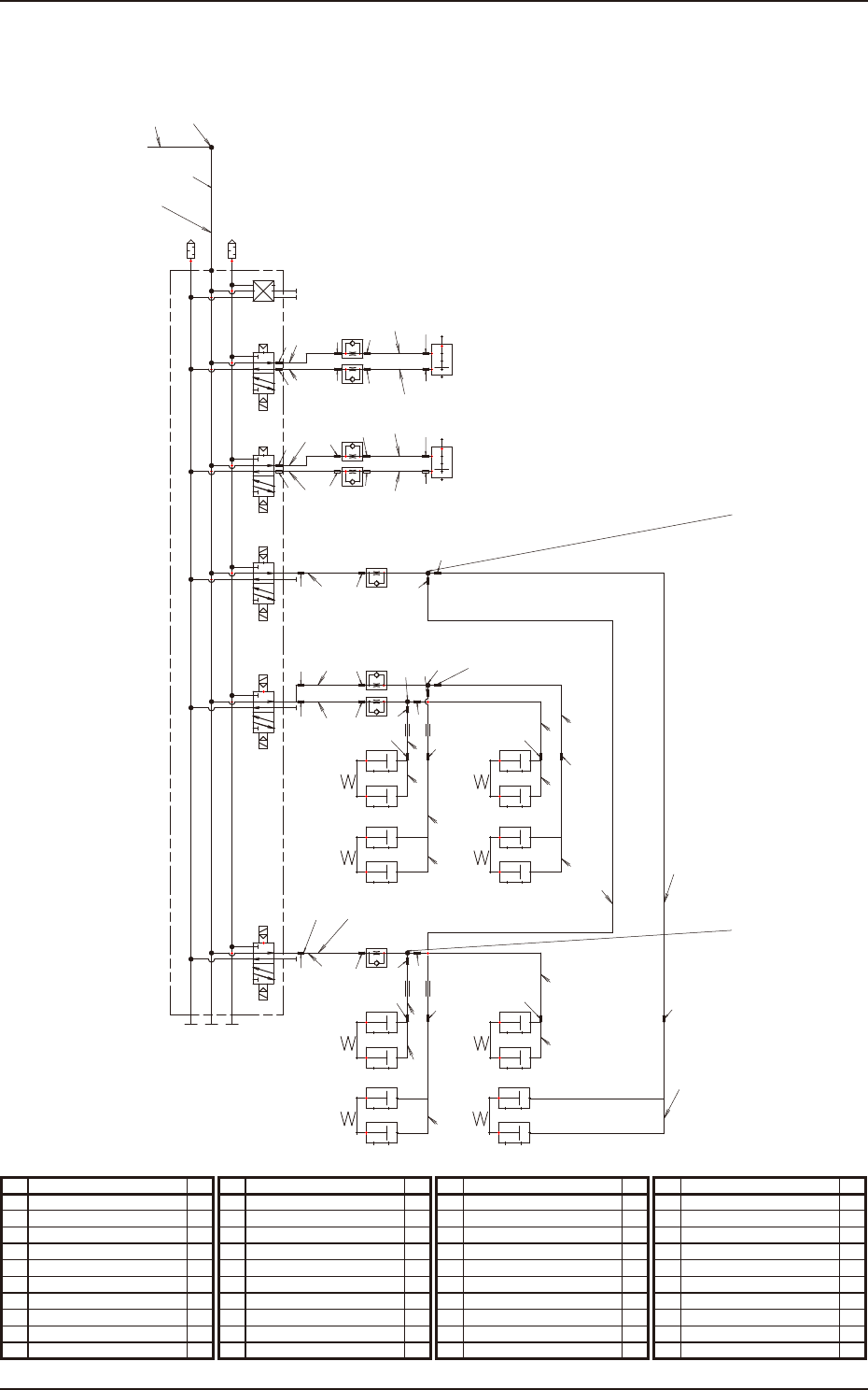
193-5100 JUKYX 1-4 6 6 Ø3.2L950 Ø3.2L950 Ø3.2L122 Ø3.2L70 Ø3.2L46 Ø3.…

193-5100
JUKYX
1-3
Y0939
Y0938
KQ2U06-00A
Ø6
50mm
KQ2U06-00A
Ø6
50mm
Y0638
Y0639
KQ2H06-00A
KQ2H06-00A
KQ2H08-01AS
KQ2H06-02AS
KQ2H06-02AS
A
R
P
高速/多機能切替バルブ
KQ2H06-M5A
ヘッド(2)
ヘッド(2)
KQ2U06-00A
KQ2H08-10A
ヘッド(1)
ヘッド(1)
MPG14
KQ2R06-10A
MHQ1410
MBA1403
M
KQ2L10-03AS
|10(青)
600mm
排気
KQ2H08-10A
KQ2H08-01AS
KQ2H08-02AS
KQ2H06-02AS
A
R
P
エア/真 空切替バルブ
KQ2H06-M5A
KQ2H08-00
KQ2U06-00A
KQ2U06-00A
KQ2U06-00A
KQ2H08-01AS
KQ2H08-02AS
KQ2H06-02AS
A
R
P
エア/真 空切替バルブ
KQ2H06-M5A
KQ2H08-00A
KQ2H08-01AS
KQ2H06-02AS
KQ2H06-02AS
A
R
P
高速/多機能切替バルブ
KQ2H06-M5A
Ø6
50mm
Ø6
300mm
Ø6
50mm
Ø6
300mm
Ø6
50mm
Ø6
1600mm
Ø8
100mm
|10(青)
2500mm
Ø8
1100mm
Ø6
50mm
Ø6
50mm
Ø6
1100mm
Ø6
50mm
Ø6
1100mm
Ø8
100mm
Ø8
1100mm
|10(青)
1700mm
31
34
31
5
34
32
37
34
6
34
32
34
34
37
Fig_1-3SA

193-5100
JUKYX
1-4
6
6
Ø3.2L950
Ø3.2L950
Ø3.2L122 Ø3.2L70
Ø3.2L46
Ø3.2L46
Ø3.2L1070Ø3.2L122
B3MZ
BKMZ
Ø3.2L950
Ø3.2L950
PIPE FITTINGS(KQ2U23-9A)
可動側Zクランプ R
可動側Zクランプ L
固定側Zクランプ R
固定側Zクランプ L
VBMZ
B3MZ
BKMZ
VBMMZ
B3MMZ
BKMMZ
B3MMZ
BKMMZ
VBMMZ
VBMZ
B3HZ
A
B
VBHZ
BKHZ
Ø3.2L970
BKHHZ
Ø3.2L122
Ø3.2L122
B3HHZ
B3HHZ
BKHHZ
VBHHZ
Ø3.2L820
VBHHZ
Ø3.2L970
PIPE FITTINGS(KQ2U23-9A)
A
B
A
B
A
B
A
B
配管6L440
配管6L1000
3
VBHSO
VBHSI
BHSI
BHSI
BHSO
BHSO
Ø3.2L500
Ø3.2L450
VBHSO
VBHSI
Ø3.2L850
Ø3.2L850
VBMSO
VBMSI
BMSI
BMSO
BMSI
BMSO
Ø3.2L460
Ø3.2L400
VBMSI
VBMSO
Ø3.2L950
Ø3.2L950
Ø3.2L820
1
Ø3.2L46
Ø3.2L46
4
VBHZ
B3HZ
BKHZ
Ø3.2L850
Ø3.2L850
2
本体より
基板ストッパー R基板ストッパー L
Fig_1-6SA

193-5100
JUKYX
1-5
本体より
位置決め上下
配管φ8
900mm
φ6
180mm
φ6
230mm
φ6
380mm
φ6
400mm
φ6
2100mm
φ6
2000mm
A
B
左側シリンダ
右側シリンダ
B
A
A
B
EA
EB
P
2
1
3
5
6
6
Fig_1-9S