KE2040 Instruction Manual_ver1.30.pdf - 第407页

5 − 65 ⑥ Missing Elements I n the example, ther e is missing balls (lands) on the f irst element group. If there is/ar e a missing ball( s)/land(s), specif y this setting it em also in the sam e manner as that of a BG A/…

100%1 / 858
5 64
Dimension
For a ball/land element, the dimension is two. Select “2D”.
Note: For arrangement of only one column and one row, specify “2D” also.
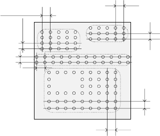
Figure 5.2.4.4.3 shows the pitch of each element group.
- In the example, the number of lead columns located in the first element
group is nine. Enter “9” to the “Count” field displayed under the setting
item “Column”.
Note: For arrangement of only one line, enter “1”.
- When the pitch is 1.5 mm, enter “1.5” to the “Pitch” of the “Column” field.
Note: For arrangement of only one line, enter “1.5” also.
- Normally, enter “0” to the “Tolerance” field.
- Since the number of lead rows located in the first element group is six,
enter “6” to the “Count” field of the “Row” setting item.
Note: For arrangement of only one row, enter “1” to the “Count” field.
- When the pitch is 1.27 mm, enter “1.27” to the “Pitch” field of the “Row”
setting item.
Note: For an arrangement of one row only, enter “1.27” to the “Pitch”
field too.
- Normally, set “0” to the “Tolerance” field.
The pitch of each element group is shown in Figure 5.2.4.4.16.
Figure 5.2.4.4.16
Layout inspection
This item is not used by the current version.
Bottom View
Pitch of the “Column” of the third
element group
Pitch of the “Row” of the third
element group
Pitch of the “Row” of the second
element
g
rou
p
Pitch of the “Column” of the
second element group
Pitch of the “Column” of the
fourth element group
Pitch of the “Row” of the fourth
element group
Pitch of the “Row” of the
first element
g
rou
p
Pitch of the “Column” of
the first element group
5 65
Missing Elements
In the example, there is missing balls (lands) on the first element group. If
there is/are a missing ball(s)/land(s), specify this setting item also in the same
manner as that of a BGA/FBGA.
Up to four blocks of missing balls/lands can be specified per element group.
To specify a block, set the first missing ball/land position of the column and
row respectively and the number of lines having missing balls/lands located
continuously in the same manner when you set those of a BGA/FBGA
component.
- If there is no ball/land on three columns from the second column and no
balls/lands on two rows from the fourth row, enter values as shown below:
“Start” of the “Column” field: 2
“Count” of the “Column” field: 3
“Start” of the “Row” field: 4
Count” of the “Row” field: 2
Note: If there is no ball/land at five or more portions, divide the element
group further, then define those divided element groups.
- Here, you have finished setting an element group.
- Next, define a recognition element of this element group.
Only one element can be defined per element group. Even though you
define two or more elements, they are handled as “invalid”.
Click the <Add> button in the “Element” setting field.
3. “Element” screen
Type
You can specify a ball or land as an element type of ball components. This
version does not support a column.
When you specify a land as an element, you can select a circular land or
rectangular land.
For a bump, specify “Ball” as an element type from the “Type” combo box.
For an electrode that is flat entirely, specify “Land”.
- In the example, a ball is used. Select “Ball” from the “Type” combo box.
Reference pos. (position)
The reference position of a ball/land element is the center of an element.
- Select “Center of an element” from the “Reference pos.” combo box.
Polarity
This item specifies the brightness of the shot image of an element.
- Normally, the light that illuminates a ball/land element brightly is used for
ball components. Select “Bright” from the “Polarity” combo box.
Note: Since a CBGA illuminates the surroundings of a ball, select “Dark”.
Offset
Normally, this setting item is not used. Enter “0” to each field of this item.
5 66
Element size
Enter the size of an element.
Since the shape of a rectangular land is still a square, enter the same value to
both the “Width” and “Length” fields.
- In the example, the diameter is assumed to be 0.5 mm. Enter the following
values.
Width: 0.5
Length: 0.5
- Normally, the “Tolerance” setting item is not used. Do not change this field
setting “0”.
Ball/Land
For a land, you can select a circular land or rectangular land. Click the
corresponding check box.
- In the example, a ball element is used, so these check boxes do not appear
on the screen.
Inspection
Click the check box of the item to be inspected.
The check items “Diameter” and “Area” are the same as those for a
BGA/FBGA. Specify the corresponding check level in %. The default value
for each check level is 50 %.
Specify the check level of the “Ball exist?” check in %. also However, the
percentage indicates the internal evaluated characteristics. Normally use the
default value, “30 %”. For a land element, this item is handled as “invalid”
even though you specify this item, and the machine does not perform the
check to see if a ball exists on a component.
- Normally, the setting item “Average diameter” is not used.
- If you perform the “Diameter”, “Area” and “Ball exist?”checks with specifying
the default value respectively, the following values are used for each check:
Inspection Area: 50 % (default)
Diameter: 50 % (default)
Ball exist: 30 % (default)
Average diameter:
You have to click each check box only.
Here, you have finished entering data on an element. When you click the
<OK> button at the lower right corner, the “Element Group” screen reappears.
You have finished defining the first element group. When you click the <OK>
button at the lower right corner, the “Extended Vision” screen reappears.
If you have another element group to be defined, click the <Add> button again
to enter data on the element group. In the example, there are four element
groups. Define four element groups.
When you finish defining all element groups, click the <OK> button at the lower
left corner to finish entering the Extended vision data.