KE2040 Instruction Manual_ver1.30.pdf - 第828页
14 − 7 14.2.4 A ir filter (MNLA Head/FMLA Head) 14.2.4.1 M NLA Head 1) Loosen t he screw ② f ixing the Z slide shaf t ① t o pull out the nozzle outer shaf t ③ . 2) Check to see if ther e is any contamination of the f ilt…

14 − 6
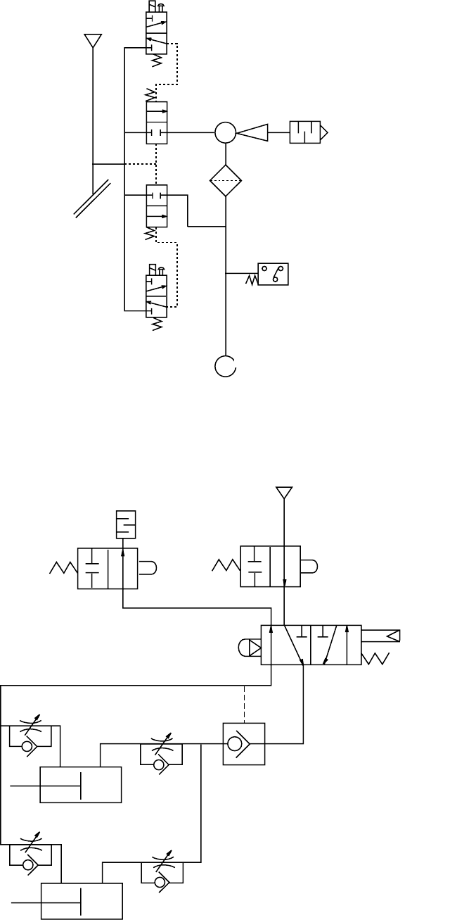
(2) Piping diagram (Head)
Blow-Sw
P
ø8
(3) Piping diagram (Overall changer table, Common to all four tables)
ø6
ø6
ø6
ø6
ø6
ø6
P
Ejector
Filter
Pressure sensor
Nozzle
Roller lever
Roller lever
Selector
Pilot check valve

14 − 7
14.2.4 Air filter (MNLA Head/FMLA Head)
14.2.4.1 MNLA Head
1) Loosen the screw ② fixing the Z slide shaft ① to pull out the nozzle outer shaft
③.
2) Check to see if there is any contamination of the filter ④.
3) If any, remove the filter ④ from the nozzle outer shaft, the replace it with a new
one.
4) Push the nozzle outer shaft ③ into the Z slide shaft ①, then fix it with the screw
②.
Filter ④: Part number E3052729000
WARNING
To prevent the body from injury which can be caused by accidental
activation of the machine, turn off the power of the machine before
following the operation above.
④
③
②
①

14 − 8
14.2.4.2 FMLA Head
1) Loosen the screw ② fixing the Z slide shaft ① to pull out the nozzle outer shaft
③.
2) Check to see if there is any contamination of the filter ④.
3) If any, remove the filter ④ from the nozzle outer shaft, the replace it with a new
one.
4) Push the nozzle outer shaft ③ into the Z slide shaft ①, then fix it with the screw
②.
Filter ④: Part number E3052729000
WARNING
To prevent the body from injury which can be caused by accidental
activation of the machine, turn off the power of the machine before
following the operation above.
②
①
④
③