SONY机开关EAO-Series-14-Full-Data.pdf - 第30页
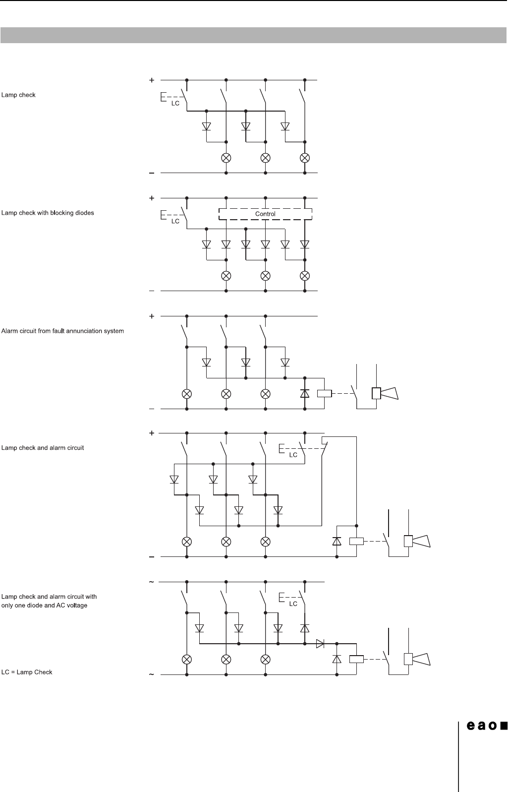
14 Typical Applications 31 06.2007 When indicators and illuminated pushbuttons equipped with diodes, the user is able to perform a la mp check or wire an alarm circuit simply with a c onsiderable saving of space. 0 Diode…

30
06.2007
14
Technical Data
Mechanical characteristics
Terminals
Plug-in terminal 2.8 x 0.5 mm
Electrical characteristics
Frequency (tone)
approx. 2.8 kHz continuous tone only
Sound pressure
95 db (A) ±8 dB at a distance of 0.1 m
Operation Voltage/Current
0
Environmental conditions
Storage temperature
-35 °C ... +85 °C
Operating temperature
-25 °C ... +55 °C
Protection degree
as per EN IEC 60529, frontside
IP 40, devices flush mounting
IP 65, devices raised mounting
Approvals
CE
Operation Voltage 24 VDC ±10 %
Operation Current ≤25 mA

14
Typical Applications
31
06.2007
When indicators and illuminated pushbuttons equipped with diodes, the user is able to perform a lamp check or wire an alarm
circuit simply with a considerable saving of space.
0
Diode element

14
Marking
32
06.2007
0
All dimensions in mm
0
0
The gap between 2 words results in each case a letter less.
All dimensions in mm
0
0
The gap between 2 words results in each case a letter less.
General notes
1. Engraving
In addition to the most commonly used world
languages, in DIN 1451-3 close spacing, other
typefaces are available as Scandinavian,
Slavic, Greek, Russian and Polish.
The lenses are filled with black or white colour.
2. Hot stamping
Standard legends and ISO symbols are hot
stamped. For larger series it is worth
considering markings by means of hot
stamping. We will pleased to advise you.
Engraving marking cap for Indicator round, full face illumination
Height of letters
h
Number of lines Number of (target value) letters per line Line spacing
d
b1 b2 b3
3 3 11 10 9 4.6
4287- 6.6
814- - -
Engraving marking cap for Indicator and illuminated Pushbutton round, front illumination
Height of letters
h
Number of lines Number of (target value) letters per line Line spacing
d
b1 b2 b3
339974.6
4276- 6.6
813- - -