SONY机开关EAO-Series-14-Full-Data.pdf - 第45页
14 Drawings 46 06.2007 27 Keylock switch 2 posit ions page 11 28 Selector switch 2 positions page 12 29 Selector switch 2 positions page 12

14
Drawings
45
06.2007
24 Illuminated actuator pushbutton page 8
25 Illuminated mushroom-head actuator pushbutton page 10
26 Illuminated actuator pushbutton page 8

14
Drawings
46
06.2007
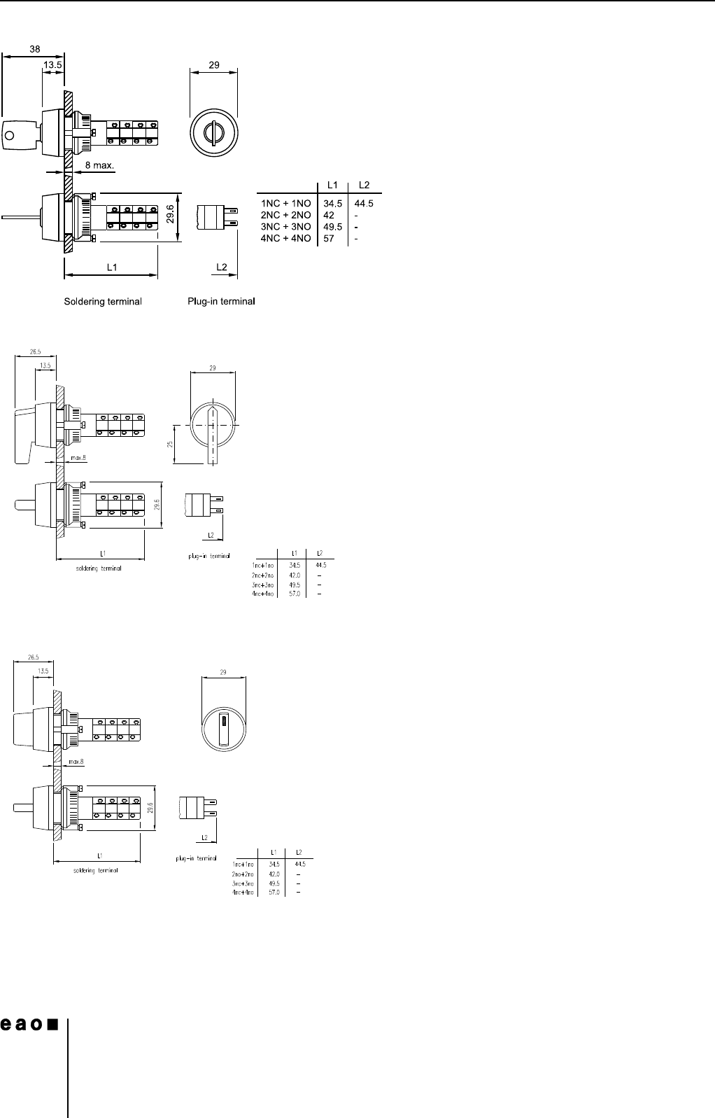
27 Keylock switch 2 positions page 11
28 Selector switch 2 positions page 12
29 Selector switch 2 positions page 12

14
Drawings
47
06.2007
30 Indicator actuator, flush mounting page 14
31 Illuminated pushbutton actuator, flush mounting page 15
32 Illuminated pushbutton actuator, flush mounting page 15
33 Keylock switch actuator 2 positions, flush mounting page 16