5OM-1603-005_w.pdf - 第137页
5OM-1603 4-18 1 108-004E(M914WBL--0003) U12 I/O PCB STL T PWR 1/2 1 2 3 4 5 6 7 8 A B C D E F X1201 X1202 CN1A/1B CN2A/2B :3 :4 :5 :2 RX /RX TX /TX 7 3 9 5 5 9 3 7 /TX TX /RX RX 3 2 1 CN10 3 2 1 CN18 GND(B) 24V(B) GND(B)…

5OM-1603
4-17
1102-003-(M914WBL--0002)
U05 I/O PCB STLT ILB 2/2
2
1
2
1
2
1
2
1
2
1
2
1
2
1
2
1
2
1
2
1
XCN36XCN30
XCN37XCN31
XCN38XCN32
XCN39XCN33
2
1
2
1
XCN34
XCN35
XCN40
XCN41
24V(A)
24V(A) 24V(A)
24V(A) 24V(A)
24V(A) 24V(A)
24V(A) 24V(A)
24V(A) 24V(A)
24V(A)
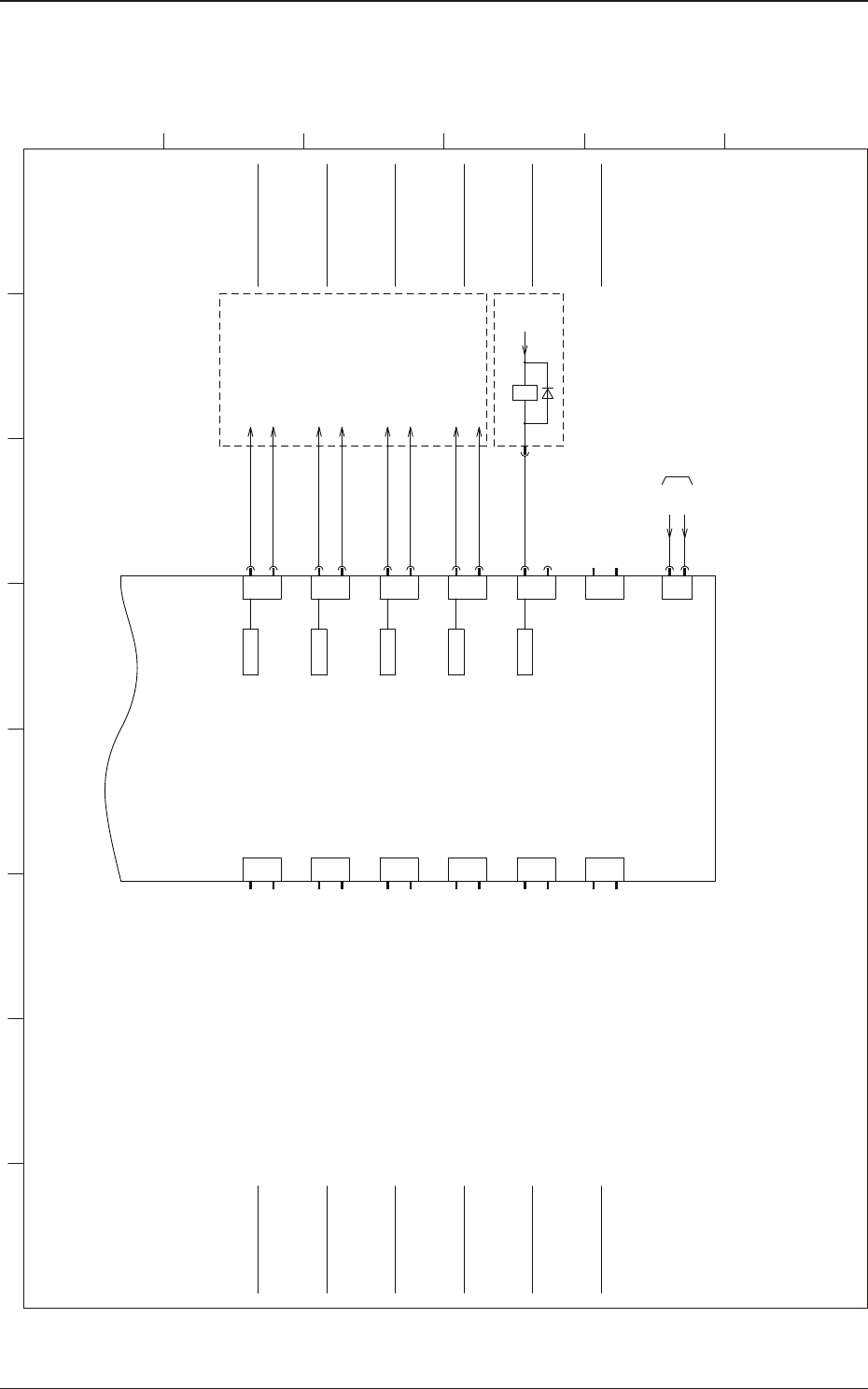
Conveyor Emergency Stop
Directive
520
Beam (1) Emergency Stop
Directive
Beam (2) Emergency Stop
Directive
521
[F-/12/5C]
24A3
24A3
[F-/12/5C]
522
Head (1) Emergency Stop
Directive
Head (2) Emergency Stop
Directive
523
[F-/12/5E]
24A3
24A3
[F-/12/5F]
I/O P.C.B
STLT_ILB
U05
XY STP R
XY STP F
HEAD STP R
HEAD STP F
CV STP
1
XCN3
X0503
2
10A
24A3
[B-/02/5B]
X0536
X0537
X0538
X0539
X0540
:B5
X2761
524
K129
12 1
24A1
U27
To X8203:1
CPU2 :U82
To X8203:2
To X8203:48
To X8203:23
(Motion Control PCB)
To X8204:1
To X8204:2
To X8204:48
To X8204:23
Power for Output
1 2 3 4 5 6 7 8
A
B
C
D
E
F

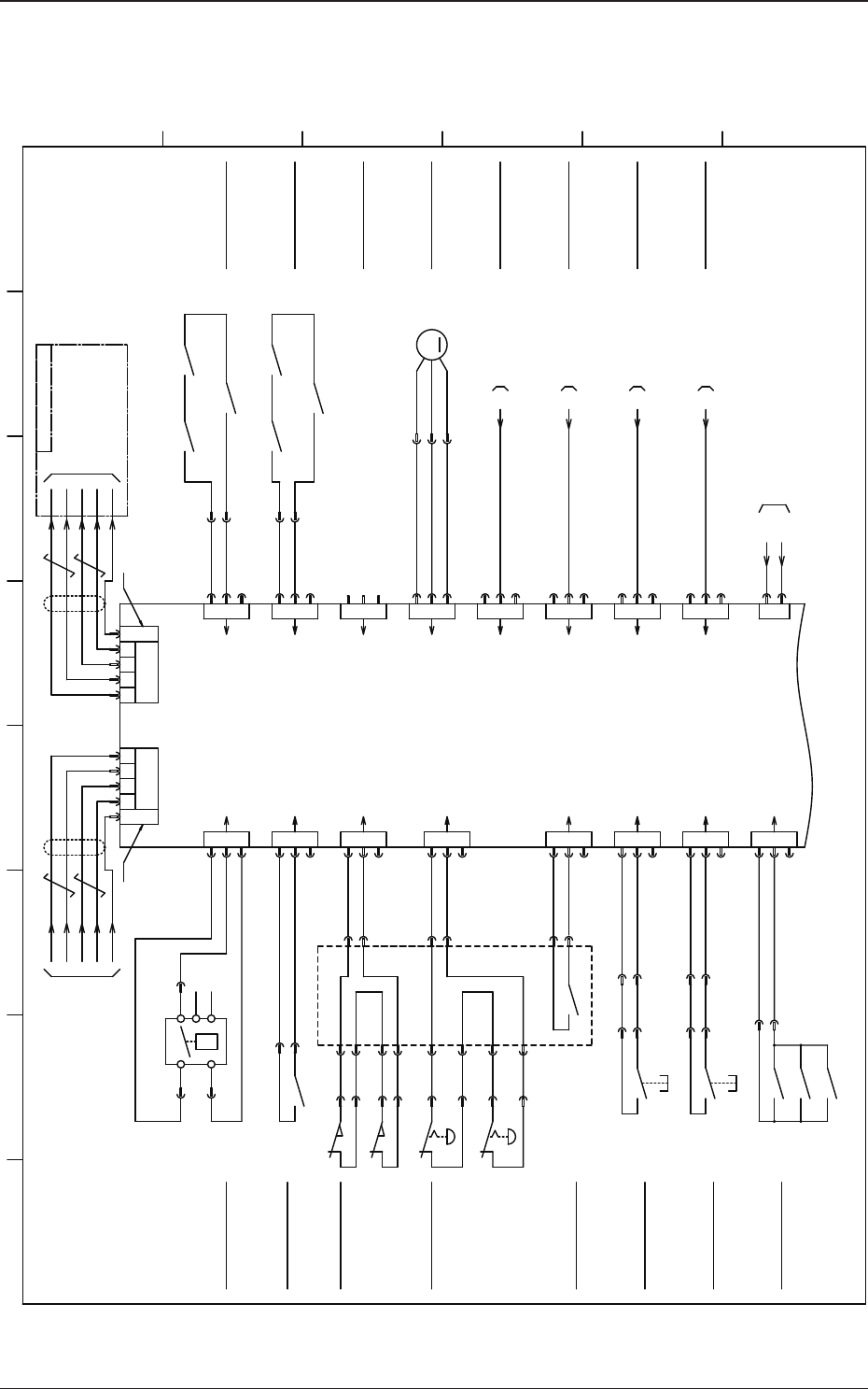
5OM-1603
4-18
1108-004E(M914WBL--0003)
U12 I/O PCB STLT PWR 1/2
1 2 3 4 5 6 7 8
A
B
C
D
E
F
X1201 X1202
CN1A/1B CN2A/2B
:3
:4
:5
:2
RX
/RX
TX
/TX
7 39 5 5 93 7
/TX
TX
/RX
RX
3
2
1
CN10
3
2
1
CN18
GND(B)
24V(B)
GND(B)
24V(B)
526
X1210
3
2
1
CN11
3
2
1
CN19
X1211
3
2
1
CN12
3
2
1
CN20
X1212
3
2
1
CN13
3
2
1
CN21
X1221
X1213
3
2
1
CN14
3
2
1
CN22
X1222
X1214
3
2
1
CN15
3
2
1
CN23
X1223
X1215
3
2
1
CN16
3
2
1
CN24
X1224
X1216
3
2
1
CN17
3
2
1
CN25
X1225
X1217
I/O P.C.B
STLT_PWR
U12
1
CN3
X1203
2
10B
24B1
[B-/02/5C]
BL
SP
P<
S141
BK
GY
W
BR
10B
24B1
Q205
1413
527
10B
:B7
:A7
X2761
528
10B
S105F
:B8
X2761
:A8
529
10B
K126
68
530
10B
:B9
X2761
:A9
S112F
531
10B
532
F201
F202
F203
533
U05 (STLT ILB)
X0502(XCN2)
ch1-1
[BL/01/6A]
:9
:7
:5
:3
U08 (STLT CNVR (L))
X0801(CN1)
ch1-1
S112B
10B
:B1
-X1300D3
:B2
:B1
:B2
538
539
540
541
[D-/12/3F]
[D-/12/3F]
Q222R
14 13
Q223R
14 13
Q221R
13 14
Y1-axis (Rear)X-axis (Rear)
X1218
X1219
[D-/22/3F]
[D-/22/3F]
10B
534A 534B
-X1300D3
-X1300D3
-X1300D3
M
M177
BK
Y
R
(Power Control)
(UB32)
:2
X:M177
:1
:3
537
N.C
N.C
X:S141
:3
:1 :2
NONO
NONO
24B1
10B
10B
534
:8
X10520
:7
X10520
:9
:10
X:S122
:1
:2
X:S122
:1
:2
S105B
X:S105
:5
:6
:5
:6
X:S105
S132
22 21
S131
22 21
X:S132
:3
X:S131
:3
:3
:4
:3
:4
:5
:6
:5
:6
:4
:4
X2725
X2728
X2741
X2742
U27
Di00
GND(B)
24V(B)
Di01
GND(B)
24V(B)
Di12
GND(B)
24V(B)
Di03
GND(B)
24V(B)
Di04
GND(B)
24V(B)
Di05
GND(B)
24V(B)
Di06
GND(B)
24V(B)
Di07
Di08
GND(B)
24V(B)
Di09
GND(B)
24V(B)
Di10
GND(B)
24V(B)
Di11
GND(B)
24V(B)
Di12
GND(B)
24V(B)
Di13
GND(B)
24V(B)
Di14
GND(B)
24V(B)
Di15
Y2-axis (Rear)
Q222F
14 13
Q223F
14 13
Q221F
13 14
Y1-axis (Front)X-axis (Front)
535A 535B
Y2-axis (Front)
10B
535
X10520
:3
:4
:5
:6
X10520
XS122B
:1
:2
XS122F
:1
:2
CPU1 Shut-Down Command
FAN Rotation Error Detection
Beam (1) CB Error Monitor
Beam (2) CB Error Monitor
Multi-Layer Tray Connection
Confirmation (Front)
Shuttle Tray Connection
Confirmation (Front)
Multi-Layer Tray Connection
Confirmation (Rear)
Shuttle Tray Connection
Confirmation (Rear)
OP
OP
OP
OP
OP
FG
(Connector Case)
FG
(Connector Case)
Connector Case Connector Case
SL-SRS or DL-SRS
CPUBOX Cooling Fan
External Unit Connecting Bundled Connector (Front)
External Unit Connecting Bundled Connector (Rear)
Power for Input
Air Pressure Drop Detection
Vacuum Pump CB Error
Front/Rear Safety Cover
Monitor
Emergency Stop Switch
DC Load Power Source Monitor
STAGE READY (Front)
STAGE READY (Rear)
Lighting Surge Protector
Safety Fuse Error
Pressure Switch

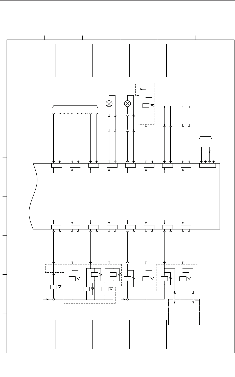
5OM-1603
4-19
1108-005G(M914WBL--0004)
U12 I/O PCB STLT PWR 2/2
1 2 3 4 5 6 7 8
A
B
C
D
E
F
2
1
2
1
CN38CN30
CN39CN31
CN40CN32
CN41CN33
CN34
CN35
CN42
CN43
24V(A)
:A10
X2761
542
K25
15
:B10
X2761
543
K43
121
:A11
X2761
544
K65A
16
:B11
X2761
545
:1
X11234
546
K75
A2A1
:A12
X2761
548
K71
18
24A1
U12
1
CN4
X1204
2
10A
24A1
X1230
X1239
X1231
X1240
X1232
X1241
X1233
X1242
X1234
X1243
X1235
24A3
2
1
2
1
2
1
2
1
2
1
2
1
2
1
2
1
2
1
2
1
2
1
2
1
2
1
2
1
U27
:2
X11234
547
K77
A2A1
:B12
X2761
549
K72
CN36
CN37
CN44
CN45
X1236
X1237
550
24A1
551
24A1
552
24A1
X1238
553
24A1
3
4
:A13
X2761
555
K22
16 15
24A1
U27
24A1
:2
X27163
K65B
121
K66A
16
K66B
121
U27
DS135
DS135
554
[B-/02/5A]
[B-/02/5B]
18
:3
X27163
:4
X27163
U08(STLT CNVR:L)
X0826:2
U14(STLT CNVR:R)
X1426:2
X1244
X1245
556
557
X195-9
X195-12
X196-9
X196-12
SCK-2512
SCK-2512
H112F
H112B
:5
X9602
:6
:9
:10
:1
:2
[LF/06/1C]
:7
X1195
:10
X1195
:7
X1196
:10
X1196
I/O P.C.B
STLT_PWR
(Power Control)
(UB32)
+
-
+
-
:3
:4
:7
:8
N.C
N.C
N.C
N.C
24A1
24A1
24V(A)
Do00
24V(A)
Do01
24V(A)
Do02
24V(A)
Do03
24V(A)
Do04
24V(A)
Do05
24V(A)
Do06
24V(A)
Do07
Do08
24V(A)
Do09
24V(A)
Do10
24V(A)
Do11
24V(A)
Do12
24V(A)
Do13
24V(A)
Do14
24V(A)
Do15
:3
X:S112
:4
:3
:4
X:S112
:3
X:S112F
:4
:3
:4
X:S112B
DC Load Power Supply Control
Main Power Supply Shut-down
Feeder (1) Power Supply
Feeder (2) Power Supply
Coplanarity Measurement Start
(Rear)
Power for Output
[B-/02/5A]
Feeder Base (1)
Power Supply
Feeder Base (2)
Power Supply
Multi Layer Tray Power Supply
Shuttle Conveyor
PCB Stopper (L)
Shuttle Conveyor
PCB Stopper (R)
SL-SRS or DL-SRS
Safety Door Lock (Front)
Safety Door Lock (Rear)
STAGE READY LED (Front)
U96:CN2
OP: Coplanarity
STAGE READY LED (Rear)
Coplanarity Measurement Start
(Front)
Coplanarity Power Shut-Down
OP
OP
OP
OP
OP
OP
(Coplanarity IF PCB)