5OM-1603-005_w.pdf - 第179页
5OM-1603 4-60 1 102-004C(M916WMM--0012) U28 POWER SUPPL Y PCB A141 P24I CN4C 5 3 4 1 2 X1414C 7 6 B01 B02 L.ON (+) (-) (-) (+) L.ON 24B 10B B02C B01C B05C CN7 B04C CN3 X2803 X01 (-) (+) D.ON 24B1 10B 24F 10F CN3 DOCOM 2 …

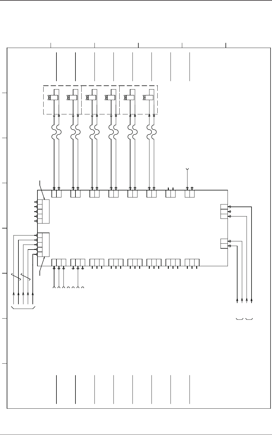
5OM-1603
4-59
1003-003A(M916WMM--0011)
Multi Functions Head M Circuit Diagram
3
M
SSG
3
M
SSG
SSG
3
M
SSG
3
M
SSG
3
M
SSG
3
M
X145P1
A145
X1451A
2
1
P24G
P24M
P48G
P48G
P48G
P48M
P48M
P48M
CNP1
CN1A
X145P2D CNP2D
CNP2C
CNP2B
CNP2A
Servo Motor AMP
CN2A
CN2B
CN2C
CN2D
X1451B
2
1
CN1B
SHD
X141P1
A141
X1411A
2
1
P24G
P24M
P48G
P48G
P48G
P48M
P48M
P48M
4B
CNP1
1A
1B
2A
GND
48V
5A
6A
5B
6B
CN1A
[MM/12/7A]
X141P2C
X141P2A
CNP2D
4A
CNP2C
CNP2B
CNP2A
1B
4B
1A
2A
1B
2B
1A
2A
MRR
P5G
MR
P5
Servo Motor AMP
2B
5A
MDR
SHD
MD
CN2A
CN2B
CN2C
CN2D
X1411B
2
1
CN1B
X128X2:2
X128X2:1
SHD
SHD
SHD
SHD
X145P2C
X1452C
X1452D
X1412A
X1412B
X1412C
X1412D
X141P2D
X141P2B
[MM/11/4C]
X128X2:2
X128X2:1
U
V
W
E
1B
2B
1A
2A
3A
3B
U
V
W
E
B1
B2
1B
2B
1A
2A
3A
3B
U
V
W
E
B1
B2
1B
2B
1A
2A
U
V
W
E
4A
1B
4B
1A
2A
MRR
P5G
MR
P5
2B
5A
MDR
SHD
MD
4A
1B
4B
1A
2A
MRR
P5G
MR
P5
2B
5A
MDR
SHD
MD
4A
1B
4B
1A
2A
MRR
P5G
MR
P5
2B
5A
MDR
SHD
MD
4B
1A
1B
2A
5A
6A
5B
6B
4A
1B
4B
1A
2A
1B
2B
1A
2A
MRR
P5G
MR
P5
2B
5A
MDR
SHD
MD
U
V
W
E
4A
1B
4B
1A
2A
1B
2B
1A
2A
MRR
P5G
MR
P5
2B
5A
MDR
SHD
MD
U
V
W
E
1B
2B
1A
2A
3A
3B
U
V
W
E
B1
B2
1B
2B
1A
2A
3A
3B
U
V
W
E
B1
B2
4A
1B
4B
1A
2A
MRR
P5G
MR
P5
2B
5A
MDR
SHD
MD
4A
1B
4B
1A
2A
MRR
P5G
MR
P5
2B
5A
MDR
SHD
MD
1
2
3
4
X141P3
CNP3
B2_C
B1_C
B2_D
B1_D
[MM/12/2E]
X2808:5
X2808:6
X2808:3
X2808:4
1
2
3
4
X145P3
CNP3
[MM/12/2E]
X2808:1
X2808:2
48V
GND
[MM/11/8B]
24V
GND
24V
GND
[MM/11/3D]
M141
R
BK
GR
W :2
:4
:3
:1
W
GR
BK
R
:6
:5
:2
:4
:1
:2
:4
:3
:1
:6
:5
:2
:4
:1
B2_C
B1_C
B2_D
B1_D
[MM/01/4C]:(1)
[MM/01/8C]:(2)
M141
M141
M141
M141
48V
GND
To CNP1
A141
[MM/11/8A]
[MM/01/4A]:(1)
[MM/01/8A]:(2)
X145P1:1B
X145P1:5A
3A
3B
3A
3B
M141
M142
M142
SHD
:2
:4
:3
:1
:6
:5
:2
:4
:1
M141
M141
M141
M142
BL
W
R
Y
BK
BL
Y
R
R
BK
GR
W W
GR
BK
R
BL
W
R
Y
BK
BL
Y
R
R
BK
GR
W W
GR
BK
R
BL
W
R
Y
BK
BL
Y
R
[MM/11/9C]
[MM/01/4C]:(1)
[MM/01/8C]:(2)
DC24V
Control Circuit
Power Supply
U28(X2)
(Upper) (Lower)
DC24V
Control Cir
U28(X2)
U28(X8)
U28(X8)
DC48V
Main Circuit
Power Supply
SSCNET
A141(CN1B)
Upper Stage
Multiple Axis
Nozzle 3 Z Axis
SSCNET
Main Circuit
Power Supply
DC48V
Nozzle 2 Z Axis
Nozzle 3 L Axis
Nozzle 2 L Axis
Nozzle 1 Z Axis
Nozzle 1 L Axis
SSCNET
A145(CN1A)
Lower Stage Multiple
SSCNET
1
2 3 4 5 6 7 8 9 10 11 12
A
B
C
D
E
F
G
H

5OM-1603
4-60
1102-004C(M916WMM--0012)
U28 POWER SUPPLY PCB
A141
P24I
CN4C
5
3
4
1
2
X1414C
7
6
B01
B02
L.ON
(+)
(-)
(-)
(+)
L.ON
24B
10B
B02C
B01C
B05C
CN7
B04C
CN3
X2803
X01
(-)
(+)
D.ON
24B1
10B
24F
10F
CN3
DOCOM
2
3
1
DICOM
EMG
X14503
CN3
A145
X141P1:6A
24F
10F
CN4D
5
3
4
1
2
X1414D
7
6
B01
B02
L.ON
(+)
(-)
(-)
(+)
L.ON
B02B
B01B
CN6
U28
1
3
2
1
3
2
CN4D
5
3
4
1
2
X1454D
7
6
B01
B02
L.ON
(+)
(-)
(-)
(+)
L.ON
CN5
5
3
4
1
2
6
B02A
B01A
1
3
2
1
3
2
1
3
2
1
3
2
1
3
2
B04B
(-)
(+)
D.ON
1
3
2
B04A
(-)
(+)
D.ON
1
3
2
B05B
:2
:3
:1
(-)
(+)
OUT
1
3
2
B05A
:2
:3
:1
(-)
(+)
OUT
1
3
2
:2
BR
:3
:1
BL
BK
BL
YE
GY
(-)
(+)
OUT
1
3
2
6
3
4
DI06
1
2
3
4
3
4
1
2
5
6
SG
TX+
TX-
HEAD STP
CN2
3
1
2
4
5
7
6
5
10B
24B
24B
10B
24B
10B
24B
10B
24B
10B
24B
10B
B07
B07
B07
(+)
(-)
:3
:1
:2
OUT
OUT
(-)
(+)
(+)
(-)
OUT
X28B07A
X28B07B
X28B07C
B07
2
1
3
2
1
3
2
1
3
X02
1
2
B07A
B07B
B07C
CN4
X2804
5
7
1
3
9
TX
RX
-RX
-TX
5
3
4
1
2
6
5
3
4
1
2
6
CN8
3
4
1
2
5
6
8
7
4
6
2
8
10
7
CN1
3
1
2
4
5
7
6
10B
10B
24B
24B
8
X2807
X2806
X2805
X14103
X28X1
X2808
X28X2
X28B05C
X28B01C
X28B02C
X28B04C
X28B05B
X28B01B
X28B02B
X28B04B
X28B05A
X28B01A
X28B02A
X28B04A
U17(CN4)
U17(CN3)
[MM/11/3F]
X141P3:1
X141P3:2
X141P3:3
X141P3:4
[MM/11/9F]
X145P3:3
X145P3:4
X128X2 :1
:2
X1704:1
X1704:3
X1703:1
X1703:2
[MM/13/3F]
[MM/13/3F]
[MM/11/3B]
[MM/11/9B]
2
3
1
DI1
DI2
DI3
DO1
DO2
SGI
P24I
DI1
DI2
DI3
DO1
DO2
SGI
P24I
DI1
DI2
DI3
DO1
DO2
SGI
DOCOM
DICOM
EMG
FG
8
N.C
[MM/01/4E]:(1)
[MM/01/8E]:(2)
[MM/01/4D]:(1)
[MM/01/8D]:(2)
HLS
[MM/01/4B]:(1)
[MM/01/8B]:(2)
DC24V
YE
RD
WH
BR
BL
BK
BR
BL
BK
BR
BL
WH
BR
BL
BK
BR
BL
BK
BR
BL
BK
BR
BL
WH
BR
BL
BK
BR
BL
BK
BR
BL
BK
BR
BL
WH
DI00
DI08
DI02
DI10
DI04
DO02
DO03
DI12DI12
DI14
DO04
DO05
DI13
DI14
B04
B04
B04
B05
B05
B05
TX
RX
-RX
-TX
[MM/13/3A]
HLS
X1701:2
X1701:3
X1701:4
X1701:5
24F
10F
24B1
10B
X145P1:6A
X145P1:6B
X141P1:6B
24F
10F
BL
YE
GY
BL
YE
GY
YE
RD
WH
YE
RD
WH
X1701:7
:3
:1
:2
B07
:3
:1
:2
B07
:A1
:B1
:A2
B309
:B2
:A4
:A3
:B3
X12501:C4
N.C
X12501:C5
X12501:D5
X12501:C6
X12501:D3
X12501:D4
X12501:B1
X12501:B2
X12501:B3
X12501:B4
X12501:C3
X131P1:B3
X131P1:B4
X131P1:B2
X131P1:B1
I/O P.C.B
U28
X2802
STLT_MHD2
B05
B05
B05
A141(CNP3)
A145(CNP3)
A141(CNP1)
A145(CNP1)
U17(CN1)
1
2 3 4 5 6 7 8 9 10 11 12
A
B
C
D
E
F
G
H
Vacuum Sensor 1
Vacuum Sensor 2
Vacuum Sensor 3
Logic
L-Axis 3 Limit (+)
L-Axis 3 Limit (-)
L-Axis 3 Pass Line
Multi-Axis Board Control Power Unit
L-Axis 2 Limit (+)
L-Axis 2 Limit (-)
L-Axis 1 Limit (+)
L-Axis 1 Limit (-)
L-Axis 2 Pass Line
L-Axis 1 Pass Line
Excessive Pushing Delection 2
Excessive Pushing Delection 1
Excessive Pushing Delection 3
Nozzle up status 2
Nozzle up status 1
<Mechatro Tube>
<Mechatro Tube>
<Mechatro Tube>
Multi-Axis Board Control Power Unit
<Mechatro Tube>
<Mechatro Tube>
<Mechatro Tube>

5OM-1603
4-61
1102-004C(M916WMM--0013)
U17 I/O STLT MF HEAD
RX
/RX
TX
X1701 X1702
CN1A/1B
/TX
FG
7 2 4 3 5
CN2A/2B
IN OUT
3
CN10
2
1
1
2
CN11
3
3
CN12
2
1
3
CN13
2
1
3
CN14
2
1
3
CN15
2
1
3
CN16
2
1
3
CN17
2
1
CN18
2
1
1
2
CN19
1
2
CN20
1
2
CN21
1
2
CN22
1
2
CN23
1
2
CN24
1
2
CN25
1 2 3
CN4 CN3
2 1
24B1
10B
10F
24F
5 3 4 2 7
FG
/TX
TX
/RX
RX
X1725
X1723
X1722
X1721
X1720
X1719
X1718
891
892
893
894
895
896
X1703 X1704
:4
:2
:8
:6
U28 (Power Supply PCB HD)
X2804(CN4)
[MM/12/2D]
[MM/12/5D]
[MM/12/5D]
I/O PCB
-U17
:1
:2
Y1718
Y1718
Y1719
Y1718
:4
:3
:2
:1
:1
:2
Y1718
Y1718
Y1719
Y1718
Y1718
Y1718
Y1718
Y1719
:4
:3
:4
:3
:10
B308
:A3
X1711
X1710
B308
:A1
:B1
:A2
:B2
:B4
:A4
:B3
X28X2 :7
:8
X28X2
:4
:3
Bad Mark Detection
Extemal Tuning
(OPTION)
Vacuum Valve 1
Vacuum Breaker 1
Vacuum Valve 2
Vacuum Breaker 2
<Mechatro Tube>
<Mechatro Tube>
<Mechatro Tube>
<Mechatro Tube>
<Mechatro Tube>
<Mechatro Tube>
Vacuum Valve 3
Vacuum Breaker 3
Control Output
(OPTION)
Bad Mark Detection
Bad Mark Detection
Stability Output
(OPTION)
1 2 3 4 5 6 7 8
A
B
C
D
E
F
STLT_MHD1