5OM-1603-005_w.pdf - 第193页

5OM-1603 5-10 1 102-004J(01300-9) Side Panel R 2 TB:DC1(500) Rear Side Operation Panel: S101,S105 Front Side Operation Panel: S101,S105 SV-NET Converter : U181(R) External Bundled Connector (R) K50-21 K29-A2 Transfer (L)…

100%1 / 209
5OM-1603
5-9
1102-004J(01300-9)
Side Panel R 1
K3Terminal
CONN:G02,04
TB:DC1(24G,10G)
PSU Relay SectionX12702
Beam Connector Relay Panel (R)
Beam Connector Relay Panel (F)
Safety Cover 2 (F) : S132
Safety Cover 1 (R) : S131
HLS PCB Collective Section(Draw)
Emergency Stop Switch (R): S121
Emergency Stop Switch (F): S121
TB:DC1(24F, 24B1, 10F, 10B)
TB:DC1(24F, 24B1, 10F, 10B)
K4,X12742
K3,X12741
TB:DC1(10A)
TB:DC1(24A2, 24A3)
F1
TB:DC1(10G)
TB:DC1(10G)
K75-14
K77-14
Blue
Blue
Blue
Blue
Blue
Blue
Blue
Blue
Blue
Blue
Blue
Black
Blue
Blue
Black
Black
Black
Black
Blue
Black
Blue
Black
Blue
Black
Blue
Black
Blue
5OM-1603
5-10
1102-004J(01300-9)
Side Panel R 2
TB:DC1(500)
Rear Side Operation Panel: S101,S105
Front Side Operation Panel: S101,S105
SV-NET ConverterU181(R)
External Bundled Connector (R)
K50-21
K29-A2
Transfer (L)U08:X0826
Transfer (R)U14:X1426
TB:DC1(24B1, 10B)
TB:DC1(24B1, 10B)
External Unit Bundled Connector (R)
Transfer Relay Section (L Side): X12762
Transfer Relay Section (L Side): X12763
SV-NET ConverterU181(F)
External Bundled Connector (F)
External Unit Bundled Connector (F)
K10-22
K25-1
Blue
Blue
Blue
Blue
Blue
Blue
Blue
Orange 1
Yellow 1
Orange 1
Yellow 1
5OM-1603
5-11
1102-004J(01300-10)
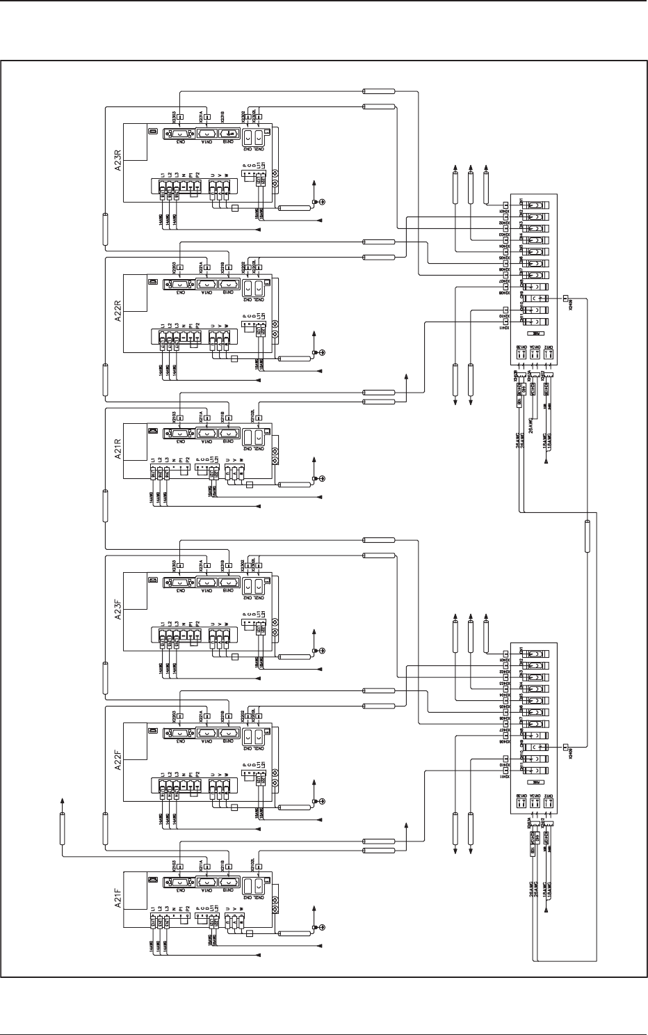
XY Servo Connection View
CPU2 U82:CH1-X8201
X2100
Beam Connector Relay Panel (F)
X2100
Beam Connector Relay Panel (R)
X2200
Beam Connector Relay Panel (R)
X2300
Beam Connector Relay Panel (R)
X2200
Beam Connector Relay Panel (F)
X2300
Beam Connector Relay Panel (F)
LowerQ221F
LowerQ222F
LowerQ223F
UpperQ221R
UpperQ222R
UpperQ223R
TB:P1(L121, L221)
TB:P1(L121, L221)
TB:P1(L121, L221)
TB:P1(L121, L221)
TB:P1(L121, L221)
X12102L
Beam Connector Relay Panel (F)
X12102L
Beam Connector Relay Panel (R)
X12410
Beam Connector Relay Panel (F)
Y-Axis Limit (-) B2203
X12201
Beam Connector Relay Panel (F)
X12301
Beam Connector Relay Panel (F)
CPU1:U94 X29401
X12410
Beam Connector Relay Panel (R)
Y-Axis Limit (+) B2201
X12201
Beam Connector Relay Panel (R)
X12301
Beam Connector Relay Panel (R)
CPU1:U94 X19401
TB:DC1(24B1,10B)
TB:DC1(24B1,10B)
TB:P1(L121, L221)
Y2 AxisY1 AxisX Axis
Black
Black
Black
Black
Black
Black
Black
Black
Black
Black
Black
Black
Black
Black
Black
Blue
Black
Blue
Blue
Blue
Blue
Blue
Blue
Black
X Axis
Y1 Axis
Y2 Axis
Black
Black
Black
Black
Black
Black
Black
Black
Black
Black
Black
Black
Black
Black
Black