5OM-1603-005_w.pdf - 第59页
5OM-1603 1-2 Pneumatic and Mounting Diagrams 1 102-003-(01200) Main Body (Pneumatic Diagram) 13 11 12 12 13 13 11 11 12 12 2-7 2-1 2-6 2 11 2-2 2-3 2-4 11 19 16 16 20 17 15 7 6 1 19 19 19 19 Nozzle Stocker (1) Positionin…

5OM-1603
1-1
Pneumatic and Mounting Diagrams
1102-003
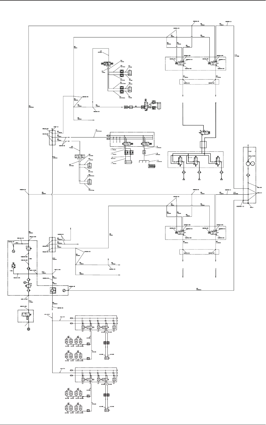
Entire System (Pneumatic Diagram)
Positioning U/D (1)
Feeder Clamp 1 Open / Close
Feeder Clamp 2 Open / Close
Positioning U/D (2)
Positioning Unit Lowering Prevention (1)
Positioning Unit Lowering Prevention (2)
Multi Layer Tray Feeder (2)
Right Side Cylinder
Left Side Cylinder
Cart Bundled Connector
Multi Layer Tray Feeder (1)
Beam Relay Panel
(Blue)
Right Side Cylinder
Left Side Cylinder
Stocker 1 U/D
Shutter 1 Open / Close
Head (1)
Nozzle1 Nozzle2 Nozzle15
Beam Relay Panel
Stocker 1 U/D
Shutter 1 Open / Close
Head (2) Head (2)
(Blue)
Robot Cable Robot Cable
Robot Cable Robot Cable
Exhaust
Hose Nipple
Setup
0.05MPa
Setup
0.35MPa
Setup
0.45MPa
Setup
0.4MPa
Movable Side Z-Clamp L
Fixed Side Z-Clamp L
PCB Stopper L
Movable Side Z-Clamp R
Fixed Side Z-Clamp R
PCB Stopper R
(Blue)

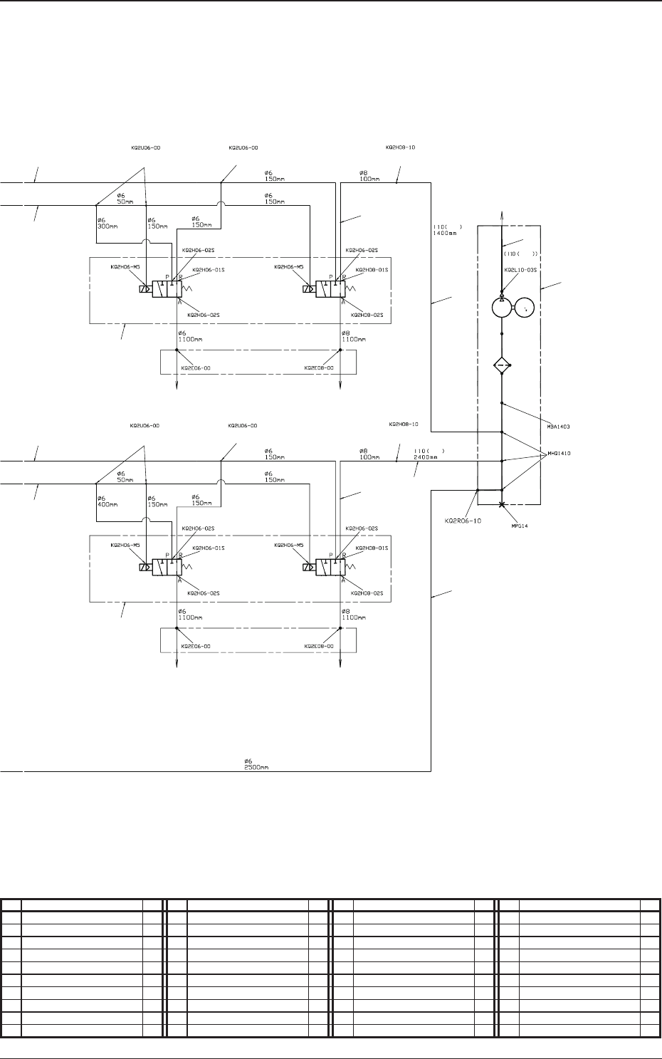
5OM-1603
1-2
Pneumatic and Mounting Diagrams
1102-003-(01200)
Main Body (Pneumatic Diagram)
13
11
12
12
13
13
11
11
12
12
2-7
2-1
2-6
2
11
2-2
2-3
2-4
11
19
16
16
20
17
15
7
6
1
19
19
19
19
Nozzle Stocker (1)
Positioning (1)
Positioning (1)
Feeder Base (1)
Cart Bundled Connector
Multi Layer Tray Feeder (1)
Nozzle Stocker (2)
Positioning (2)
Positioning (2)
Feeder Base (2)
Cart Bundled Connector
Multi Layer Tray Feeder (2)
Transfer
(PCB Z Clamp and PCB Stopper)
Setup
0.4MPa
Setup
0.45MPa
Setup
0.35MPa
Setup
0.05MPa
Hose Nipple

5OM-1603
1-3
Pneumatic and Mounting Diagrams
1102-003-(01200)
Main Body (Pneumatic Diagram)
3
14
12
12
11
14
18
5
11
11
11
14
11
4
1919
181919
Head (1) Beam Relay Panel Head (1)
Head (2) Beam Relay Panel Head (2)
Blue
Blue
Blue
Exhaust
No. Name Q’ty No. Name Q’ty No. Name Q’ty No. Name Q’ty
1 Air Supply Unit 1 5 Solenoid Valve Unit 1 18 Different Straight 2
2 Air Supply Unit 1 6 Manifold Unit 1 19 Union Y 13
2-1 Vacuum Gauge 1 7 Manifold Unit 1 20 Different Cheese 1
2-2 Combination Unit 1 11 Tube
φ
6 2
2-3 Pressure Switch 1 12 Tube
φ
8 2
2-4 Pressure Gauge 1 13 Tube
φ
10 1
2-6 Regulator 1 14 Tube
φ
10BU 1
2-7 Regulator 1 15 Straight 1
3 Vacuum Pump Unit 1 16 Straight 4
4 Solenoid Valve Unit 1 17 Different Straight 1