5OM-1603-005_w.pdf - 第68页
5OM-1603 1-1 1 Pneumatic and Mounting Diagrams 1 102-004A(04100) Positioning Unit (Mounting Diagram) 10 8 9 9 10 7 No. Name Q’ty No. Name Q’ty No. Name Q’ty No. Name Q’ty 7 Solenoid V alve 1 8 Solenoid V alve 1 9 Cylinde…

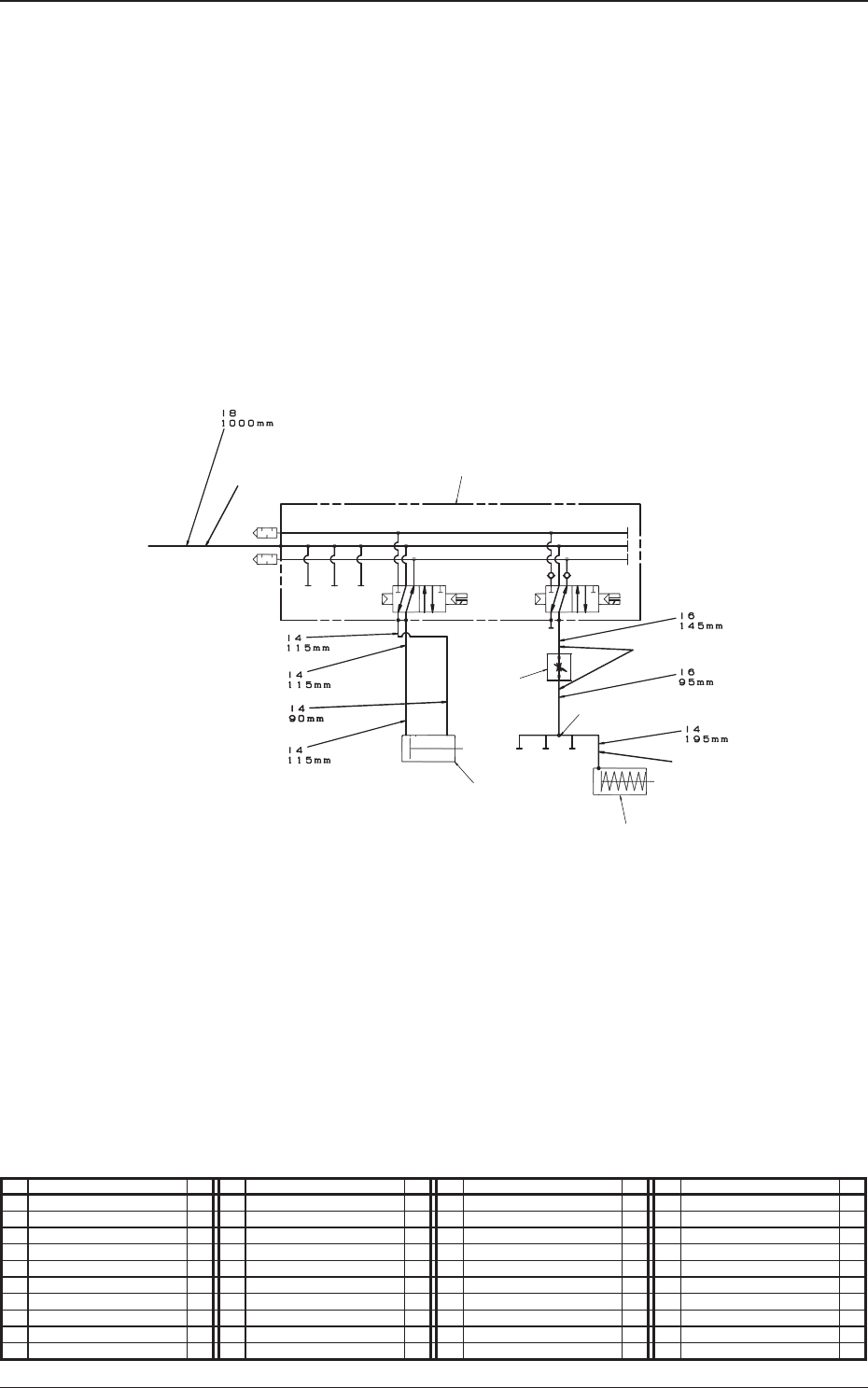
5OM-1603
1-10
Pneumatic and Mounting Diagrams
1102-003A(04100)
Positioning Unit (Pneumatic Diagram)
A
B
Pipe
φ
6
600mm
φ4
40mm
φ4
40mm
φ4
2600mm
φ4
2600mm
Positioning U/D Positioning Unit Lowering Prevention
Pipe
φ
8
900mm
φ6
150mm
φ6
200mm
φ6
400mm
φ6
350mm
φ6
2500mm
φ6
2400mm
A
B
Left Side Cylinder
Right Side Cylinder
Left Side Cylinder
Right Side Cylinder
φ4
170mm
φ4
140mm
B
A
A
B
B
A
B
A
EA
EB
P
EB
P
EA
2
1
3
7
9
9
2
5
4
8
10
10
From Main Body From Main Body
No. Name Q’ty No. Name Q’ty No. Name Q’ty No. Name Q’ty
1 Tube
φ
6 1
2 Tube
φ
8 1
3 Union Y 2
4 Union Y 2
5 Tube
φ
4 1
7 Solenoid Valve 1
8 Solenoid Valve 1
9 Cylinder 2
10 Cylinder 2

5OM-1603
1-11
Pneumatic and Mounting Diagrams
1102-004A(04100)
Positioning Unit (Mounting Diagram)
10
8
9
9
10
7
No. Name Q’ty No. Name Q’ty No. Name Q’ty No. Name Q’ty
7 Solenoid Valve 1
8 Solenoid Valve 1
9 Cylinder 2
10 Cylinder 2

5OM-1603
1-12
Pneumatic and Mounting Diagrams
1102-004-(0800G)
Nozzle Stocker (Pneumatic Diagram)
8
4
5
6
2
3
9
1
Stocker 1 U/D
From Main Body
Shutter 1 Open / Close
No. Name Q’ty No. Name Q’ty No. Name Q’ty No. Name Q’ty
1 Tube
φ
8 1
2 Tube
φ
6 1
3 Tube
φ
4 1
4 Solenoid Valve 1
5 Cylinder 1
6 Cylinder 1
7 Speed Controller 2
8 Needle 1
9 Union Y 1