5OM-1603-005_w.pdf - 第198页
5OM-1603 5-15 1 102-004J(01300-12) CPUI (Operetion Recognition) Cable Connection Diagram 1 RECOG1 X9201 <ROBOT CABLE> -X3601 -X13601 -X6101 -B61 (1) -X3601 -X13601 -X6101 -B61 (2) COUNTER X9401 X2405R U24R X2405F U…

5OM-1603
5-14
1102-004J(01300-11)
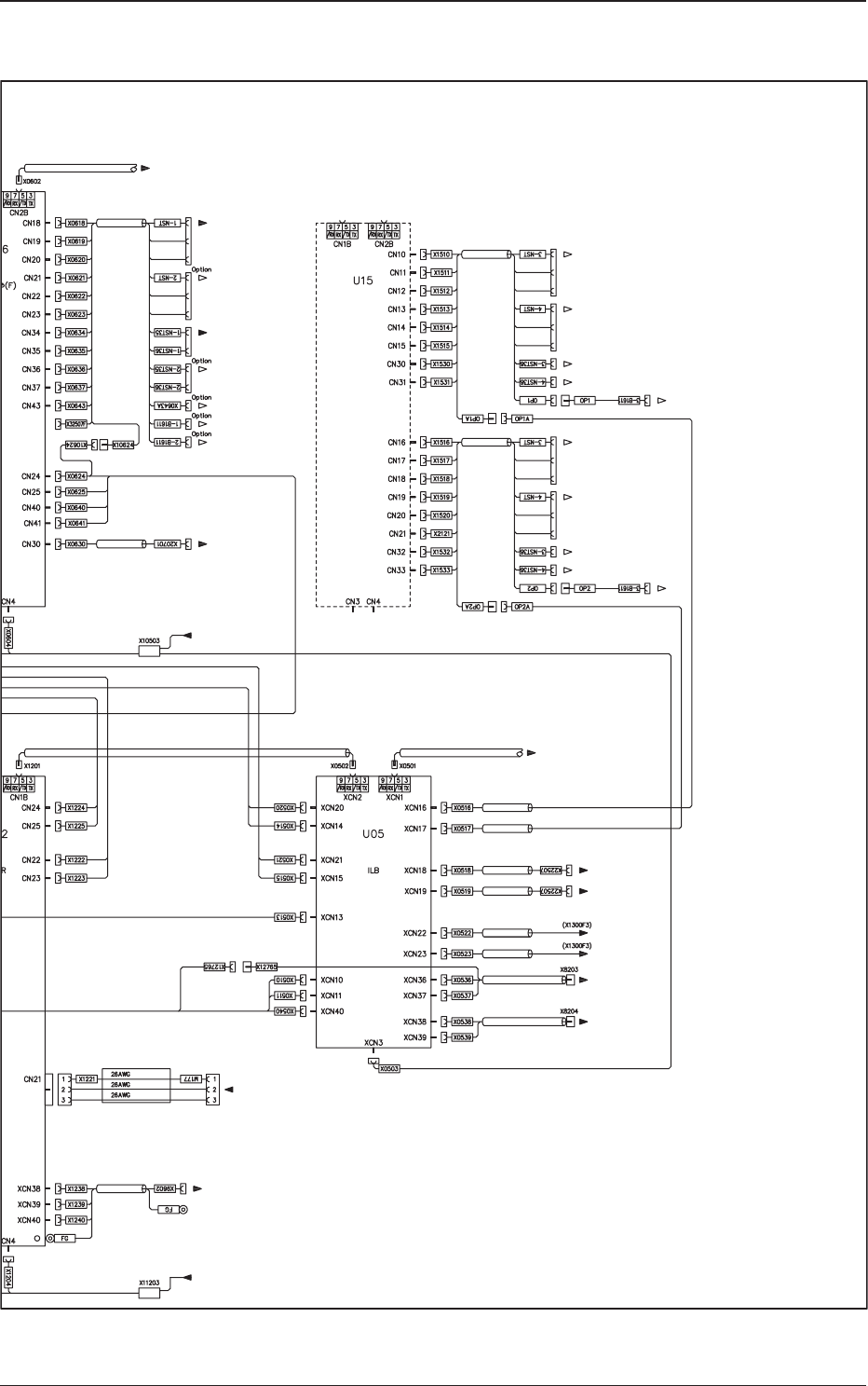
I/O PCB Connection View 3
CPU2:U85 CH1-CN1(X8501)
Beam Relay Panel (R)
:X22507
Beam Relay Panel (F)
:X22507
External Unit Bundled
Connector (R)
External Unit Bundled
Connector (F)
CPU2 U82
CPU2 U82
Transfer (R) UB32:X1401
TB:DC1(10B)
TB:DC1(10B)
CPU BOX Cooling Fan: M177
Lead Coplanarity Detection OP
Stocker Additional
Installation
OPTION
Nozzle Stocker 2 Unit Lower Limit Detection 1 NST18
Nozzle Stocker 2 Shutter Closing Check 1 NST20
Nozzle Stocker 2 Clamping Check 1 NST22
Nozzle Stocker 2 Unit Lower Limit Detection 2 NST18
Nozzle Stocker 2 Shutter Closing Check 2 NST20
Nozzle Stocker 2 Clamping Check 2 NST22
Nozzle Stocker 2 Shutter Open / Close 1 NST35
Nozzle Stocker 2 Upper 1 NST36
Nozzle Stocker 2 Shutter Open / Close 2 NST35
Nozzle Stocker 2 Upper 2 NST36
Dust Air Blowing (F)
Nozzle Stocker Coplanarity Detection 1 B1611
Nozzle Stocker Coplanarity Detection 2 B1611
Front and Rear I/F BOX: X20701
Blue
Blue
Black

5OM-1603
5-15
1102-004J(01300-12)
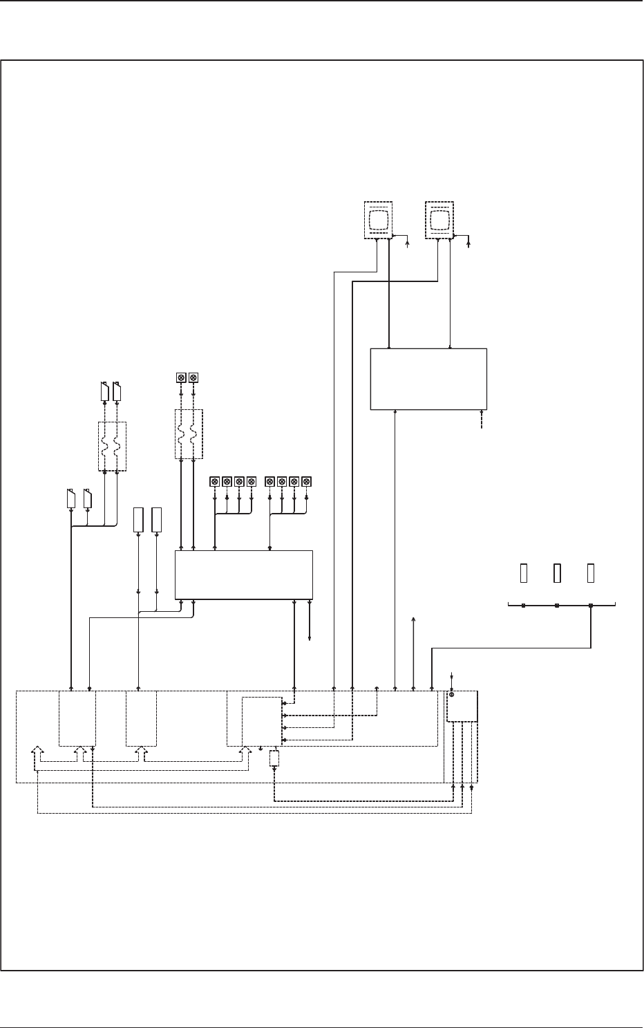
CPUI (Operetion Recognition) Cable Connection Diagram 1
RECOG1
X9201
<ROBOT CABLE>
-X3601
-X13601
-X6101
-B61 (1)
-X3601
-X13601
-X6101
-B61 (2)
COUNTER
X9401
X2405R
U24R
X2405F
U24F
X19401
X29401
U92
U94
X9202
X9503
X9504
X9502
X9505
X6701
X9506
D91
DOM
AC200V
X9101
X9507
-E39
X9508
-E39 (1)
<ROBOT CABLE>
<ROBOT CABLE>
<ROBOT CABLE>
1-X1E39
-E39
2-X1E39
-E39 (2)
-B36 (2)
-E191 (1)
X6702
-E192 (1)
X6703
-E193 (1)
X6704
-E194 (1)
X6801
-E191 (2)
X6802
-E192 (2)
X6803
-E193 (2)
X6804
-E194 (2)
-B36 (1)
X9102
X9501
+3.3V,+5V,+12V,-12V
+12V
+5V
X91P7
X91P1
X91P6
X9109
(POWER)
G21
X9203
CPU1
U91
CN4
CN3
CN2
CN1
CN7
CN8
CN5
CN6
CAMERA
PIO
CN3
CN1
G07
COM1
X19102
X19103
X9103
COM2
VGA-1
INPUT
VGA-2
RS232C
DC5V
X16503
X16504
X16502
X16501
5J1
X9105
USB3
X19105
X9106
USB4
X19106
-X7403
-X7401
-X7405
DC24V
(TB)
FRONT
LCD
(TP)
-X7401
-X7403
-X7405
DC24V
(TB)
REAR
LCD
(TP)
X9104
X9108
X9107
VGA
LAN2
LAN1
U81
N.C
N.C
CPUM-OUT
LAN1
CPUM-LINE
LAN2
CPU1-LINE
LAN1
PEC Recognition Light
PEC Recognition Camera
Component Recognition Camera
Reference Mark B
Reference Mark A
Coaxial
Ring
Reference Mark B
Reference Mark A
Coaxial
Ring
LED Lighting Ctrl
Lower
U95
U165
Center
Upper
To CPU2(X8102:LAN2)
External LAN Connection Panel
Image Changer
DC Power Unit

5OM-1603
5-16
1102-004J(01300-13)
SSCNET, SERIAL Cable Connection Diagram 1
HLS1
HLS2
CH1
CH2
HLS4
HLS3
-X22501
D-sub9P
-X12501
<ROBOT CABLE>
SCR
CN9
-X6909
-X1300F1
-X30
-X6909
UB76(FB)
CN9
SCR
U85 HLS
X0101 X0102
UB32(PNL)
CN2BCN1B
SCR
LINE SENSOR
CN6
Slip
UB78(HD)
-X0306
CN6-CN9
-X3701
-X23701
-X12501
<ROBOT CABLE>
D-sub9P
-X22501
-U69
X1401 X1402
UB86(CNVR)R
CN2BCN1B
SCR
U14
U01
UB76(FB)
-U69
-U03
-U37
Rings
UB79
CN1
-X2501
-U25
-U04
CN20
CN21
LINE SENSOR
CN6
Slip
UB78(HD)
-X0306
CN6-CN9
-X3701
-X23701
-U03
-U37
Rings
UB79
CN1
-X2501
-U25 -U04
CN20
CN21
X8501
X8502
X8503
X8504
X0902
CN2BCN1B
SCR
X0901
UB32(CT)(1)
U09
XCN1
X0501
X0502
XCN2
SCR
UB54(ILB)
U05
(A-LINK)
CN1
X1201
X1202
CN2
SCR
UB32(PWR)
U12
X0801 X0802
UB86(CNVR)L
CN2BCN1B
SCR
U08
X0704 X0705
UB82(Input/Output Machine)
CN5CN4
U07
X0602
CN2BCN1B
SCR
X0601
UB32(CT)(2)
U06
-X1300F1
-X30
SCR
-X10422
-X10422
(CN8)
(CN9)
(CN13)
(CN10)
RS485
(AE-LINK)
AELINK1
CH1
RJ45
X8511
X8512
(CN14)
(CN3)
RJ45
AELINK2
X18512
AELINK3
CH2
RJ45
X8513
X8514
(CN15)
(CN5)
RJ45
AELINK4
X18514
X8515
CN3
X18104
To A45:N2
X1811R
U181R
(AE-LINK)
X18104
To A51:N2
X1811F
U181F
(AE-LINK)
SV-NET Converter
SV-NET Converter
DC24V
DC24V
X18102
X18102
FB-SRS(1)
FB-SRS(2)
HH-SRS(1)
HH-SRS(2)
SL-SRS
SL-SRS
SL-SRS
SL-SRS
To A53:N1(SL-SRS)
To A51:N1(SR-SRS)
External Conveyor
External Conveyor
To TB(24B1)
To External Unit Connecting Bundled Connector (1)
To External Unit Connecting Bundled Connector (2)