5OM-1603-005_w.pdf - 第64页
5OM-1603 1-7 Pneumatic and Mounting Diagrams 1 102-004C(02300) Conveyor (Mounting Diagram) 8-2 8-2 8-2 8-3 8-2 8-2 8-2 8-1 8-1 8-1 8-1 8-1 8-1 7-1 7-1 7-1 7-1 7-1 9 10 7-3 7-2 7-2 7-2 7-2 7-2 7-2 7-1 8 7 No. Name Q’ty No…

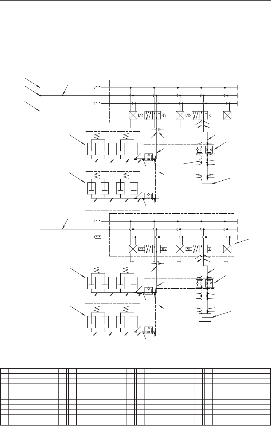
5OM-1603
1-6
Pneumatic and Mounting Diagrams
1102-003C(02300)
Conveyor (Pneumatic Diagram)
(L300)
(L300)
(L70)
(L130)
(L275)
(L280)
(L240)(L250)
Pipe φ6L440
Pipe φ6L1000
Pipe φ6L270
4
2
8
7
φ3.2L450
13
1
φ3.2L440
A
B
A
B
A
B
A
B
φ3.2L370
φ3.2L380
φ3.2L122 φ
3.2L70
φ
3.2L46
φ3.2L122 φ
3.2L70
φ
3.2L46
φ3.2L122 φ
3.2L70
φ
3.2L46
φ
3.2L46
φ
3.2L70
φ3.2L122
VBKHZ
VB3HZ
VB3HZ
B3HZ
B3HZ
VBKHZ
BKHZ
BKHZ
VBKMZ
VB3MZ
B3MZ
B3MZ
VB3MZ
VBKMZ
BKMZ
BKMZ
VBHSO
VBHSI
VBHSO
VBHSI
BHSI
BHSI
BHSI
BHSI
BHSO
BHSO
BHSO
BHSO
VBMSI
VBMSO
VBMSO
VBMSI
BMSI
BMSO
BMSO
BMSO
BMSI
BMSI
BMSI
BMSO
φ3.2L430
φ3.2L450
φ3.2L430
φ3.2L370
φ3.2L450
φ3.2L450
φ3.2L520
φ3.2L525
φ3.2L900
φ3.2L400
φ3.2L930
φ3.2L470
1
11
9
1
12
10
6
3
8
7
1
From Main Body
Movable Side Z-Clamp L
Fixed Side Z-Clamp L
PCB Stopper L
Movable Side Z-Clamp R
Fixed Side Z-Clamp R
PCB Stopper R
No. Name Q’ty No. Name Q’ty No. Name Q’ty No. Name Q’ty
1 Tube
φ
3.2 1 11 Speed Controller
2 Tube
φ
6 1 12 Speed Controller
3 Half Nipple 1 13 Flat Tube d4.1
4 Union Y 1
5 Solenoid Valve 1
6 Solenoid Valve 1
7 Fixed Chute Unit 1
8 Movable Chute Unit 1
9 PCB Stopper 1
10 PCB Stopper 1

5OM-1603
1-7
Pneumatic and Mounting Diagrams
1102-004C(02300)
Conveyor (Mounting Diagram)
8-2
8-2
8-2
8-3
8-2
8-2
8-2
8-1
8-1
8-1
8-1
8-1
8-1
7-1
7-1
7-1
7-1
7-1
9
10
7-3
7-2
7-2
7-2
7-2
7-2
7-2
7-1
8
7
No. Name Q’ty No. Name Q’ty No. Name Q’ty No. Name Q’ty
7 Fixed Chute Unit 1
7-1 Universal Tee
7-2 Barb Fitting
7-3 Barb Elbow
8 Movable Chute Unit
8-1 Universal Tee 1
8-2 Barb Fitting
8-3 Barb Elbow
9 PCB Stopper 1
10 PCB Stopper 1

5OM-1603
1-8
Pneumatic and Mounting Diagrams
1102-004C(02300)
Conveyor (Mounting Diagram)
5
6
11
12
No. Name Q’ty No. Name Q’ty No. Name Q’ty No. Name Q’ty
5 Solenoid Valve 1
6 Solenoid Valve 1
11 Speed Controller 4
12 Speed Controller 4