PTS-NATULT2-04.pdf - 第80页
㸿 㹀 Ref.2/2 72:(5386+(55,*+7 ࢱ࣮࣡ഃࣉࢵࢩ࣮ࣕ㸦ྑ㸧 ࠙㹓㹐㸰ࠚ ࣥࢡࣛࣥࣉ ࢡࣛࣥࣉ 81&/$03 &/$03 ࣥࢡࣛࣥࣉ ࢡࣛࣥࣉ 81&/$03 &/$03 ࠙㹓㹊㸰ࠚ 72:(5386+(5/()7 ࢱ࣮࣡ഃࣉࢵࢩ࣮ࣕ㸦ᕥ㸧 ࣉࢵࢩ࣮ࣕ㸦ୗ㸧 386+(5㸦/2:(5㸧 ࢱ࣮࣡㒊ࣃࣞࢵࢺࢡࣛࣥࣉࠉ㸦ୖ㸧 72:(53$//(7&/$03ࠉ…

PALLET 1/
パレット 1/
2ADLTC002307
No. Drg.No. & Code No. QTY Description Rating Remarks
番号 図番 & コード番号 個数 品名 規格 備考
1 XP01773 1 PALLET
パレツト
2 PJ20742 1 RAIL
レール
3 PB023R1 1 BKT
BKT
4 PM0B5G0 6 BOLT
ボルト
5 N1079W 6 NUT, HEX
ナット 六角
M03 3シュ(3カ シロ)
6 W1106C 6 WASHER, LOCK
ワッシャ スプリング
3M/M(3カ シロ)
11 PM03LB5 1 V BLOCK, V
ヤゲン V
12 K5173Z 2 SCREW, C/R PAN
小ネジ 十穴鍋
M02X007 0バン1シュ(ステンレス)
13 N1074A 2 NUT, HEX
ナット 六角
M02(ステンレス)
14 W1106B 2 WASHER, LOCK
ワッシャ スプリング
2M/M(3カ シロ)
15 PJ20732 1 RAIL
レール
16 PB023S1 1 BKT
BKT
17 PM0B5G0 6 BOLT
ボルト
18 N1079W 6 NUT, HEX
ナット 六角
M03 3シュ(3カ シロ)
19 W1106C 6 WASHER, LOCK
ワッシャ スプリング
3M/M(3カ シロ)
24 PB01RS1 1 BKT
BKT
25 K5169T 6 SCREW, C/R COUNTERSUNK
小ネジ 十穴皿
M02X006(ステンレス)
26 PX08720 1 SEAL, BAR CODE
シール バーコード
27 PM0BYT2 1 KNOB
ツマミ
28 H54251 1 BOLT, HEX SOCKET
ボルト 六角穴
M03X006(3カ シロ)
29 W1106C 1 WASHER, LOCK
ワッシャ スプリング
3M/M(3カ シロ)
30 PB03AR2 1 BKT, LOCATING
BKT 位置決め
31 K5169M 5 SCREW, C/R COUNTERSUNK
小ネジ 十穴皿
M02X005(ステンレス)
32 2MDLTC037901 1 V BLOCK, V
ヤゲン V
33 K5169M 2 SCREW, C/R COUNTERSUNK
小ネジ 十穴皿
M02X005(ステンレス)
34 K51757 2 SCREW, C/R PAN
小ネジ 十穴鍋
M02.5X006(ステンレス)
35 W1106A 2 WASHER, LOCK
ワッシャ スプリング
2.5M/M(3カ シロ)
36 2MDLTC037901 1 V BLOCK, V
ヤゲン V
37 K51757 2 SCREW, C/R PAN
小ネジ 十穴鍋
M02.5X006(ステンレス)
38 W1106A 2 WASHER, LOCK
ワッシャ スプリング
2.5M/M(3カ シロ)
39 K5169M 1 SCREW, C/R COUNTERSUNK
小ネジ 十穴皿
M02X005(ステンレス)
47 ABHTA2082 6 GUIDE, SIDE
ガイド サイド
48 2MDLTC051700 2 GUIDE, SIDE
ガイド サイド
49 PZ08622 2 SHEET
シート
50 PX08281 1 NAMEPLATE
銘板
79
PTS- NATULT2- 04

㸿
㹀
Ref.2/2
72:(5386+(55,*+7
ࢱ࣮࣡ഃࣉࢵࢩ࣮ࣕ㸦ྑ㸧
࠙㹓㹐㸰ࠚ
ࣥࢡࣛࣥࣉ
ࢡࣛࣥࣉ
81&/$03&/$03
ࣥࢡࣛࣥࣉ
ࢡࣛࣥࣉ
81&/$03&/$03
࠙㹓㹊㸰ࠚ
72:(5386+(5/()7
ࢱ࣮࣡ഃࣉࢵࢩ࣮ࣕ㸦ᕥ㸧
ࣉࢵࢩ࣮ࣕ㸦ୗ㸧
386+(5㸦/2:(5㸧
ࢱ࣮࣡㒊ࣃࣞࢵࢺࢡࣛࣥࣉࠉ㸦ୖ㸧
72:(53$//(7&/$03ࠉ㸦833(5㸧
ȭ㸯㸴㹶㸯㸮㹱㹲
7/6 7/6
UNCLAMP
CLAMP
࠙㸳ࠚ
ࢱ࣮࣡㒊ࣃࣞࢵࢺࢡࣛࣥࣉࠉ㸦ୗ㸧
72:(53$//(7&/$03ࠉ㸦/2:(5㸧
ȭ㸯㸴㹶㸯㸮㹱㹲
7/6 7/6
UNCLAMP
CLAMP
࠙㸴ࠚ
ࣥࢡࣛࣥࣉ
ࢡࣛࣥࣉ
81&/$03 &/$03
࠙㹒㸰ࠚ
'2256,'(386+(5
ᡬഃࣉࢵࢩ࣮ࣕ
762/ 762/
ᒓရࢆ⏝㸦㹎࣏࣮ࢺ㸧
8VHGIRUDWWDFKHGXQLWVSSRUW
ࣥࢡࣛࣥࣉ
ࢡࣛࣥࣉ
81&/$03
&/$03
࠙㹓㹐㸯ࠚ
72:(5386+(55,*+7
ࢱ࣮࣡ഃࣉࢵࢩ࣮ࣕ㸦ྑ㸧
ࣥࢡࣛࣥࣉ
ࢡࣛࣥࣉ
81&/$03
&/$03
72:(5386+(5/()7
ࢱ࣮࣡ഃࣉࢵࢩ࣮ࣕ㸦ᕥ㸧
࠙㹓㹊㸯ࠚ
ࣉࢵࢩ࣮ࣕ㸦ୖ㸧
386+(5㸦833(5㸧
ࢱ࣮࣡㒊ࣃࣞࢵࢺࢡࣛࣥࣉࠉ㸦ୖ㸧
72:(53$//(7&/$03ࠉ㸦833(5㸧
ࢱ࣮࣡㒊ࣃࣞࢵࢺࢡࣛࣥࣉࠉ㸦ୗ㸧
72:(53$//(7&/$03ࠉ㸦/2:(5㸧
ȭ㸯㸴㹶㸯㸮㹱㹲
7/6 7/6
UNCLAMP
CLAMP
࠙㸯ࠚ
ࣥࢡࣛࣥࣉ
ࢡࣛࣥࣉ
81&/$03 &/$03
ȭ㸯㸴㹶㸯㸮㹱㹲
7/6 7/6
CLAMP
UNCLAMP
࠙㸰ࠚ
'2256,'(386+(5
ᡬഃࣉࢵࢩ࣮ࣕ
࠙T㸯ࠚ
762/ 762/
㹀
㸿
26 22
25
110
109
106
26 22
23
26 22
26 22
112
25
111
105
24 24
23
104
108
17
113
17
18
114
18
20
19 19
118
20
19 19
120116
117
22
119
115
21
23
107
103
987
10
10
10
23
26
26
22
22
138
134
25
137
25
2226
2226
140
133
139
24 24
23
136
132
17
141
17
145
18
20
1919
142 146
18
147
21
22
143
20
19
19
144 148
23
131
135
7
8
9
6
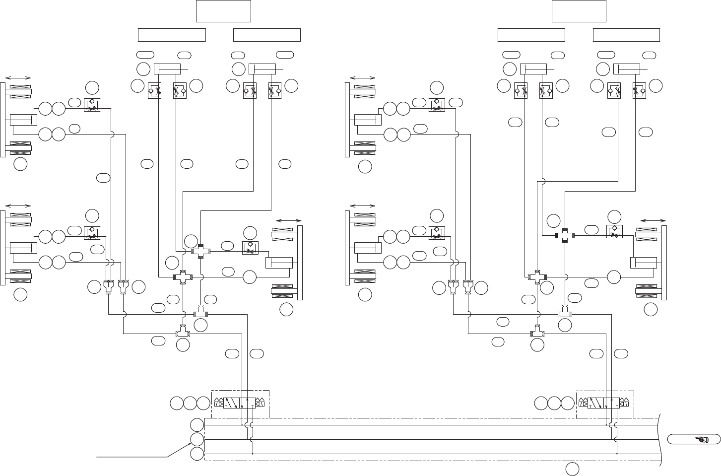
2QGTTH000116
ࢺࣞࣘࢽࢵࢺ/7࢚࣮㓄⟶ᅗ
TRAY UNIT-LT2 PNEUMATIC CIRCUIT DIAGRAM 1/2
80
PTS- NATULT2- 04

Ref.1/2
ȭ㸰㸮㹶㸯㸳
7/6
7/6
ࣉࢵࢩ࣮ࣕ㸦୰㸧
386+(5㸦0,''/(㸧
6833/<&/$:23(1&/26(
౪⤥㒊∎㛤㛢
6833/<&/$:23(1&/26(
౪⤥㒊∎㛤㛢
ȭ㸯㸴㹶㸯㸮㹱㹲
7/6 7/6
UNCLAMP
CLAMP
࠙㸱ࠚ
ȭ㸯㸴㹶㸯㸮㹱㹲
7/6 7/6
UNCLAMP
CLAMP
࠙㸲ࠚ
㸿
㹀
762/ 762/
UNCLAMP
CLAMP
㹀
㸿
6+877/(&+8&.
ࢩࣕࢺࣝࢳࣕࢵࢡ
3$//(7&+8&.
ࣃࣞࢵࢺࢳࣕࢵࢡ
㹀ࢳࣕࢵࢡ
㸿ࢳࣕࢵࢡ
㹀
㸿
㹀࡛ࢳࣕࢵࢡ㸦㹁㹗㹊㛤㸧
㸿࡛ࣥࢳࣕࢵࢡ㸦㹁㹗㹊㛢㸧
75$<81,76,'(
ࢺࣞࣘࢽࢵࢺഃ
0$&+,1(6,'(
⨨ഃ
20
1919
127122
24
24
121 126
129
124
19
19
20
4
9
7
8
5
11
11
102
1515
16
151
150
9
13
14
12
14
149
101
2
(1)
3
2QGTTH000116
ࢺࣞࣘࢽࢵࢺ/7࢚࣮㓄⟶ᅗ
TRAY UNIT-LT2 PNEUMATIC CIRCUIT DIAGRAM 2/2
81
PTS- NATULT2- 04