JM-50-Rev00PDFA.pdf - 第96页
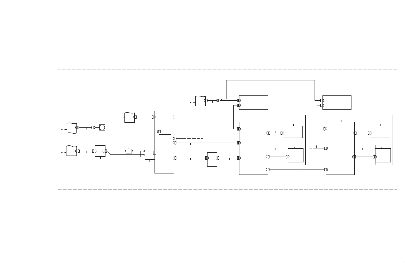
- 91 - 46. SYSTEM DIAGRAM (6) SYSTEM DIAGRA M ( 6 ) 㹃㹊㹃㹁㹒㹐㹇㹁㸿㹊ࠉ㹓㹌㹇㹒ࠉ㸿 㸱㹂ࠉ㹑㹃㹌㹑㹍 㹐ࠉ㹓㹌㹇㹒ࠉ㹍㹎 㹒㹇㹍㹌 㹁㹌㸰 㹁㹌㸯 㹋㹎㹑㸱㹂㸫㹎㹕㹐ࠉ㹎 㹁㹀 㹁㹌㸰 㹁㹌㸯 㹋㹎㹑㸱㹂㸫㹎㹕㹐ࠉ㹎 㹁㹀 㹑㹑㹂 㹊㸿㹌㸲 㸳㸫㸯㹁 㹊㸿㹌㸲 㹁㹎㹓ࠉ㹀㹍㸿㹐㹂 㸦㸴㸫㸰㹀㸧 㸦㸴㸫㸲㹀㸧 㸱㹂㹁㹎㹓㸫㹊㸿㹌㸯 㹊㸿㹌㸯 㹋㹎㹑㸱㹂㸫㹕㹊㹃㹂ࠉ㹎㹁㹀 㹁㹌㸯 㹁㹌…

- 90 -
NOTE( 注記 ) #01....OPTIONAL PARTS(EN) オプション部品(EN)
#02....OPTIONAL PARTS オプション部品
REF.NO NOTE PART NO D E S C R I P T I O N
品 名
Qty
1 401-82290 ATX 232C CABLE ASM2
ATX 232C ケーブル組2
1
2 EZ-1468979-11 POWER (ENSP-300P-S20-11S)
電源(ENSP−300P−S20−11S)
1
3 402-05765 CPU BOARD
CPUボード
1
4 402-06824 ENV SYS DSK ASM (JM100 MES)
環境ディスク組(JM100 SSD MES)
1
5
#02
402-05757 ATX-SPIMP PWR CABLE ASM2
ATX−SPIMP 電源ケーブル組
1
6
#02
401-29641 SUPER IMPOSE BOARD
スーパーインポーズボード
1
7
#02
401-29642 DVI CABLE L2.5M
DVIケーブル2.5M
1
8
#02
401-29084 SPIMP-F LCD SERIAL CABLE ASM
SPIMP−F LCD シリアルーブル組
1
9
#02
401-90366 SPIMP-F LCD PWR CABLE ASM
SPIMP−F LCD電源ケーブル組
1
10
#02
401-58158 15INCH LCD MONITOR
15インチ LCDモニタ
1
11
#02
401-82263 CPU-SP IMP SERIAL CABLE ASM
CPU−SP IMP シリアルケーブル組
1
12
#02
401-29643 DVI CABLE L4.0M
DVIケーブル4.0M
1
13
#02
401-29087 SPIMP-R LCD SERIAL CABLE ASM
SPIMP−R LCD シリアルケーブル組
1
14
#02
402-18818 SPIMP-R LCD PWR CABLE ASM
SPIMP−R LCD電源ケーブル組
1
15 401-29642 DVI CABLE L2.5M
DVIケーブル2.5M
1
16 401-29084 SPIMP-F LCD SERIAL CABLE ASM
SPIMP−F LCD シリアルケーブル組
1
17 401-58158 15INCH LCD MONITOR
15インチ LCDモニタ
1
18 402-05756 F LCD PWR CABLE ASM
F LCD 電源ケーブル組
1
19 EZ-1468979-11 POWER (ENSP-300P-S20-11S)
電源(ENSP−300P−S20−11S)
1
20 HK-0651200-80 MODULAR KAPLA
モジュラーカプラ
1
21
#01
HX-0066000-00 DUST COVER
ダストカバー
1
22 402-56187 ASM_JM50_POWER_SUPPLY_UNIT_B
JM50_電装ユニット_B
1
23
#01
402-56188 ASM_JM50_POWER_SPLY_UNIT_B_EN
JM50_電装ユニット_B_EN
1
24 401-89241 BASE L FAN RELAY CABLE ASM
ベースLファン中継ケーブル組
1
25 402-05758 BASE R FAN RELAY CABLE ASM
BASE R ファン中継ケーブル組
1
26 401-89090 DC FAN ASM
DCファン組
1
27 401-89243 TOP COVER FAN RELAY CABLE ASM
トップカバーファン中継ケーブル組
1
28 401-89244 TOP COVER FAN CABLE ASM
トップカバーファンケーブル組
1
29 400-44522 USB RELAY CABLE
USB延長ケーブル
1
30
#01
HX-0066700-00 DUST COVER
ダストカバー
1
31 HW-0018100-80 LAN CABLE
LANケーブル
1
32 401-73482 USB BARCORD READER CABLE(4M)
USBバーコードリーダーケーブル(4M)
1
33 EZ-1458644-11 READER BAR CODE
バーコードリーダー(GD4430−BK)
1
34 401-73481 USB REPEATER CABLE
USBリピーターケーブル
1
35 401-29932 2D PROTECT MODULE(USB)
2Dプロテクトモジュール(USB)
1
36 401-35433 8-PORT COM BOARD
8−PORT COMボード
1
37 EZ-1468979-11 POWER (ENSP-300P-S20-11S)
電源(ENSP−300P−S20−11S)
1
38 401-39308 SCANNER ADAPTER CABLE
スキャナ接続ケーブル
1
39 401-39307 HIGH FLEXIBLE CABLE
屈曲ケーブル
1
40 401-99830 BARCODE READER
バーコードリーダー
1
41 402-13470 MULTI SENS POWER CABLE ASM
マルチセンサ電源ケーブル組
1

- 91 -
46.SYSTEM DIAGRAM (6)
SYSTEM DIAGRAM ( 6 )
㹃㹊㹃㹁㹒㹐㹇㹁㸿㹊ࠉ㹓㹌㹇㹒ࠉ㸿
㸱㹂ࠉ㹑㹃㹌㹑㹍㹐ࠉ㹓㹌㹇㹒ࠉ㹍㹎㹒㹇㹍㹌
㹁㹌㸰
㹁㹌㸯
㹋㹎㹑㸱㹂㸫㹎㹕㹐ࠉ㹎㹁㹀
㹁㹌㸰
㹁㹌㸯
㹋㹎㹑㸱㹂㸫㹎㹕㹐ࠉ㹎㹁㹀
㹑㹑㹂
㹊㸿㹌㸲
㸳㸫㸯㹁
㹊㸿㹌㸲
㹁㹎㹓ࠉ㹀㹍㸿㹐㹂
㸦㸴㸫㸰㹀㸧
㸦㸴㸫㸲㹀㸧
㸱㹂㹁㹎㹓㸫㹊㸿㹌㸯
㹊㸿㹌㸯
㹋㹎㹑㸱㹂㸫㹕㹊㹃㹂ࠉ㹎㹁㹀
㹁㹌㸯
㹁㹌㸰
㹁㹌㸴
㹁㹌㸯
㹎㹍㹕㹃㹐ࠉ㹑㹓㹎㹎㹊㹗ࠉ㹓㹌㹇㹒ࠉ㹀
㸴㸫㸰㸿
㹁㹌㸮㸮㸯㸮
㹁㹌㸯㸮
㹁㹎㹁㹇ࠉ㹀㸿㹁㹉㹀㹍㸿㹐㹂
㹁㹌ࠉ㸿㸯㸰
㸲㸫㸳㹁
㹁㹌ࠉ㸿㸯㸰
㸴㸫㸰㸿
㹄㸿㹌
㹄㸿㹌
㹂㹁ࠉ㹄㸿㹌
㹎㹍㹕㹃㹐ࠉ㹑㹓㹎㹎㹊㹗ࠉ㹓㹌㹇㹒ࠉ㹀
㸳㸫㸱㹀
㹁㹌㸮㸮㸯㸯
㹁㹌㸯㸯
㹋㹎㹑㸱㹂㸫㹂㹋㹂ࠉ㹎㹁㹀
㹎㹐㹍㹈㹃㹁㹒㹍㹐
㹂㹋㹂㹝㹂㹃㹔㹇㹁㹃
㹁㹌㸰
㹁㹌㸯
㹋㹎㹑㸱㹂㸫㹕㹊㹃㹂ࠉ㹎㹁㹀
㹁㹌㸯
㹄㹍㹐ࠉ㹋㹎㹑㸱㹂㸫㹂㹐㹔ࠉ㹎㹁㹀ࠉ㸦㹑㹊㸿㹔㹃㸧
㹄㹍㹐ࠉ㹁㹎㹓ࠉ㹀㹍㸿㹐㹂
㹓㹑㹀㸱 㸮㹓㹑㹀㸱 㸮
㹓㹑㹀㸰
㸮
㹓㹑㹀㸰
㸮
㹋㹎㹑㸱㹂㸫㹂㹐㹔ࠉ㹎㹁㹀ࠉ㸦㹑㹊㸿㹔㹃㸧㹋㹎㹑㸱㹂㸫㹂㹐㹔ࠉ㹎㹁㹀ࠉ㸦㹋㸿㹑㹒㹃㹐㸧
㹁㸿㹋㹃㹐㸿
㹁㹌㸯㸮
㹁㹌㸵
㹁㹌㸳
㹁㹌㸰
㹁㹌㸷
㹁㹌㸵
㹁㹌㸳
㹁㹌㸯
㹎㹑㹁㸫㹁㹌㸯
㹎㹆㸿㹑㹃ࠉ㹑㹆㹇㹄㹒ࠉ㹁㹎㹓ࠉ㹀㹍㸿㹐㹂
㹁㹎㸫㹎㹑ࠉ㸦㸰㸮㸿㸧
㹁㹎㸫㹎㹑㸫㹍㹓㹒
㹁㹎㸫㹎㹑㸫㹇㹌
㹎㹆㸿㹑㹃ࠉ㹑㹆㹇㹄㹒
㹎㹍㹕㹃㹐ࠉ㹓㹌㹇㹒
㹎㹑㸫㹁㹌㸳㸯
㹁㹌㸳㸯
㸯 㸰㸳㸴
㸱㸵
㸲
㸶
㸯㸮
㸯㸯
㸯㸱
㸯㸲
㸷
㸯㸰
㸯㸴
㸯㸳
㸯㸵 㸯㸶
㸰㸲
㸰㸳
㸰㸰
㸯
㸰
㸯㸷
㸰㸮
㸰㸯
㸰㸰
㸰㸴 㸰㸵
㸰㸶
㸰㸷
㸱㸯
㸯㸵
㸰㸶
㹎㹐㹍㹈㹃㹁㹒㹍㹐
㸱㸮
㹁㹌㸯
㹁㹌㸰
㹂㹋㹂㹝㹂㹃㹔㹇㹁㹃
㹋㹎㹑㸱㹂㸫㹂㹋㹂㸰ࠉ㹎㹁㹀
㸰㸷
㹁㹌㸯
㸰㸴
㸰㸯
㸰㸱
㸰㸱

- 92 -
NOTE( 注記 ) #01....OPTIONAL PARTS(EN) オプション部品(EN)
REF.NO NOTE PART NO D E S C R I P T I O N
品 名
Qty
1 402-06696 ASM_JM100_POWER_SUPPLY_UNIT_B
JM100_電装ユニット_B
1
2
#01
402-06708 ASM_JM100_POWER_SPLY_UNIT_B_EN
JM100_電装ユニット_B_EN
1
3 402-13484 CPU BOARD FAN CABLE ASM
CPUボードファンケーブル組
1
4 401-89090 DC FAN ASM
DCファン組
1
5 402-00913 ELECTRICAL UNIT A
電装ユニット_A
1
6
#01
402-00914 ELECTRICAL UNIT A EN
電装ユニット_A EN
1
7 402-13495 PWR INPUT CABLE ASM
パワー入力ケーブル組
1
8 HX-0070500-00 POWER SUPPLY
パワーサプライ
1
9 HA-0052700-0E CIRCUIT PROTECTOR
サーキットプロテクタ
1
10 402-13483 CP-PS-OUT CABLE ASM
CP−PS−OUTケーブル組
1
11 402-13482 CPU PWR CABLE ASM
CPU電源ケーブル組
1
12 400-97423 CPCI BACK BOARD
CPCIバックボード
1
13 402-05765 CPU BOARD
CPUボード
1
14 402-13496 3DCPU LAN CABLE ASM
3D CPU LANケーブル組
1
15 402-05765 CPU BOARD
CPUボード
1
16 402-07722 SSD
”2.5”SSD 30GB MLC
1
17 401-95640 MPS3D USB CABLE MICRO
USB 2.0ケーブル A MINI−B 3M
1
18 401-95641 MPS3D USB 3.0 CABLE
USB 3.0ケーブル A MICRO−B 3M
1
19 401-95635 MPS3D-POWER WIRE ASM
電源束線組
1
20 401-95636 MPS3D-BOARD POWER WIRE ASM
基板電源束線組
1
21 402-07727 MPS3D-PWR PCB ASM
MPS3D−PWR基板組図
1
22 401-95643 MPS3D-B2B POWER WIRE ASM
基板間電源束線組
1
23 401-95609 MPS3D-DRV PCB ASM
MPS3D−DRV基板組図
1
24 401-95642 USB 3.0 CAMERA
USB 3.0カメラ
1
25 401-95638 MPS3D-CAMERA IO WIRE ASM
カメラIO束線組
1
26 401-95637 MPS3D-LED POWER WIRE ASM
LED電源束線組
1
27 401-95610 MPS3D-DMD1 PCB ASM
MPS3D−DMD1基板組図
1
28 402-55335 MPS3D-WLED PCB ASM
MPS3D−WLED基板組図
1
29 402-56011 MPS3D-MICROMIRROR ARRAY
マイクロミラーアレイ
1
30 401-95646 MPS3D-DMD2 PCB ASM
MPS3D−DMD2基板組図
1
31 401-95639 MPS3D-BOARD GPIO WIRE ASM
基板汎用IO束線組
1