NPM-TT2 电路图.pdf - 第115页
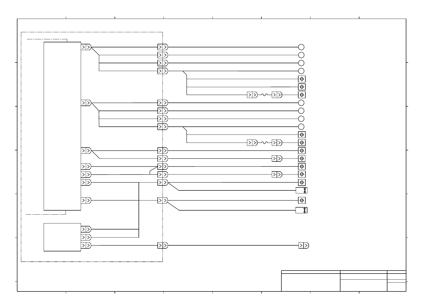
-K321 CNTM1 M -M603 L1 Width Adjustment ORG,-OVR PNF0B4 Power Unit -A02 L1 Right Conveyor Motor ILK Board -B1C01 1M603R M -M607 L1 Width Adjustment Motor 1M607R IM606R Single Mode Detection -B1C03 1M602R M -M602 L1 Mount…

-K321
CNTM1
M
-M603
L1 Width Adjustment ORG,-OVR
PNF0B4
Power Unit
-A02
L1 Right Conveyor Motor
ILK Board
-B1C01
1M603R
M
-M607
L1 Width Adjustment Motor
1M607R
IM606R
Single Mode Detection
-B1C03
1M602R
M
-M602
L1 Mount Position Conveyor Motor
PNF0B3
I/O Board #1
MTKA005506**:Main Body Wiring:NPM-TT2
L1 Support Pin Detection (Receiver,Projector)
-B1C02
-B1C00
M
-M606
L2 Right Conveyor Motor
CNTM2
M
-M601
L1 Left Conveyor Motor
1M605R
M
-M605
L2 Mount Position Conveyor Motor
CNTL
1B1117R,2B1117R
-B1112,-B1117,-B1124,-B1125,-B1134 PCB Detection
-B1126,-B1127,-B1133,-B1134 PCB Detection
1B1126R,2B1126R
CNTR1
1B1115R,2B1115R
-B1113,-B1115,-B1122,-B1123,-B1136 PCB Detection
-B1120,-B1121,-B1130,-B1136 PCB Detection
1B1120R,2B1120R
CNUP2
CNTR2
CN30
CN31
-B1235,-B1236 PCB Support Up,Down,ILK
-R4134, -R4135, -R4222 PCB Support Up,Down
1M604R
M
-M604
L2 Left Conveyor Motor
1M608R
M
-M608
L2 Width Adjustment Motor
L2 Width Adjustment ORG
-B1D01
-B1D00
L2 Support Pin Detection (Receiver,Projector)
1M601R
CNCOV
1B1223R
-B1223,-B1224,-B1225,-B1226,-B1227
Transfer Specification.
CN30R
-B1244,-B1245 PCB Support Up,Down,ILK
-R4136, -R4137,-R4223 Support Change Up,Down
CN31R
CNSPOT2
-K322
Panasonic Factory Solutions Co.,Ltd. パナソニック ファクトリーソリューションズ株式会社
Name
Drawing No.
Loc. No.
F4K1020-05A
1
2 3 4 5 6 7 8
A
B
C
D
E
F
1 2 3 4 5 6 7 8
A
B
C
D
E
F
Page. No.
Dual Conveyor Wiring:NPM-TT2
(Block Diagram)
MTKA005518+002AB
P002

L1 Right
Conveyor Motor
1
2
3
14
6
4
5
7
8
9
12
13
10
11
15
16
17
18
-M603
+V24(M)
GND(M)
+V24(C)
GND(C)
M-REV01
OUT110
M-SPD01
EMG10
D+MAIN
D-MAIN
N.C.
GND(C)
+V24(M)
GND(M)
+V24(C)
GND(C)
M-REV03
OUT112
M-SPD03
EMG11
D+MAIN
D-MAIN
N.C.
GND(C)
1
2
3
14
6
4
5
7
8
9
12
13
10
11
15
16
17
18
-M601
L1 Left
Conveyor Motor
P24(M)
GND(M)
P24(C)
GND(C)
Revers
STR/STP
SPD_H/L
EMG
DATA+
DATA-
CW/CCW
BUSY
OUT1
OUTPUT COM
NC
NC
NC
NC
P24(M)
GND(M)
P24(C)
GND(C)
Revers
STR/STP
SPD_H/L
EMG
DATA+
DATA-
CW/CCW
BUSY
OUT1
OUTPUT COM
NC
NC
NC
NC
RD
RD/WH
BK
BK/WH
GN
GN/WH
YE
YE/WH
BN
BN/WH
BU
BU/WH
2464C(BPF)VVP AWG#24×6P-B
RD
RD/WH
BK
BK/WH
GN
GN/WH
YE
YE/WH
BN
BN/WH
BU
BU/WH
2464C(BPF)VVP AWG#24×6P-B
MTKC003500AB
MTKC003501AB
MOLEX
1M601P
5559-12P-210
12
11
10
9
8
7
6
5
4
3
2
1
MOLEX
1M601R
5557-12R-210
1
2
3
4
5
6
7
8
9
10
11
12
JST
M601
PHDR-18VS
18
17
16
15
11
10
13
12
9
8
7
5
4
6
14
3
2
1
JST
M603
PHDR-18VS
18
17
16
15
11
10
13
12
9
8
7
5
4
6
14
3
2
1
MOLEX
1M603P
5559-12P-210
12
11
10
9
8
7
6
5
4
3
2
1
MOLEX
1M603R
5557-12R-210
1
2
3
4
5
6
7
8
9
10
11
12
Note1)
Note1)
Note1) Connector pin arrangement is not sequential.
MTKA005506**:
Main Body Wiring:NPM-TT2
2464-1061/ⅡA(PF) LF 6P×24AWG
1
2464-1061/ⅡA(PF) LF 6P×24AWG
1
Panasonic Factory Solutions Co.,Ltd. パナソニック ファクトリーソリューションズ株式会社
Name
Drawing No.
Loc. No.
F4K1020-05A
1
2 3 4 5 6 7 8
A
B
C
D
E
F
1 2 3 4 5 6 7 8
A
B
C
D
E
F
Page. No.
Dual Conveyor Wiring:NPM-TT2
(Conveyor Motor 1)
MTKA005518+003AB
P003