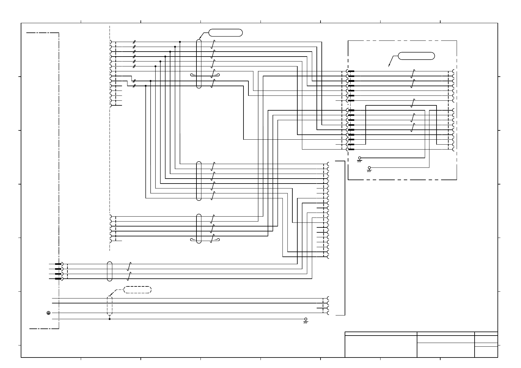
NPM-TT2 电路图.pdf - 第72页
-A02 Power Unit RD RD/WH BK BK/WH GN GN/WH YE YE/WH BN BN/WH 2464C(BPF)VVP AWG#24×5P-B 1 2 3 MOLEX CARTF4P 5559-14P-210 4 5 6 7 8 9 10 11 12 13 14 RD RD/WH BK BK/WH GN GN/WH 2464C(BPF)VVP AWG#20×3P-B RD RD/WH GN GN/WH 24…

-A02
Power Unit
LC2
P24
G24
1
2
3
4
5
6
P24
G24
N.C
FG
-K303
PPRCAH
-A01
CPU Box
Capture Board
CN3
GND/12V
GND
X0-
X0+
X1-
X1+
X2-
X2+
XCLK-
XCLK+
X3-
X3+
SERTC+
SERTC-
CC1-
CC1+
SERTFG-
SERTFG+
GND
GND/12V
CC2+
CC2-
CC3-
CC3+
CC4+
CC4-
1
14
25
12
24
11
23
10
22
9
21
8
20
7
18
5
19
6
13
26
17
4
16
15
3
2
Note1) Connector Pin arrangement is not sequential.
-A42
CN1
P24
G24
P24
G24
1
3
2
4
Multi Recognition Camera
(Rear)
GND/12V
GND
X0-
X0+
X1-
X1+
X2-
X2+
XCLK-
XCLK+
X3-
X3+
SERTC+
SERTC-
CC1-
CC1+
SERTFG-
SERTFG+
GND
GND/12V
1
14
2
15
3
16
4
17
5
18
6
19
7
20
9
22
8
21
13
26
10
23
11
12
24
25
CC2+
CC2-
CC3-
CC3+
CC4+
CC4-
CN2
LB
DRAIN
BN
YE
BN
GN
WH
BN
GN
RD
DRAIN
WH
BN
GN
BU
WH
BN
DRAIN
BN
GN
YE
CAML-E-2930
HONDA
CN3K303
HDR-E26MG+
1
14
25
12
24
11
23
10
22
9
21
8
20
7
18
5
19
6
13
26
17
4
16
3
15
2
HONDA
CN2A42
HDR-E26MG+
25
12
24
11
23
10
26
13
21
8
22
9
20
7
19
6
18
5
17
4
16
3
15
2
14
1
Note1) Note1)
FGA41/42
R2-4
JST
MTKC003320AC
N510059144AA
MOLEX
LC2A02
5557-06R-210
6
5
4
3
2
1
MOLEX
CN1A42
5557-04R-210
4
3
2
1
BK/WH
BK
RD/WH
RD
-R122
TDK
ZCAT3035-1330
-R123
TDK
ZCAT3035-1330
FG1A41/42
R2-4
JST
UL1015 16AWG BK
2464-1061/ⅡA-SBX(PF) LF 2P×22AWG
2464C(BPF)VVP AWG#22×2P-B
MTKC003356AA
2464-1061/ⅡA(PF) LF 2P×22AWG
2
Panasonic Factory Solutions Co.,Ltd. パナソニック ファクトリーソリューションズ株式会社
Name
Drawing No.
Loc. No.
F4K1020-05A
1
2 3 4 5 6 7 8
A
B
C
D
E
F
1 2 3 4 5 6 7 8
A
B
C
D
E
F
Page. No.
NPM-TT2:Main Body Wiring
(Multi Recognition Camera Rear)
MTKA005506+024AC
P024

-A02
Power Unit
RD
RD/WH
BK
BK/WH
GN
GN/WH
YE
YE/WH
BN
BN/WH
2464C(BPF)VVP AWG#24×5P-B
1
2
3
MOLEX
CARTF4P
5559-14P-210
4
5
6
7
8
9
10
11
12
13
14
RD
RD/WH
BK
BK/WH
GN
GN/WH
2464C(BPF)VVP AWG#20×3P-B
RD
RD/WH
GN
GN/WH
2464C(BPF)VVP AWG#20×3P-B
BK
BK/WH
1
2
3
MOLEX
CARTF6P
5559-14P-210
4
5
6
7
8
9
10
11
12
13
14
P24
G24
P24
G24
FG
NC
CARTF1
TXD1+
TXD1-
RXD1+
RXD1-
GND
IN110
IN044
Safety 24VOUT
Front SFR 24V
NC
NC
NC
NC
NC
NC
NC
CARTF2
RXD+
RXD-
TXD+
TXD-
GND
IN110
IN044
CHK1a
CHK1b
TXD+
TXD-
RXD+
RXD-
NC
P24
G24
P24
G24
FG
NC
TXD+
TXD-
RXD+
RXD-
GND
IN110
IN044
CHK1a
CHK1b
NC
NC
NC
NC
NC
MTKC003328AB
13-Slot Feeder Unit (Front)
CARTF6R
P026-2A
CARTF7R
P026-2D
P24
G24
P24
G24
FG
P24
G24
P24
G24
FG
MTKC003329AB
BU UL1007 24AWG BU
UL1007 24AWG BU BU
BU
UL1007 24AWG BU
UL1007 24AWG BU BU
BU
UL1007 24AWG BU
UL1007 24AWG BU BU
BU
UL1007 24AWG BU
UL1007 24AWG BU BU
BU
UL1007 24AWG BU
1
2
3
4
5
6
7
8
9
10
11
12
13
14
15
16
1
2
3
4
5
6
7
8
9
10
MOLEX
CARTF1A02
5557-16R-210
1
2
3
4
5
6
7
8
9
10
11
12
13
14
15
16
MOLEX
CARTF2A02
5557-10R-210
1
2
3
4
5
6
7
8
9
10
MOLEX
CARTF5P
5559-06P-210
6
5
4
3
2
1
MOLEX
CARTF7P
5559-06P-210
6
5
4
3
2
1
2464-1061/ⅡA(PF) LF 5P×24AWG
1
2464-1061/ⅡA(PF) LF 3P×20AWG
1
2464-1061/ⅡA(PF) LF 3P×20AWG
1
Panasonic Factory Solutions Co.,Ltd. パナソニック ファクトリーソリューションズ株式会社
Name
Drawing No.
Loc. No.
F4K1020-05A
1
2 3 4 5 6 7 8
A
B
C
D
E
F
1 2 3 4 5 6 7 8
A
B
C
D
E
F
Page. No.
NPM-TT2:Main Body Wiring
(Supply Unit I/F Front 1)
MTKA005506+025AB
P025

-A02
Power Unit
RD
RD/WH
BK
BK/WH
GN
GN/WH
YE
YE/WH
BN
BN/WH
2464C(BPF)VVP AWG#24×5P-B
P24
G24
P24
G24
FG
NC
RD
RD/WH
GN
GN/WH
2464C(BPF)VVP AWG#20×3P-B
BK
BK/WH
G24
P24
TXD+
TXD-
IN044
CHK1a
CHK2b
FG
G24
P24
RXD+
RXD-
IN110
CHK1b
CHK2b
GND
TXD+
TXD-
RXD+
RXD-
GND
NC
NC
SVONSW1
G24
NC
EMG+
EMG-
IN110
NC
NC
CHK1
CHK1
NC
CHK2
CHK2
2464C(BPF)VVP AWG#24×2P-B
RD
RD/WH
BK
BK/WH
CARTF3
SVONSW1
24GND
EMG+
EMG-
L21bX1
L31bX1
FG1TRAY.PF
FGTRAY.PF
R5.5-4
JST
BK2
BK1
GN/YE
Single Tray Unit
(Front)
EbX1
UE/2501E-SBX(N)[Y/G]BK LF 3×16AWG
U-TKVV 4P-AWG24
RD
RD/WH
BK
BK/WH
GN
GN/WH
YE
YE/WH
TDX+
TXD-
RXD+
RXD-
GND
IN110
IN044
CHK1a
CHK1b
NC
NC
NC
NC
NC
MTKC003325AB
CARTF6P
P025-7D
CARTF7P
P025-7F
17-Slot Feeder Cart
(Front)
N610102870** Coupler Extension Part Wiring:NPM
N610074763AE
FG
TMEE1.25-4
NICHIFU
FG
TMEE1.25-4
NICHIFU
BU UL1007 20AWG BU
UL1007 20AWG BU BU
BU
UL1007 20AWG BU
UL1007 20AWG BU BU
BU
UL1007 20AWG BU
UL1007 20AWG BU BU
BU
UL1007 24AWG BU
UL1007 24AWG BU BU
BU
UL1007 24AWG BU
UL1007 24AWG BU BU
BU
UL1007 24AWG BU
UL1007 24AWG BU BU
BU
UL1007 24AWG BU
UL1007 24AWG BU BU
BK
UL1007 20AWG BK
UL1007 20AWG BK BK
MTKC003390**
MOLEX
TRAY.SF
51238-2011
D5
D4
D3
C5
C4
B5
B4
B1
B3
B2
A5
A4
A3
A2
A1
C3
D2
D1
C2
C1
MOLEX
TRAY.PF
51300-0414
B2
B1
A2
A1
Note1) Connector pin arrangement is not sequential.
Note1)
JAE
CART.R
DM1R016PA1
16
15
14
13
12
11
10
9
8
7
6
5
4
3
2
1
JAE
CART.P
DM1P016SA1
1
2
3
4
5
6
7
8
9
10
11
12
13
14
15
16
JAE
CART.F
DM1R016PA1
16
15
14
13
12
11
10
9
8
7
6
5
4
3
2
1
1
2
3
4
MOLEX
CARTF3A02
5557-04R-210
4
3
2
1
MOLEX
CARTF7R
5557-06R-210
6
5
4
3
2
1
MOLEX
CARTF6R
5557-14R-210
1
2
3
4
5
6
7
8
9
10
11
12
13
14
2464-1061/ⅡA(PF) LF 5P×24AWG
2
2464-1061/ⅡA(PF) LF 4P×24AWG
2
2464-1061/ⅡA(PF) LF 3P×20AWG
2
2464-1061/ⅡA(PF) LF 2P×24AWG
2
Panasonic Factory Solutions Co.,Ltd. パナソニック ファクトリーソリューションズ株式会社
Name
Drawing No.
Loc. No.
F4K1020-05A
1
2 3 4 5 6 7 8
A
B
C
D
E
F
1 2 3 4 5 6 7 8
A
B
C
D
E
F
Page. No.
NPM-TT2:Main Body Wiring
(Supply Unit I/F Front 2)
MTKA005506+026AC
P026