NPM-TT2 电路图.pdf - 第49页
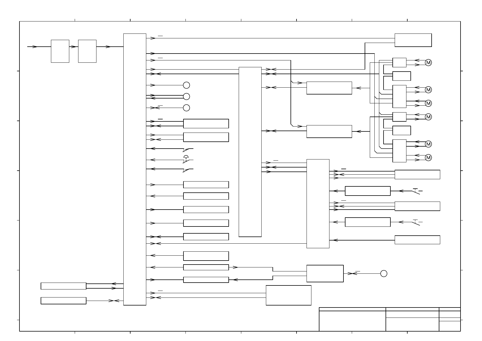
M Vacuum Pump -G201 Line Signals EMG SW -S201,-S202 Head -S101,-S103 Main SW System Breaker Trans 3~ 200 V Power Unit -A02 CPU Box -A01 3~ 200 V M 1~ 200 V Pump Cooling Fan -G111 Cart Unit (Front,Rear) -F101 24 V 1~ 200 …

M
Vacuum Pump
-G201
Line Signals
EMG SW
-S201,-S202
Head
-S101,-S103
Main SW
System
Breaker
Trans
3~ 200 V
Power
Unit
-A02
CPU
Box
-A01
3~ 200 V
M
1~ 200 V
Pump Cooling Fan
-G111
Cart Unit
(Front,Rear)
-F101
24 V
1~ 200 V
1~ 200 V
(Front)
-A42
Valve
-R4*
Sensor
-B1*
-T001
24 V
-A03
Safety Cover SW
-S301,-S302,-S303,-S304
Multi Recognition Camera
-A41
Main Air Valve
-R5001
-XL,-XR
Main Air Pressure
-B1033
Out of Work Light
-B2002,-B2003
Signal Tower
-B2001
3~ 200 V
Panel
Control
-K328
Touch Panel
(Front)
-K329
Operation SW Board
(Front)
-A04
Touch Panel
(Rear)
-K330
Operation SW Board
(Rear)
Start SW
-S104,-S114
-A31,-A32
-A51,-A52
-A11,-A12
Scanner
-A61,-A62
Nozzle Changer
-A47,-A48
1~ 200 V
-S111,-S113
Dual Conveyor
Unit
-A24
24 V
24 V
-B1020,-B1021
Transportation Opening
Sensor
I/O Board
-K322
Roof Cooling Fan
-G103,-G104
(Rear)
Multi Recognition Camera
Tray Unit
(Front,Rear)
Board
Motor
Driver
-K501
-K502
Motor
Driver
-K512
Motor
Driver
-K503
-K504
Motor
Driver
-K514
Linear Motor
FY-Axis
Linear Motor
Linear Motor
FX-Axis
FY-Axis
-M501
-M502
-M506
Linear Motor
RY-Axis
Linear Motor
Linear Motor
RX-Axis
RY-Axis
-M503
-M504
-M508
3~200,220,380
,400,420,480 V
24 V
24 V
24 V
Capacitor
Capacitor
Tray Feeder Detection 1~4
-S401~-S404
Feeder Safety Cover 1~4
M
Pump Cooling Fan2
-G105
24 V
Panasonic Factory Solutions Co.,Ltd. パナソニック ファクトリーソリューションズ株式会社
Name
Drawing No.
Loc. No.
F4K1020-05A
1
2 3 4 5 6 7 8
A
B
C
D
E
F
1 2 3 4 5 6 7 8
A
B
C
D
E
F
Page. No.
NPM-TT2:Main Body Wiring
(Block Diagram)
MTKA005506+002AB
P002
M
24 V

UL1015 12AWG BK UL1015 12AWG BK
UL1015 12AWG BK
UL1015 12AWG BK
UL1015 12AWG BK
UL1015 12AWG BK BK
UL1015 12AWG BK BK
-X001
N510013513AA
Asada Metal Industry
4aF101
6aF101
2aF101
JST
1aF101
FK5.5-5
JST
3aF101
5aF101
-F101
NF100-SRU 3P 15A
(15A)
1
2
3
4
5
6
Mitsubishi Electric
UaT001
AI4-10GY
PHOENIX CONTACT
VaT001
AI4-10GY
PHOENIX CONTACT
WaT001
AI4-10GY
PHOENIX CONTACT
CPTUT001
AI4-10GY
PHOENIX CONTACT
CPTVT001
CPTWT001
-A02
Power Unit
L11aX1
AI4-10GY
PHOENIX CONTACT
L21aX1
L31aX1
EdX1
L1
L2
L3
PE
EaX1
L1
L2
L3
-X101
TB-X101(F000035)
1 1
2 2
3 3
4 4
PHOENIX CONTACT
L1bX101
AI4-12GY
PHOENIX CONTACT
L2bX101
L3bX101
EX101
ET001
AI4-10GY
PHOENIX CONTACT
EV01
R5.5-4
JST
2aV01 5aV01
4aV01
FK5.5-S4
JST
1aV01
FK5.5-S4
JST
3aV01 6aV01
E4X001
5.5-S4
JST
4bF101
6bF101
-V01
NF3020C-SVB
1
2
3
4
5
6
SOSHIN ELECTRIC
-X111
L11
L21
L31
CPT
CP1(15A)
TB-A
TB-A
TB-A
PRI
SEC
CPT
TB-A
TB-A
TB-A
-T001
TE3N-4.8K-GR/TD-16672-A
U1 480V
U2 420V
U3 400V
U4 380V
U5 220V
U6 200V
V1 480V
V2 420V
V3 400V
V4 380V
V5 220V
V6 200V
W1 480V
W2 420V
W3 400V
W4 380V
W5 220V
W6 200V
N1
CPTU
CPTV
CPTW
N1
TAISEI DENKI
2bF101
FK5.5-5
E2X001
5.5-S4
JST
E3X001
5.5-S4
JST
E1X001
5.5-S4
JST
-F201
LV550DI-U4(250)
BK
BK
BK
GN/YE
Okaya Electric Industries
AH-6 BLACK AWG6/16in
AH-6 ORANGE AWG6/16in
AH-6 BLACK AWG5/16in
-R101
TDK
ZCAT3035-1330
MTKC003360AA
MTKC003361AB
MTKC003362AB
N610161405AB
MTKC003363AA MTKC003364AA
UL1015 12AWG BK BK
UL1015 12AWG GN/YE GN/YE
UL1015 12AWG GN/YE GN/YE
BK
UL1015 12AWG BK BK
BK
UL1015 12AWG GN/YE GN/YE
BK
BK
UL1015 12AWG BK BK
UL1015 12AWG GN/YE
UL1015 12AWG BK BK
GN/YE
BK
UL1015 12AWG BK BK
MTKC003362**
MTKC003362**
Panasonic Factory Solutions Co.,Ltd. パナソニック ファクトリーソリューションズ株式会社
Name
Drawing No.
Loc. No.
F4K1020-05A
1
2 3 4 5 6 7 8
A
B
C
D
E
F
1 2 3 4 5 6 7 8
A
B
C
D
E
F
Page. No.
NPM-TT2:Main Body Wiring
(AC200V Input)
MTKA005506+003AB
P003