NPM-TT2 电路图.pdf - 第91页
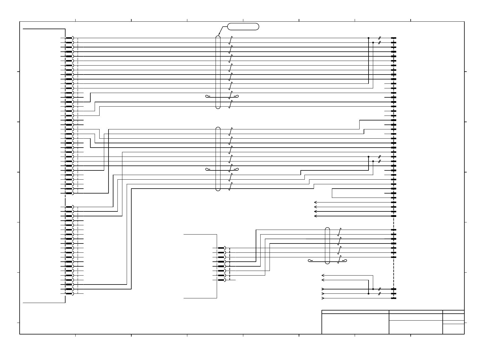
Left Side Transportation Opening Sensor (Projection) Left Side Transportation Opening Sensor (Receive) Right Side Transportation Opening Sensor (Projection) Right Side Transportation Opening Sensor (Receive) -B1021T E3ZS…

CNEXR-M
1
2
3
4
5
6
7
8
9
10
11
12
13
14
15
16
17
18
19
20
21
22
23
24
25
26
27
28
29
30
31
32
33
34
35
P24(M)
GND(M)
P24(C)
GND(C)
M-REV31
OT120
M-SPD31
EMG10
D+Main
D-Main
P24(M)
GND(M)
P24(C)
GND(C)
+24V
GND
IN114
OT106
V24(M)
GND(M)
S-REV31
OT121
S-SPD31
EMG20
D+SUB
D-SUB
V24(M)
GND(M)
IN116
OT113
OT140
OT141
OT142
OT143
IN043
Extension
Conveyor
(Right Side)
-K321
PNF0B4
ILK Board #1
MTKC003302AC
CNEXR-S
1
2
3
4
5
6
7
8
9
10
11
12
13
14
15
16
17
18
19
20
V24(M)
GND(M)
EMG20
COMS
D+MAIN
D-MAIN
+24V
LN006
GND
LN007
GND
OT006
OT007
V24(C)
GND(C)
EMG10
OT126+
D+SUB
D-SUB
+24V
IN242
P042-6C
IN243
P042-6C
G24EXR
P042-6C
IN237
P042-6C
U-TKVV 4P-AWG24
RD
RD/WH
BK
BK/WH
GN
GN/WH
YE
YE/WH
Power Unit
-A02
1
2
3
4
5
6
7
8
P24(M)
GND(M)
P24(C)
GND(C)
M-REV31
OT120
M-SPD31
EMG10
D+Main
D-Main
+24V
S-REV31
OT121
S-SPD31
EMG20
V24(M)
GND(M)
IN116
D+SUB
D-SUB
CHECK4
CHECK4
A1
K1K2OUT
P24
G24
RL2
P24
G24
OPENXR
RD
RD/WH
BK
BK/WH
GN
GN/WH
YE
YE/WH
BN
BN/WH
BU
BU/WH
GY
GY/WH
2464C(BPF)VVP AWG#24×7P-B
RD
RD/WH
BK
BK/WH
GN
GN/WH
YE
YE/WH
BN
BN/WH
BU
BU/WH
GY
GY/WH
OG
OG/WH
2464C(BPF)VVP AWG#24×8P-B
IN114
OT106
IN043
OT113
IN242
IN243
G24EXR
IN237
P24XRP
P044-2D
G24XRP
P044-2D
P24XRR P044-2D
G24XRR P044-2D
OPENXR P044-2E
CNEXR01
P24
G24
RL2
CHECK4
CHECK4
K1K2OUT
A1
NC
UL1007 24AWG BU BU
Note1) Connector pin arrangement is not sequential.
Note1)
JST
CNEXR-MK321
PUDP-36V-S
1
2
3
4
5
6
7
8
9
10
11
12
13
14
15
16
17
18
19
20
21
22
23
24
25
26
27
28
29
30
31
32
33
34
35
JST
CNEXR-SK321
PUDP-26V-S
1
2
3
4
5
6
7
8
9
10
11
12
13
14
15
16
17
18
19
20
MOLEX
CNEXR01R
5557-08R-210
8
7
6
5
4
3
2
1
MOLEX
CNEXR
51233-5011
D8
E9
E8
C10
C6
C5
C9
C8
D5
A4
A3
C4
C3
C2
C1
B9
D7
D2
B10
A8
A7
D6
D4
B7
D1
B8
C7
B6
B5
B4
B3
B2
B1
A6
A5
A2
A1
E10
D10
D9
E7
A10
D3
A9
E4
E3
E2
E1
E5
E6
2464-1061/ⅡA(PF) LF 8P×24AWG
2
2464-1061/ⅡA(PF) LF 7P×24AWG
2
2464-1061/ⅡA(PF) LF 4P×24AWG
2
Panasonic Factory Solutions Co.,Ltd. パナソニック ファクトリーソリューションズ株式会社
Name
Drawing No.
Loc. No.
F4K1020-05A
1
2 3 4 5 6 7 8
A
B
C
D
E
F
1 2 3 4 5 6 7 8
A
B
C
D
E
F
Page. No.
NPM-TT2:Main Body Wiring
(Extension Conveyor I/F Right)
MTKA005506+043AC
P043

Left Side
Transportation Opening
Sensor (Projection)
Left Side
Transportation Opening
Sensor (Receive)
Right Side
Transportation Opening
Sensor (Projection)
Right Side
Transportation Opening
Sensor (Receive)
-B1021T
E3ZS-T81A-1
BN
PK
BU
OMRON
-B1021
E3ZS-T81A-1
BN
PK
BK
BU
OMRON
-B1020T
E3ZS-T81A-1
BN
PK
BU
OMRON
-B1020
E3ZS-T81A-1
BN
PK
BK
BU
OMRON
P24XLP P041-6C
G24XLP P041-6C
P24XRP P043-6F
G24XRP P043-6F
AMP
B1021P
177908-1
4
3
2
1
AMP
B1021R
177900-1
4
3
2
1
UL1007 24AWG BU BU
UL1007 24AWG BU BU
UL1007 24AWG BU BU
UL1007 24AWG BU BU BK/WH
BK
2464C(BPF)VVP AWG#24×1P-OR
BK/WH
BK
2464C(BPF)VVP AWG#24×1P-OR
BK/WH
BK
RD/WH
RD
2464C(BPF)VVP AWG#24×2P-OR
BK/WH
BK
RD/WH
RD
2464C(BPF)VVP AWG#24×2P-OR
AMP
B1020TP
177908-1
4
3
2
1
AMP
B1020TR
177900-1
4
3
2
1
AMP
B1020P
177908-1
4
3
2
1
AMP
B1020R
177900-1
4
3
2
1
AMP
B1021TP
177908-1
4
3
2
1
AMP
B1021TR
177900-1
4
3
2
1
P24XLR P041-6C
G24XLR P041-6D
OPENXL P041-6D
P24XRR P043-6F
G24XRR P043-6F
OPENXR P043-6F
2464-1061/ⅡA(PF) OG LF 1P×24AWG
1
2464-1061/ⅡA(PF) OG LF 1P×24AWG
1
2464-1061/ⅡA(PF) OG LF 2P×24AWG
1
2464-1061/ⅡA(PF) OG LF 2P×24AWG
1
Panasonic Factory Solutions Co.,Ltd. パナソニック ファクトリーソリューションズ株式会社
Name
Drawing No.
Loc. No.
F4K1020-05A
1
2 3 4 5 6 7 8
A
B
C
D
E
F
1 2 3 4 5 6 7 8
A
B
C
D
E
F
Page. No.
NPM-TT2:Main Body Wiring
(Left/Right Transportation Opening Sensor)
MTKA005506+044AB
P044

UL1007 24AWG BU
UL1007 24AWG BU
1M603P
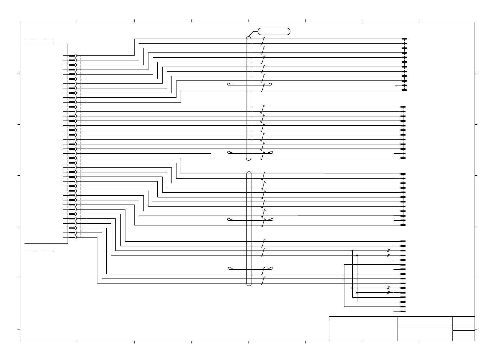
Conveyor Motor
L1 Right Standby
Power Unit
-A02
-K321
PNF0B4
ILK Board #1
+V24(M)
GND(M)
+V24(C)
GND(C)
M-REV01
OT110
M-SPD01
EMG10
D+MAIN
D-MAIN
GND(C)
+24V(M)
GND(M)
+24V(C)
GND(C)
M-REV02
OT111
M-SPD02
EMG10
D+MAIN
D-MAIN
GND(C)
+V24(M)
GND(M)
+24V(C)
GND(C)
S-REV01
OT114
S-SPD01
EMG11
D+SUB
D-SUB
GND(C)
+V24(M)
GND(M)
+V24(C)
GND(C)
EMG20
D+MAIN
D-MAIN
CNTM1
1
2
3
4
5
6
7
8
9
11
12
13
14
15
16
17
18
19
10
20
21
22
23
24
25
26
27
28
29
30
31
33
34
35
36
32
37
38
39
40
1M602P
Conveyor Motor
L1 Mount Position
1M606P
Conveyor Motor
L2 Right Standby
1M607P
L1 Width Adjustment
Motor
MTKC003353AB
LB/WH
LB
PK/WH
PK
LG/WH
LG
VT/WH
VT
OG/WH
OG
GY/WH
GY
BU/WH
BU
BN/WH
BN
YE/WH
YE
GN/WH
GN
BK/WH
BK
RD/WH
RD
LG/WH
LG
VT/WH
VT
OG/WH
OG
GY/WH
GY
BU/WH
BU
BN/WH
BN
YE/WH
YE
GN/WH
GN
BK/WH
BK
RD/WH
RD
+V24(M)
GND(M)
+V24(C)
GND(C)
M-REV01
OT110
M-SPD01
EMG10
D+MAIN
D-MAIN
GND(C)
+24V(M)
GND(M)
+24V(C)
GND(C)
M-REV02
OT111
M-SPD02
EMG10
D+MAIN
D-MAIN
GND(C)
+V24(M)
GND(M)
+24V(C)
GND(C)
S-REV01
OT114
S-SPD01
EMG11
D+SUB
D-SUB
GND(C)
+V24(M)
GND(M)
+V24(C)
GND(C)
EMG20
D+MAIN
D-MAIN
+V24(C)
GND(C)
+V24(C)
GND(C)
2464C(BPF)VVP AWG#24×12P-B
UL1007 24AWG BU BU
BU
JST
CNTM1K321
PUDP-40V-S
1
2
3
4
5
6
7
8
9
10
11
12
13
14
15
16
17
18
19
20
21
22
23
24
25
26
27
28
29
30
31
32
33
34
35
36
37
40
39
38
MOLEX
1M603P
5559-12P-210
12
11
10
9
8
7
6
5
4
3
2
1
MOLEX
1M602P
5559-12P-210
12
11
10
9
8
7
6
5
4
3
2
1
MOLEX
1M606P
5559-12P-210
12
11
10
9
8
7
6
5
4
3
2
1
2464C(BPF)VVP AWG#24×10P-B
MOLEX
1M607P
5559-16P-210
16
15
14
13
12
11
10
9
8
7
6
5
4
3
2
1
UL1007 24AWG BU BU
BU
UL1007 24AWG BU BU
2464-1061/ⅡA(PF) LF 12P×24AWG
2
2464-1061/ⅡA(PF) LF 10P×24AWG
2
Panasonic Factory Solutions Co.,Ltd. パナソニック ファクトリーソリューションズ株式会社
Name
Drawing No.
Loc. No.
F4K1020-05A
1
2 3 4 5 6 7 8
A
B
C
D
E
F
1 2 3 4 5 6 7 8
A
B
C
D
E
F
Page. No.
NPM-TT2:Main Body Wiring
(Conveyor I/F 1)
MTKA005506+045AC
P045