NPM-TT2 电路图.pdf - 第65页
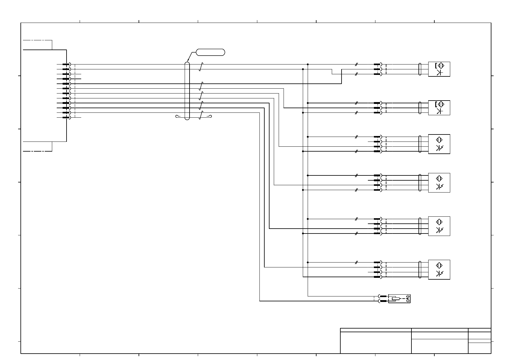
-K321 PNF0B4 ILK Board #1 Signal Tower Front Out of Work Light -A02 Power Unit Rear Out of Work Light BLUE Lamp GREEN Lamp YELLOW Lamp RED Lamp + Buzzer -B2001 LPUKB-24W-3 ARROW ELECTRONICS IND. B2003X2(-) AI0.25-6BU PHO…

-A01
CPU Box
-K301
CPU Board
LAN1K301
For
LNB
Station
Kaneko cord
B841S-88GF-H001
CNLN
STPC26-5E(LB)-S220C
USB1
Y-E DATA
YD-8V76-00000001
-C101
Card
Reader
KUSB2-AM-MBM L=2400 L TAK
N510051861AA
MTNW000200AA
MTNW000523AA
LAN1K301
USB1
CNLN
HTPE0841-D8
Panasonic Factory Solutions Co.,Ltd. パナソニック ファクトリーソリューションズ株式会社
Name
Drawing No.
Loc. No.
F4K1020-05A
1
2 3 4 5 6 7 8
A
B
C
D
E
F
1 2 3 4 5 6 7 8
A
B
C
D
E
F
Page. No.
NPM-TT2:Main Body Wiring
(LAN,USB Wiring)
MTKA005506+017AB
P017
USBC101

-K321
PNF0B4
ILK Board #1
Signal Tower
Front Out of Work Light
-A02
Power Unit
Rear Out of Work Light
BLUE
Lamp
GREEN
Lamp
YELLOW
Lamp
RED
Lamp
+
Buzzer
-B2001
LPUKB-24W-3
ARROW ELECTRONICS IND.
B2003X2(-)
AI0.25-6BU
PHOENIX CONTACT
B2003X1(+)
B2002X2(-)
AI0.25-6BU
PHOENIX CONTACT
B2002X1(+)
B2002
YW1P-TK2495
IDEC
B2003
YW1P-TK2495
IDEC
X2
X1
X2
X1
CNPATO
1
2
3
4
5
6
7
8
P24
OT042
OT043
OT044
OT045
OT041
CNPLED
1
2
3
4
5
6
P24
P24
OT046
OT047
GND
N610113002AC
N610113001AC
BK/WH
BK
2464C(BPF)VVP AWG#24×1P-B
BK/WH
BK
2464C(BPF)VVP AWG#24×1P-B
BK/WH
BK
2464C(BPF)VVP AWG#24×1P-B
BK/WH
BK
2464C(BPF)VVP AWG#24×1P-B
MOLEX
B2001R
43025-0600
6
5
4
1
2
3
MTKC003305AB
MOLEX
CNPATOK321
43025-0800
8
7
6
5
4
3
2
1
AMP
CNPLEDK321
177901-1
6
5
4
3
2
1
AMP
B2003P
177906-1
2
1
AMP
B2003R
177898-1
2
1
AMP
B2002P
177906-1
2
1
AMP
B2002R
177898-1
2
1
Note1) Connector Pin arrangement is not sequential.
MOLEX
B2001P
43020-0600
6
5
4
1
2
3
GN/WH
GN
BK/WH
BK
RD/WH
RD
2464C(BPF)VVP AWG#24×3P-B
Note1)
MTKA005517** : Whole Cover(H):NPM-TT2
MTKC003338AB
2464-1061/ⅡA(PF) LF 3P×24AWG
1
2464-1061/ⅡA(PF) LF 1P×24AWG
1
2464-1061/ⅡA(PF) LF 1P×24AWG
1
2464-1061/ⅡA(PF) LF 1P×24AWG
1
2464-1061/ⅡA(PF) LF 1P×24AWG
1
Panasonic Factory Solutions Co.,Ltd. パナソニック ファクトリーソリューションズ株式会社
Name
Drawing No.
Loc. No.
F4K1020-05A
1
2 3 4 5 6 7 8
A
B
C
D
E
F
1 2 3 4 5 6 7 8
A
B
C
D
E
F
Page. No.
NPM-TT2:Main Body Wiring
(Signal Tower Wiring)
MTKA005506+018AB
P018

CHNG1
1
12
10
11
6
7
2
3
4
5
8
9
CP+24V
24GND
D+Main
D-Main
F-NG-OP-IN
F-NG-CL-IN
FPLATE#0
FPLATE#1
FPLATE#2
IN030
F-NG-OP-OUT
F-NG-CL-OUT
-A02
Power Unit
ILK Board #1
-K321
PNF0B4
-B03
BN
BK
WH
BU
-B04
BN
BK
WH
BU
-B05
BN
BK
WH
BU
-R01
Plate Identification
Bit0
Plate Identification
Bit1
Plate Identification
Bit2
Nozzle Changer
Shutter Open
Nozzle Changer
Shutter Close
Nozzle Changer
Shutter Open
-B02
BN
BK
BU
-B01
BN
BK
BU
-B06
BN
BK
WH
BU
Plate Identification
Bit3
MTKC003307AB
BN/WH
BN
YE/WH
YE
GN/WH
GN
RD/WH
RD
2464C(BPF)VVP AWG#24×5P-B
BK/WH
BK
UL1007 24AWG BU BU
UL1007 24AWG BU BU
UL1007 24AWG BU BU
UL1007 24AWG BU BU
UL1007 24AWG BU BU
UL1007 24AWG BU BU
UL1007 24AWG BU BU
UL1007 24AWG BU BU
UL1007 24AWG BU BU
UL1007 24AWG BU BU
UL1007 24AWG BU BU
JST
CHNG1
PAP-12V-S
1
12
10
11
6
7
2
3
4
5
8
9
SMC
R01
SY100-29-1
-
+
AMP
B01P
177907-1
3
2
1
AMP
B01R
177899-1
3
2
1
AMP
B02P
177907-1
3
2
1
AMP
B02R
177899-1
3
2
1
AMP
B03P
177908-1
4
3
2
1
AMP
B03R
177900-1
4
3
2
1
AMP
B04P
177908-1
4
3
2
1
AMP
B04R
177900-1
4
3
2
1
AMP
B05P
177908-1
4
3
2
1
AMP
B05R
177900-1
4
3
2
1
AMP
B06P
177908-1
4
3
2
1
AMP
B06R
177900-1
4
3
2
1
Note1)
Note1) Connector Pin arrangement is not sequential.
2464-1061/ⅡA(PF) LF 5P×24AWG
1
Panasonic Factory Solutions Co.,Ltd. パナソニック ファクトリーソリューションズ株式会社
Name
Drawing No.
Loc. No.
F4K1020-05A
1
2 3 4 5 6 7 8
A
B
C
D
E
F
1 2 3 4 5 6 7 8
A
B
C
D
E
F
Page. No.
NPM-TT2:Main Body Wiring
(Front Nozzle Changer)
MTKA005506+019AB
P019