NPM-TT2 电路图.pdf - 第38页
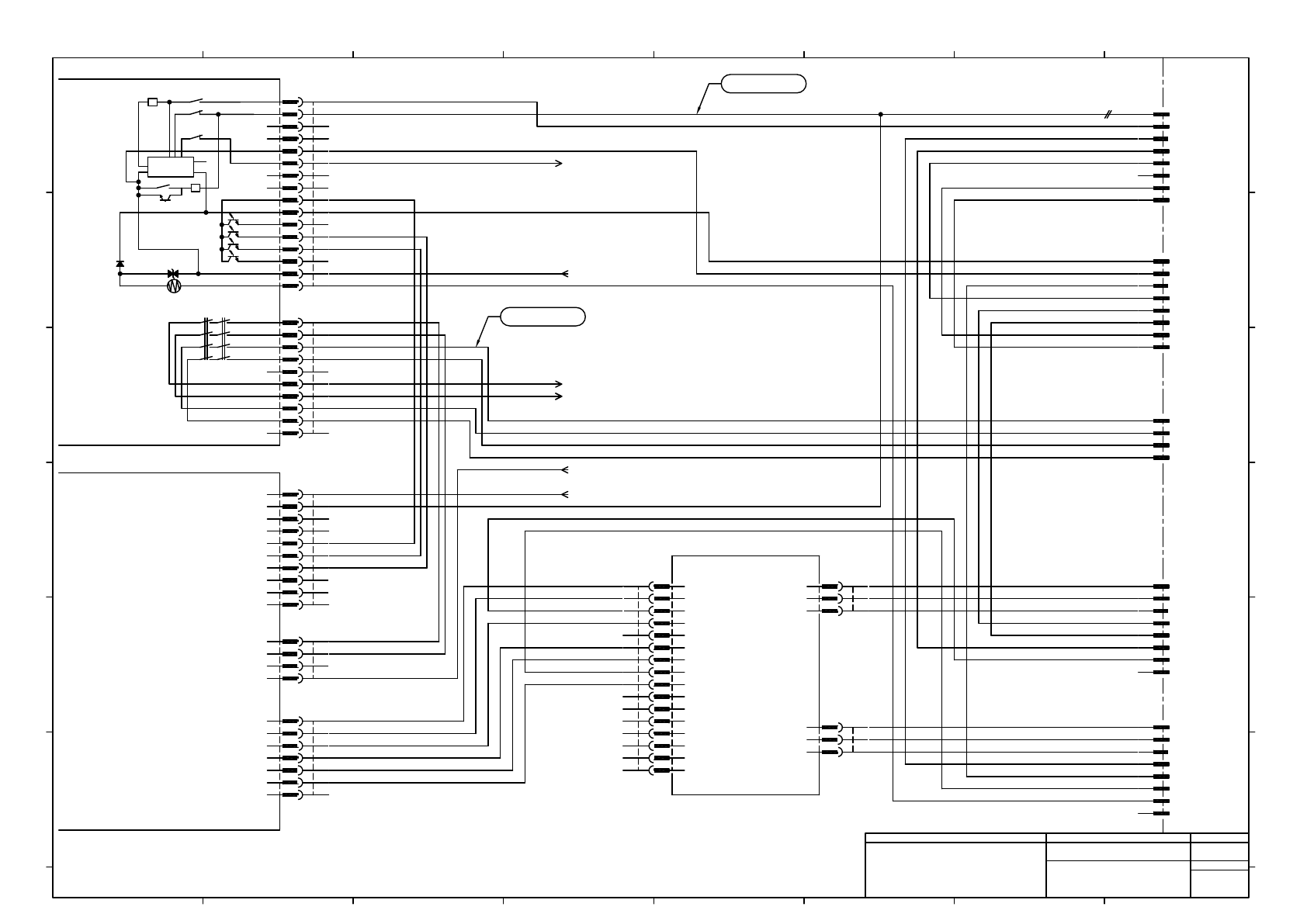
UL1007 22AWG BU UL1007 22AWG BU -K131 G9SC-400-CNP4E OMRON CN1 CN2 Safety Relay (Front) CNMC2 CNMC4 MTKC003455AA EXTOT1 UL1007 22AWG BU BU UL1007 22AWG BU BU UL1007 22AWG BU BU UL1007 22AWG BU UL1007 22AWG BU BU UL1007 2…

UL1007 22AWG BU
UL1007 22AWG BU
UL1007 22AWG BU
UL1007 22AWG BU
-K121
G9SC-400-CNP4E
OMRON
CN1
1
2
3
4
5
6
7
8
9
10
11
12
13
14
15
16
T22
T12/T31
NC
NC
T21
T32
NC
NC
COM
T11
2
1
4
3
A2
A1
CN2
1
2
3
4
5
6
7
8
9
10
13
23
33
43
NC
14
24
34
44
NC
-K321
PNF0B4
Safety Relay
-K122
G9SC-PF
OMRON
CN1
1
2
3
4
5
6
7
8
9
10
11
12
13
14
15
16
K1OUT
K1OUT
K1K2OUT
GND
GND
K2OUT
K2OUT
K1K2OUT
P24
P24
P24
G24
RL1
CN2
P24
G24
RL2
CN3
Safety Connection
CNRLY1
1
2
3
4
5
6
7
24GND
IN020
24GND
24GND
IN021
24VOUT
24GND
UL1007 22AWG BU BU
K2 K1
K2
K2
Control
Circuit
K2
K1
K1
SA
TH
a
a
K1
CNSR1
1
2
3
4
5
6
7
8
9
10
OT026NO(RESET)
OT026COM(RESET)
OT011NO
OT011COM
24VOUT
IN026
IN027
NC
24VOUT
24GND
-VaT122 P010-7D
SC1R
(P015)
CNMC1
1
2
3
4
OT027(24VOUT)POWER ON1
OT027(24VOUT)POWER ON2
24VOUT
24GND
Extension
Conveyor
(Left)
Extension
Conveyor
(Right)
1
2
3
1
2
3
UL1007 22AWG BU
BU
CN1K121-6
P006-1C
CN2K121-6
P006-1D
CN2K121-7
21aK222 P006-7C
ILK Board #1
BU
CNMC1K321-4 P006-1C
3
MOLEX
SC1P
5559-08P-210
4
5
6
7
8
3
MOLEX
SC2P
5559-08P-210
4
5
6
7
8
3
MOLEX
CNEXL01
5559-08P-210
4
5
6
7
8
3
MOLEX
CNEXR01
5559-08P-210
4
5
6
7
8
1
2
3
AMP
CN2K122
177899-1
1
2
3
AMP
CN3K122
177899-1
1
2
3
MOLEX
CN1K122
43025-1600
4
5
6
7
8
9
10
11
12
13
14
15
16
1
2
3
JST
CNRLY1K321
PAP-07V-S
4
5
6
7
1
2
3
MOLEX
CNMC1K321
5557-04R-210
4
10
9
8
7
6
5
4
MOLEX
CNSR1K321
5557-10R-210
3
2
1
10
9
8
7
6
5
4
JST
CN2K121
XHP-10
3
2
1
16
15
14
13
12
11
10
9
8
7
6
5
4
OMRON
CN1K121
XG5N-161-U
3
2
1
UL1007 22AWG BU BU
UL1007 22AWG BU BU
UL1007 22AWG BU BU
UL1007 22AWG BU BU
MTKC003451AA
UL1007 22AWG BU BU
UL1007 22AWG BU BU
UL1007 22AWG BU BU
UL1007 22AWG BU BU
UL1007 22AWG BU BU
UL1007 22AWG BU BU
BU
BU
UL1007 22AWG BU BU
UL1007 22AWG BU BU
UL1007 22AWG BU BU
UL1007 22AWG BU BU
UL1007 22AWG BU BU
UL1007 22AWG BU BU
UL1007 22AWG BU
UL1007 22AWG BU BU
UL1007 22AWG BU BU
UL1007 22AWG BU BU
UL1007 22AWG BU BU
UL1007 22AWG BU BU
UL1007 22AWG BU BU
UL1007 22AWG BU BU
UL1007 22AWG BU BU
UL1007 22AWG BU BU
UL1007 22AWG BU BU
UL1007 22AWG BU BU
UL1007 22AWG BU BU
BU
MTKC003487AB
UL1007 22AWG BU BU
UL1007 22AWG BU BU
UL1007 22AWG BU BU
UL1007 22AWG BU BU
UL1007 22AWG BU BU
UL1007 22AWG BU BU
CN2K121-7
P006-1D
SC2R
(P018)
2
1
1
2
1
2
1
2
BU
UL1007 22AWG BU BU
MOLEX
1CART3P
5559-04P-210
4
3
2
1
1CART3R
(P016)
1
Panasonic Factory Solutions Co.,Ltd. パナソニック ファクトリーソリューションズ株式会社
Name
Drawing No.
Loc. No.
F4K1020-05A
1
2 3 4 5 6 7 8
A
B
C
D
E
F
1 2 3 4 5 6 7 8
A
B
C
D
E
F
Page. No.
Power Unit Wiring:NPM-TT2
(ILK Board)
MTKA005509+012AB
P012

UL1007 22AWG BU
UL1007 22AWG BU
-K131
G9SC-400-CNP4E
OMRON
CN1
CN2
Safety
Relay
(Front)
CNMC2
CNMC4
MTKC003455AA
EXTOT1
UL1007 22AWG BU BU
UL1007 22AWG BU BU
UL1007 22AWG BU BU
UL1007 22AWG BU
UL1007 22AWG BU BU
UL1007 22AWG BU
UL1007 22AWG BU BU
UL1007 22AWG BU BU
UL1007 22AWG BU
BU
UL1007 AWG22 BU
UL1007 22AWG BU
BU
UL1007 22AWG BU
MTKC003452AA
1
2
3
4
IN400
24GND
OT320(24VOUT)
24GND
1
2
3
4
OT322(24VOUT)
OT322(24VOUT)
24VOUT
24GND
24VOUT
OT330
OT331
24VOUT
24GND
24VOUT
OT330COM
OT331COM
24VOUT
24GND
1
2
3
4
5
6
7
8
9
10
13
23
33
43
NC
14
24
34
44
NC
1
2
3
4
5
6
7
8
9
10
T22
T12T31
NC
NC
T21
T32(RESET)
NC
NC
COM
T11
11
12
13
14
15
16
2
1
4
3
A2
A1
1
2
3
4
5
6
7
8
9
11
12
13
14
15
16
17
18
19
10
20
21
22
BU
EXTOT1K331-14
P014-5B
EXTOT1K331-3
P007-2E
CNMC4-4
P007-2C
CN2K131-6
P007-2C
CN2K131-7
P007-2C
22aK232 P007-5B
BU
UL1007 22AWG BU BU
UL1007 AWG22 BU BU
BU
EXTOT1K331-2 P007-2B
BU
BU
1
2
3
JST
CNMC2K331
PAP-04V-S
4
1
2
3
MOLEX
CNMC4K331
5557-04R-210
4
1
2
3
JST
EXTOT1K331
PUDP-22V-S
4
5
6
7
8
9
10
11
12
13
14
15
16
17
18
19
20
21
22
1
2
3
OMRON
CN1K131
XG5N-161-U
4
5
6
7
8
9
10
11
12
13
14
15
16
1
2
3
JST
CN2K131
XHP-10
4
5
6
7
8
9
10
1
2
AMP
1T122R
177898-1
1
2
3
AMP
SF24VR
177899-1
SF24VR-2 P014-5C
1T122R-1 P014-5C
1T122P
(P010)
SF24VP
(P016)
OT332
OT333
OT334
OT335
OT336
OT337
OT332COM
OT333COM
OT334COM
OT335COM
OT336COM
OT337COM
K2K1
K2
K2
Control
Circuit
K2
K1
K1
SA
TH
a
a
K1
Panasonic Factory Solutions Co.,Ltd. パナソニック ファクトリーソリューションズ株式会社
Name
Drawing No.
Loc. No.
F4K1020-05A
1
2 3 4 5 6 7 8
A
B
C
D
E
F
1 2 3 4 5 6 7 8
A
B
C
D
E
F
Page. No.
Power Unit Wiring:NPM-TT2
(Front Safety)
MTKA005509+013AA
P013
-K331
PNF0B4
ILK Board #2

UL1007 22AWG BU
UL1007 22AWG BU
ILK Board #2
-K331
PNF0B4
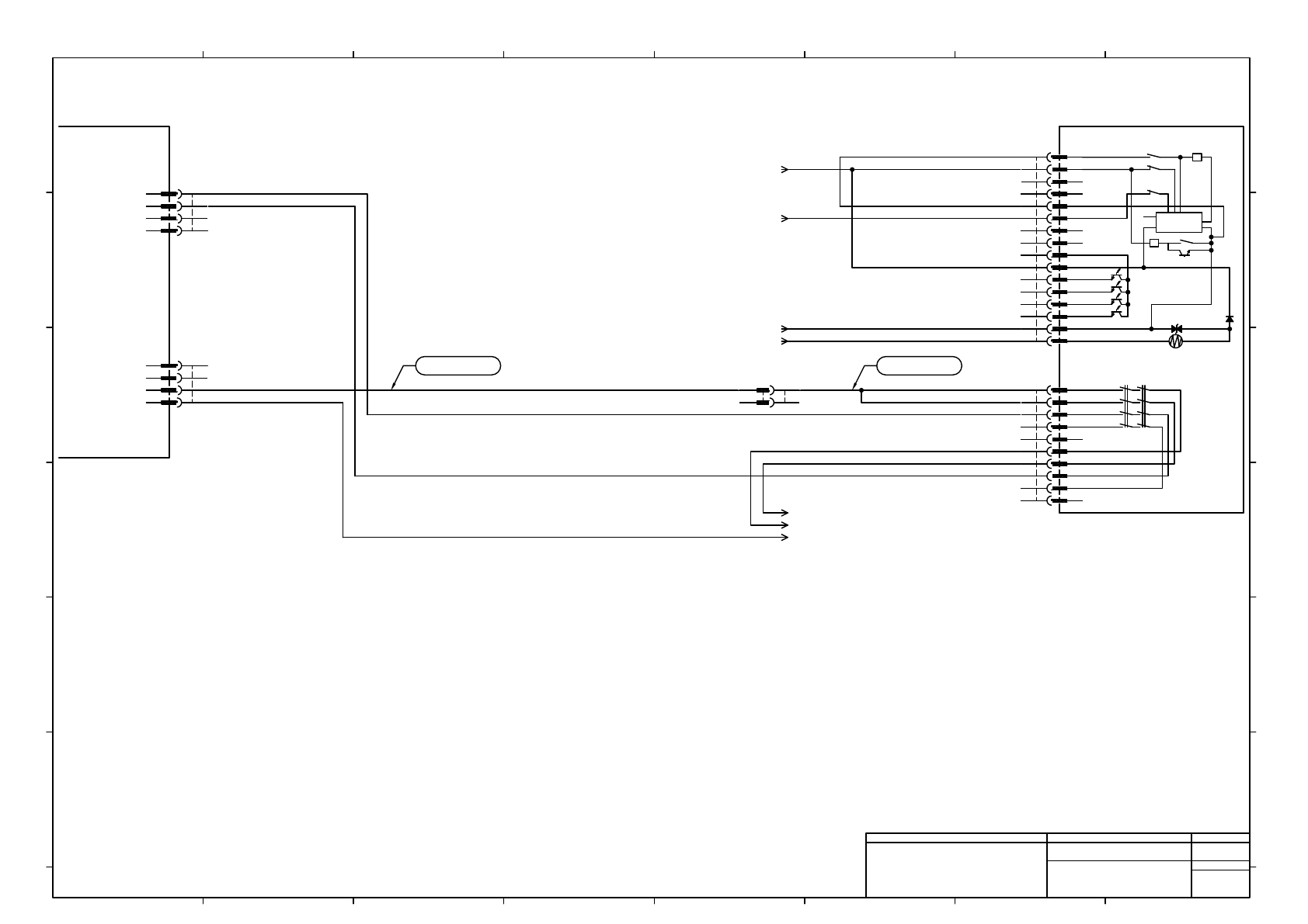
-K132
G9SC-400-CNP4E
OMRON
CN1
CN2
CNMC3
CNMC5
UL1007 22AWG BU BU
UL1007 22AWG BU BU
UL1007 22AWG BU BU
UL1007 22AWG BU BU
UL1007 22AWG BU BU
UL1007 22AWG BU
UL1007 22AWG BU BU
UL1007 22AWG BU BU
UL1007 22AWG BU BU
MTKC003479AA
1
2
3
4
IN401
24GND
OT321(24VOUT)
24GND
1
2
3
4
NC
24GND
OT323(24VOUT)
24GND
1
2
3
4
5
6
7
8
9
10
1
2
3
4
5
6
7
8
9
10
11
12
13
14
15
16
22aK234 P007-5E
EXTOT1K331-14 P013-6E
1T122R-1 P013-4C
SF24VR-2 P013-4C
CN2K132-7
P007-2E
CN2K132-6
P007-2E
CNMC5-4
P007-2E
BU
BU
UL1007 22AWG BU BU
UL1007 22AWG BU BU
1
2
3
OMRON
CN1K132
XG5N-161-U
4
5
6
7
8
9
10
11
12
13
14
15
16
1
2
3
JST
CN2K132
XHP-10
4
5
6
7
8
9
10
1
2
3
JST
CNMC3K331
PAP-04V-S
4
1
2
3
JST
CNMC5K331
PAP-04V-S
4
BU
MTKC003474AA
1
2
MOLEX
1CNMC5P
5559-02P-210
1
2
MOLEX
1CNMC5R
5557-02R-210
Safety
Relay
(Rear)
13
23
33
43
NC
14
24
34
44
NC
T22
T12T31
NC
NC
T21
T32(RESET)
NC
NC
COM
T11
A2
A1
K2K1
K2
K2
Control
Circuit
K2
K1
K1
SA
TH
a
a
K1
Panasonic Factory Solutions Co.,Ltd. パナソニック ファクトリーソリューションズ株式会社
Name
Drawing No.
Loc. No.
F4K1020-05A
1
2 3 4 5 6 7 8
A
B
C
D
E
F
1 2 3 4 5 6 7 8
A
B
C
D
E
F
Page. No.
Power Unit Wiring:NPM-TT2
(Rear Safety)
MTKA005509+014AA
P014