NPM-TT2 电路图.pdf - 第80页
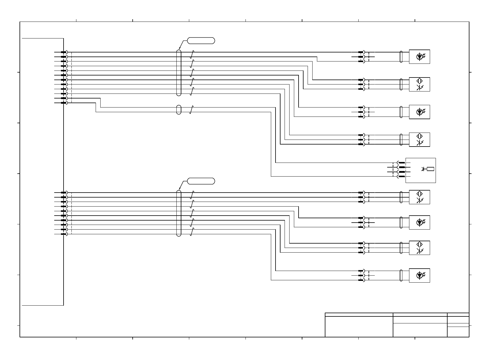
CN16 1 7 2 6 8 3 9 4 12 10 5 11 P24 G24 P24 IN201 G24 P24 G24 P24 IN203 G24 P24 G24 Vacuum Break Pressure Meter CNFOF 1 5 6 2 7 3 10 8 4 9 P24 IN200 G24 P24 G24 P24 IN202 G24 P24 G24 AMP B1200TP 177907-1 3 2 1 AMP B1201P…

-K322
PNF0B3
I/O Board
R Dust Box Detection
CNTCR
1
2
OT212
CNDUSTR
1
2
3
P24
IN222
G24
-R4212
R Tape Cutter
GY
OG
WH
MTKC003349AB
+
-
SMC
R4212
SY100-29-1
-R4213
R2 Tape Cutter
+
-
SMC
R4213
SY100-29-1
OT213 P030-2A
UL2464VV1007 3CXAWG24 BK
BK/WH
BK
RD/WH
RD
2464C(BPF)VVP AWG#24×2P-B
P31-1F P24
MTKC003300**
AMP
CNTCRR
177898-1
2
1
AMP
CNDUSTRR
177899-1
3
2
1
JST
B1222
PAP-04V-S
4
3
2
1
1
2
3
4
P24
OUT1
OUT2
GND
-B1222
2464-1061/ⅡA(PF) LF 2P×24AWG
2
Panasonic Factory Solutions Co.,Ltd. パナソニック ファクトリーソリューションズ株式会社
Name
Drawing No.
Loc. No.
F4K1020-05A
1
2 3 4 5 6 7 8
A
B
C
D
E
F
1 2 3 4 5 6 7 8
A
B
C
D
E
F
Page. No.
NPM-TT2:Main Body Wiring
(Cart Sensor Rear 2)
MTKA005506+032AC
P032

CN16
1
7
2
6
8
3
9
4
12
10
5
11
P24
G24
P24
IN201
G24
P24
G24
P24
IN203
G24
P24
G24
Vacuum Break
Pressure Meter
CNFOF
1
5
6
2
7
3
10
8
4
9
P24
IN200
G24
P24
G24
P24
IN202
G24
P24
G24
AMP
B1200TP
177907-1
3
2
1
AMP
B1201P
177907-1
3
2
1
AMP
B1202TP
177907-1
3
2
1
AMP
B1203P
177907-1
3
2
1
AMP
B1200P
177907-1
3
2
1
AMP
B1201TP
177907-1
3
2
1
AMP
B1202P
177907-1
3
2
1
AMP
B1203TP
177907-1
3
2
1
AMP
B1200TR
177899-1
3
2
1
AMP
B1201R
177899-1
3
2
1
AMP
B1202TR
177899-1
3
2
1
AMP
B1203R
177899-1
3
2
1
AMP
B1200R
177899-1
3
2
1
AMP
B1201TR
177899-1
3
2
1
AMP
B1202R
177899-1
3
2
1
AMP
B1203TR
177899-1
3
2
1
MOLEX
CN16K322
5557-12R-210
1
7
2
6
8
3
9
4
12
10
5
11
MOLEX
CNFOFK322
5557-10R-210
1
5
6
2
7
3
10
8
4
9
-K322
PNF0B3
I/O Board
F Feeder Opening 4
(Projection Side)
F Feeder Opening 3
(Receive Side)
F Feeder Opening 2
(Projection Side)
F Feeder Opening 1
(Receive Side)
F Feeder Opening 4
(Receive Side)
F Feeder Opening 3
(Projection Side)
F Feeder Opening 2
(Receive Side)
F Feeder Opening 1
(Projection Side)
-B1202
BN
BK
BU
-B1200T
BN
BU
-B1201T
BN
BU
-B1200
BN
BK
BU
-B1201
BN
BK
BU
-B1202T
BN
BU
-B1203
BN
BK
BU
-B1203T
BN
BU
2464C(BPF)VVP AWG#24×5P-B
BN/WH
BN
YE/WH
YE
GN/WH
GN
BK/WH
BK
RD/WH
RD
2464C(BPF)VVP AWG#24×5P-B
BN/WH
BN
YE/WH
YE
GN/WH
GN
BK/WH
BK
RD/WH
RD
BK/WH
BK
2464C(BPF)VVP AWG#24×1P-B
MTKC003327AB
MTKC003333AB
Note1)
Note1) Connector Pin arrangement is not sequential.
Note1)
p p
1
2
3
4
1
2
3
4
p
1
2
3
4
24V
OUT
N.C
GND
p
1
2
3
4
-B103X
DP-001Z
SUNX
JST
B103X
PAP-04V-S
4
3
2
1
2464-1061/ⅡA(PF) LF 5P×24AWG
1
2464-1061/ⅡA(PF) LF 1P×24AWG
1
2464-1061/ⅡA(PF) LF 5P×24AWG
1
Panasonic Factory Solutions Co.,Ltd. パナソニック ファクトリーソリューションズ株式会社
Name
Drawing No.
Loc. No.
F4K1020-05A
1
2 3 4 5 6 7 8
A
B
C
D
E
F
1 2 3 4 5 6 7 8
A
B
C
D
E
F
Page. No.
NPM-TT2:Main Body Wiring
(Front Sensor Wiring)
MTKA005506+033AB
P033

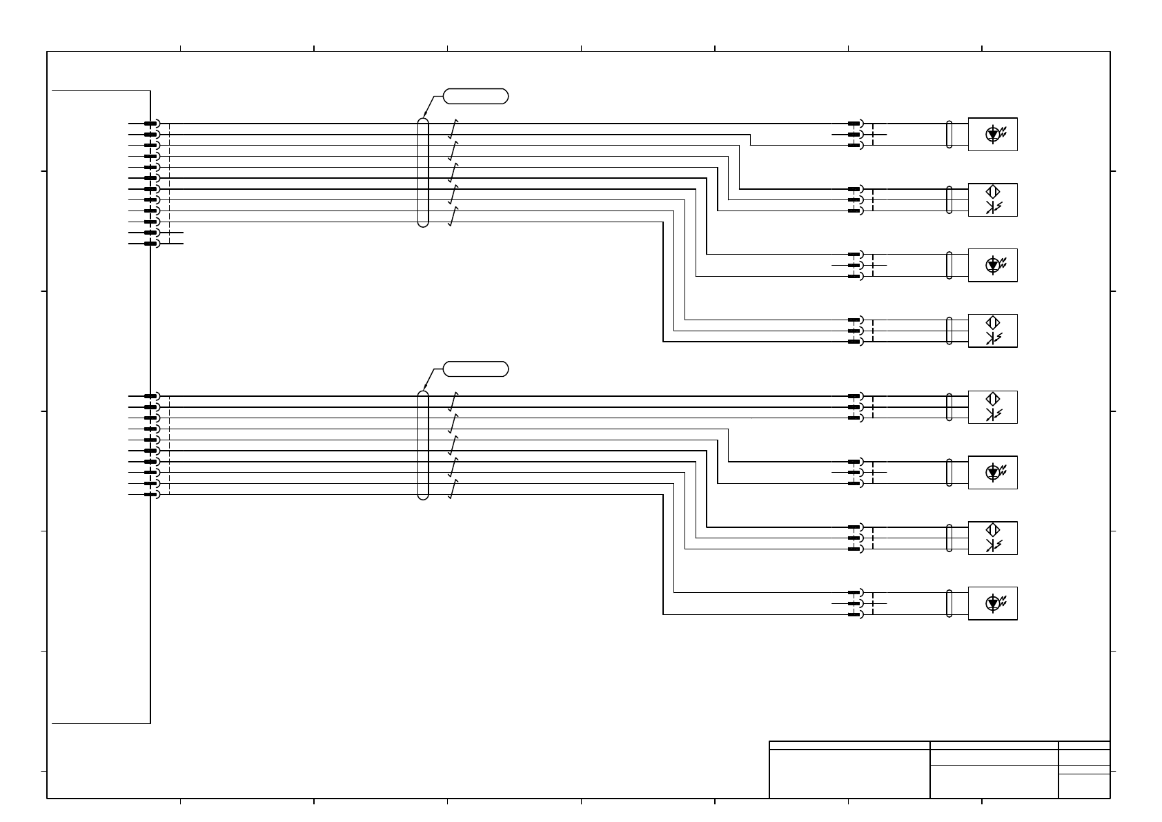
CN15
1
7
2
6
8
3
9
4
12
10
5
11
P24
G24
P24
IN205
G24
P24
G24
P24
IN207
G24
P24
G24
CNFOR
1
5
6
2
7
3
10
8
4
9
P24
IN204
G24
P24
G24
P24
IN206
G24
P24
G24
2464C(BPF)VVP AWG#24×5P-B
BN/WH
BN
YE/WH
YE
GN/WH
GN
BK/WH
BK
RD/WH
RD
2464C(BPF)VVP AWG#24×5P-B
BN/WH
BN
YE/WH
YE
GN/WH
GN
BK/WH
BK
RD/WH
RD
-K322
PNF0B3
I/O Board
MOLEX
CN15K322
5557-12R-210
1
7
2
6
8
3
9
4
12
10
5
11
MOLEX
CNFORK322
5557-10R-210
1
5
6
2
7
3
10
8
4
9
R Feeder Opening 4
(Projection Side)
R Feeder Opening 3
(Receive Side)
R Feeder Opening 2
(Projection Side)
R Feeder Opening 1
(Receive Side)
R Feeder Opening 4
(Receive Side)
R Feeder Opening 3
(Projection Side)
R Feeder Opening 2
(Receive Side)
R Feeder Opening 1
(Projection Side)
-B1206
BN
BK
BU
-B1204T
BN
BU
-B1205T
BN
BU
-B1204
BN
BK
BU
-B1205
BN
BK
BU
-B1206T
BN
BU
-B1207T
BN
BU
-B1207
BN
BK
BU
AMP
B1204TR
177899-1
3
2
1
AMP
B1205R
177899-1
3
2
1
AMP
B1206TR
177899-1
3
2
1
AMP
B1207R
177899-1
3
2
1
AMP
B1204R
177899-1
3
2
1
AMP
B1205TR
177899-1
3
2
1
AMP
B1206R
177899-1
3
2
1
AMP
B1207TR
177899-1
3
2
1
AMP
B1204P
177907-1
3
2
1
AMP
B1205TP
177907-1
3
2
1
AMP
B1206P
177907-1
3
2
1
AMP
B1207TP
177907-1
3
2
1
AMP
B1207P
177907-1
3
2
1
AMP
B1206TP
177907-1
3
2
1
AMP
B1205P
177907-1
3
2
1
AMP
B1204TP
177907-1
3
2
1
MTKC003350AC
MTKC003345AB
Note1)
Note1) Connector Pin arrangement is not sequential.
Note1)
2464-1061/ⅡA(PF) LF 5P×24AWG
2
2464-1061/ⅡA(PF) LF 5P×24AWG
2
Panasonic Factory Solutions Co.,Ltd. パナソニック ファクトリーソリューションズ株式会社
Name
Drawing No.
Loc. No.
F4K1020-05A
1
2 3 4 5 6 7 8
A
B
C
D
E
F
1 2 3 4 5 6 7 8
A
B
C
D
E
F
Page. No.
NPM-TT2:Main Body Wiring
(Rear Sensor Wiring)
MTKA005506+034AC
P034