NPM-TT2 电路图.pdf - 第122页
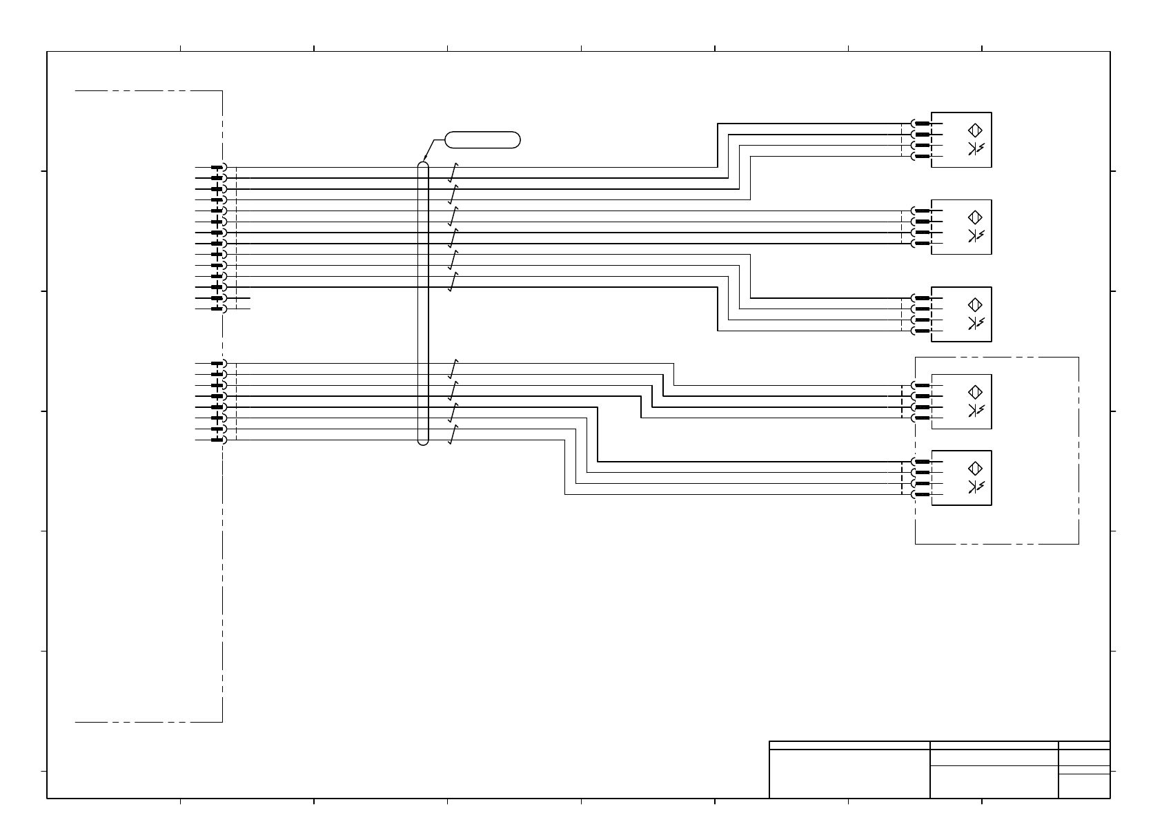
P24 OUT IN GND 1 2 3 4 -B1122 P24 OUT IN GND 1 2 3 4 -B1115 P24 OUT IN GND 1 2 3 4 -B1123 L1 PCB Detection 4 (Mount Position #1) L1 PCB Detection 5 (Mount Position #1) 24VOUT IN115 OT100 24GND 24VOUT IN122 OT100 24GND 24…

L2 Width
Adjustment
Axis Motor
1
2
3
14
6
4
5
7
8
9
12
13
10
11
15
16
17
18
-M608
MTKC003508AC
+V24(M)
GND(M)
+V24(C)
GND(C)
N.C.
N.C.
N.C.
EMG20
D+SUB
D-SUB
+V24(C)
GND(C)
+V24(C)
GND(C)
P24(M)
GND(M)
P24(C)
GND(C)
-LS
ORG
+LS
EMG
DATA+
DATA-
CW/CCW
BUSY
NC
OUTPUT COM
NC
NC
NC
NC
L2 Width
Adjustment
Axis ORG
(= Dual Mode ORG)
L2 Support Pin
Detection
(Receiver)
L2 Support Pin
Detection
(Projector)
-B1D01
-B1D01
BU
BK
BN
BU
BN
R1.25-4
JST
R1.25-4
JST
FG1B1D01 FGB1D01
WH
GN
RD
BK
MTKC003509AB
T/2464-3599 BK LF 4×24AWG
RD
RD/WH
BK
BK/WH
GN
GN/WH
YE
YE/WH
BN
BN/WH
BU
BU/WH
2464C(BPF)VVP AWG#24×6P-B
2464C(BPF)VVP AWG#24×2P-B
RD
RD/WH
BK
BK/WH
MOLEX
1M608R
5557-16R-210
1
2
3
4
5
6
7
8
9
10
11
12
13
14
15
16
MOLEX
1M608P
5559-16P-210
16
15
14
13
12
11
10
9
8
7
6
5
4
3
2
1
JST
B1D00
PAP-04V-S
4
3
2
1
BK/WH
BK
RD/WH
RD
2464C(BPF)VVP AWG#24×2P-B
1
2
3
4
P24
OUT1
OUT2
GND
-B1D00
JST
M608
PHDR-18VS
18
17
16
15
11
10
13
12
9
8
7
5
4
6
14
3
2
1
AMP
1B1D01P
177908-1
4
3
2
1
AMP
1B1D01R
177900-1
4
3
2
1
AMP
B1D01P
177908-1
4
3
2
1
AMP
B1D01R
177900-1
4
3
2
1
Note1) Connector pin arrangement is not sequential.
Note1)
MTKA005506**:
Main Body Wiring:NPM-TT2
2464-1061/ⅡA(PF) LF 6P×24AWG
2
2464-1061/ⅡA(PF) LF 2P×24AWG
2
2464-1061/ⅡA(PF) LF 2P×24AWG
2
Panasonic Factory Solutions Co.,Ltd. パナソニック ファクトリーソリューションズ株式会社
Name
Drawing No.
Loc. No.
F4K1020-05A
1
2 3 4 5 6 7 8
A
B
C
D
E
F
1 2 3 4 5 6 7 8
A
B
C
D
E
F
Page. No.
Dual Conveyor Wiring:NPM-TT2
(Width Adjustment Axis 2)
MTKA005518+008AC
P008

P24
OUT
IN
GND
1
2
3
4
-B1122
P24
OUT
IN
GND
1
2
3
4
-B1115
P24
OUT
IN
GND
1
2
3
4
-B1123
L1 PCB Detection 4
(Mount Position #1)
L1 PCB Detection 5
(Mount Position #1)
24VOUT
IN115
OT100
24GND
24VOUT
IN122
OT100
24GND
24VOUT
IN123
OT100
24GND
L1 PCB Detection 3
(Mount Position #1)
P24
OUT
IN
GND
1
2
3
4
-B1113
L1 PCB Detection 2
(Mount Position #1)
P24
OUT
IN
GND
1
2
3
4
-B1136
L1 PCB Detection 1
(Mount Position #1)
Option
MTKC003510AC
JST
B1115
PAP-04V-S
4
3
2
1
JST
B1113
PAP-04V-S
4
3
2
1
JST
B1136
PAP-04V-S
4
3
2
1
JST
B1123
PAP-04V-S
4
3
2
1
JST
B1122
PAP-04V-S
4
3
2
1
LG/WH
LG
VT/WH
VT
OG/WH
OG
GY/WH
GY
BU/WH
BU
BN/WH
BN
YE/WH
YE
GN/WH
GN
BK/WH
BK
RD/WH
RD
MTKA005506**:
Main Body Wiring:NPM-TT2
24VOUT
IN113
OT100
24GND
24VOUT
IN136
OT100
24GND
MOLEX
1B1115P
5559-14P-210
14
13
12
11
10
9
8
7
6
5
4
3
2
1
MOLEX
1B1115R
5557-14R-210
1
2
3
4
5
6
7
8
9
10
11
12
13
14
MOLEX
2B1115R
5557-08R-210
8
7
6
5
4
3
2
1
MOLEX
2B1115P
5559-08P-210
8
7
6
5
4
3
2
1
2464C(BPF)VVP AWG#24×10P-B
2464-1061/ⅡA(PF) LF 10P×24AWG
2
Panasonic Factory Solutions Co.,Ltd. パナソニック ファクトリーソリューションズ株式会社
Name
Drawing No.
Loc. No.
F4K1020-05A
1
2 3 4 5 6 7 8
A
B
C
D
E
F
1 2 3 4 5 6 7 8
A
B
C
D
E
F
Page. No.
Dual Conveyor Wiring:NPM-TT2
(Position Sensor 1)
MTKA005518+009AC
P009

P24
OUT
IN
GND
1
2
3
4
-B1124
P24
OUT
IN
GND
1
2
3
4
-B1117
P24
OUT
IN
GND
1
2
3
4
-B1125
L2 PCB Detection 4
(Mount Position #1)
L2 PCB Detection 5
(Mount Position #1)
24VOUT
IN117
OT101
24GND
24VOUT
IN124
OT101
24GND
24VOUT
IN125
OT101
24GND
L2 PCB Detection 3
(Mount Position #1)
P24
OUT
IN
GND
1
2
3
4
-B1112
L2 PCB Detection 2
(Mount Position #1)
Option
MTKC003511AC
P24
OUT
IN
GND
1
2
3
4
-B1134
L2 PCB Detection 1
(Mount Position #1)
JST
B1117
PAP-04V-S
4
3
2
1
JST
B1124
PAP-04V-S
4
3
2
1
JST
B1125
PAP-04V-S
4
3
2
1
JST
B1112
PAP-04V-S
4
3
2
1
JST
B1134
PAP-04V-S
4
3
2
1
LG/WH
LG
VT/WH
VT
OG/WH
OG
GY/WH
GY
BU/WH
BU
BN/WH
BN
YE/WH
YE
GN/WH
GN
BK/WH
BK
RD/WH
RD
MTKA005506**:
Main Body Wiring:NPM-TT2
24VOUT
IN112
OT101
24GND
24VOUT
IN134
OT101
24GND
MOLEX
1B1117P
5559-14P-210
14
13
12
11
10
9
8
7
6
5
4
3
2
1
MOLEX
1B1117R
5557-14R-210
1
2
3
4
5
6
7
8
9
10
11
12
13
14
MOLEX
2B1117R
5557-08R-210
8
7
6
5
4
3
2
1
MOLEX
2B1117P
5559-08P-210
8
7
6
5
4
3
2
1
2464C(BPF)VVP AWG#24×10P-B
2464-1061/ⅡA(PF) LF 10P×24AWG
2
Panasonic Factory Solutions Co.,Ltd. パナソニック ファクトリーソリューションズ株式会社
Name
Drawing No.
Loc. No.
F4K1020-05A
1
2 3 4 5 6 7 8
A
B
C
D
E
F
1 2 3 4 5 6 7 8
A
B
C
D
E
F
Page. No.
Dual Conveyor Wiring:NPM-TT2
(Position Sensor 2)
MTKA005518+010AC
P010