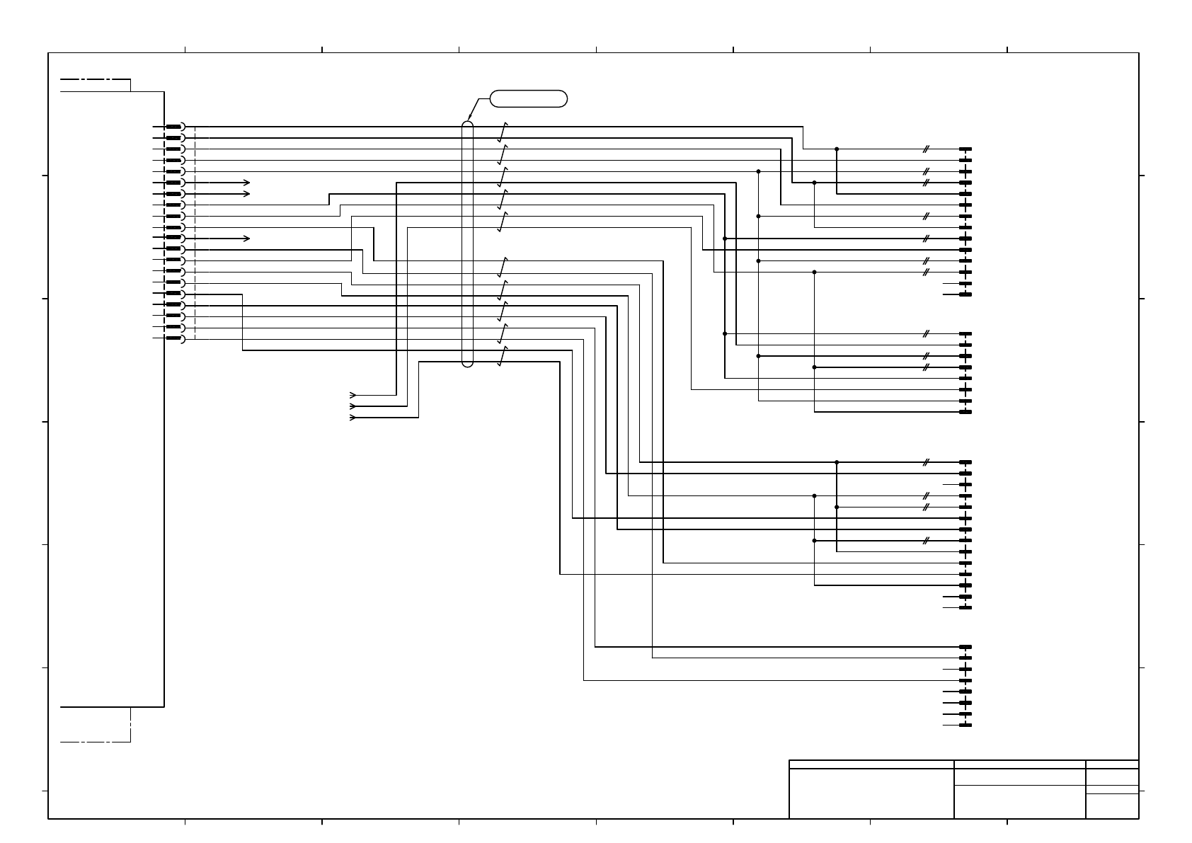
NPM-TT2 电路图.pdf - 第95页
Conveyor Sensor L1 Conveyor Sensor L1, L2 BK/WH BK -K321 PNF0B4 Power Unit -A02 ILK Board #1 IN134 24VOUT 24GND IN120 7 8 9 10 CNTR1 1 2 3 4 5 6 24VOUT 24GND IN122 IN115 OT100 IN112 11 12 24VOUT 24GND 7 8 9 10 11 12 OT10…

-K321
PNF0B4
Power Unit
-A02
ILK Board #1
CNTL
1
2
3
4
5
6
7
8
9
10
11
12
13
14
15
16
17
18
19
20
RD
RD/WH
BK
BK/WH
GN
GN/WH
YE
BN/WH
BU
BU/WH
GY
GY/WH
OG
OG/WH
VL
MTKC003354AC
Conveyor Sensor L2
Conveyor Sensor L2, L1
IN136
P048-3E
OT103
P048-3E
IN113
P048-3E
VL/WH
24VOUT
IN117
OT101
24GND
24VOUT
IN124
OT101
24GND
24VOUT
IN125
OT101
24GND
IN112 P048-2B
24VOUT
24GND
IN124
IN117
OT101
IN113
IN136
24VOUT
24GND
IN126
OT103
IN127
IN125
24VOUT
24GND
IN132
OT105
IN133
24VOUT
24GND
BN
IN134 P048-2B
OT104 P048-2D
2464C(BPF)VVP AWG#24×10P-B
LG
LG/WH
YE/WH
BU UL1007 24AWG BU
UL1007 24AWG BU BU
BU
UL1007 24AWG BU
UL1007 24AWG BU BU
BU
UL1007 24AWG BU
UL1007 24AWG BU BU
BU
UL1007 24AWG BU
BU
UL1007 24AWG BU
BU
UL1007 24AWG BU
UL1007 24AWG BU BU
UL1007 24AWG BU BU
BU
UL1007 24AWG BU
UL1007 24AWG BU BU
BU
UL1007 24AWG BU
JST
CNTLK321
PUDP-20V-S
1
2
3
4
5
6
7
8
9
10
11
12
13
14
15
16
17
18
19
20
MOLEX
1B1117P
5559-14P-210
14
13
12
11
10
9
8
7
6
5
4
3
2
1
MOLEX
2B1117P
5559-08P-210
8
7
6
5
4
3
2
1
MOLEX
1B1126P
5559-14P-210
14
13
12
11
10
9
8
7
6
5
4
3
2
1
MOLEX
2B1126P
5559-08P-210
8
7
6
5
4
3
2
1
24VOUT
IN112
OT101
24GND
24VOUT
IN134
OT101
24GND
24VOUT
IN133
24GND
24VOUT
IN132
OT105
24GND
24VOUT
IN126
OT104
24GND
24VOUT
IN127
24GND
43020-2000
43020-2000
2464-1061/ⅡA(PF) LF 10P×24AWG
2
Panasonic Factory Solutions Co.,Ltd. パナソニック ファクトリーソリューションズ株式会社
Name
Drawing No.
Loc. No.
F4K1020-05A
1
2 3 4 5 6 7 8
A
B
C
D
E
F
1 2 3 4 5 6 7 8
A
B
C
D
E
F
Page. No.
NPM-TT2:Main Body Wiring
(Conveyor I/F 3)
MTKA005506+047AC
P047

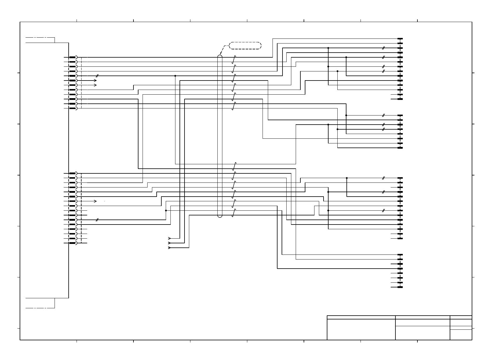
Conveyor Sensor L1
Conveyor Sensor L1, L2
BK/WH
BK
-K321
PNF0B4
Power Unit
-A02
ILK Board #1
IN134
24VOUT
24GND
IN120
7
8
9
10
CNTR1
1
2
3
4
5
6
24VOUT
24GND
IN122
IN115
OT100
IN112
11
12
24VOUT
24GND
7
8
9
10
11
12
OT102
IN121
IN123
24VOUT
CNTR2
3
4
5
6
1
2
13
14
15
16
RD/WH
RD
OG/WH
OG
PK/WH
PK
GN/WH
GN
YE/WH
YE
BN/WH
BN
VT/WH
VT
LG/WH
LG
LB/WH
LB
MTKC003354**
24VOUT
IN115
OT100
24GND
24VOUT
IN122
OT100
24GND
24VOUT
IN123
OT100
24GND
24VOUT
IN130
24GND
24VOUT
IN131
OT103
24GND
24VOUT
IN121
OT102
24GND
IN134
P047-3C
OT104
P047-3C
IN136 P047-2B
OT103 P047-2B
IN112
P047-3C
IN113 P047-2B
BU/WH
BU
GY/WH
GY
NC
NC
NC
NC
IN012
IN107
24VOUT
24GND
24GND
IN130
OT104
IN131
UL1007 24AWG BU BU
BU
UL1007 24AWG BU
UL1007 24AWG BU BU
UL1007 24AWG BU BU
BU UL1007 24AWG BU
UL1007 24AWG BU BU
BU
UL1007 24AWG BU
BU
UL1007 24AWG BU
MOLEX
CNTR1K321
43025-1200
1
2
3
4
5
6
7
8
9
10
11
12
MOLEX
CNTR2K321
43025-1600
1
2
3
4
5
6
7
8
9
10
11
12
13
14
15
16
MOLEX
1B1115P
5559-14P-210
14
13
12
11
10
9
8
7
6
5
4
3
2
1
MOLEX
2B1115P
5559-08P-210
8
7
6
5
4
3
2
1
MOLEX
1B1120P
5559-14P-210
14
13
12
11
10
9
8
7
6
5
4
3
2
1
MOLEX
2B1120P
5559-08P-210
8
7
6
5
4
3
2
1
24VOUT
IN113
OT100
24GND
24VOUT
IN136
OT100
24GND
24VOUT
IN120
24GND
2464C(BPF)VVP AWG#24×12P-B
UL1007 24AWG BU BU
UL1007 24AWG BU BU
43020-2000
43020-2000
2464-1061/ⅡA(PF) LF 12P×24AWG
2
Panasonic Factory Solutions Co.,Ltd. パナソニック ファクトリーソリューションズ株式会社
Name
Drawing No.
Loc. No.
F4K1020-05A
1
2 3 4 5 6 7 8
A
B
C
D
E
F
1 2 3 4 5 6 7 8
A
B
C
D
E
F
Page. No.
NPM-TT2:Main Body Wiring
(Conveyor I/F 4)
MTKA005506+048AC
P048

-K322
PNF0B3
I/O Board
Conveyor Sensor #1
(Under Support I/O )
CN31
1
2
3
4
5
6
7
8
P24
IN235
G24
NC
P24
IN236
G24
NC
CN30
1
2
3
4
5
6
7
8
P24
IN244
G24
IN234
P24
IN245
G24
IN233
8
7
6
5
4
MOLEX
CN30K322
43025-0800
3
2
1
8
7
6
5
4
MOLEX
CN31K322
43025-0800
3
2
1
RD/WH
RD
BK/WH
BK
GN/WH
GN
BK/WH
BK
RD/WH
RD
MTKC003300**
YE
YE/WH
Note1) Connector pin arrangement is not sequential.
Note1)
Power Unit
-K321
PNF0B4
ILK Board #1
7
8
9
1
2
3
4
5
6
CNUP1
EX+24V
OT130
EX+24V
OT131
EX+24V
OT132
EX+24V
OT133
NC
7
8
1
2
3
4
5
6
CNVLB
24VOUT
OT117
24VOUT
OT134
24VOUT
OT135
24VOUT
OT136
24VOUT
OT137
9
10
EX+24V
IN140
24GND
EX+24V
IN141
24GND
1
2
3
4
5
6
CNUP2
Conveyor Sensor #2
(Under Support I/O )
GN/WH
GN
BK/WH
BK
RD/WH
RD
YE
YE/WH
BK/WH
BK
2464C(BPF)VVP AWG#24×1P-B
Extension Conveyor Sensor
Left Side CNEXL
BK/WH
BK
2464C(BPF)VVP AWG#24×1P-B
OT117
P041-6B
MTKC003301**
Note1)
JST
CNVLBK321
PAP-10V-S
1
2
3
4
5
6
7
8
9
10
AMP
OT117R
177900-1
4
3
2
1
AMP
OT117P
177908-1
4
3
2
1
-A02
P24
G24
P24
G24
IN244
IN245
P24
OT222
24VOUT
OT134
24VOUT
OT135
P24
G24
P24
G24
IN235
IN236
P24
OT223
24VOUT
OU136
24VOUT
OT137
MOLEX
1B1233R
5557-12R-210
12
11
10
9
8
7
5
2
6
4
3
1
MOLEX
1B1234R
5557-12R-210
12
11
10
9
8
7
5
2
6
4
3
1
43025-1800
43025-1800
2464-1061/ⅡA(PF) LF 5P×24AWG
2464-1061/ⅡA(PF) LF 5P×24AWG
2464-1061/ⅡA(PF) LF 5P×24AWG
2464-1061/ⅡA(PF) LF 5P×24AWG
U-TKVV 4P-AWG24
2464C(BPF)VVP AWG#24×2P-B
P240 P030-2B
OT222 P030-2A
U-TKVV 4P-AWG24
2464C(BPF)VVP AWG#24×2P-B
P241 P030-2B
OT223 P030-2A
RD/WH
RD
BK/WH
BK
2464-1061/ⅡA(PF) LF 1P×24AWG
2
2464-1061/ⅡA(PF) LF 1P×24AWG
2
2464-1061/ⅡA(PF) LF 4P×24AWG
2
2464-1061/ⅡA(PF) LF 2P×24AWG
2
2464-1061/ⅡA(PF) LF 4P×24AWG
2
2464-1061/ⅡA(PF) LF 2P×24AWG
2
Panasonic Factory Solutions Co.,Ltd. パナソニック ファクトリーソリューションズ株式会社
Name
Drawing No.
Loc. No.
F4K1020-05A
1
2 3 4 5 6 7 8
A
B
C
D
E
F
1 2 3 4 5 6 7 8
A
B
C
D
E
F
Page. No.
NPM-TT2:Main Body Wiring
(Conveyor I/F 5)
MTKA005506+049AC
P049