RX-6_6B_6R_OperationManual1_Rev02_C.pdf - 第94页
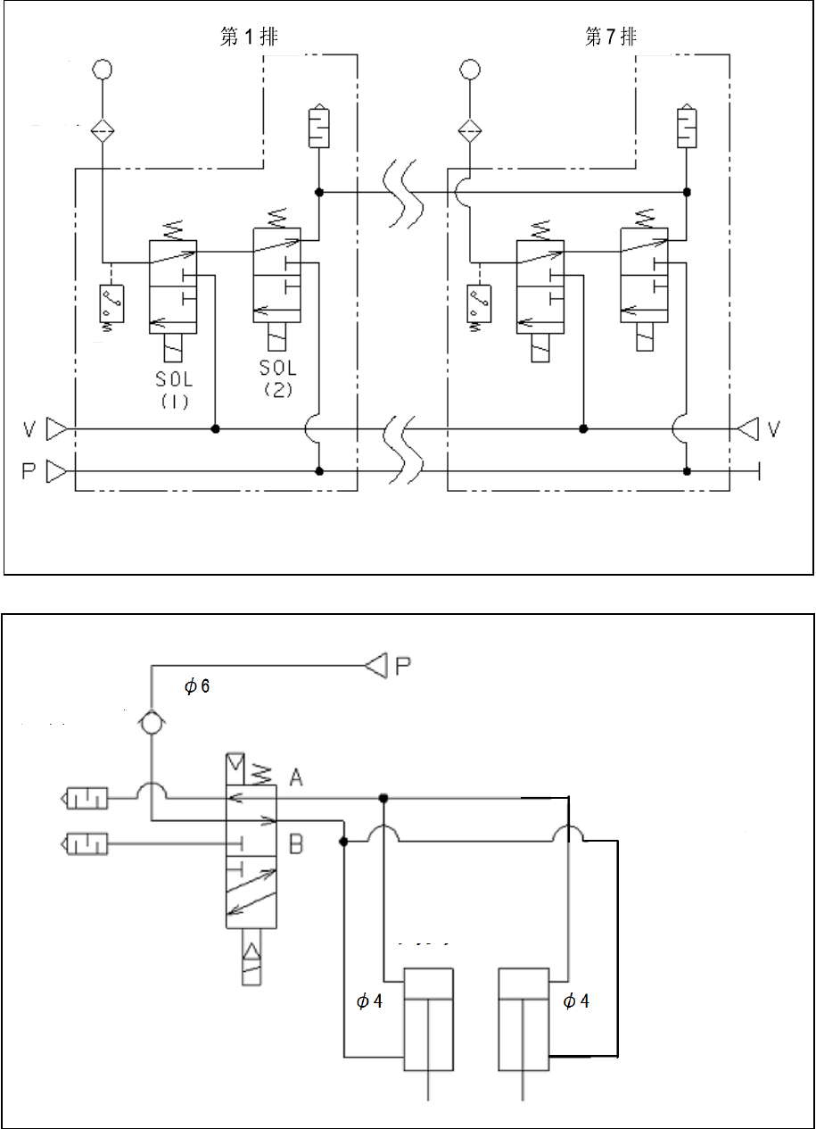
操作手册 I 4- 54 (2) 管道系统图( Head ) 过滤器 吸嘴 压力 传感器 V :来自负压( φ 8 )真空泵 V :来自负压( φ 8 )真空泵 P :来自正压( φ 8 )真空泵 大气开放 检查阀 P :来自正压( φ 6 )空气单元 气缸 气缸

操作手册 I
4-53
b-负压
真空泵
弯管接头12
插头φ8
直通接头
直通接头
直通接头
直通接头
Head电磁阀
Front
多支管
插头φ8
直通接头
节流器
插头
φ12
空气(N)传感器
电缆(组)
节流器
CAL
Front
转换接头
直通接头
M5插头
Head电磁阀
Rear

操作手册 I
4-54
(2)
管道系统图(
Head
)
过滤器
吸嘴
压力
传感器
V:来自负压(
φ
8)真空泵 V:来自负压(
φ
8)真空泵
P:来自正压(
φ
8)真空泵
大气开放
检查阀
P:来自正压(
φ
6)空气单元
气缸 气缸

操作手册 I
4-55
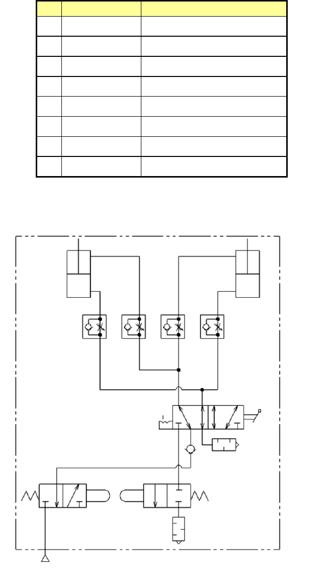
(3) 管道系统图(统一更换台)
No.
件号 品名
① PA800750100 AIR CYLINDER
② PA800750200 AIR CYLINDER
③ PV015125000 MANUAL VALVE
④ PV025103000 CHECK VALVE
⑤ 40093976 SPEED_CONTROLLER
⑥ PX055104000 SILENCER
⑦ PV010505100 MECHANICAL VALVE
⑧ PV010505000 MECHANICAL VALVE
<电动更换台专用规格>
前后通用