KE-3010_KE-3020V_KE-3020VR-Rev06.pdf - 第257页
- - REF.NO NOTE PARTNO DESCRIPTION Qty 1 #04 400-92412 POWERONLAMPRELAYCABLEASM 1 2 #01 401-06608 POWERLAMP200VCABLEASM 1 3 #02 401-06609 POWERLAMP400VCABLEASM 1 4 #04 401-09918 BREAKERO…

- -
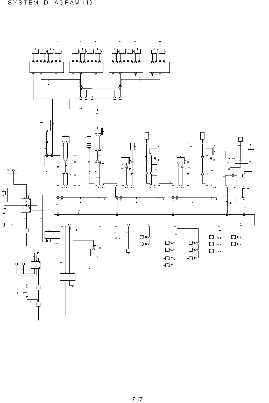
124.SYSTEMDIAGRAM(1)
6 6
1 8
8 0 8 0 8 0 8 0 8 0 8 0 7 97 97 97 97 97 97 97 9
7 6
1 1 2
1 1 2
1 1 27 7 7 8
7 5
1 0 3 1 0 5
4 1
3 8
3 6
1 1 1
3 4 3 5
3 7
4 0
3 9
4 2
4 5
4 4
4 3
4 7
4 8
4 6
4 9
5 4
5 3
5 5
5 7
5 85 8
5 6 5 6
6 1
6 0
6 2
5 7
7 2
7 0
7 1
7 3 7 4
6 3
6 9
6 8
8 1
6 4
5 25 2
5 0 5 1
3 3
3 1 3 2
1 1 0
8 6
5 9
6 5
6 7
1 1 1 3
2 8
3 0
2 9
2 9
2 7
2 7
2 7
2 6
2 5
2 5
2 2
2 42 1
2 3
2 0
1 9
1 0 6
1 0 7
1 5 1 7
1 4
1 0 8
1 0 9
9
8
5
1 0
7
6
4
2 3
1
I NP U T
T B 1
X S E R V O
A M P
M R - J 3 - 7 0 B - R J 0 2 4
[ C T R L U N I T ]
N F B
A C I N P U T
U N I T
M T S P W R ( L )
M T C P W R ( R )
T B 2
T F 1
2 0 0 V
3 4 V
1 0 0 V
2 0 0 V
P O W E R
U N I T
C N 0 1
C N 0 3
C N 0 4
V A C U U M
P U M P
C N 1 4 A
( C N 1 4 B )
C N 0 1 0
H O U R
M E T E R
C N 0 7
C N 0 6
C N 0 0 1
F A NF A N
[ B A S E 1 ]
C N 0 0 3
F A NF A N
[ B A S E 2 ]
C N 0 0 4
F A NF A N
F A N
C N 1 1 C N P 1
C N P 2
Y L S E R V O
A M P
M R - J 3 - 2 0 0 B - R J 0 2 4
C N 1 2 C N P 1
C N P 2
Y R S E R V O
A M P
M R - J 3 - 2 0 0B - R J 0 2 4
C N 1 3 C N P 1
C N P 2
C N 0 6 3
C N 2 5 1
A T X - P O W E R
B A T T E R Y
C P C I
B A C K
B O A R D
M A I N S W
M A I N S W
E
C N 1 A
E
C N 1 B
C N 1 A
E
C N 1 A 1 C H N E T
P O S I T I O N
B O A R D
C N 2
C N P 3
C N 2 L
C N 1 B
C N 2
C N P 3
C N 2 L
C N 1 B
C N 2
C N P 3
C N 2 L
S E R V O
M O T O R
7 5 0 W
Y M O T O R
Y L
1 5 0 0 W
Y M O T O R
Y R
1 5 0 0 W
2 C H N E T
1 - 4 B
P O W E R
U N I T
1 C H D I
S - X Y
R E L A Y
P C B
C N 1 1
2 - 5 B
1 - 2 D
C N 2 1 C N 1 3
C N 3 7
C N 1 4
C N 1 5
C N 3 8
C N 1 5 1 X E N C
X M T R
Y L M T R
Y R M T R
A T X 1 3
P S - O N
X Y 1 1
Z T P W R 1
Z T P W R 2
4 A X I S S E R V O
A M P ( 2 )
C N 1 A
C N 1 B
C N P 1
C N 2D
C N P 2 D
C N 2C
C N P 2 C
C N 2B
C N P 2 B
C N 2A
C N P 2 A
4 A X I S S E R V O
A M P ( 3 )
C N 1 A
C N 1 B
C N P 1
C N 2D
C N P 2 D
C N 2C
C N P 2 C
C N 2B
C N P 2 B
C N 2A
C N P 2 A
4 A X I S S E R V O
A M P ( 1 )
C N 1 A
C N 1 B
C N P 1
C N 2D
C N P 2 D
C N 2C
C N P 2 C
C N 2B
C N P 2 B
C N 2A
C N P 2 A
4 A X I S S E R V O
A M P ( 4 )
C N 1 A
C N P 1
C N 2D
C N P 2 D
C N 2C
C N P 2 C
2 - 3 B
2 - 2 A
2 - 2 A
2 - 2 B
2 - 2 B
Z 1 M O T O R
H C - B P 0 3 3 6 L W 4 - S 1
Z 2 M O T O R
H C - B P 0 3 3 6 L W 4 - S 1
Z 3 M O T O R
H C - B P 0 3 3 6 L W 4 - S 1
Z 4 M O T O R
H C - B P 0 3 3 6 L W 4 - S 1
Z 5 M O T O R
H C - B P 0 3 3 6 L W 4 - S 1
Z 6 M O T O R
H C - B P 0 3 3 6 L W 4 - S 1
Z 7 M O T O R
H C - B P 0 3 3 6 L W 4 - S 1
7 M O T O R
H C - B P 0 3 3 6 L W 4 - S 1
1 M O T O R
H C - B P 0 1 3 6D - S 1
2 M O T O R
H C - B P 0 1 3 6 D - S 1
3 M O T O R
H C - B P 0 1 3 6 D - S 1
4 M O T O R
H C - B P 0 1 3 6 D - S 1
5 M O T O R
H C - B P 0 1 3 6 D - S 1
6 M O T O R
H C - B P 0 1 3 6 D - S 1
4 - 5C
1 - 1 A
1 - 3 D
C O P L A - P S
C O P L A - P O W E R
C N 1
C P
C N 2
C N 3
C N 3
C N 4
4 - 5A
C O P L A M O N I T O R
S W I T C H B O A R D
E T F
P O W E R
U N I T
C N 0 4
G N D GN D
S C A L E
H E A D X
E N C X S E N S X
S E N S Y L E N C Y L
S C A L E
H E A D Y
S E N S Y R E N C Y R
4 - 1 D
4 - 5 A
O N L Y 3 0 2 0 V 3 0 2 0 R V
P O W E R O N
L I G H T
C N 0 0 1
1 1 2
Y M O T O R
Y R
1 5 0 0 W
8 9
8 7
8 5
6 0
8 2
Y R M T R
Y R M T R
E N C Y R
M O T O R Y R C N 2
S C A L E Y R C N 2 L
S E N S Y R
C N 2
C N P 3
C N 1 B
5 0 5 1
E N C Y L
S E N S Y L
8 9
S C A L E
H E A D Y
S C A L E
H E A D Y
S C A L E
H E A D Y
Y L M T R
Y M O T O R
Y L
1 5 0 0 W
S C A L E Y L C N 2 L
M O T O R Y L C N 2
8 7
8 4
5 3
8 2
X E N C
M O T O R X C N 2
S C A L E X C N 2 L
C N 1 6 5
C N 1 5 1
C N 1 6 5
C N 2
C N P 3
C N 1 B
C N 2
C N P 3
C N 1 B
S E N S X
X E N C
X M T R
S E R V O
M O T O R
7 5 0 W
9 0
S C A L E
H E A D X
8 9
8 7
1 1 1
8 2
8 7
8 3
9 1
1 0 0
1 0 1
9 8
9 7
9 6
1 0 2
9 5 9 4
2 3
9 2
9 3
T F 1
I NP U T
N F B
A C I N P U T
U N I T
C N 0 0 1
P O W E R O N L I G H T
T B 1 T B 1
M A I N S W 1 / 2
C N 0 6
M T S P W R ( L )
M T C P W R ( R )
C N 0 7
L F 1
1 - 3 D
2 0 0 V
1 0 0 V
3 4 V
2 0 0 V
9 9
8 8
[ B A S E R S I D E ]
[ P O W E R U N I T ]
[B A S E L S I D E ]
F ANF A NF A NFA N
F ANF A NF A N
[ C T R L U N I T ]
1 1 3
1 1 3
1 1 3
1 1 3
1 1 3
1 1 3
1 1 3
P W R 2 9
5 65 6
3 6
5 4
6 1
4 5
4 4

- -
REF.NO NOTE PARTNO DESCRIPTION Qty
1
#04
400-92412 POWERONLAMPRELAYCABLEASM 1
2
#01
401-06608 POWERLAMP200VCABLEASM 1
3
#02
401-06609 POWERLAMP400VCABLEASM 1
4
#04
401-09918 BREAKEROUTCABLEASM 1
5
#04
401-09919 MAINSWOUTPUTCABLEASM 1
6
#04
401-09922 MTCPWRWIRELASM 1
7
#04
401-09923 MTCPWRWIRERASM 1
8
#04
401-09920 TFINPUTCABLEASM 1
9
#04
401-09921 TFINPUTDELTACABLEASM 1
10
#04
401-09924 INPUTUNITFGCABLEASM 1
11
#04
401-14531 POWERUNITASM 1
12
#05
401-33955 POWERSUPPLYUNITASM 1
13
#03
401-33958 POWERSUPPLYUNIT(EN)ASM 1
14 401-09926 TF200VOUTPUTCABLEASM 1
15
#04
401-09927 TF34VOUTPUTCABLEASM 1
16
#05
401-13637 SAFETYU34VINCABLEASM(EN) 1
17
#03
401-13638 SAFETYU34VOUTCABLEASM(EN) 1
18 401-14533 ETFPOWERASM 1
19 401-13635 GNDCOMMONCABLEASM 1
20 400-99547 VACUUMPUMPASM 1
21 401-09934 VACPUMPPOWERCABLEASM 1
22 401-09935 VACUUMPUMPFGCABLEASM 1
23 HB-0006400-00 TIMER 1
24 401-09939 HOURMETERASM 1
25
#04
400-92440 BASICFANASM 1
26
#04
401-09966 FANCABLEASM1 1
27
#04
400-92440 BASICFANASM 1
28
#04
401-09967 FANCABLEASM2 1
29
#04
400-92440 BASICFANASM 1
30
#04
401-09968 FANCABLEASM3 1
31
#04
400-44538 SERVOAMP750W 1
32
#05
401-29652 XAXISDRIVER 1
33 401-09933 XDRVFGCABLEASM 1
34
#04
401-13616 OPTICALFIBERCABLE2.1M 1
35
#05
401-18621 OPTICALFIBERCABLE2M 1
36 401-09943 XMOTORCABLEASM 1
37
#04
401-09949 XLINEARSENSORCABLEASM 1
38 400-44540 16AXIS2CHSERVOCONTROLLER 1
39 401-09948 POSBOARD11CHCABLEASM 1
40 400-97614 XY-RELAYPOSRELAYCABLEASM 1
41 401-06795 S-XYRELAYPCBASM 1
42 400-48070 OPTICALFIBERCABLE7M 1
43
#04
401-13621 XYBEAR5PCABLESASM 1
44 400-44545 XMOTORENCODERCABLE 1
45 400-44546 XMTRPWRCABLE 1
46
#04
400-68914 SERVOMOTOR750W 1
47
#04
401-13622 XYBEAR1PCABLESASM 1
48
#04
400-44531 MAGNETICSCALEXSENSORUNIT 1
49 401-13685 OPTICALFIBERCABLE0.7M 1
50
#04
400-44539 SERVOAMP2000W 1
51
#05
401-29654 YAXISDRIVER 1
52 400-92416 DRVFGCABLEASM 1
53 401-09941 YLENCODERCABLEASM 1
54 401-09944 YLMOTORCABLEASM 1
55
#04
401-09950 YLLINEARSENSORCABLEASM 1
56 400-76136 SARVOMOTOR1500W 1
57
#04
401-13623 YBEARCABLESASM 1
58
#04
400-44532 MAGNETICSCALEYSENORUNIT 1
59 401-09932 YRPWRCABLEASM 1
60 401-09942 YRENCODERCABLEASM 1
61 401-09945 YRMOTORCABLEASM 1
62
#04
401-09951 YRLINEARSENSORCABLEASM 1
63 400-48006 ATXPSU 1
64 400-47894 ATXPWRRLYCABLEASM 1
65 401-09936 ATXPWRCABLEASM 1
66 HX-0057700-00 POWERSUPPLY 1
67 400-97430 COPLAINPUTRELAYCABLEASM 1
68 400-97428 COPLACPUPOWERCABLEASM 1
69 400-97433 COPLACPUGNDCABLEASM 1
70 401-09937 CPCIPOWERCABLEASM 1
71 401-05681 MONITORSWITCHPCBPWRCABLEA 1
72 400-97432 COPLACPUCPCABLEASM 1
73
#04
400-97434 COPLAMONITORSWITCHBOARD 1
74
#05
401-32154 COPLAMONITORSWITCHINGBOARD 1
75 401-09965 LZTPWRRELAYCABLEASM 1
76 400-44535 4AXISSERVOAMP 1
77
#04
401-13621 XYBEAR5PCABLESASM 1
78
#05
401-35796 XYBEARCABLESASM 1
79 400-44534 SERVOMOTOR30W 1
80 400-44533 SERVOMOTOR10W 1
81 400-48007 BATTERYUNIT 1
82
#05
401-35354 ENCODERYCABLE 1
83
#05
401-35652 XAXISLINEARSENSORCABLEASM 1
84
#05
401-35653 YLAXISLINEARSENSORCABLEAS 1
85
#05
401-35654 YRAXISLINEARSENSORCABLEAS 1
86 401-09931 YLPWRCABLEASM 1
87
#05
401-35797 YBEARCABLESASM 1
88
#05
401-33866 FANCABLEASM 1
89
#05
401-29630 XYLINEARSCALEHEAD 1
90
#05
401-29653 XAXISMOTOR 1
91
#05
401-31764 ATXCTRLCABLEASM 1
92
#05
401-33971 TFINPUTCABLE(DELTA)ASM 1
93
#05
401-35052 TRANSFORMER 1
94
#05
401-33970 TFINPUTCABLEASM 1
95
#05
401-33962 NFBOUTPUTCABLEASM 1
96
#05
401-33965 NFBONLAMPCABLEASM 1
97
#05
401-33966 MAINSWINPUTCABLEASM 1
98
#05
401-33967 MAINSWOUTPUTCABLEASM 1
99
#05
401-33952 ACINPUTUNIT 1
100
#05
401-33968 MTSPOWERCABLELASM 1
101
#05
401-33969 MTCPOWERCABLERASM 1
102
#05
401-33961 ACINPUTUNITFGCABLEASM 1
103
#04
401-14531 POWERUNITASM 1
104
#05
401-33955 POWERSUPPLYUNITASM 1
105
#03
401-33958 POWERSUPPLYUNIT(EN)ASM 1
106 401-13682 TRANSFOMER 1
107 401-09925 TFFGCABLEASM 1
108 401-09928 TF100VAOUTPUTCABLEASM 1
109 401-09929 TF200VBOUTPUTCABLEASM 1
110 401-09930 XPWRCABLEASM 1
111 401-09940 XENCCABLEASM 1
112 400-44541 OPTICALFIBERCABLE0.15M 1
113
#05
401-33768 DCFAN 1

- -
125.SYSTEMDIAGRAM(2)(TYPEXL)(AFTERM/CREV.E)
T B 1
I N P U T
4 5
2
1
3
1 1
1 2
1 0
6
7
2 0
1 5 1 6 1 7 1 8
2 5
2 8
3 3 3 4 3 5 3 6
2 9
3 7
4 5
4 6
7 4
7 2
5 9
5 8
5 7
6 1
7 0
7 1
6 2
9 4
6 3
6 5
7 8
7 9
8 0
8 3
7 8
8 4
8 5
4 8
4 9
5 4
5 5
8 7
8 8
9
8
1 3
1 4
2 6
2 4
2 7
3 2
3 2
3 2
3 2
3 2 3 2
3 2
3 2
3 2 3 2
3 2
3 2
3 2
4 4
4 3
3 2
3 2
5 2
5 1
5 3
5 0
5 6
4 7
2 3 3 92 33 1
4 0 4 04 1
2 32 2
2 1 3 0 3 8
4 24 2
7 5
7 3 7 3
8 2
8 1
7 6 7 7 7 6 7 76 9
6 7
6 6
6 0
6 8
8 6
6 4
1 9
9 0 9 0
8 9
9 0
9 2 9 3 9 2 9 3
9 2
9 19 19 19 1
9 2
9 2 9 3 9 2 9 39 2 9 3 9 2 9 3
1 9
[ B A S E 1 ]
F A N
[ B A S E 2 ]
C N0 0 1
P O W E R O N
L I G H T
C N 1 2
1 - 3 D
M A I N S W
C N 0 0 2
C N 0 0 3
C N 0 6
C N 0 7
H O U R
M E T E R
C N 1 3
C N 0 04
V A C U U M
P U M P
C N 04 A
C N 0 3
C N 01
P O WE R
U N IT
1 0 0 V
1 0 0 V
3 4 V
2 2 0 V
T F 1
T B 2
M T C P W R ( R )
M T S P W R ( L )
A C I N P U T
U N I T
N F B
[ C T R L U N I T ]
T B 1
C N 0 4 B
C N 1 1
C N 14 A
C N 0 1 0
C N 0 0 1
C N 0 6 3
C N 0 0 6
C N 0 0 7
C O P L A - P S
1 - 4 B
C N 0 0 5
[ B A S E 3 ]
[ YR M O T O R ]
[ Y L M O T O R ]
F A N
F A NF A NF A N
F A NF A NF A NF A N
F A NF A NF A NF A N
F A NF A N
X S E R V O A M P
M R - J 3 - 7 0 B - R J 0 2 4
C N P 1
C N P2
C N 1 A
C N 2
C N P 3
C N 2 L
C N 1 B
E
M R - R B 1 2
Y L S E R V O A M P
M R - J 3 - 2 0 0 B - R J 0 2 4
C N 2
C N P 3
C N 2 L
C N 1 B
E
C N P 1
C N P2
C N 1 A
M R - R B 1 2
X S E R V O A M P
M R - J 3 - 7 0 B - R J 0 2 4
C N 2
C N P 3
C N 2 L
C N 1 B
C N P 1
C N P 2
C N 1 A
E
M R - R B 1 2
C N 2 5 1
B A T T E R Y
C O P L A - P O W E R
A T X - P O W E R
C N 1
C N 2
C N 3
C N 3
4 - 5 C
C P
A T X 1 3
C P C I
B A C K
B O A R D
P S - O N
1 - 1 A
M A I N S W
C O P L A M O N I T O R
S W I T C H B O A R D
C N 4
4 - 5 A
Y R O R G
S E N S O R
C N 1 4 0
S E N S Y R
S C A L E
H E A D R L
E N C Y R
Y R M T R
C N 1 3 6
Y L O R G
S E N S O R
S C A L E
H E A D Y L
S E N S Y L
E N C Y L
Y M O T O R
Y L 1 5 0 0 W
Y L M T R
Y M O T O R
Y R 1 5 0 0 W
S C A L E
H E A D X
S E N S X
E N C X
X EN C
X M T R
C N 1 5 1
C N 1 6 5
P O S I T I O N
B O A R D
1 C H D I
2 C H N E T
1 C H N E T
S E R V O M O T O R
7 5 0 W
X Y 1 1
X Y - R E L A Y P C B
2 - 5 B
C N 1 1
C N 5
C N 1 4
C N 2
M A G N E T I C
S C A L E
P C B
C N 2 1
1 - 2 D
P O W E R U N I T
C N 7
C N 3
C N 1 0
C N 8
C N 4
C N 1 1
2 - 4 C
C N 1 3
C N 3 7
C N 1 4
C N 1 5
C N 3 8
2 - 3 B
Z T P W R 2
Z TP W R 1
4 A X I S S E R V O
A M P ( 1 )
C N 1 A
C N P 1
C N 1 B
C N 2 D
C N P 2 D
C N 2 C
C N P 2 C
C N 2 B
C N P 2 B
C N 2 A
C N P 2 A
2 - 2 A
4 A X I S S E R V O
A M P ( 2 )
C N 1 A
C N P 1
C N 1 B
C N 2 D
C NP 2 D
C N 2 C
C N P 2 C
C N 2 B
C N P 2 B
C N 2 A
C N P 2 A
2 - 2 A
4 A XI S S E R V O
A M P( 3 )
C N P 1
C N 1 B
C N 2 D
C N P 2 D
C N 2 C
C N P 2 C
C N 2 B
C N P 2 B
C N 2 A
C N P 2 A
2 - 2 B
C N 1 A
Z 1 M O T O R
H C - B P 0 3 3 6 L W 4 - S 1
1 M O T O R
H C - B P 0 1 3 6 D - S 1
Z 2 M O T O R
H C - B P 0 3 3 6 L W 4 - S 1
2 M O T O R
H C - B P 0 1 3 6 D - S 1
Z 3 M O T O R
H C - B P 0 3 3 6 L W 4 - S 1
3 M O T O R
H C - B P 0 1 3 6 D - S 1
Z 4 M O T O R
H C - B P 0 3 3 6 L W 4 - S 1
4 M O T O R
H C - B P 0 1 3 6 D - S 1
Z 5 M O T O R
H C - B P 0 3 3 6 L W 4 - S 1
5 M O T O R
H C - B P 0 1 3 6 D - S 1
Z 6 M O T O R
H C - B P 0 3 3 6 L W 4 - S 1
6 M O T O R
H C - B P 0 1 3 6 D - S 1
Z 7 M O T O R
H C - B P 0 3 3 6 L W 4 - S 1
Z 7 M O T O R
H C - B P 0 3 3 6 L W 4 - S 1
4 A XI S S E R V O
A M P( 4 )
C N P 1
C N 1 A
C N P 2 D
C N 2 D
C N 2 C
C N P 2 C
2 - 2 B
2 - 2 B
O N L Y 3 0 2 0 V 3 0 2 0 V R