KE-3010_KE-3020V_KE-3020VR-Rev06.pdf - 第271页
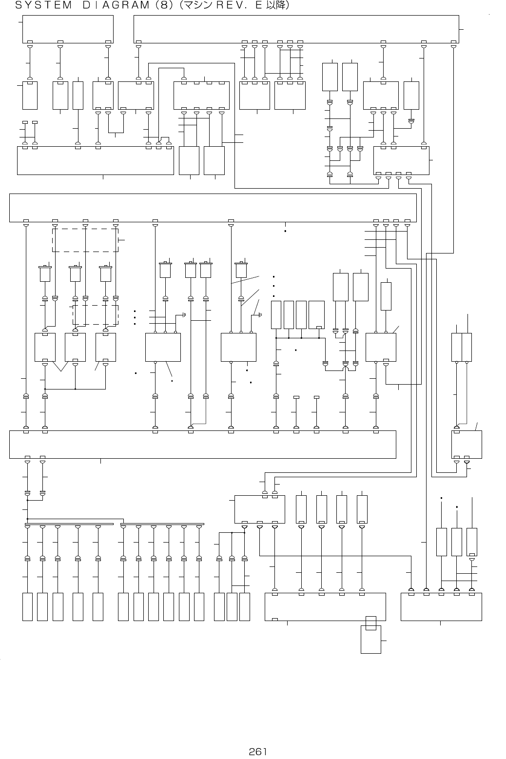
- - REF.NO NOTE PA RTNO DESCRIPTION Qty 1 401-35828 LRWA ITCOUTSEN SASM 1 2 401-10052 LEFTSENS CABLEASM 1 3 400-92569 BUPIN SENSOREMISSIONASM 1 4 401-10053 BUP IN(EMISSION)CABLEAS M 1 5 4…

- -
131.SYSTEMDIAGRAM(8)(AFTERM/CREV.E)
3 6
1 0 1
1 5 1
1 1 1 1 1 2
1 2 11 1 5
1 1 8
1 1 6
1 2 7
1 2 3
1 1 91 1 7
1 4 6
1 2 9
1 3 3
1 3 2
1 3 4
1 3 5
1 2 2
1 2 01 1 4
1 1 3
1 1 3
1 5 3
6 9 7 0
7 1 7 2
7 4 7 5
5 7
6 0
5 95 95 9
7 7
7 9
9 0
6 7 6 8
8 7 8 8
8 5 8 6
8 3 8 4
7 3 7 8 8 0 8 0
5 6
5 6
5 5
5 45 2
5 3
6 7 6 8
7 66 4
6 5 6 6
8 1 8 2
6 4
9 1 9 2
8 9 9 3 9 4
9 8
9 7
9 6
9 5 9 9
1 0 0
1 0 2
1 0 3
1 0 4
1 0 5
1 0 6
1 0 7
1 0 8
1 1 0
1 0 9
4 7
4 1 4 5
4 1 4 2
3 0 3 1 3 1 3 1
2 7
2 9
2 8
5 1
5 04 9
4 8
3 2
2 5
2 6
4 6
4 3
4 0
3 9
3 8
3 7
3 53 53 53 4
3 3
2 3
2 4
2 2
1
2 0
1 9
1 8
1 7
1 6
1 5
1 4
1 3
1 2
1 1
1 08642
17131
3 - 3 B
B A S E I / O P C B 2 / 2
2 - 5 B
C N 1 2
C N 1 6
C N 1 C N 2
C N 1 C N 2
C N 1 C N 2
I N M
I N M - P
C M
C M - P
O T M
O T M - P
C N 3 4
C N 3 5
C N 3 3
C N 1 4
C N 1 5
C N 1 7
C N 1 8
C N 1 7
C N 1 4
C N 1 4
C N 1 2
B U M
B U E
A W C E
C N 1 1
A W C M
C N 1 6
C N 1 2
C N 2 7
C N 2 5
C N 1 3
( S A F T Y U N I T )
C N 9 0 9
C N 3
C N 4
S B 1
C N 2 2
C N 2 3
C N 9
C N 1 0
S B 2
C N 2 1
C N 8
E V
F L U X S V
F L U X E R 1
F L U X E R
U N I T A S M
( B A S E )
2 P
4 P
B A N K
F L U X E R
U N I T A S M
( B A N K )
C N 1 5
C N 5
C N 8
C N 1
C N 1 0 C N 6C N 2 C N 1
C N 4 7 5
C N 4 7 4
C N 4 7 6
C N 9 C N 1
C N 1C N 6
C N 1 C N 4
S B O T T O M
L I G H T P C B
S L I G H T
C T R L P C B
2 / 2
B A C K
L I G H T P C B
S S I D E
L I G H T P C B
2 - 1 A
C O A X I A L
L I G H T P C B
I P - X 7
P C B 2 / 2
2 - 1 B
A C 1
A C 2
V O U T
C N 3 6
K B / M S P C
K B 1
M S 1
K B 2
M S 2
R S 1
R S 2
D V I 1
U S B
U S B
H D D
3 - 5 B
C N 1
C N 3
C N 2
D V I 1
L A N
L A N 1
L A NL A N 2
C V S P C B
C N 2 8
C N 2
C N 1
C N 3
C V S
C O N T A C T ( + )
C V S
C O N T A C T ( - )
1 - 3 D
C N 8
C N 6 0
C N 7
C N 1C N 6
S S I D E
L I G H T P C B
C N 1C N 6
S S I D E
L I G H T P C B
C N 6
C N 9
I P - X 7 E N C
X E N C
S - X Y R E L A Y
P C B 3 / 3
C N 1 3
2 - 5 C
Y L S E R V O A M P
M R - J 4 - 2 0 0 B - K M 0 1 2
2 / 2
Y E N C
1 - 2 C
C N 8
1 - 2 B
F L U X E R 2
S T O P P E R S V
I N M O T O R D R V
C E N T
M O T O R D R V
O U T
M O T O R D R V
I N M O T O R
C E N T M O T O R
O U T M O T O R
5 P H A S E
D R I V E R
B U U P M O T O R
B U U P E N C O D E R
A W C M O T O R
5 P H A S E
D R I V E R
A W C M O T O R
S H A P E Y S V
( B U _ L L O C K S V )
S M E M A
( U P P E R
U N I T )
S M E M A
( L O W E R
U N I T )
L E F T S E N S O R
B U PI N S E N S O R
( E M I S SI O N )
W A I T S E N S O R
S T O P S E N S O R
C O U T S E N S O R
B U O R G
S E N S O R
B U L O C K
S E N S O R
B U P I N S E N S O R
( R E C E I V I N G )
T . P I N S E N S O R
A W C O R G
S E N S O R
R I G H T S E N S O R
L O A D
C E L L A M P
L O A D
C E L L A S M
V C S O P
S E N S A S M
V C S S T
S E N S A S M
V C S S . V .
C A B L E A S M
L E N Z E
S T
L E N Z E
O P
V C S
C A M E R A
V C S
C A M E R A
M O U S E
/ K E Y B O A R D
S E L E C T O R
S S D
C O P L A
C P U B O A D
C O P L A
M O N I T O R
S W I T C H
B O A R D 2 / 2
C O P L A
S E N S O R
H E A D
X S E R V O
A M P
M R - J 4 - 7 0 B - K M 0 1 2
S M E M A
( U P P E R
U N I T )
5 8
K B
M O U S E
P S 2 K E Y B O A R D
S P A S M
P S 2 K E Y B O A R D
S P A S M
1 2 4
1 2 8
S U P E R
I M P O S E
B O A R D
D V I P C
M 1 ( O U T 1 2 V )
D V I 2
M 2 ( O U T 1 2 V )
D V I 1
I N P U T D C 1 2 V
R S P C 1
R S P C
R S 2
R S 1
R S 2 3 2 C
V I D E O
D C 1 2 V
R S 2 3 2 C
V I D E O
D C 1 2 V
M O N I T O R ( F )
M O N I T O R ( R )
6 3 6 3
1 2 6
1 2 2
1 3 7
1 4 0
C N 7 0 1
C N 7 0 2C N 7 0 3S I O 7
A T X - 9
C N 7 1 3
A T X - 9
C N 7 1 1
S I O 8
C O D E R E AD E R
( H E A D )
C O D E R E A D E R
( C O N V E Y O R )
8 - P O R T C O M B O A R D
A T X - P O W E R 2 / 2
1 - 2 D
C O M
C N 6
B R
B A R C O D E R E A D E R
C N 9
C N 5
C P U B O A D 3 / 3
P O W E R U N I T 5 / 5
S I O 3
S I O 4
S I O 5
S I O 7 / 8
S I O 2
S I O 1
S I O 6
5
1 3 6
1 4 0
1 3 0
1 4 1 1 4 1
1 3 9
1 3 8
1 3 1
1 4 3
1 4 4
2 1
1 4 2 1 5 2
1 4 8
9
1 4 5
1 5 0
1 4 7
N T S C 1
1 2 5
6 2 6 2
6 14 4
1 4 9
2 - 5 B

- -
REF.NO NOTE PARTNO DESCRIPTION Qty
1 401-35828 LRWAITCOUTSENSASM 1
2 401-10052 LEFTSENSCABLEASM 1
3 400-92569 BUPINSENSOREMISSIONASM 1
4 401-10053 BUPIN(EMISSION)CABLEASM 1
5 401-35794 F_LCDPWRCABLEASM 1
6 401-10054 WAITSENSCABLEASM 1
7 401-10065 STOPSENSORASM 1
8 401-10055 STOPSENSCABLEASM 1
9 401-22800 DCPOWERCABLEASM 1
10 401-10056 C.OUTSENSCABLEASM 1
11 400-92573 BUORGSENSASM 1
12 401-10057 BUORGSENSCABLEASM 1
13 400-92574 BULOCKSENSASM 1
14 401-10058 BULOCKSENSCABLEASM 1
15 400-92575 BUPINSENSORRECEIVERASM 1
16 401-10059 BUPIN(RECEVING)CABLEASM 1
17 400-92576 T.PINSENSASM 1
18 401-10060 TPINSENSCABLEASM 1
19 400-92577 AWCORGSENSASM 1
20 401-10061 AWCORGSENSCABLEASM 1
21 401-35975 SUPERIMPOSEBOARDPOWERCABLEASM 1
22 401-10062 RIGHTSENSCABLEASM 1
23 400-02147 VCSOPSENSASM 1
24 401-09803 SVCSSENSCABLEASM 1
25 400-02146 VCSSTSENSASM 1
26 400-02148 VCSS.V.CABLEASM 1
27 401-08607 S-LIGHTCTRLPCBASM 1
28 401-09801 SVCSLEDPOWERCABLEASM 1
29 401-13632 LIGHTCONTROLPOWERASM 1
30 400-66577 BACKLIGHTPCBASM 1
31 401-08603 S-SIDE-LIGHTPCBASM 4
32 401-08595 S-BOTTOM-LIGHTPCBASM 1
33 401-09802 SVCSLIGHTCABLEASM 1
34 401-09805 SBACKLIGHTCABLEASM 1
35 401-09804 SSIDELIGHTCABLEASM 4
36 400-66576 COAXIALLIGHTPCBASM 1
37 400-71300 IPX7ASM 1
38 401-09806 CAMERATRIGCABLEASM 1
39 E9623-721-000 PORTRAITMONITORCABLE 1
40 401-13633 VCSCAMERASTCABLEASM 1
41 400-71669 VCSCAMERA 1
42 400-71668 LENZESTD 1
43 401-13634 VCSCAMERAOPCABLEASM 1
44 400-42180 FLUXERCYLINDERUNITASM 1
45 400-71667 LENZEOPT 1
46 401-09797 XENCODEROUTPUTCABLEASM 1
47 401-29652 XAXISDRIVER 1
48 401-10051 SBCABLEASM 1
49 400-92634 BASE-IOSPWR-LRRLYCABLEASM 1
50 400-92631 BASE-IOSENSRLYCABLEASM 1
51 400-71680 BASEIOPCBASM 1
52 400-92630 BASE-IOPOWERRLYCABLEASM 1
53 401-10018 BASE-IOPWRCABLEASM 1
54 400-92628 BASE-IOMTR1-3RLYCABLEASM 1
55 401-10029 MT1-3PULSECABLEASM 1
56 HM-0013200-00 MOTORDRIVER 3
57 401-10026 IN-MOTORCABLEASM 1
58 401-31765 MOTORDRIVERPOWERCABLEASM 1
59 400-48074 CENTERMOTORASM 3
60 401-31766 CENT/OUTMOTORCABLEASM 1
61 400-97610 FLUXERCYLINDERBANKUNITASM 1
62 401-32159 PS2KEYBOARDSPASM 1
63 401-22812 15INCHLCDMONITOR 1
64 400-92629 BASE-IOMTR4-5RLYCABLEASM 2
65 401-10030 BUDRIVECABLEASM 1
66
#01
401-10031 BUDRIVECABLEASM(EN) 1
67 HX-0042000-00 5PHASESTEPDRIVER 2
68
#01
HX-0068900-00 5PHASESTEPDRIVER 2
69 401-10019 BUDRVPWRCABLEASM 1
70
#01
401-10020 BUDRVPWRCABLEASM(EN) 1
71 401-10032 BUMOTORCABLEASM 1
72
#01
401-10033 BUMOTORCABLEASM(EN) 1
73 400-48076 BACKUPMOTORASM 1
74 401-10034 BUDRVFGCABLEASM 1
75
#01
401-10035 BUDRVFGCABLEASM(EN) 1
76 400-92626 BASE-IOENCRLYCABLEASM 1
77 401-10036 BUENCCABLEASM 1
78 E9433-729-0A0 BUENCASM. 1
79 401-10043 AWCENCCABLEASM 1
80 400-48077 AWCMOTORASM 2
81 401-10037 AWCDRIVECABLEASM 1
82
#01
401-10038 AWCDRIVECABLEASM(EN) 1
83 401-10021 AWCDRVPWRCABLEASM 1
84
#01
401-10022 AWCDRVPWRCABLEASM(EN) 1
85 401-10039 AWCMOTORCABLEASM 1
86
#01
401-10040 AWCMOTORCABLEASM(EN) 1
87 401-10041 AWCDRVFGCABLEASM 1
88
#01
401-10042 AWCDRVFGCABLEASM(EN) 1
89 400-92633 BASE-IOSOLRLYCABLEASM 1
90 401-10044 SVCABLEASM 1
91 401-10045 SVWIREASM 1
92
#01
401-10046 SVWIREASM(EN) 1
93 401-10047 SMEMAINCABLEASM 1
94 401-10048 SMEMAOUTCABLEASM 1
95 400-92632 BASE-IOSENS-FXRLYCABLEAS 1
96 401-13660 FLUXERRELAYCABLEASM 1
97 400-99908 FLUXERBASERELAYCABLEASM 1
98 400-99909 FLUXERBANKRELAYCABLEASM 1
99 400-92624 BASE-IOAN-INRLYCABLEASM 1
100 401-13658 LOADCELLANAROGCABLEASM 1
101 400-32128 LOADCELLAMPLIFIER 1
102 401-13659 LOADCELLCTRLCABLEASM 1
103 400-31620 LOADCELLASM 1
104 401-13657 LOADCELLAMPPWRCABLEASM 1
105 401-09801 SVCSLEDPOWERCABLEASM 1
106 401-13632 LIGHTCONTROLPOWERASM 1
107 401-13671 CVSPOWERCABLEASM 1
108 400-95117 CVSPCBASM 1
109 401-01188 CVSPROBECABLEASM 1
110 401-03180 CVSCONTACTCABLE(+)ASM 1
111 401-33955 POWERSUPPLYUNITASM 1
112
#01
401-33958 POWERSUPPLYUNIT(EN)ASM 1
113 400-44522 USBRELAYCABLE 2
114 400-45441 SSDI/FCABLEASM 1
115 401-36156 ENVIRONMENTSYSTEMASM132VE 1
116 401-06795 S-XYRELAYPCBASM 1
117 400-97424 COPLAPOWERCABLEASM 1
118 401-29654 YAXISDRIVER 1
119 401-13695 COPLANARITYENCODERCABLEASM 1
120 HW-0018100-80 SHIELDEDCABLE 1
121 400-97209 CPUBOARD 1
122 400-48031 PANELLINKCABLE1M 2
123 401-02830 LANCABLE(CAT6) 1
124 401-02814 MONITORSWITCHCOMCABLEASM 1
125 401-29641 SUPERIMPOSEBOARD 1
126 401-13615 MOUSE/KEYBOARDSELECTORCABLEASM 1
127 401-32154 COPLAMONITORSWITCHINGBOAR 1
128 400-03312 PANELLINKCABLE 1
129 400-03281 MOUSE/KEYBOARDSELECTOR 1
130 401-35795 R_LCDPWRCABLEASM 2
131 401-22798 2DREADERI/FHCABLEASM 2
132 401-13628 F-MOUSECABLEASM 1
133 401-13631 R-KEYBOARDCABLEASM 1
134 401-13630 F-KEYBOARDCABLEASM 1
135 401-13629 R-MOUSECABLEASM 1
136 401-10080 R-232CCABLEASM 1
137 401-10079 F-232CCABLEASM 1
138 401-22796 2DREADERHCABLEASM 1
139 401-22795 2DREADERHRELAYCABLEASM 2
140 400-48032 PANELLINKCABLE4.5M 1
141 401-22793 2DREADERHASM 1
142 400-48006 ATXPSU 1
143 401-22799 2DREADERI/FCCABLEASM 1
144 401-22797 2DREADERCCABLEASM 1
145 400-48030 UPS232CCABLEASM 1
146 400-97422 COPLANARITYSENSOR 1
147 401-35433 8-PORTCOMBOARD 1
148 401-10081 TOUCHPANEL232CCABLEASM 1
149 401-13672 CVSCOMMCABLEASM 1
150 401-13670 BARCODEREADERCABLEASM 1
151 401-05380 CVSCONTACTCABLE(-)ASM 1
152 HX-0061000-00 BARCODEREADER 1
153 401-35432 CPUBOARD 1

- -
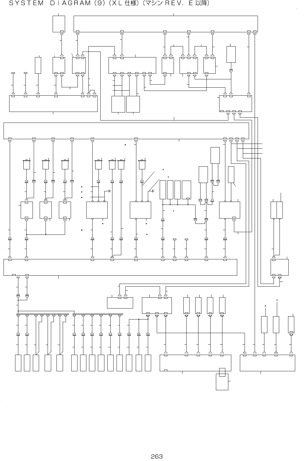
132.SYSTEMDIAGRAM(9)(TYPEXL)(AFTERM/CREV.E)
B R
2
1 6
7
9 1 0 1 1
1 2
1 3 1 5
1 4 1 6
1 7
3
4 8
1 8
1 9 2 1 2 3
2 0 2 2 2 4
2 5
2 6 2 7
3 3 3 5 3 7
2 9
3 0
3 4
3 7 3 7 4 1 4 2 4 3 4 4 4 5
3 2 4 0
3 9
4 6 4 7
4 6 4 8
4 9
3 83 83 83 63 12 8
1 0 9
1 0 7
1 0 8
1 1 1
1 1 0
9 79 49 39 28 8
8 9
9 5 9 8
7 9
8 0 8 1
7 46 2
6 3 6 4
5 2
5 35 1
5 0
6 5 6 6
9 0 9 1 9 6
1 0 1
9 9
6 5 6 6
5 4
5 4 5 4
5 5 5 8 6 0
5 7 5 9
6 1
6 9 7 0
6 7 6 8
7 1 7 2
7 5
7 7
8 2 8 3
8 4 8 5
8 6 8 7
1 0 0
1 0 2
1 0 3
1 0 4
5 6 5 6 5 6 7 3 7 6 7 8 7 8
1 1 2
1 4 4
1 3 6
1 3 3
1 3 2
1 3 1
1 3 0
1 2 9
1 2 8
1 2 7 1 2 7
1 1 3
1 1 4 1 1 4 1 1 5 1 1 7
1 2 1
1 2 1
1 2 5
1 1 6 1 1 8
1 2 2
1 1 9 1 2 3
1 3 5
1 3 8
1 3 4
1 4 1
1 4 3
1 3 9 1 4 2
1 3 7 1 4 0
1 3 7
1 4 5
1 4 6
1 2 0
5
1 0 5
1 0 6
1 2 6
1 2 4
S I O 6
S I O 1
S I O 2
S I O 7 / 8
S I O 5
S I O 4
S I O 3
P O W E R U N I T 5 / 5
C P U B O A D
V I D E O
C N 8
B A R C O D E
R E A D E R
D C 1 2 V
R S 2 3 2 C
C N 6
M O N I T O R ( R )
8 - P O R T
C O M B O A R D
C N 5
C O M
C N 1 0
1 - 2 D
3 - 5 B
M O U S E / K E Y B O A R D
S E L E C T O R
A T X - P O W E R
M O N I T O R (F )
R S 1
R S 2
M S 1
H O S T
S U P E R I M P O S E
B O A R D
P S 2 K E Y B O A R D
S P A S M
P S 2 K E Y B O A R D
S P A S M
M O U S E
K B
X S E R V O
A M P
M R - J 4 - 7 0 B - K M 0 1 2
C O P L A S E N S O R
H E A D
C O P L A M O N I T O R
S W I T C H B O A R D
C O P L A
C P U B O A D
S S D
K B 2
V C S C A M E R A
V C S C A M E R A
L E N Z E
O P
L E N Z E
S T
V C S S . V .
C A B L E A S M
V C S S T
S E N S A S M
V C S O P
S E N S A S M
L O A D C E L L
A M P
R I G H T S E N S O R
A W C O R G
S E N S O R
T . P I N S E N S O R
B U P I N S E N S O R
( R E C E I V I N G )
B U L O C K
S E N S O R
B U O R G
S E N S O R
C O U T S E N S O R
S T O P S E N S O R
W A I T S E N S O R
B U P I N S E N S O R
( E M I S S I O N )
L E F T S E N S O R
S M E M A
( U P P E R
U N I T )
S M E M A
( L O W E R
U N I T )
( B U _ L L O C K S V )
S H A P E Y S V
5 P H A S E D R I V E R
5 P H A S E D R I V E R
O U T M O T O R
C E N T M O T O R
I N M O T O R
O U T M O T O R
D R V
C E N T M O T O R
D R V
I N M O T O R
D R V
S T O P P E R S V
F L U X E R
1 - 2 B
C N 8
1 - 4 A
X E N C
I P - X 7 E N C
C N 9
C N 6
S S I D E
L I G H T P C B
C N 6
C N 1
S S I D E
L I G H T P C B
C N 6
C N 1
C N 7
C N 9
C N 8
1 - 2 D
C V S
C O N T A C T ( - )
C V S
C O N T A C T ( + )
C N 3
C N 1
C N 2
C N 2 8
C V S P C B
L A N 2
L A N
L A N 1
D V I 1
C N 2
C N 3
C N 1
M S 2
2 - 5 B
U S B
D V I 1
K B 1
K B / M S P C
C N 3 6
V O U T
A C 2
A C 1
2 - 1 B
I P - X 7 P C B 2 / 2
C O A X I A L
L I G H T P C B
2 - 1 A
S S I D E
L I G H T P C B
B A C K
L I G H T P C B
S L I G H T
C T R L P C B
2 / 2
S B O T T O M
L I G H T P C B
C N 4
C N 1
C N 6
C N 1
C N 1
C N 9
C N 4 7 6
C N 4 7 4
C N 4 7 5
C N 1C N 2
C N 6C N 1 0
C N 1
C N 8
C N 5
C N 1 5
F L U X E R
U N I T A S M
( B A N K )
B A N K
4 P
2 P
F L U X E R
U N I T A S M
( B A S E )
F L U X S V
E V
C N 8
C N 2 1
S B 2
C N 1 0
C N 9
C N 2 3
C N 2 2
S B 1
C N 4
C N 3
C N 9 0 9
( S A F T Y U N I T )
C N 1 3
C N 2 5
C N 2 7
C N 1 2
C N 1 6
C N 1 1
C N 1 2
C N 1 4
C N 1 4
C N 1 7
C N 1 8
C N 1 7
C N 1 5
C N 1 4
C N 3 3
C N 3 5
C N 3 4
I N M - P
I N M
C N 2C N 1
C N 2C N 1
C N 2C N 1
C N 1 6
C N 1 2
2 - 5 B
B A S E I / O P C B
3 - 3 B
P S O U T
P S I N
S - V C S _ P O W E R
U N I T _ X L
I N M
I N M - P
I N M
I N M - P
B U M
B U E
A W C E
A W C M
A W C M O T O R
A W C M O T O R
B U U P E N C O D E R
B U U P M O T O R
2 P
4 P
L O A D
C E L L A S M
U S B
L A N
H D D
C O N S O L S W
L C D A
D C I N
L C D B
H O S T
N T S C 1
D C 1 2 V
V I D E O
R S P C