si-f209wk_doc_par_nothing_xx_1st_20091207_level01.pdf - 第119页
S Y-CW S S SV H-CCW 16 INPUT LS BOARD 46 45 47 1 LED-C1 2 VSEN-1 3 VACSV VAC1 LED-C2 41 42 45 43 44 3 FBLS 40 HLS3 HLS-6 NZS-2 LED-C3 VAC-2 11 7 8 13 6 9 BK1 3 NZS 10 HLS4 HLS-5 NZS-1 BK2 NSM HM 15 12 14 M2 M4 X CABLE CO…

10-2
ケーブル コンベア周辺
Cable (Conveyor Area)
10-2-3
イラスト番号
Ref.No.
部品コード
Parts Code
部品名
Parts Name
Serial
No.
個数
Q’ty
備考
Remarks
同期
Repl.
27 1-829-550-22
カメラケーブル
CAMERA CABLE
1
CCXC-12P04N, HIRAKAWA HEWTECH

S
Y-CW
S
S
SV
H-CCW
16 INPUT
LS BOARD
46
45
47
1
LED-C1
2
VSEN-1
3
VACSV
VAC1
LED-C2
41
42
45
43
44
3
FBLS
40
HLS3
HLS-6
NZS-2
LED-C3
VAC-2
11
7
8
13
6
9
BK1
3
NZS
10
HLS4
HLS-5
NZS-1
BK2
NSM
HM
15 12
14
M2
M4
X CABLE
CONDUIT
Y CABLE
CONDUIT
48
Y CABLE
CONDUIT
H‑MOTOR
NS ‑MOTOR
CN17
IB-17
CN1
IB-1
S
H-CW
CN2
IB-2
S
H-ORG
CN3
IB-3
S
NS-CCW
CN4
IB-4
S
NC-CW
CN5
IB-5
S
NC-ORG
CN6
IB-6
S
R-ORG
CN7
IB-7
S
M-CCW
CN8
IB-8
S
M-CW
CN9
IB-9
S
M-ORG
CN10
IB-10
S
PXS-NC
CN11
IB-11
S
PXS-NP
CN12
IB-12
S
PXS-NR
CN13
IB-13
M
M
MM
RM
17 18
16
M3
M5
R ‑MOTOR
M-MOTOR
M
M
NSE
HE
20 21
19
E2
E4
H‑ENCODER
NS-ENCODER
E
E
FFM2
YM2
FFM
YM
33
32
M1
M
M
ME
RE
23 24
22
E3
E5
R ‑ENCODER
M-ENCODER
Y-MOTOR
FF-MOTOR
E
E
26 27
CAM2-2
CAM-2
PARTS CAMERA
CAM2-1
30 31
34
35
FFE2
FBLS-1
YLS-1 YLS-2
YLS-3
YLS-4
MM
YS
CN1
CN2
CN3
CN4
YE2
FFE
YE
37
36
E1
E
E
S
Y-ENCODER
FF-ENCODER
FEEDER FF
BACKWARD DETECT
Y-LSB
FFS FF-ORG
S
FF-ORG
S
Y-CCW
Y-CW
S
Y-ORG
38
39
25
CAM1-1
CAM-1
BOARD CAMERA
VSEN
VSV
AIR UNIT
VACUUM
SENSOR
LED BOARD
(Board Recog)
ILLUMINATION
I/F BOX1
ILLUMINATION
I/F BOX2
LED BOARD
(O' Front Light 1)
LED BOARD
(O' Front Light 2)
LED BOARD
(15' Front Light )
28 29
CMS-2CAMS-1 CAM-S
CAM1-2
L1-IN
CN1
CN2
L1-2 L-BD
CN3
L1-3
CN4
L1-4
CN5
L1-5
49
50
51
52
53
54
55
56
57
58
59
60
10-3
10-3-1

10-3
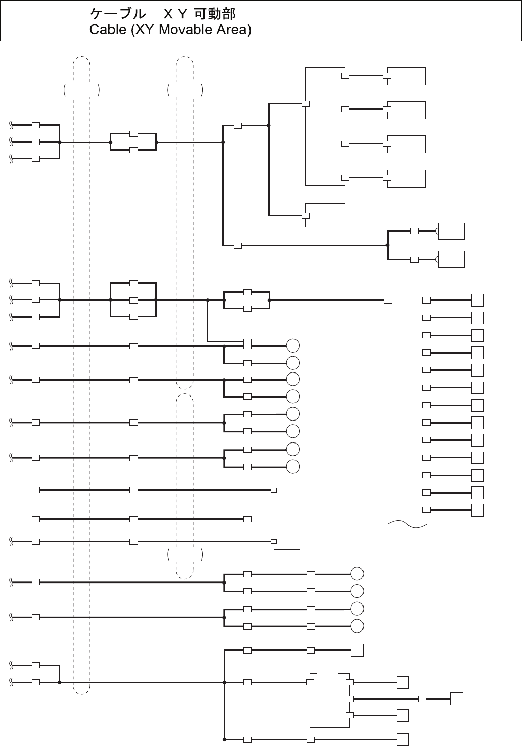
ケーブル XY可動部
Cable (XY Movable Area)
10-3-2
イラスト番号
Ref.No.
部品コード
Parts Code
部品名
Parts Name
Serial
No.
個数
Q’ty
備考
Remarks
同期
Repl.
1 1-757-213-11
キャブタイヤケーブル
CABTIRE CABLE
1
2 1-836-898-11
圧力センサケーブル
PRESSURE SENSOR CABLE
1
3 1-792-299-11
キャブタイヤケーブル
CABTIRE CABLE
1
4 1-829-613-11
可動ケーブル
MOVING-CABLE
1
5 1-829-617-11
可動ケーブル
MOVING-CABLE
1
6 1-757-214-11
キャブタイヤケーブル
CABTIRE CABLE
1
7 1-824-737-11
キャブタイヤケーブル
CABTIRE CABLE
1
8 1-792-310-11
キャブタイヤケーブル
CABTIRE CABLE
1
9 1-792-280-11
キャブタイヤケーブル
CABTIRE CABLE
1
10 1-792-304-11
キャブタイヤケーブル
CABTIRE CABLE
1
11 1-829-614-11
可動ケーブル
MOVING-CABLE
1
12 1-829-618-11
可動ケーブル
MOVING-CABLE
1
13 1-792-308-11
キャブタイヤケーブル
CABTIRE CABLE
1
14 1-829-653-11
キャブタイヤケーブル
CABTIRE CABLE
1
15 1-829-615-11
可動ケーブル
MOVING-CABLE
1
16 1-829-654-11
キャブタイヤケーブル
CABTIRE CABLE
1
17 1-829-616-11
可動ケーブル
MOVING-CABLE
1
18 1-829-619-11
可動ケーブル
MOVING-CABLE
1
19 1-829-656-11
キャブタイヤケーブル
CABTIRE CABLE
1
20 1-829-607-11
可動ケーブル
MOVING-CABLE
1
21 1-829-620-11
可動ケーブル
MOVING-CABLE
1
22 1-829-657-11
キャブタイヤケーブル
CABTIRE CABLE
1
23 1-829-612-11
可動ケーブル
MOVING-CABLE
1
24 1-829-621-11
可動ケーブル
MOVING-CABLE
1
25 1-790-633-11
カメラケーブル
CAMERA CABLE
2
2060 12P-12S 3M, HIRAKAWA HEWTECH
26 1-829-608-11
可動ケーブル
MOVING-CABLE
1