YS100_Ope_C.pdf - 第44页
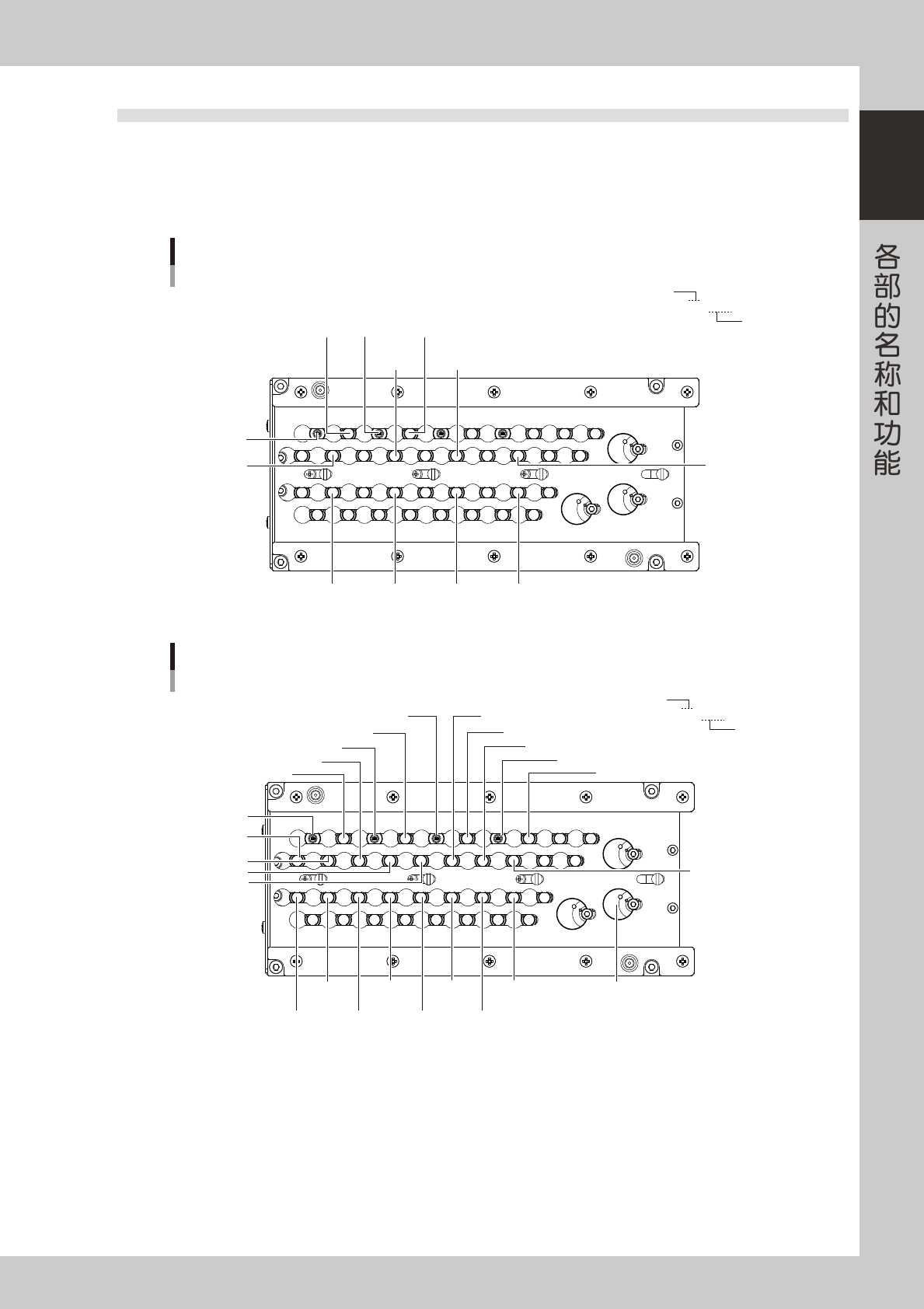
1-8 1 ■ 窄邻接面型 窄邻接面吸嘴可以从 8 种吸嘴中选择适合贴装头用的吸嘴安装。 吸嘴类型 可以安装的贴装头 No. 适用元件例 8 连 FNC 型 8 连 SF 型 T ype 310A 1 、 3 、 5 、 7 所有贴装头 0402 〜 0603 规格的元件 T ype 311A 1 、 3 、 5 、 7 所有贴装头 0603 规格的元件 T ype 311F 2 、 4 、 6 、 8 T ype 312A 1 、 3…

1-7
1
3.2 吸嘴种类
为了稳定元件吸附质量 , 必须使用适合元件用的吸嘴。下面,介绍各贴装头可以安装的吸嘴。
3.2.1 8 连贴装头用吸嘴
FNC 型 8 连贴装头中 1、3、5、7 号贴装头可以选择 6 种吸嘴 (Type A) 安装。2、4、6、8 号贴装头安装的是可以
进行飞行式更换吸嘴 (FNC) 用的吸嘴 (Type F)。SF 型 8 连贴装头可以从 6 种吸嘴 (Type A) 中选择适合贴装头使用
的吸嘴安装 ( 手动更换 )。
■ 标准型
标准吸嘴可以从 6 种吸嘴中选择适合贴装头用的吸嘴安装。
吸嘴类型
可以安装的贴装头
No.
适用元件例
8
连
FNC
型
8
连
SF
型
Type 301A
1
、
3
、
5
、
7
所有贴装头
0603
〜
1005
规格的元件
Type 301F 2
、
4
、
6
、
8
Type 302A
1
、
3
、
5
、
7
所有贴装头
1608
〜
3216
规格的元件
Type 302F 2
、
4
、
6
、
8
Type 303A
1
、
3
、
5
、
7
所有贴装头
4532
〜
7343
规格的元件、
SOP
等
Type 303F 2
、
4
、
6
、
8
Type 304A
1
、
3
、
5
、
7
所有贴装头
QFP
等
Type 305A
所有贴装头
QFP
、
BGA
等
Type 306A
1
、
3
、
5
、
7
所有贴装头 圆柱型芯片
(MELF
型
)
专用
Type A 吸嘴
TypeA 吸嘴 (301A、302A、303A、304A、305A、306A) 可以安装在 SF 型 8 连贴装头的所有贴装头上,还可以安装在 FNC
型 8 连贴装头的 1、3、5、7 号贴装头上。
但,其中 Type305A 吸嘴无法安装在 FNC 型 8 连贴装头上。
Type F 吸嘴
FNC 型 8 连贴装头的 2、4、6、8 号贴装头的前端具备飞行式更换吸嘴 (FNC) 的功能。
各贴装头可以安装 3 种吸嘴 (Type301F、302F、303F)。
c
注意
以上吸嘴为除 YS88 以外的 YS 系列专用的吸嘴,切勿在其它贴片机上使用。
n
要点
关于元件种类及元件尺寸的详细内容,请参阅出货规格书。

1-8
1
■ 窄邻接面型
窄邻接面吸嘴可以从 8 种吸嘴中选择适合贴装头用的吸嘴安装。
吸嘴类型
可以安装的贴装头
No.
适用元件例
8
连
FNC
型
8
连
SF
型
Type 310A
1
、
3
、
5
、
7
所有贴装头
0402
〜
0603
规格的元件
Type 311A
1
、
3
、
5
、
7
所有贴装头
0603
规格的元件
Type 311F 2
、
4
、
6
、
8
Type 312A
1
、
3
、
5
、
7
所有贴装头
1005
〜
1608
规格的元件
Type 312F 2
、
4
、
6
、
8
Type 313A
1
、
3
、
5
、
7
所有贴装头
2012
〜
3225
规格的元件
Type 313F 2
、
4
、
6
、
8
Type 314A
1
、
3
、
5
、
7
所有贴装头
4532
~
7343
规格的元件、
SOP
等
Type 314F 2
、
4
、
6
、
8
Type 315A
1
、
3
、
5
、
7
所有贴装头
QFP
等
Type 316A
所有贴装头
QFP
、
BGA
等
Type 317A
1
、
3
、
5
、
7
所有贴装头 圆柱型芯片
(MELF
型
)
专用
Type A 吸嘴
TypeA 吸嘴 (310A、311A、312A、313A、314A、315A、316A、317A) 可以安装在 SF 型 8 连贴装头的所有贴装头上,还可
以安装在 FNC 型 8 连贴装头的 1、3、5、7 号贴装头上。
但,其中 Type316A 吸嘴无法安装在 FNC 型 8 连贴装头上。
Type F 吸嘴
FNC 型 8 连贴装头的 2、4、6、8 号贴装头的前端具备飞行式更换吸嘴 (FNC) 的功能。
FNC 型贴装头用的吸嘴可以从下列 2 种组合中选择安装。
‧
组合 1 :Type311F、312F、313F
‧
组合 2 :Type312F、313F、314F
c
注意
以上吸嘴为除 YS88 以外的 YS 系列专用的吸嘴,切勿在其它贴片机上使用。
n
要点
关于元件种类及元件尺寸的详细内容,请参阅出货规格书。

1-9
1
3.3 吸嘴交换站 ( 选配 )
如果配备了吸嘴交换站,就可以装备用于自动更换的各种吸嘴。
YS100 FNC 型贴装头的 1、3、5、7 号贴装头可以自动更换吸嘴 (2、4、6、8 号贴装头无法自动更换 )。
YS100 SF 型贴装头的所有贴装头都可以自动更换吸嘴。
与吸嘴交换站号码相对应的贴装头和吸嘴类型 (Type),如下图所示。
FNC规格
Type30X
H1-304A
H1-301A
H7-304A
H3-304A
H1-302A
H3-302AH5-302A
H7-302A
H3-301AH5-301AH7-301A
8 7 6 5 4 3 2 1
33
34
35
32 31 30 29 28 27 26 25
38 37
36
40 39
16 15 14 13 12 11 10 9
24 23 22 21 20 19 18 17
H3-304A
H1-302A
吸嘴号码
贴装头号码
25113-L1-00
SF规格
Type30X
H4-302A
H5-304A
H3-304A
H6-302A
H1-304A
H8-303A
H5-302A
H2-303A
H4-303A
H2-302A
H6-303A
H3-302A
H8-302A
H7-304A
H7-302A
H1-302A
H1-302A
H1-301A
H2-301AH4-301AH6-301AH8-301A
H3-301AH5-301AH7-301A
35
32 31 30 29 28 27 26 25
38 37
40 39
24 23 22 21 20 19 18 17
8 7 6 5 4 3 2 1
33
34
36
16 15 14 13 12 11 10 9
吸嘴号码
贴装头号码
H1-305A
25112-L1-00