RX-6 操作说明书.pdf - 第97页
操作手册 I 4- 57 (4) 管道系统图 ( 切带器, 2 处通用 ) No. 件号 品名 ① P A800600100 A IR C YLINDER ② 40093976 SPEE D_C ONTROLLER ③ PV155207 000 SOL ENOI D V AL VE ④ PX055104 000 SILENCER 切断方向 φ 6 φ 6 切断方向 前后通用

操作手册 I
4-56
(3)
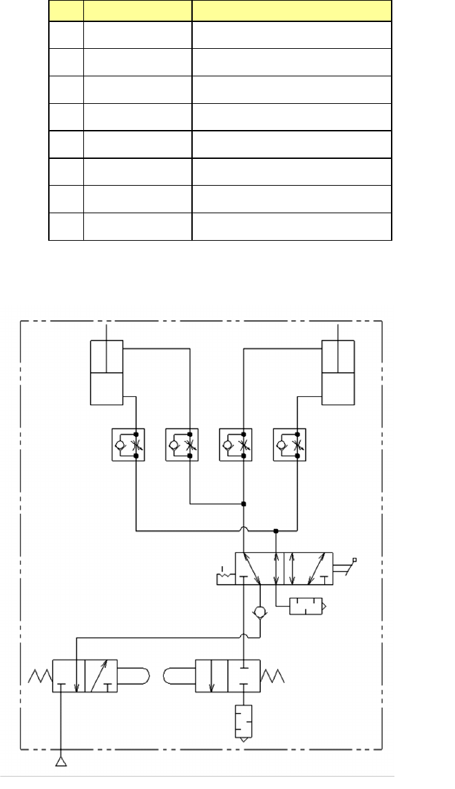
管道系统图(统一更换台)
No.
件号
品名
①
PA800750100
AIR CYLINDER
②
PA800750200
AIR CYLINDER
③
PV015125000
MANUAL VALVE
④
PV025103000
CHECK VALVE
⑤
40093976
SPEED_CONTROLLER
⑥
PX055104000
SILENCER
⑦
PV010505100
MECHANICAL
VALVE
⑧
PV010505000
MECHANICAL VALVE
<
电动更换台专用规格
>
前后通用

操作手册 I
4-57
(4)
管道系统图
(
切带器,
2
处通用
)
No.
件号
品名
①
PA800600100 AIR CYLINDER
②
40093976 SPEED_CONTROLLER
③
PV155207000 SOLENOID VALVE
④
PX055104000 SILENCER
切断方向
φ6
φ6
切断方向
前后通用

操作手册 I
5-1
5
生产时的各项处理
生产中发生的主要错误、无元件等相关处理方法。
5-1 无元件
※ 无元件时的停止时间,与操作选项的设置不同。
<勾选“发生无元件暂停”时>
发生无元件后,立即显示以下画面,装置暂停。
<未勾选“发生无元件暂停”时>
可贴片的元件全部贴片后,显示如下画面,装置暂停。
错误原因 错误处理方法
1
无元件 补充完元件,或将发生无元件的原 因( 料
带
堵塞等)处理后,选择「重试」,按下
[开始开关]。
2
元件吸取错误。
(送料带剥离堵塞、传送不畅
等造成的吸取位置偏离等)
3
吸取重试超次