NPM-D3A 操作.pdf - 第101页
NPM-D3A EJM6EC-MB-02O-0 2 第 1 阶层 第 2 阶层 第 3 阶层 第 4 阶层 2-2-2 -6 余数监视器 确认生产线上的各工作台的元件用完 信息。 确认吸着状況。 吸着监视器 状況监视器 显示运转中的生产信息,零部件用完 信息,以及其他的各类信息。 生产菜单 ( 生产中 ) 连续准备 管理各工序生产前的个别准备作业。 读入机器数据、保存机器参数等文件 操作。 文件操作 显示各吸嘴位置的机器数据。 准备零部…

NPM-D3A EJM6EC-MB-02O-02
第1阶层 第2阶层 第3阶层 第4阶层
2-2-2-5
工程师模式 1
各部位
名称
菜单构成 3
主菜单
变更操作模式。
变更操作模式
编辑操作模式。
编辑操作模式
生产菜单
(生产前)
生产开始
开始自动生产。
调整用软件开关
为了调试机器,暂时变更操作环境。
条件贴装
供料器
贴装头
清除
以图案单位来指定贴装对象。
以贴装点单位来指定贴装对象。
以零部件单位来指定贴装对象。
以贴装头单位来指定贴装对象。
清除已指定的所有条件。
图案
*1)
*2)
*1)・单轨模式时
・双轨模式下的交互实装模式时
*2)・双轨模式下的独立实装模式时
贴装
操作篇
2-2-2
*2)
托盘
以托盘单位来指定贴装对象。

NPM-D3A EJM6EC-MB-02O-02
第1阶层 第2阶层 第3阶层 第4阶层
2-2-2-6
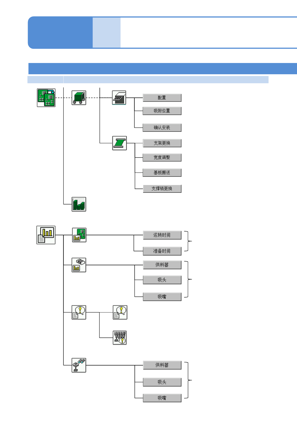
余数监视器
确认生产线上的各工作台的元件用完信息。
确认吸着状況。
吸着监视器
状況监视器
显示运转中的生产信息,零部件用完信息,以及其他的各类信息。
生产菜单
(生产中)
连续准备
管理各工序生产前的个别准备作业。
读入机器数据、保存机器参数等文件操作。
文件操作
显示各吸嘴位置的机器数据。
准备零部件
吸嘴
确认供料器状态。
供料器
进行转印单元的操作。
(搭载转印单元时会显示)
用颜色来显示生产数据和供料器状态。
根据各供料器地址来确认生产中的吸
着位置学习后的补正值。
准备菜单

NPM-D3A EJM6EC-MB-02O-02
第1阶层 第2阶层 第3阶层 第4阶层
2-2-2-7
菜单构成 4
工程师模式 2
准备菜单 准备零部件
传送带
进行基板支撑销单元的更换动作。
显示基板位置,从各位置进行传送。
调整轨道宽度。
事先计算生产计划所需的元件消耗量。
生产计划
显示各基台的运转时间的信息。
运转信息
吸着信息
显示有关元件的吸着信息。
有关紧急停止错误的信息,按照时间的最新顺序可以
最多显示20件。
停止履历
有关自动运转中发生的真空传感器错误的信息,
显示最新的50件。
履历
真空传感器错误履历
生产信息
菜单
进行支撑销(自动更换用)的位置、数
量的确认。(支撑销自动更换规格时会
显示。)
各部位
名称
操作篇
2-2-2
显示有关元件的吸着信息。
吸着监视器
确认托盘状态。
托盘
用颜色来显示生产数据和托盘状态。
根据各供料器地址来确认生产中的吸
着位置学习后的补正值。