往复式搬运轨道 (自立型) 使用说明书.pdf - 第21页
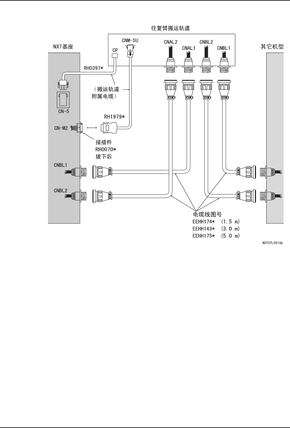
INS-NXTSTCBF-3.0S 3. 安装 NXT 往复臂搬运轨道 (自立型)使用说明书 11 3.3 电源电缆和信号电缆的连接 3.3.1 方法 在此对像下图那样将往复臂搬运 轨道连接在 NXT 的左工序侧或右工序侧时的接线进行说明 。 请将往复臂搬运轨道附属的电源电缆 (RH0397*) 和 安全门用的信号电缆 (RH1548*) 搬运电 路板信号电缆 (EEHH174*/E EHH143*/EEHH175*) 连接到相邻的 N…

3. 安装 INS-NXTSTCBF-3.0S
10 NXT 往复臂搬运轨道 (自立型)使用说明书
3.2 关于固定筋板
搬运时 , 往复臂搬运轨道的各个部分用经办或者螺栓固定。请必须在运转前拆除。
3.2.1 拆除方法
1. 拆除在机器内部筋板上拧紧的筋板 (红色)长螺栓。
2. 拆除固定螺栓,将筋板从基准侧搬运轨道拆除。
3. 在机器后侧,拆除左右两侧的固定螺栓。

INS-NXTSTCBF-3.0S 3. 安装
NXT 往复臂搬运轨道 (自立型)使用说明书 11
3.3 电源电缆和信号电缆的连接
3.3.1 方法
在此对像下图那样将往复臂搬运轨道连接在 NXT 的左工序侧或右工序侧时的接线进行说明。
请将往复臂搬运轨道附属的电源电缆 (RH0397*) 和安全门用的信号电缆 (RH1548*) 搬运电
路板信号电缆 (EEHH174*/EEHH143*/EEHH175*) 连接到相邻的 NTX 基座内的接插件上。
左工序侧的连接图

3. 安装 INS-NXTSTCBF-3.0S
12 NXT 往复臂搬运轨道 (自立型)使用说明书
右工序侧的连接图